涂层钢板
- 格式:docx
- 大小:16.91 KB
- 文档页数:3
彩色涂层钢板(彩涂)技术与发展(一)随着社会经济的发展,人们追求高品质的生活理念已渗透进钢铁产业,以往黑色、粗犷的钢板已不能满足人们的要求,色彩艳丽、功能实用的彩涂钢板应运而生。
彩色涂层钢板是将一种有机涂层涂敷于钢材表面,它具有外表美观、色彩艳丽、强度高、耐蚀性好、加工成型方便等优点,而且还可以使用户降低成本、减少污染。
彩涂板也叫有机涂层板或预涂钢板,它是以金属卷材(冷轧板、热镀锌板、镀铝板、高铝合金板、不锈钢板等)为基材,在表面涂敷或层压各种有机涂料或塑料薄膜而成。
由于它是在冶金工厂完成表面涂层的卷材,可供用户直接加工成产品,所以也称预涂卷材。
彩涂行业的发展情况1 国外彩涂钢板的发展1935年美国建立了第一条连续涂层钢板线,近20年来彩涂板生产业以建筑工业为突破口得到了迅速发展,产量不断增加,生产能力超过1800万t,尤其是欧美和日本发展较快,在全世界400多条生产线中,美国约占50%,生产能力超过400万t,而且品种齐全。
日本自1958年建成了第一条喷淋式涂层生产线后,至今已有50余条生产线,生产能力近300万t。
美国、日本、欧洲三个地区合计年生产量占世界总产量的84%。
20世纪60年代以后,特别是近二十多年来比利时、瑞典、挪威、芬兰、巴西和东欧一些国家也相继兴建了一批生产线。
2 国内彩涂钢板的发展20世纪60年代,鞍山钢铁公司钢铁研究所就开始着手研究有机涂层卷材,但由于种种原因没有进一步深入研究,直至1987年武汉钢铁公司引进我国第一条正规预涂卷材生产线正式运转,宣告中国终于有了自己的预涂金属卷材工业。
紧接着广州彩色带钢厂(1986年、5万t)、北京钢门窗厂(1988年、3万t)、上海宝山钢铁公司(1989年,22.7万t)以及西南铝业公司(1993年,2万t)等引进的预涂金属卷材相继投产,形成第一次预涂金属卷材工业发展高潮。
20世纪90年代中后期出现了预涂金属卷材业的第二次大发展,这次业主绝大多数是私营企业,他们采用国产的年产量2万t左右的中型生产线建厂,分布在广东,江苏,山东等沿海地区,此阶段新建生产线数量超过50条。
家电与建材彩色涂层钢板的区别
彩色涂层钢板定义:
将有机涂料在连续生产线上涂覆在镀锌板、冷轧板或镀铝锌板的表面,然后进行烘烤固化而成的产品。
按用途分类:家电类、建筑类等
1、产品工艺
1.1原材料
1.1.1建筑涂料:底漆为环氧树脂漆或具有相同性能指标的其他涂料,面漆
为外用聚酯漆或具有相同性能指标的其他涂料。
1.1.2家电涂料:底漆为聚酯树脂漆或具有相同性能指标的其他涂料,面漆
为聚酯漆或具有相同性能指标的其他涂料。
1.2生产工艺
家电类、建筑类属于彩色涂层钢板,具有相同的生产工艺。
2、产品性能
3、主要市场区分
家电类:主要适用于白色家电,如:冰箱、洗衣机、空调、热水器、微波炉等外壳;黑色家电,如:液晶电视后背板、PDP后背板、机电盒、音响等。
建筑类:主要适用于隔墙、幕墙装饰、吊顶装饰、整体卫浴、整体厨房、防盗门等。
彩板生产理论一.彩涂钢板简介彩涂钢板通常是以镀锌钢板为基板,经过表面脱脂、铬酸盐等处理后,涂层上有机涂料后经过烘烤后的产品.由于这种钢板具有色彩鲜艳的表面,通常被统称为彩涂板.它是一种复合材料,兼有钢板和有机材料的优点,既有钢板的机械强度和易成型的性能,又有有机材料良好的装饰性和耐腐蚀性。
彩板经过加工后,可广泛用于建筑墙面、屋面、门窗、家电等。
二.彩涂板的断面构造如下图所示:三.彩涂板的分类及用途:1.彩涂板的分类:聚酯树脂(PE)彩涂板、高耐候性(HDP)彩涂板、硅改性聚脂(SMP)彩涂板、高柔性聚指(PCS)彩涂板、氟碳树脂(PVDF)彩涂板。
1.彩涂板的用途:由于彩涂板不仅具有镀锌钢卷的耐候性、抗腐蚀能力和鲜艳的色泽,且加工性能优良、已成为当今建筑、家电、制造等行业理想的材料。
其中彩涂板主要用途之一是生产彩钢瓦和复合板的基板,而彩钢瓦和复合板是钢结构工程的重要组成部分,目前钢结构工程由于其建设周期短,结构合理牢固,大有取代砖混结构之势,市场发展空间较大。
四.预涂钢板和后涂钢板的区别金属按照涂层方法有成形加工后涂层POSTCOATING(后涂方式)和成形加工前涂层PRECOATING(预涂方式)两种,我们把PRECOATING方式涂层的钢板称为PCM(PRE-COATED-METAL),所使用的涂料称为PCM涂料。
PCM产品有工程合理,品质稳定,生产效率高及节减原单位等好处,还具有美丽的外观和优越的耐蚀性。
涂料介绍一.PCM涂料的组成:由树脂、颜料、添加剂、助剂等四种原料组成其中树脂、颜料、添加剂为涂膜成分;助剂为挥发成分二.面涂料:分为以下两种类型区分适用树脂建材用涂料Polyester Resin(聚酯树脂)化学链里有酯结合的高分子化合物,柔性好,硬度好,耐久性好家电用涂料High Polymer Polyester Resin(高分子聚酯树脂)为了提高聚酯树脂的功能,使用特殊高分子树脂。
彩钢板彩钢板彩钢板英文名:Colorplate,是指彩涂钢板,彩涂钢板是一种带有有机涂层的钢板。
目录编辑本段概述彩钢六大特点1.重量轻:10-14千克/平方米,相当于砖墙的1/302.隔热保温:芯材导热系数:λ<=0.041w/mk。
3.强度高:可作天花围护结构板材承重,抗弯抗压;一般房屋不用梁柱。
4.色泽鲜艳:无需表面装饰,彩色镀锌钢板防腐层保持期在10-15年。
5.安装灵活快捷:施工周期可缩短40%以上。
6.氧指数:(OI)32.0(省消防产品质检站)。
种类和与塑钢的区别彩涂钢板的基板为冷轧基板,热镀锌基板和电镀锌基板。
涂层种类可分为聚酯、硅改性聚酯,偏聚二氟乙烯和塑料溶胶。
彩涂钢板的表面状态可分为涂层板、压花板和印花板,彩涂钢板广泛用于建筑家电和交通运输等行业,对于建筑业主要用于钢结构厂房、机场、库房和冷冻等工业及商业建筑的屋顶墙面和门等,民用建筑采用彩钢板的较少。
它与塑钢区别在于材料的构成不同.吸铁石可以吸动.严格意义上讲,塑钢与彩钢在金属特性及表面处理上并不能很好的区分,因为大同小异;所以市场的区分主要在型材结构方面。
吸铁石不吸未必不含铁由于是普通碳钢材料,吸铁石可以吸。
另外补充说明一下,不锈钢是在低碳钢的基础上加入铬元素(大于等于13%)后的产物,所以吸铁石就吸不了了。
不能用吸铁石证明材料中是否不含铁。
编辑本段机组建设上个世纪80年代末我国才陆续建设彩钢板机组,这些机组多建在钢铁厂及合资企业,彩钢板工艺设备基本从国外引进。
到2000年国产彩钢板达到173万吨,出现了产能过剩。
国有特大钢铁企业宝钢、鞍钢、首钢、唐钢、济钢、昆钢、邯钢、武钢、攀钢等企业的机组产能、装备水平较高,都相继建成了采用国外技术、年生产能力12万~17万吨的彩钢板机组。
同时,许多民营企业投资的彩钢板生产大多采用国产设备,产能较小,但上马快、投资低,产品主要面向建材、装饰行业。
另外,外资、台资也纷纷登陆兴建彩涂机组,但大部分集中在沿海地区。
1.彩色涂层钢板的定义和性能及发展简史?彩色涂层钢板是指将有机涂料或薄膜涂敷于薄钢板表面获得的高科技复合材料,它兼有有机聚合物与钢板两者的优点。
彩板既具备有机聚合物良好的着色性、成型性、耐蚀性,又具有钢板的机械强度和易加工性能,可以很容易的进行冲裁、弯曲、深冲、铆接、焊接等加工,可广泛应用于各行个业。
彩色钢板于1936年起源于美国,最初用来代替木板做百叶窗的窗板。
我国彩板在20世纪80年代才发展来,最初主要用于建筑行业;海尔彩板是我国彩板行业发展的积极推动者,并于90年代末建立了中国第一个高档的家电彩板规模化研发生产基地,彻底了改变中国高档家电彩板依靠进口的历史。
目前,彩板已由最初的PCM和VCM板,发展到第三代PEM和第四代PPM彩板,海尔彩板是第三代PEM和第四代PPM的倡导者和专利拥有人。
同时彩色钢板的应用领域也由单一建筑建材扩展到家电、家具、交通、造船及汽车等领域,中国彩板行业正成为世界彩板行业的重要组成部分。
2.彩色予涂钢板的生产工艺与喷粉工艺的区别和优点是什么?喷粉的主要特点为金属成型后进行喷涂。
该工艺效率低、劳动强度高、涂料浪费大、涂层膜厚不均匀,在欧洲已开始被彩色予涂工艺替代。
彩色予涂钢板是将钢板表面进行严格脱脂和化学处理并在钢板表面辊涂专用涂料或薄膜后干燥固化而成的一种复合材料。
它将传统的喷涂涂装变成钢板的连续涂布,便于表面处理及涂布质量的控制,又不存在涂装易产生的棱边死角等缺陷。
彩色钢板与传统的喷粉相比,具有高效、节能、环保的优点,同时其综合成本也比喷粉板便宜,采用彩色钢板可以降低薄板涂装产品成本的5%-10%,节约能源1/6-1/5。
3.家电彩板的特点是什么?家电彩板是一种高档彩色钢板,是彩涂板中的精品。
作为家电产品的外装饰材料,与传统的建筑用彩板相比,家电彩板有着严格的外观质量要求,对色差、表面平整度等要素尤为严格,因此对基板、涂料、彩膜等原材料以及生产设备、工艺技术有着特殊要求。
彩色涂层钢板的技术应用及说明在钢板上涂上有机涂料,涂料可以有各种不同的颜色,彩色涂层钢板由此而得名,简称彩板,也称有机涂层钢板。
由于彩色涂层钢板是在钢板加工成型前先涂上涂料,在国外也称为预涂层钢板或烤漆板。
彩涂板有机涂层起了覆盖隔离作用,可防止钢板生锈,使用寿命更长。
彩涂板的基板有冷轧基板、热镀锌基板、电镀锌基板、热镀铝锌基板、铝板、镀铝板及不锈钢板等。
彩涂板的面漆涂层种类可以分为:聚酯、硅改性聚酯、偏聚氟乙烯、高耐久性聚酯等。
生产工艺从一涂一烘发展到二涂二烘,也出现三涂三烘的工艺。
彩涂板的表面状态可以分为正常涂层板、压花板、印花板等。
彩涂板主要用途分为建筑、家电和交通运输等。
由于彩涂板不仅色彩鲜艳,还具有优良的成型性和耐久性,使用寿命长等优点,还大量节省客户的清洗脱脂和油漆作业的设备成本和人工。
因此,彩色涂层钢板已广泛应用在我国的建筑业(大型工业厂房、大型仓库、简易活动室、室内装饰板、机场建筑物、现代化大型飞机库、大型体育馆等)预热隔热夹芯板、大型冷藏库、彩涂钢板制门窗、卷帘门及钢制家具。
在家电行业中用于冰柜、洗衣机。
电子工业应用在仪表开关箱外壳、录音机机芯等。
其它如候车厅,售票亭,办公室隔墙等,应用正不断扩大。
PCM彩板即连续辊涂彩色钢板,其色彩鲜艳,不仅具有良好的成型加工性、漆膜耐腐蚀性和柔韧性,又具有良好的经济效益,满足社会经济、环保发展的要求。
关于家电级PCM预涂钢板,其产品质量及性能要求远远高于一般建筑级PCM预涂钢板的要求,根据ECCA(欧洲卷涂协会)数据统计,PCM彩板在生产效率、周转储存、环保效应、外观效果方面均优于传统的喷粉板材,其综合成本仅相当于喷粉板材的90%左右,因此,在欧美地区家电外装饰材料几乎都采用该类彩板;目前在国内各大家电生产厂家,喷粉板材正逐渐被彩板所取代。
在传统PCM彩板的基础上,青岛邯钢彩板公司通过整合全球资源,研制开发出导电PCM彩板及辊涂工艺的砂面PCM 彩板,达到国内顶尖水平。
彩色涂层钢板和覆膜钢板基本概念:在连续机组上以冷轧带钢,镀锌带钢(电镀锌和热镀锌)为基板,经过表面预处理(脱脂和学处理),用辊涂的方法,涂上一层或多层液态涂料,化经过烘烤和冷却所得的板材即为涂层钢板。
由于涂层可以有各种不同的颜色,习惯上把涂层钢板叫做彩色涂层钢板。
又由于涂层是在钢板成型加工之前进行的,在国外这叫做预涂层钢板.工艺流程彩色涂层钢板是以冷轧钢板和镀锌钢板为基板,经过表面预处理(脱脂、清洗、化学转化处理),以连续的方法涂上涂料(辊涂法),经过烘烤和冷却而制成的产品。
常见的二涂二烘型连续彩色涂层机组工艺流程主要生产工序为:开卷→预处理→涂敷→烘烤→后处理→卷取。
产品用途:涂层钢板具有轻质、美观和良好的防腐蚀性能,又可直接加工,它给建筑业、造船业、车辆制造业、家具行业、电气行业等提供了一种新型原材料,起到了以钢代木、高效施工、节约能源、防止污染等良好效果。
使用镀锌钢板为基板的彩色涂层钢板,除有锌保护外,锌层上的有机涂层起了覆盖隔离作用,可防止钢板生锈,使用寿命比镀锌钢板更长,据介绍涂层钢板的使用寿命比镀锌钢板长50%。
但是,在不同的地区和不同的使用部位,采用相同镀锌量、同种涂料、相同涂层厚度的彩色涂层板,其使用寿命会有很大的不同。
例如,在工业区或沿海地区,由于受到空气中二氧化硫气体或盐分的作用,腐蚀速度加快,使用寿命受到影响。
在雨季,涂层长期受雨水浸湿、或者在日夜温差太大易结露的部位,都会较快地受到腐蚀,使用寿命均会降低。
用彩色涂层钢板制造的建筑物或厂房,经常受到雨水冲洗时使用寿命较长,否则,由于受二氧化硫气体、盐和灰尘的作用而影响使用。
因此,在设计时,若屋顶的倾斜度越大,则越不容易积聚灰尘等污物,使用寿命越长;对于那些不受雨水经常冲洗的区域或部位,应定期用水冲洗彩涂钢板分类彩色涂层钢板产品可以采用冷轧基板、热镀锌基板和电镀锌基板。
按基板分类的彩色涂层钢板种类如下:彩色涂层钢板冷轧基板彩色涂层钢板热镀锌彩色涂层钢板热镀铝锌彩色涂层钢板镀5%铝锌彩色涂层钢板镀55%铝锌彩色涂层钢板电镀锌彩色涂层钢板其它印花彩板金属压花彩板■冷轧基板彩色涂层钢板由冷轧基板生产的彩色板,具有平滑美丽的外观,且具有冷轧板的加工性能;但是表面涂层的任何细小划伤都会把冷轧基板暴露在空气中,从而使露铁处很快生成红锈。
彩涂钢板主要工艺流程彩涂钢板是一种表面覆盖有涂层的钢板产品。
它主要用于建筑、家电、家具和交通工具等领域。
彩涂钢板的工艺流程主要包括前处理、涂料涂覆、烘干和固化等环节。
首先,彩涂钢板的工艺流程中的第一步是前处理。
这一步骤的目的是提高钢板表面的附着力,防止涂层剥落。
常用的前处理方式包括酸洗、除油和除锈等。
钢板通过清洗设备进行清洗,去除表面的杂质和脏污,然后通过酸洗设备进行酸洗处理,去除钢板表面的铁氧化物。
接着,钢板经过除油设备,去除表面的油脂。
最后,在清洗机中进行清洗,以确保钢板表面的干净。
第二步是涂料涂覆。
在彩涂钢板生产线上,将钢板送入涂料涂覆机。
涂料通过喷嘴均匀地喷射到钢板表面。
涂料要求具有了优良的附着性、耐候性和耐腐蚀性能。
涂料喷射后,会经过一段时间的自然流动,让涂料均匀地覆盖在整个钢板表面上。
同时,也可以通过刮涂等方式,调整涂层的厚度和质量。
第三步是烘干。
在涂料涂覆完毕后,钢板会经过烘干机进行烘干处理。
烘干的目的是将涂料中的溶剂挥发掉,使涂层迅速干燥,提高涂层的硬度和附着力。
烘干机通过加热和循环风扇的作用,将热空气喷射到钢板上,加速涂层的干燥过程。
不同类型的涂料,对烘干温度和时间的要求也不同。
最后一步是固化。
固化是将涂料中的树脂系统进行化学反应,使其形成坚硬的固体。
彩涂钢板通过固化炉进行固化处理。
固化炉内部温度可控制在180°C至220°C范围内,必要时也可达到更高温度。
固化炉中的钢板在一段时间内保持在固化温度下,使涂料中的树脂系统发生固化反应,形成具有良好耐磨性和强度的涂层。
综上所述,彩涂钢板的主要工艺流程包括前处理、涂料涂覆、烘干和固化等环节。
通过这些工艺步骤,彩涂钢板可以获得均匀、耐候、耐腐蚀的涂层,提高钢板的表面质量和使用寿命。
彩色涂层钢板汇总一、概述彩色涂层钢板是近三十年国际上迅速发展起来的一种新型带钢预涂产品,涂装质量比成型金属表面进行单件喷涂或刷涂的质量更均匀,更理想,并兼有钢板和有机材料两者的优点,既有钢板的机械强度和易成型的性能,又有有机材料良好的装饰性,耐腐蚀性。
彩色涂层钢板是以冷轧钢板,电镀锌钢板、热镀锌钢板或镀铝锌钢板为基板经过表面脱脂、磷化、络酸盐处理后,涂上有机涂料经烘烤而制成的产品。
彩色涂层钢板的常用涂料是聚酯(PE)、其次还有硅改性树脂(SMP)、高耐候聚酯(HDP)、聚偏氟乙烯(PVDF)等,涂层结构分二涂一烘和二涂二烘,涂层厚度一般在表面20-25u,背面8-10u,建筑外用不应该低于表面20u,背面10u。
彩色涂层钢板通常引用的标准是美国ASTM A527(镀锌)、ASTM AT92(镀铝锌),日本JIS G3302,欧洲EN/0142,韩国KS D3506,宝钢Q/BQB420。
涂料性能*聚酯(PE)附着力良好,在成型性和室外耐久性方面范围较宽,耐化学药品性中等。
使用寿命7-10年。
*硅改性树脂(SMP)涂膜的硬度、耐磨性和耐热性良好,以及良好的外部耐久性和不粉化性,光泽保持性和柔韧性有限。
使用寿命10-15年。
*高耐候聚酯(HDP)抗紫外线性优良,具有很高的耐久性,其主要性能介于聚酯和氟碳之间。
使用寿命10-12年。
*聚偏氟乙烯(PVDF)具有良好的成型性和颜色保持性、优良的室外耐久性和粉化性、抗溶剂性,颜色有限。
使用寿命20-25年。
彩色涂层压型钢板,俗称彩钢板,以优质冷轧钢板、热镀锌钢板或镀铝锌钢板为基板,经过表面脱脂、磷化、铬酸盐处理转化后,涂覆有机涂层后经烘烤制成,具有轻质高强、色彩鲜艳、耐久性好等特点。
广泛应用于建筑、家电、装潢、汽车等领域。
彩钢板的强度取决于基板材料和厚度,耐久性取决于镀层(镀锌量318g/m2)和表面涂层,涂层有聚酯、硅性树脂、氟树脂等,涂层厚度达25um 以上,涂层结构有二涂一烘、二涂二烘等,免维护使用年限根据环境大气不同可为20-30年。
彩色涂层钢板彩色涂层钢板具有轻质、美观和良好的防腐蚀性能,又可直接加工,它给建筑业、造船业、车辆制造业、家具行业、电气行业等提供了一种新型原材料,起到了以钢代木、高效施工、节约能源、防止污染等良好效果。
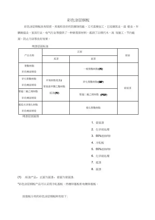
烤漆层面标准烤漆层剖面图1. 背面漆2. 化学前处理3. 55%铝锌/锌4. 冷轧板5. 55%铝锌/锌6. 化学前处理7. 底漆8. 面漆(1) .标准产品,正面为面漆,背面为背面漆.*彩色涂层钢板产品可以采用冷轧基板、热镀锌基板和电镀锌基板。
按基板分类的彩色涂层钢板种类如下:■冷轧基板彩色涂层钢板由冷轧基板生产的彩色板,具有平滑美丽的外观,且具有冷轧板的加工性能;但是表面涂层的任何细小划伤都会把冷轧基板暴露在空气中,从而使露铁处很快生成红锈。
因此这类产品只能用于要求不高的临时隔离措施和作室内用材。
■热镀锌彩色涂层钢板把有机涂料涂复在热镀锌钢板上得到的产品即为热镀锌彩涂板。
热镀锌彩涂板除具有锌的保护作用外,表面上的有机涂层还起了隔绝保护、防止生锈的作用,使用寿命比热镀锌板更长。
热镀锌基板的含锌量一般为180g/m2 (双面),建筑外用热镀锌基板的镀锌量最高为275g/m2。
■热镀铝锌彩涂板根据要求,也可以采用热镀铝锌钢板作为彩涂基板(55%AI-Zn和5%AI-Zn)。
■电镀锌彩涂板用电镀锌板为基板,涂上有机涂料烘烤所得的产品为电镀锌彩涂板,由于电镀锌板的锌层薄,通常含锌量为20/20g/m2,因此该产品不适合使用在室外制作墙、屋顶等。
但因具有美丽的外观和优良的加工性能,因此主要可用于家电、音响、钢家具、室内装璜等。
■涂料涂料是一种流动状态或粉末状态的有机物,涂敷于底材上能干燥固化形成一层薄膜,均匀地覆盖和良好地附着。
其主要性能为防护性(如耐潮湿性、耐水性、耐候性、耐化学性等)和装饰性(具有各种不同的颜色和光泽)。
■涂料的组成及其作用各种不同的涂料,都有四个部分组成,即(1)树脂(2)颜料(3)溶剂(4)助剂。
彩钢板百科名片彩钢板彩钢板英文名:Color plate ,是指彩涂钢板,彩涂钢板是一种带有有机涂层的钢板。
目录概述1.彩钢六大特点2.种类和与塑钢的区别3.吸铁石不吸未必不含铁机组建设形式存在问题发展趋势特性1.简介2.安装便捷3.耐久4.保温隔热规格性能构成应用缺点型号判断质量夹芯材料夹芯特点展开编辑本段概述彩钢六大特点1.重量轻:10-14千克/平方米,相当于砖墙的1/302.隔热保温:芯材导热系数:λ<=0.041w/mk。
3.强度高:可作天花围护结构板材承重,抗弯抗压;一般房屋不用梁柱。
4.色泽鲜艳:无需表面装饰,彩色镀锌钢板防腐层保持期在10-15年。
5.安装灵活快捷:施工周期可缩短40%以上。
6.氧指数:(OI)32.0(省消防产品质检站)。
种类和与塑钢的区别彩涂钢板的基板为冷轧基板,热镀锌基板和电镀锌基板。
涂层种类可分为聚酯、硅改性聚酯,偏聚二氟乙烯和塑料溶胶。
彩涂钢板的表面状态可分为涂层板、压花板和印花板,彩涂钢板广泛用于建筑家电和交通运输等行业,对于建筑业主要用于钢结构厂房、机场、库房和冷冻等工业及商业建筑的屋顶墙面和门等,民用建筑采用彩钢板的较少。
它与塑钢区别在于材料的构成不同.吸铁石可以吸动.严格意义上讲,塑钢与彩钢在金属特性及表面处理上并不能很好的区分,因为大同小异;所以市场的区分主要在型材结构方面。
吸铁石不吸未必不含铁由于是普通碳钢材料,吸铁石可以吸。
另外补充说明一下,不锈钢是在低碳钢的基础上加入铬元素(大于等于13%)后的产物,所以吸铁石就吸不了了。
不能用吸铁石证明材料中是否不含铁。
编辑本段机组建设上个世纪80年代末我国才陆续建设彩钢板机组,这些机组多建在钢铁厂及合资企业,彩钢板工艺设备基本从国外引进。
到2000年国产彩钢板达到173万吨,出现了产能过剩。
国有特大钢铁企业宝钢、鞍钢、首钢、唐钢、济钢、昆钢、邯钢、武钢、攀钢等企业的机组产能、装备水平较高,都相继建成了采用国外技术、年生产能力12万~17万吨的彩钢板机组。
彩钢板技术参数范文
彩色钢板技术参数介绍
彩涂钢板是一种钢材,它采用涂层的方式与其他材料结合,可以提高
钢板表面的耐腐蚀性和抗紫外线性能,提高钢板外表的美观度、色泽鲜明,耐指纹、耐刮、耐划痕,耐磨等等,具有防腐保温等特殊功能。
详细介绍
如下:
一、技术参数
1. 厚度:0.14~1.2mm
2. 宽度:600~1500mm
3.基材:冷轧、热轧、卷板和电熔锌
4.涂层:PVDF、铝镁(非结晶)、铝硅(PE)、双涂层
5. 颜色:Ral、NCS、Pantone
6. 力学性能:拉伸强度> 280Mpa,抗弯强度> 270Mpa
7.表面处理:涂漆或阳极氧化处理
8.最终用途:建筑、模具、包装以及其他工业应用等
二、性能
1.耐腐蚀性:耐酸、碱、盐类介质的腐蚀效果好,能有效防止腐蚀。
2.抗紫外线性:层间聚碳酸酯的抗紫外线性能优异,防止外界紫外线
对彩色钢板表面的破坏,保护表面色泽鲜明持久。
3.防水防潮:涂层抗水防潮效果优异,防止雨湿对彩钢板表面的破坏,保护彩钢板表面的完整性。
4.抗刮、耐磨:表面抗刮性平整度好,表面耐磨性优异,对颗粒物抗刮、耐磨性能好,更耐久美观。
彩色涂层钢板用途你们知道彩色涂层钢板吗?它呀,就像一个超级有用的大宝藏,在我们生活的好多地方都能看到它的身影呢。
在我们的房子上就有它的踪迹。
比如说,有些小房子的屋顶,就像是彩色涂层钢板搭起来的彩色帽子。
那彩色的钢板在阳光下面闪闪发光,特别好看。
这种钢板盖的屋顶可结实啦,不管是刮风还是下小雨,它都能好好地保护房子里面的人。
我有一个小伙伴,他家的小仓库就是用彩色涂层钢板做的屋顶。
有一次下了好大的雨,周围好多东西都被淋湿了,可是小仓库里面干干爽爽的,东西一点都没有受潮呢。
还有哦,在一些大的工厂里,彩色涂层钢板也大显身手。
那些大大的厂房,很多墙面都是彩色涂层钢板做的。
就像给厂房穿上了一件彩色的铠甲。
这种钢板做的墙面又平整又漂亮,而且很容易清洁。
就像我们擦黑板一样,工人叔叔只要拿块布,轻轻一擦,墙上的灰尘就没了。
我去爸爸上班的工厂玩的时候,看到那些彩色的墙面,感觉整个厂房都变得很有活力,不像那种灰扑扑的老房子,看着就让人没精神。
彩色涂层钢板在我们的日常生活里也到处都是。
你有没有见过那种漂亮的移动小房子呀?就像小商店、小岗亭之类的。
这些小房子好多都是用彩色涂层钢板做的呢。
我家小区门口的保安亭就是用彩色涂层钢板做的。
它是蓝色的,看起来很清爽。
保安叔叔在里面值班,又凉快又舒服。
而且这个小亭子很坚固,风吹不动,雨淋不坏。
在一些游乐场里,彩色涂层钢板也能给我们带来欢乐。
有的游乐设施的小房子或者外壳就是彩色涂层钢板做的。
像旋转木马的小屋子,彩色的钢板就像给木马们搭建了一个童话世界。
小朋友们坐在木马上,周围是彩色的房子,就像进入了一个梦幻的城堡,可有趣啦。
还有我们在马路上看到的一些广告牌,也有彩色涂层钢板的功劳。
那些大大的广告牌,用彩色涂层钢板做的话,又轻便又能展示出特别鲜艳的颜色。
比如说,路边有个大广告牌是宣传新的玩具的,那彩色的钢板让玩具的图案看起来超级吸引人,小朋友们路过的时候,眼睛一下子就被吸引过去了。
彩色涂层钢板就像一个神奇的魔法师,它能变成各种各样有用又好看的东西,出现在我们生活的各个角落,给我们的生活带来很多的便利和乐趣呢。
彩色涂层热镀锌钢板荷载想象一下,彩色涂层热镀锌钢板就像一个超级英雄,不过这个超级英雄是用来盖房子或者做一些很重要的建筑东西的。
那荷载呢,就像是这个超级英雄要承受的压力。
比如说,咱们在这个钢板上放东西,放的这些东西的重量就是一种荷载。
就像我们搭积木的时候呀,每一块积木都要承受它上面积木的重量。
彩色涂层热镀锌钢板也是一样的。
假如我们用这种钢板做一个小房子的屋顶,屋顶上要是有积雪呀,积雪的重量就是一种荷载。
雪可重啦,就像给钢板盖上了一层厚厚的白被子,钢板就得稳稳地承受住这个重量,不能被压垮。
再比如说,如果有小鸟在这个钢板屋顶上休息,小鸟虽然很轻,但是很多小鸟一起站在上面,那也是一种小小的荷载呢。
还有啊,要是刮大风的时候,风也会给钢板压力,就好像有个大力士在用力推钢板一样,这也是一种荷载。
在我们的生活里,还有很多这样的例子。
比如说在工厂的厂房,厂房用彩色涂层热镀锌钢板做屋顶和墙面。
厂房里可能会放很多机器设备,这些机器设备重重的,都放在厂房里,钢板就得承担起这些机器设备的重量。
要是钢板承担不了,厂房就可能会出问题,就像搭的积木塔,下面的积木撑不住上面的积木就会倒掉一样。
那这个彩色涂层热镀锌钢板到底能承受多少荷载呢?这就像我们的小手臂一样,手臂力气有大有小。
钢板也是,不同的钢板能承受的荷载是不一样的。
有的钢板厚一点、结实一点,就能承受更大的荷载。
就像力气大的小朋友能提更重的东西,力气小的小朋友提的东西就轻一些。
我们的建筑工人叔叔们可聪明啦,他们在盖房子或者建厂房的时候,就会先算好这个彩色涂层热镀锌钢板要承受多少荷载。
他们就像聪明的小管家一样,把所有要放在钢板上的东西的重量都算清楚,然后选择合适的钢板。
这样呢,我们的房子和厂房就会很安全,不会因为荷载太大而出现危险。
定额中的彩色涂层钢板屋面和金属压型钢板屋面1. 彩色涂层钢板屋面和金属压型钢板屋面概述彩色涂层钢板屋面和金属压型钢板屋面是目前常见的建筑屋面材料,可以用于工业厂房、商业综合体、办公楼等建筑的屋面覆盖。
2. 彩色涂层钢板屋面彩色涂层钢板屋面是以高-quality低碳钢板为基材,经过化学处理,再经过涂层生产线进行涂层加工而成。
其主要特点包括:表面平整、色泽均匀、韧性强、强度高、耐腐蚀、防火等。
3. 彩色涂层钢板屋面的优点A. 色泽丰富,可以根据建筑风格和需求选择不同颜色,美观大方。
B. 安装简单方便,可选配多种连接方式,提高施工效率。
C. 重量轻,减轻了建筑自重,缓解了结构压力,延长了建筑使用寿命。
D. 绿色环保,可以回收利用,并且在使用过程中不会释放有害物质,符合节能环保要求。
4. 金属压型钢板屋面金属压型钢板屋面是利用压型机对轧制成型的卷板进行加工,形成波浪状的钢板,然后涂覆特殊涂料形成保护层。
其主要特点包括:自重轻、强度高、刚性好、寿命长、施工方便等。
5. 金属压型钢板屋面的优点A. 结构牢固,稳定性好,能够承受较大的风载和雨淋。
B. 耐腐蚀,能够在潮湿、酸碱等恶劣环境下长期使用。
C. 施工简便,能够满足大跨度屋面的需求,提高了建筑的整体效果。
D. 维护成本低,使用寿命长,减少了后期维修与更换的成本。
6. 彩色涂层钢板屋面和金属压型钢板屋面的应用范围彩色涂层钢板屋面和金属压型钢板屋面广泛应用于工业厂房、商业综合体、办公楼、体育馆、展览馆等建筑的屋面覆盖。
7. 彩色涂层钢板屋面和金属压型钢板屋面的施工技术彩色涂层钢板屋面和金属压型钢板屋面的施工技术包括材料准备、基底处理、上墙固定、安装调整、连接件安装、瓦面整理和清理以及验收交付等环节。
8. 定额中对彩色涂层钢板屋面和金属压型钢板屋面的规定定额对彩色涂层钢板屋面和金属压型钢板屋面的规定主要包括:工程验收标准、工程材料的要求、施工工艺的规定、施工质量要求、安全生产的要求等。
钢板涂层种类
1. 镀锌涂层:在钢板表面镀上一层锌,可以提高钢板的耐腐蚀性。
2. 彩涂涂层:基础涂层为锌铝合金钢板或冷轧钢板,再经过一系列的工艺处理后,在钢板表面喷涂多种颜色的涂料,可以实现不同颜色和效果的钢板。
3. 铝镁锰涂层:该种涂层是在钢板表面涂覆一层铝、镁、锰合金,并在涂层上面再涂上一层保护层,能够提高钢板的抗腐蚀性,同时还具有较好的加工性能。
4. 铬酸钝化涂层:在钢板表面形成一层铬酸钝化膜,提高钢板的耐腐蚀性和抗氧化性。
5. 硅涂层:利用硅取代钢板表面部分铁,使得钢板表面呈现黑色,并提高其抗腐蚀性。
6. 铬涂层:在钢板表面形成一层含铬的涂层,提高钢板的耐腐蚀性和抗磨性。
涂层钢板文章来源:钢铁E站通/dict/detail.php?id=354涂层钢板又称镀层钢板。
在具有良好深冲性能的低碳钢板表面涂覆Sn,Zn,Al,Cr,Pb-Sn合金,有机涂料和塑料等的制品的统称。
常用的涂(镀)层钢板包括镀锡薄板,无锡钢板,镀锌钢板,镀铝钢板,镀铅-锡合金钢板和有机涂层钢板等。
镀锡薄板:在厚度0.1~0.32mm的钢板表面镀纯锡的制品。
镀锡薄板表面光亮,耐腐蚀,有深冲成型的润滑性,锡焊性良好,能进行精美的印刷和涂饰,广泛用于食品罐头工业和制作轻便涂层钢板耐蚀器皿。
14世纪,欧洲出现手工镀锡板。
1730年英国首先实现了热镀锡钢板的工业生产。
1934年德国开始进行电镀锡板的工业生产试验。
1937年美国建成第一条带钢连续电镀锡作业线。
1962年中国开始生产热镀锡板,1972年开始生产电镀锡板。
1979年中国第一条大型连续快速电镀锡作业线在武汉投产。
镀锡薄板在中国长期称为“马口铁”。
1973年在中国镀锡薄板会议上正式改称现名。
生产方法有热镀和电镀两种:热镀有连续镀和单张镀两种方式。
经过脱脂、退火和平整的冷轧板,酸洗净化后,通过ZnCl2和NH4Cl组成的熔剂,再通过熔融的锡锅,制成热镀锡板。
电镀全采用连续镀方式,按所用镀液成分分为碱性法和酸性法。
①碱性法,镀液的主要成分为锡酸钠,已较少应用。
②酸性法,为电镀锡的主要方法。
有硫酸亚锡型又称弗洛斯坦(Ferostan)型、卤素型和硼氟酸亚锡型三种,以硫酸亚锡型应用最多。
这种工艺在镀槽内以锡棒作阳极,带钢为阴极。
锡阳极溶解成Sn2 进入镀液中,Sn2 在阴极还原成金属锡,沉积在带钢表面。
电镀的锡层需加热到锡的熔点(231.9℃)以上,使其软熔以达到镀层结构致密,表面光亮。
最后经以铬酸为主的溶液钝化处理,并涂油。
电镀锡生产效率高,成本低,镀层薄而均匀,质量稳定。
镀层有不同的厚度(通常有 5.6、11.2、16.8和22.4g/m2四种厚度),有单面镀或双面镀,可根据不同用途生产。
因此,电镀锡法几乎全部取代了热镀锡法。
无锡钢板(tin-free steel) 它的表面镀膜的下层是金属铬,上层是铬的水合氧化物。
镀膜结构见图;这种钢板生产成本低,可代替镀锡薄板,多用作啤洒、碳酸饮料等的罐头包装材料。
1953年美国用浸渍铬酸处理法制成名为“Hinac”的无锡钢板和用电解铬酸盐-磷酸盐处理法制成名为“TFS-210”的无锡钢板。
1961~1966年日本研制成Hitop、Can Super、Super Coat等铬型无锡钢板,从此开始生产多种无锡钢板。
1967年美国研究成在电镀锡作业线上生产铬型无锡钢板。
无锡钢板的前处理工序和装置与电镀锡完全相同。
电解铬酸盐处理作业线有一步法和二步法(又称一液方式和二液方式)。
一步法是带钢通过含CrO3·H2SO4和氟化物的电解液,析出金属铬和铬的水合氧化物;二步法是带钢镀铬后,再重新通过铬酸处理,析出铬的水合氧化物。
镀锌钢板:镀锌是一种经济而有效的防止钢材腐蚀的方法,镀锌钢板厚度一般为0.35~3mm。
英文“galvanizing”意指镀锌层可对钢板有电化学保护作用。
1742年法国人梅洛曼 (Melomin) 涂层钢板研究热镀锌法取得成功。
1836年法国人索雷尔 (Sorel)将热镀锌方法应用于工业生产。
1837年英国人格劳福德 (H. W.Grawford)取得熔剂法热镀锌专利。
1935年美国人森吉米尔 (T.Sendzimir)提出用保护气体还原法进行带钢连续热镀锌,通称“森吉米尔法”。
1937年美国建成第一条森吉米尔法连续热镀锌作业线。
中国于40年代在鞍山开始生产热镀锌板,1979年在武汉建成第一条带钢连续热镀锌作业线。
热镀法薄板镀锌有热镀法和电镀法两种。
热镀的锌层厚度一般为60~300g/m2(单面),用于要求抗蚀性较强的部件。
电镀的锌层为10~50g/m2(单面),多用于涂漆部件或对耐蚀性要求不高的不涂漆部件。
热镀法按前处理方式分熔剂法和保护气体还原法。
熔剂法是把经过退火处理的钢板酸洗,清除表面的氧化物,再通过含有ZnCl2和NH4Cl的熔剂槽,然后进入熔融的锌槽镀锌。
保护气体还原法广泛用于带钢连续热镀锌。
带钢先通过火焰加热的预热炉,烧掉表面残油,同时在表面生成氧化铁膜;再进入含有H2、N2混合气体的还原退火炉加热到710~920℃,使氧化铁膜还原成海绵铁。
表面净化和活化了的带钢冷却到稍高于熔锌的温度后,进入450~460℃的锌锅,利用气刀控制锌层厚度。
最后经铬酸盐溶液钝化处理,以提高耐白锈性。
电镀法按所用镀液分碱性法和酸性法。
碱性法的镀液价格高,污染环境,生产效率低,镀层质量差,实际上已不采用。
酸性法的镀液的主要组成为ZnSO4·7H2O、NH4Cl和Al2(SO4)3·18H2O等。
以纯锌为阳极,带钢为阴极,在电流作用下,锌阳极板被溶解成Zn2 进入镀液,而Zn2 在阴极被还原成金属锌沉积在带钢表面。
镀层经磷酸盐和铬酸盐混合溶液处理,可提高涂饰性,电镀锌钢板的表面光亮平滑,过去主要用于汽车工业。
近年来应用范围扩大到电器工业及其他方面,促进了电镀锌板工业的发展。
70年代还发展出单面镀锌板。
镀铝钢板:镀纯铝或含硅5~10%的铝合金的钢板能抗SO2、H2S和NO2等气体的腐蚀,抗氧化性和热反射性也很好。
多用于制造汽车排气系统、加热炉的部件和用作建筑材料等。
工业生产镀铝钢板有热镀法和电泳法两种。
1930年美国首先采用热镀铝工艺,生产镀铝钢板,其工艺同森吉米尔热镀锌法基本相似。
由于铝的化学活性大,熔点(660℃)高于锌(419.45℃),因而使操作温度增高,工序复杂。
热镀铝时,槽温保持在670~710℃,这时铁与铝迅速反应生成浮渣,所以需用镶有陶瓷衬里的容器,而不可用铁锅熔铝。
熔融铝和钢基接触很快形成Fe-Al系金属化合物。
合金层性脆,影响塑性加工的成形性,所以多在铝锅中加入约 5~10%的硅,以减小合金层厚度。
普通的热镀铝板按添加硅的Ⅰ型板和不加硅的Ⅱ型板两种镀层成分生产。
镀层厚度为70~150g/m2。
1962年英国研究电泳镀铝法取得成功,并建成第一条带钢连续电泳镀铝生产工艺作业线。
此法是将铝粉用电泳方法均匀地涂覆在带钢表面,然后经过小变形量的轧制,使铝粉之间、铝粉和钢基之间紧密地结合,再经500~700℃烧结处理,在表面形成无孔隙的纯铝层。
由于热处理的时间短,所以生成的合金层极薄,改善了塑性加工的成形性。
70年代世界上镀铝钢板主要还是用热镀法生产,因为此法比较经济。
为了提高镀铝板的耐蚀性和耐热性,美国近年研究生产Al-Zn-Si合金镀层钢板和Al-Ti合金镀层钢板。
后者的耐热性相当409型不锈钢。
镀铅-锡合金钢板(terne coated sheets) 主要是指镀有含锡5~20%的铅-锡合金镀层的钢板。
这种钢板具有优越的耐蚀性,特别是能抗石油制品的腐蚀,还有深冲成形的润滑性、可焊性等,广泛用于制作汽车油箱、电视机底盘等。
“terne”一词来自法语,意为“暗的”,这是相对于镀锡钢板有光亮的外观而言。
1830年美国首先生产铅-锡合金涂层钢板。
1844年英国生产热镀铅-锡合金钢板。
1973年联邦德国建成第一条带钢连续电镀铅-锡合金作业线。
1963~1964年中国在鞍山开始生产热镀铅-锡合金钢板。
铅-锡合金涂层钢板生产方法有热镀法和电镀法。
前者与热镀锡法十分相似,但镀液用添加5~20%锡的铅熔液,温度保持320~360℃。
带钢连续电镀铅-锡合金使用含有特殊添加剂的金属浓度很高(含Pb90%和Sn10%的合金)的硼氟酸镀液,经电解,金属沉积在钢板上。
热镀铅-锡合金层的厚度一般为60~250g/m2,而电镀的厚度则有28、55和82g/m2三种。
美国对铅-锡合金钢板使用长铅-锡合金钢材(long terne)和短铅-锡合金钢板 (short terne)的名称。
前者主要是指钢板厚度在0.3~2.0mm之间的,后者指钢板厚度在0.3mm以下的。
有机涂层钢板(organic coated steel sheets) 以有机涂料或塑料膜涂覆在冷轧带钢、热镀锌带钢、电镀锌带钢或镀铝带钢上,主要是涂覆在热镀锌和电镀锌钢板上。
有机涂层不仅具有保护金属板和延长使用寿命的作用,而且可以制成各种彩色花纹,使钢板具有美丽的外观,所以也有“彩色钢板”之称。
广泛用作建筑材料、汽车制造、电器工业和电冰箱、洗衣机等轻工业制品的原材料。
有机涂层钢板约在1927年创始于美国,并于1936年建成有机涂层带钢生产线。
50年代初期传到欧洲和日本。
1963年中国用热轧板在上海开始生产塑料膜层压钢板。
有机涂层钢板生产工艺有辊涂法和层压法两种。
涂覆前的带钢先经清洗,再根据原板种类选用磷酸铁溶液、磷酸锌溶液或以磷酸盐和铬酸盐混合溶液进行表面处理,在基材表面形成易于涂饰的底层。
层压法是将前述处理后的钢板或带钢用粘结剂和塑料膜热压粘结而成。
辊涂法是将有机涂料调配成浆液,经涂料辊涂覆于板带表面。
涂覆后的板带进入烘烤炉,加热到260℃,使溶剂挥发,涂层固化,一般采用二次涂覆和二次烘烤的工艺。
有机涂层板用的涂料品种很多,主要为醇酸树脂、环氧树脂、聚氯乙烯和聚氟乙烯等。