记录表--建筑起重机械维修保养记录表[示范]
- 格式:doc
- 大小:64.50 KB
- 文档页数:4
起重机日常维护保养记录
日期:[日期]
1. 维护保养项目
- 检查起重机的电气系统,包括电线、开关及控制系统等。
- 检查起重机的机械部件,包括钢丝绳、传动装置、制动器等。
- 检查起重机的润滑系统,确保各润滑点添加足够的润滑油。
- 检查起重机的安全装置,包括限位器、报警器等。
2. 发现问题及处理
- 如果发现任何电气系统故障,立即通知维修人员进行修理。
- 如果发现机械部件出现异常,进行必要的清洁和润滑,并尽
快报告给维修人员。
- 如果发现润滑系统出现问题,添加适量的润滑油,并及时修
复润滑系统故障。
- 如果发现安全装置不正常工作,立即停止使用起重机,并通
知维修人员进行检修。
3. 维护保养人员签字
- 维护保养人员在每次维护保养后需在记录表上签字确认。
保持起重机的正常工作状态对确保生产安全和生产效率至关重要。
通过进行日常维护保养并及时解决问题,可以最大程度地减少起重机故障和事故的发生。
请保存好此份起重机日常维护保养记录,并定期进行整理和归档。
如有必要,可以根据实际情况进行相应的调整和更新。
施工现场机械维修保养记录表
年月日
机械使用人员:
施工现场机械维修保养记录表
年月日
设备使用人员:
施工现场机械维修保养记录表
年月日
设备使用人员:
年月日
设备使用人员:
年月日
设备使用人员:
年月日
设备使用人员:
年月日
机械使用人员:
年月日
机械使用人员:
年月日
机械使用人员:
施工现场机械维修保养记录表
年月日
机械使用人员:
施工现场机械维修保养记录表
年月日
施工现场机械维修保养记录表
年月日
施工现场机械维修保养记录表
年月日。
延津盛世华府二期工程施工机械设备·定期检查/维护保养记录()月份河南省太行建设有限公司年月日械设备·定期检查/维护保养记录表工程名称:延津盛世华府二期工程设备名称:塔吊机械型号:序号项目名称检查、维护、保养内容和要求检查/维修/保养情况备注1 金属结构及紧固连接件1、检查各金属结构件有无裂纹、脱焊和开裂、扭曲、变形、严重锈蚀等现象。
2、机械底架、标准节/件、及附着撑杆等螺栓、销子应齐全紧固无松动。
3、起重机械垂直度≤2‰,防护栏杆和钢板网是否完好,固定可靠。
2 电气系统1、检查电路,控制器及各触头是否接触可靠,并适量润滑,用手拨动应灵活。
2、检查或调整各限位开关的顶杆、碰头接触位置,间隙正常,灵敏可靠。
3、清理配电箱污垢(gou)和积灰,拧紧接线端螺栓。
检查绝缘和接地是否符合要求。
3 制动器调整制动器的间隙,清洁制动器(块),刹车装置灵敏可靠。
若制动片磨损超过1/2或有破损时应及时更换。
4 传动机构各机件无裂纹、破损,滚轮转动自如,减速机构无异响、无漏油,啮(nie)合良好,传动无异响。
无断齿和严重磨损现象。
5 吊钩及钢丝绳吊钩无裂纹,无过度磨损及变形,不得超过标准规定,钢丝绳磨损、变形、断丝及腐蚀情况达报废标准时及时更换。
6 安全装置各种安全限位装置:起重重量、起重力矩、变幅、高度、回转、吊钩保险、断绳保险等应齐全灵敏可靠,发现问题及时修复。
7 润滑情况在规定的周期时间内对各规定部位加换润滑油,对各润滑点加注相应的机油和油脂,保证润滑,清洁干净,油量充足。
8 附着装置附着杆保持在一个水平面上,附着框与塔身固定不得松动,附墙铰座牢固可靠、不晃动,连接销轴、螺栓均完好牢固。
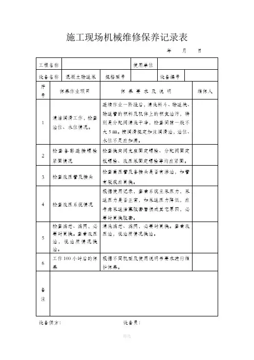
检查/保养结论保养单位(签章)负责人:年月日施工单位(签章):负责人:年月日监理单位(签章):监理工程师:年月日机械设备·定期检查/维护保养记录表工程名称:延津盛世华府二期工程设备名称:混凝土输送泵机械型号:序号项目名称检查、维护、保养内容和要求检查/维修/保养情况备注1清洁润滑工作,检查油位、水位情况。
工程机械设备维护保养
记录表
文档编制序号:[KKIDT-LLE0828-LLETD298-POI08]
延津盛世华府二期工程
施工机械设备·定期检查/维护保养记录
()月份
河南省太行建设有限公司
年月日
械设备·定期检查/维护保养记录表
工程名称:延津盛世华府二期工程
设备名称:塔吊机械型号:
机械设备·定期检查/维护保养记录表工程名称:延津盛世华府二期工程
设备名称:混凝土输送泵机械型号:
机械设备·定期检查/维护保养记录表工程名称:延津盛世华府二期工程
设备名称:木工圆锯机械型号:
机械设备·定期检查/维护保养记录表工程名称:延津盛世华府二期工程
设备名称:混凝土搅拌机机械型号:
机械设备·定期检查/维护保养记录表工程名称:延津盛世华府二期工程
设备名称:钢筋切断机机械型号:
机械设备·定期检查/维护保养记录表工程名称:延津盛世华府二期工程
设备名称:钢筋对焊机机械型号:
机械设备·定期检查/维护保养记录表工程名称:延津盛世华府二期工程
设备名称:钢筋调直机
机械型号:
机械设备·定期检查/维护保养记录表工程名称:延津盛世华府二期工程
设备名称:钢筋弯曲机机械型号:
机械设备·定期检查/维护保养记录表工程名称:延津盛世华府二期工程
设备名称:电焊机机械型号:
机械设备·定期检查/维护保养记录表工程名称:延津盛世华府二期工程
设备名称:临时用电机械型号:。
起重机的维护保养要求与月度、年度检查记录表
(1)起重机专(兼)职管理人员应对起重机日常保养负管理责任,制定维护保养计划,并将修理改造有关技术资料,存入起重机安全技术档案;
(2)保持起重机金属结构完好,发现起重机金属结构有裂纹,应根据裂纹情况采取措施,防止裂纹扩展,严重时应停止使用,经常检查起重机主要金属结构的锈蚀情况及查找引起锈蚀的原因,并加以维护,检查金属结构的螺栓、销轴连接是否牢固,发现问题整改后方可继续使用;
(3)加强起重机停用期间的维护保养,对需要润滑的部位及时给予润滑。
(4)对起重机的安全装置及零部件进行检查,发现磨损超标和安全部件失灵及时维修或更换。
(5)对起重机的电器加强检查,以确保起重机正常工作。
起重机月度检查项目表(每月至少1次)(按不同类型起重机制定记录)
检查人员:年月日起重机年度检查记录(每年检查至少一次)
(按不同类型起重机制定记录)
检查人员:年月日。
施工现场机械维修保养记录表
年月日
设备供方:设备员:
施工现场机械维修保养记录表
年月日
设备供方:设备员:
施工现场机械维修保养记录表
年月日
设备供方:设备员:
施工现场机械维修保养记录表
年月日
设备供方:设备员:
施工现场机械维修保养记录表
年月日
设备供方:设备员:
施工现场机械维修保养记录表
年月日
设备供方:设备员:
施工现场机械维修保养记录表
年月日
设备供方:设备员:
施工现场机械维修保养记录表
年月日
设备供方:设备员:
施工现场机械维修保养记录表
年月日
设备供方:设备员:
施工现场机械维修保养记录表
年月日
设备供方:设备员:
施工现场机械维修保养记录表
年月日
设备供方:设备员:
施工现场机械维修保养记录表
年月日
设备供方:设备员:。
起重机定期维修保养检查记录表三篇篇一:春节后复工塔式起重机定期维修保养检查记录表工程名称:XX公馆一标段机械编号:部位问题技术要求检查记录结论(符合√、不符合×)基础基础预埋件不符合要求埋件符合要求结构主要部位出现裂缝、变形或磨损严重超标无磨损非主要部位出现裂缝、变形,主要部位磨损超标、埋件焊接件未验收无裂缝、变形标准节、附着装置等主要连接螺栓缺少无主要连接螺栓手感松动、或缺口开销无松动主要连接螺栓达不到预紧要求已达预紧要求一般连接螺栓松动或开口销代用无锈蚀严重无锈蚀达不到防腐要求和清洁要求已达要求传动机构机件锈蚀或油污较严重无锈蚀螺栓松动无松动磨损超标、运转有异声未超标、无异声传动部件调整不当无缺罩壳、风叶,或罩壳不起防护作用起防护作用罩壳碰传动机件、或发出噪声无噪声制动失败无制动欠佳无钢丝绳断股、断丝严重超标(超标50%以上)、严重锈蚀、严重变形无锈蚀、变形钢丝绳断丝超标、一般锈蚀、变形无锈蚀、变形绳夹等钢丝绳固定件使用不当无电气保险丝不符合要求符合要求电箱不符合规格、仪表不正常无润滑未做润滑工作已做润滑工作润滑不良无安全装置无限位、保险有限位、有保险限位、保险失灵无无接地装置有接地装置接地不良无其他例报记录有记录未配备必要工具配备工具与施工组织设计不符无安装单位意见安装负责人:日期:年月日施工单位意见项目经理:日期:年月日监理单位意见总/专业监理工程师:日期:年月日篇二:门式起重机安全检查表基本情况规格型号出厂编号使用许可证编号设备检验有效期限机长姓名机长操作证号/有效期序号检查项目规定要求检查情况结论1* 制造许可证应在许可范围内□符合□不符合2* 出厂合格证应与委托设备符合□符合□不符合3 使用说明书应与委托设备符合□符合□不符合4*基本信息与资料表信息应齐全,签章确认手续应完整□符合□不符合5* 主要技术参数表参数应明确,签章确认手续应完整□符合□不符合6 使用记录应与委托设备符合,记录完整□符合□不符合7 维修保养记录应与委托设备符合,记录完整□符合□不符合8 事故记录应与委托设备符合,记录完整□符合□不符合验收记录(含基础)地方及公司□符合□不符合* 安拆方案□符合□不符合* 取证□符合□不符合篇三:桥式起重机检查表桥式类型起重机安全检查项目评分表检查项目及条款检查内容和标准标准分检查评定方法实得分一管理与使用20 分第一条档案和资料1. 运行记录和日常维护、保养记录。
建筑施工起重机械(塔式起重机)日常维护保养表工程名称:年月设备名称规格型号使用登记证号操作工项目项目要求维护保养日期1 2 3 4 5 6 7 8 9 10 11 12 13 14 15 16 17 18 19 20 21 22 23 24 25 26 27 28 29 30 31润滑应加足各黄油嘴油量检查各减速机构无漏油现象金属结构检查基础及结构螺栓无松动变形检查销轴固定销或板应牢固可靠检查受力杆件应无变形、裂纹检查受力杆件焊缝是否开裂工作机构开动各机构工作应平稳无震动制动灵敏,制动带磨损应<50%钢丝绳检查各机构钢丝绳固定是否牢固,排列是否整齐各机构钢丝绳无断股、锈蚀、变形,断丝未达到相应报废标准防护装置力矩限制器工作灵敏可靠起重量限制器工作灵敏可靠各限位开关工作灵敏可靠吊钩保险卡、小车止挡器应完好电气连接电缆电气元件牢固,无破损开关箱内隔离开关、漏保器完好填写说明1、以上各项由操作人员班前或班后进行2、以上项目完好打“√”,不合格打“△”3、本表于每月底,操作人员应报项目部签证操作工(签字):项目部机械管理员(签字):建筑施工起重机械(施工升降机)日常维护保养表工程名称:年月设备名称规格型号使用登记证号操作工项目项目要求维护保养日期1 2 3 4 5 6 7 8 9 10 11 12 13 14 15 16 17 18 19 20 21 22 23 24 25 26 27 28 29 30 31润滑检查齿条、导架立柱管、对重导轨等部位润滑状况,不足时补充加注吊笼门、围栏门、门对重滑道和滑轮等部位润滑油脂金属结构检查基础及结构螺栓无松动变形检查标准节杆件是否变形和裂纹检查附墙架连接是否牢固工作机构吊笼升降运行应平稳,无震动检查吊笼制动滑行距离应<0.3m 检查吊笼和对重通道内应无障碍物检查滚轮、传动齿轮的磨损情况钢丝绳检查钢丝绳的绳夹是否夹紧检查钢丝绳是否有断丝、变形安全防护装置检查围栏和吊笼门的机电联锁装置工作是否灵敏、可靠检查上、下限位开关和三相极限位开关工作是否灵敏、可靠检查导架上限位挡板、挡块是否牢固,位置是否符合规范要求楼层通道口平台、防护门是否有效电气连接电缆电气元件牢固,无破损开关箱内隔离开关、漏保器完好填写说明1、以上各项由操作人员班前或班后进行2、检查项目完好打“√”,不合格打“△”3、本表于每月底,操作人员应报项目部签证操作工(签字):项目部机械管理员(签字):建筑施工起重机械(物料提升机)日常维护保养表工程名称:年月设备名称规格型号使用登记证号操作工项目项目要求维护保养日期1 2 3 4 5 6 7 8 9 10 11 12 13 14 15 16 17 18 19 20 21 22 23 24 25 26 27 28 29 30 31润滑加注吊笼门、围栏门、吊笼运行滑道和滑轮等部位润滑油脂金属结构检查基础及结构螺栓无松动变形检查架体各杆件是否变形和裂纹检查附墙架、缆风连接是否牢固卷扬机构吊笼升降运行应平稳,无震动检查制动带是否清洁,制动是否可靠检查机座固定是否牢固可靠检查卷筒架、联轴器螺栓是否松动钢丝绳检查钢丝绳的绳夹是否夹紧检查钢丝绳是否有断丝、磨损、变形检查钢丝绳排列是否整齐安全防护装置检查吊篮安全停靠装置是否灵敏检查吊篮防断绳装置是否灵敏检查上、下限位开关是否灵敏检查进料口安全门、吊篮防护门是否齐全,开启闭合是否灵敏楼层通道口平台、防护门是否有效电气连接电缆电气元件牢固,无破损开关箱内隔离开关、漏保器完好填写说明1.以上各项由操作人员班前或班后进行2.检查项目完好打“√”,不合格打“△”3.本表于每月底,操作人员应报项目部签证操作工(签字):项目部机械管理员(签字):建筑施工起重机械(塔机)定期维护保养表工程名称:开化县2013年保障性用房一期2#楼年月日设备名称规格型号QTZ63(H5013)产权登记证号浙HG—T00024 使用登记证号项目项目要求存在问题处理结果基础部分检查排水设施且排水设施齐全,不得有积水;检查砼基础沉降,基础表面水平误差<2mm检查螺栓连接应牢固无松动、变形,螺母、垫齐全检查接地装置连接应牢固,接地电阻值<4Ω金属结构应调直和校正主要结构:自由垂直度<4‰附着状态下顶端附着结构以上垂直度应<2‰检查主要受力结构杆件,不得有变形扭曲现象检查所有结构杆件,不得有裂伤开焊现象检查扶梯、护栏、护圈等支承零件和紧固件检查标准节及其他主要结构连接螺栓:应母垫齐全、紧固力矩满足要求,螺栓无变形和其他缺陷检查销轴连接情况:销孔配合适当,无松旷、变形、裂伤;销轴端固定可靠,固定销或开口销无锈蚀损伤滑轮检查所有滑轮磨损情况:应无裂纹,轮缘无破损,轮槽壁厚磨损达20%或槽底磨损达钢丝绳直径的25%应报废检查所有滑轮转动应灵活,无卡阻或松旷现象检查所有滑轮润滑油:黄油嘴齐全、黄油充足工作机构检查起升、回转、运行等机构的减速箱油量,不足时添加,箱体不得有渗漏现象检查起升机构固定支架连接,支架无变形,连接牢固无松动,连轴器无松旷和损伤现象检查起升机构卷筒防脱筒装置,应齐全无变形检查其他工作机构运行应平稳,无震动和异响制动器制动器弹簧、拉杆、销轴和开口销等应齐全、无损,闭合开启无卡阻,拉杆行程和制动间隙0.3~0.5mm检查制动片磨损情况:当有接触不均或磨损量达到原厚度50%的应更换附着装置检查每道附着装置之间的垂直距离应在允许范围内;顶端附着装置以上自由高度应符合设计规定检查附着装置:连接杆应在同一水平面上,锚固装置应牢固不得晃动,连接销轴、螺栓齐全、连接可靠(续表)项目项目要求存在问题处理结果钢丝绳钢丝绳缠绕排列应整齐,长度满足使用要求钢丝绳锈蚀严重、断股、打死结、严重变形或一个捻距内断丝数达到规定的报废标准更换检查钢丝绳固定:绳卡螺母应拧紧,数量为3只及以上安全装置检查力矩限制器装置:金属结构完好,无变形和锈蚀;电气开关工作灵敏可靠检查起重量限制器:金属结构完好,无变形和锈蚀;电气开关工作灵敏可靠检查高、低度限位器:电气开关工作灵敏、可靠检查行程限位器:电气开关工作灵敏、可靠检查吊钩保险卡应完好可靠,吊钩无变形检查变幅小车缓冲挡车装置:应齐全可靠电气设备检查控制器、接触器:清除黑灰和铜屑;更换或修复触点以及工作不良的电气元件,添配残缺的电气件清除电气上尘土,紧固接线端子、电气元件连接线检查电阻器:清除电阻片上积灰和脏物,更换损坏电阻片和绝缘垫,紧固螺栓;检查电缆、导线绝缘情况检查联动台和各种开关:操纵手柄应灵活,各种按钮、推钮应触发灵敏,线路绝缘良好,警铃、指示灯齐全检查开关箱内隔离开关、漏保器是否齐全完好液压系统检查液压油型号是否符合季节要求,油质是否清洁,油量是否充足;检查液压系统是否达到本机规定的压力值检查液压系统各操纵阀、控制阀、管路接头是否渗漏、动作是否灵活可靠,液压系统工作是否有异响维保单位(部门)验收意见维保人(签字):(盖章)维保单位(部门)负责人(签字):年月日使用单位意见机械管理员(签字):年月日说明1、维保工作由安装单位承担时,验收工作应由安装单位主管技术人员进行验收,并加盖本单位公章;使用单位自行进行维保时,验收工作应由本单位相关部门负责人组织验收。
设备编号:
起重机械维护保养记录山西一重起重机有限公司
说明
1、本记录依据《起重机械维护保养规范》编制。
2、维护保养人员应在现场维护保养过程当中记录维护保养情况及果。
3、在维护保养结论栏内,凡“合格”内容划“√”;“不合格”内容划“×”,并“维护保养项目及要求”栏划出相应标记;“无此项”内容划“/”;有数据要求的项目如实填写实测数据。
4、本记录由维护保养人员对维护保养结查进行核对,使用单位负责人签字后生效。
5、原始记录应用钢笔用或碳素笔填写,字迹端正清楚,更正记录应进行划改,不得涂改,并由维护保养人员签字后生效。
6、本记录所得出的数据和结论均为在维护保养状态下所得。
7、填写错误处应采用划改“=”,且有更改人签名和日期。
起重机械设备定期维护保养基本信息
日期:
日期:
日期:
日期:
日期:
日期:
日期:
日期:
日期:
日期:
日期:
日期:。
建筑起重机械维护保养记录表GDAQ20612-1工程名称:天津俊安发展大厦设备名称塔式起重机设备型号QTZ80(TC6013A-6) 出厂编号0203H731 备案编号3124-006966 自编号1#出厂日期2011年7月产权单位中冶天集团有限公司维保单位辽源市安顺塔吊安装有限责任公司上次维保日期2013年月日项类维护保养内容技术要求备注清洁润滑各机构、传动系统、部件润滑检查各机构无裂纹、无开焊,各滑轮转动自如。
减速机构无异响、无漏油,啮合良好,传动无异响。
齿轮无断齿和严重磨损。
各部件润滑良好。
按设备使用说明书及相关标准规程检查调整更换基础及轨道检查塔机检查符合要求,有排水沟部分附件连接、各机构制动器和限位开关与机械元件间隙调整更换、钢丝绳、吊具、索具、链条、滑轮缺损情况1、调整制动器的间隙,清洁制动块。
使刹车装置灵敏可靠。
2、检查吊钩无裂纹、无过度磨损及变形。
3、给各润滑点注油。
4、检查提升钢丝绳无断股、磨损未达到报废标准,钢丝绳在卷筒上缠绕整齐、润滑良好。
5、检查各滑轮无缺损,转动灵活可靠、无卡塞现象。
建筑起重机械维护保养记录表(续表)GDAQ20612-2项类维护保养内容技术要求备注检查调整更换金属结构与连接1、检查各金属结构无裂纹、脱焊和开裂、扭曲、变形、严重锈蚀等现象。
2、检查机械底架、标准节及大臂拉杆等螺栓、销子、齐全。
扭紧松动的各处连接螺栓。
3、检查测量塔机垂直度:东mm 北mm。
4、检查塔机各防护栏杆和钢板网完好固定可靠。
按设备使用说明书及相关标准规程本塔机现塔高m电气与控制操作系统1、检查电路控制器及各触头接触良好可靠、并适量润滑,用手拨动灵活。
2、检查调整各限位开关的顶杆、碰头接触位置,使其间隙正常,灵敏可靠。
检查维修手柄上的零位开关,使其灵敏可靠。
3、清理配电箱污垢和积灰,扭紧接线端螺栓。
遥测供电系统对地绝缘电阻MΩ。
符合要求维保结论本塔吊经维护保养符合使用要求维护保养人员(签名):维保单位章:年月日建筑起重机械维护保养记录表GDAQ20612-1工程名称:天津俊安发展大厦设备名称塔式起重机设备型号QTZ80(TC5610) 出厂编号0203H731 备案编号3124-006963 自编号2#出厂日期2011年7月产权单位中冶天集团有限公司维保单位辽源市安顺塔吊安装有限责任公司上次维保日期2013年月日项类维护保养内容技术要求备注清洁润滑各机构、传动系统、部件润滑检查各机构无裂纹、无开焊,各滑轮转动自如。
20612
建筑起重机械维修保养记录
工程名称:应大侠
施工单位:广东应大侠股份有限公司
设备名称:吨龙门吊号车:
设备编号(自编号)
画图制表;应喜荣(应大侠)
填表说明
20613 一、外用电梯、塔吊、井字架、龙门吊等起重机械的司机,应按照规定认真填写记录。
二、工作记录主要内容:
(1)每班首次作业前试验情况;
(2)各安全装置、电气线路检查的情况;
(3)设备作业的情况。
三、运行中如发现设备有异常情况,应立即停机检查报修,排除故障后方可继续运行,同时将情况填入录。
四、起重机械工作记录单独组卷,每本填写后送交资料员存档。
五、安全文明施工等、其它安全事项
画图制表;应喜荣(应大侠)
建筑起重机械维护保养记录表
画图制表;应喜荣(应大侠)20612
工程名称:。