起重机械安全检查记录表
- 格式:docx
- 大小:14.99 KB
- 文档页数:1
起重机械定期自查记录表背景介绍起重机械作为重要的建筑施工和生产制造工具,需要经常进行定期自查,以确保其安全可靠运行。
本记录表旨在对起重机械的定期自查进行规范和记录,方便维护人员进行检查和维修。
自查内容自查内容应包括以下内容:1.起重机械的外观检查,包括车身、起重臂、钩吊装置、升降机构等部位的检查,确保没有变形、裂纹、缺损等现象;2.起重机械的电气系统检查,包括电机和电缆的检查,确保电气系统无短路或接触不良等问题;3.起重机械的行走部位检查,包括轮胎、轮轴、制动器等部位的检查,确保其正常运转;4.起重机械的安全装置检查,包括超载保护装置、限位装置、安全锁等部位的检查,确保安全装置可靠。
5.起重机械操作手柄、线路,摇臂、紧急制动器的检查,确保各个操作部位正常灵活,无明显卡滞、磨损等。
6.起重机械的液压系统检查,包括油缸、管路、液压泵等部位的检查,确保液压系统无泄漏或损坏。
检查记录表格起重机械定期自查记录表如下:日期见证者检查内容解决情况2021年7月1日张三起重机械的外观检查正常2021年7月1日张三起重机械的电气系统检查正常2021年7月1日张三起重机械的行走部位检查正常2021年7月1日张三起重机械的安全装置检查正常2021年7月1日张三起重机械操作手柄、线路,摇臂、紧急制动器的检查正常2021年7月1日张三起重机械的液压系统检查正常不合格处理如果在定期自查中发现起重机械存在问题,应及时进行处理。
处理措施应根据不合格情况而定,包括但不限于:1.更换受损元件;2.调整或更换电气元件;3.调整或更换行走部位元件;4.更换安全装置或不合格部位;5.更换液压系统。
如果无法解决,应报告维护人员进行维修或检查。
总结定期自查是保障起重机械安全可靠性的一个重要环节,本记录表可以规范自查信息的记录和整理,方便维护人员进行检查和维修。
危大工程巡视检查记录表-(起重机械)巡视检查记录表日期: [填写日期]检查人员: [填写检查人员姓名]检查内容:1. 巡视起重机械的外观及周围环境是否正常:- 确保起重机械外观无明显变形、破损或腐蚀现象。
- 检查起重机械周围环境是否清洁整齐,无障碍物。
2. 检查起重机械的基础稳固情况:- 确保起重机械的基础安装牢固,无松动或沉降。
- 注意观察基础是否有明显裂缝或渗水现象。
3. 检查起重机械的运行情况:- 检查起重机械的开关、按钮、指示灯等控制设备是否正常。
- 确保起重机械的吊钩、钢丝绳等部件无明显破损或断裂现象。
- 测试起重机械的起升、行走、回转等操作是否灵活、稳定。
4. 检查起重机械的安全设备是否完好:- 检查起重机械的限位器、重载保护器、起重高度限制器等安全设备是否齐全、可靠。
- 确保安全设备的报警功能是否正常,能够及时发出警示信号。
5. 检查起重机械的维护记录及相关证件:- 查阅起重机械的维护记录,确认维护情况是否规范和及时。
- 查验起重机械的相关证件,如使用证、检验证、保险单等是否有效。
检查结果:正常:- 起重机械的外观、周围环境、基础稳固情况、运行情况、安全设备以及维护记录和证件全部符合要求。
异常:- 若发现起重机械有外观破损、基础松动、运行异常、安全设备故障或相关证件无效等异常情况,请详细记录并及时通知相关责任人进行维修或处理。
备注:[填写其他需要记录的信息或情况,如异常具体描述、维修情况等]签字:巡视检查人员签名: ____________________。
起重机械安全检查表
以下是起重机械安全检查表的一些常见检查项目:
1. 载重限制:检查起重机械的载重限制标志,并确认所要起重的物体是否在限制范围内。
2. 吊钩:检查吊钩的弯曲、变形、裂纹、生锈等情况,并确认吊钩是否处于良好状态。
3. 吊钩锁定器:检查吊钩锁定器的可靠性和使用情况。
4. 起重钢丝绳:检查起重钢丝绳的磨损程度、断丝、变形、腐蚀等情况,并确认钢丝绳是否在良好状态。
5. 剪切保护:检查起重机械上是否安装了剪切保护装置,并确认其可靠性。
6. 快速解锁装置:检查快速解锁装置的可靠性和使用情况。
7. 上、下限位器:检查上、下限位器的准确性和灵敏度,并确认其正常工作。
8. 棘轮制动器:检查棘轮制动器的可靠性和使用情况。
9. 主干、臂和横梁:检查主干、臂和横梁的变形、裂纹、腐蚀等情况,并确认其结构完整性。
10. 空载试运行:在操作前进行空载试运行,检查起重机械的运行状态和行走平稳性。
11. 安全装置:检查起重机械上的安全装置,如过载保护装置、起重限制装置、坠物防护装置等,并确认其正常工作。
12. 操作人员:检查操作人员是否具备合格证书,熟悉操作规程,能够安全操作起重机械。
这是一个基本的起重机械安全检查表,具体的检查项目可以根据起重机械的类型和规模进行调整和补充。
同时,要定期进行起重机械的维修和保养,并对操作人员进行安全教育和培训,以确保起重机械的安全运行。
起重机械安全管理制度及记录表一、起重机械安全管理制度1.1 目的为确保起重机械的安全运行,保障人身和财产安全,制定本安全管理制度。
1.2 适用范围本安全管理制度适用于各类起重机械的安全管理。
1.3 职责1.企业负责人负责起重机械的安全管理工作,对安全管理制度的实施和运行情况负责。
2.设备管理部门负责起重机械的维修保养和检验工作,并进行记录。
3.安全生产部门负责起重机械的安全检查和隐患排查工作,并做出处理决策。
1.4 工作流程1.安全检查:安全生产部门对起重机械进行定期和不定期的安全检查。
2.异常处理:如发现起重机械存在安全问题,应及时处理,对发生的问题进行记录和统计,并进行隐患排查。
3.维修保养:设备管理部门定期对起重机械进行维修保养,并记录相关信息以备以后查看。
4.安全教育培训:企业负责人定期组织对起重机械相关人员进行安全教育培训。
1.5 管理要求1.严格执行国家规定的安全标准和操作规程,确保起重机械安全运行。
2.对起重机械进行登记,并将相关设备档案保存完好。
3.对于在使用过程中发现的问题,及时进行维修和处理,禁止强行使用有隐患的设备。
4.组织相关人员进行安全检查、教育和培训,做到安全生产知识普及。
二、起重机械记录表2.1 机械设备情况统计表序号起重机械名称型号生产日期检验日期下次检验日期1XX起重机XX12019-012020-012022-012XX起重机XX22019-012020-012022-013XX起重机XX32019-012020-012022-012.2 维修保养记录序号起重机械名称维修保养项目维修保养时间维修保养负责人备注1XX起重机更换油封和滑轮2020-06-01张三2XX起重机更换轮胎和制动器2020-06-08李四3XX起重机检查并调整机械电气系统2020-06-15王五2.3 安全检查记录序号起重机械名称检查时间检查人检查结果处理措施1XX起重机2020-05张三合格2XX起重机2020-06李四不合格修理中3XX起重机2020-07王五合格三、结语起重机械是企业生产中不可或缺的设备,但同时也是一个安全隐患,我们必须严格执行安全生产制度,确保起重机械安全稳定地运转,避免事故的发生。
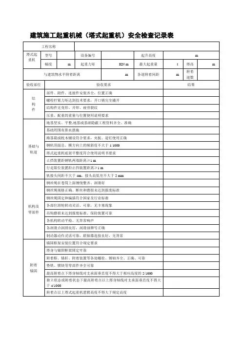
建筑施工起重机械(塔式起重机)安全检查记录表
注:首次安装及每次附着或顶升后,施工总承包单位应组织有关单位按此表对塔式起重机进行验收.
(续表)注:1.对不符合要求的项目在备注栏具体说明,对要求量化的参数应填写实测值.
2.每次附着加节后,施工总承包单位应组织有关单位按此表对施工升降机进行验收.
(续表)注:每次加节后,施工总承包单位应组织有关单位按此表对物料提升机进行验收.
(续表)
注:本表由施工单位填报,监理单位、施工单位、产权单位、安拆单位各存一份.。
精心整理
精心整理 汽车起重机日常检查记录表 运行单位:设备型号:设备编号:
序号 内容 检查情况 备注 1 所有灯具(行驶用照明、转向,机械作业照明灯具),是否齐全有效 □是□否
2
吊钩是否存在裂纹,钩体磨损是否过度,防脱钩保险装置是否有效,转动是否灵活 □是□否 3 吊车超载保护装置、力矩限制器、上升极限限位器、回转锁定装置等安全装置是否正常
□是□否 4 钢丝绳润滑是否良好,卷筒上排列是否整齐 □是□否
5 液压系统、润滑系统、燃料供给系统是否有漏油、渗油
□是□否 6 燃油、液压油、水箱水位、气压是否正常
7 各滑轮轮缘是否有裂纹、破边、磨损超标等情况,滑轮转动是否灵活,防脱绳槽装置是否完好
□是□否 8 轮胎踏面及轮轴磨损是否超标 □是□否
9 手刹及脚刹是否灵活,制动效果是否良好
□是□否 检查
情况 检查人:日期:年月日。
起重机械安全检查记录表编号:
序号检查要点检查准则检查方法
钢丝绳在一个捻距内钢丝断数不得超过钢丝数的10%;
在钢丝绳全长范围内随机抽段检查,重点是卷筒上的终端部位和常绕滑轮1起重机的钢丝绳当钢丝绳磨损使其直径相对于公称直径减小7%及以上
的部位,绳面应有润滑油
时,即使未断丝也应报废更新
2
钢丝绳尾端装卡牢固,压板数目不应少于 2 个;且吊
钢丝绳与卷筒槽匹配
钩处于最低点时卷筒上至少留有 3 圈
直观检查钢丝绳与卷筒槽是否匹配
3滑轮无裂纹缺损,且转动灵活目测检查4吊钩钩体不许有裂纹、不许补焊目测检查
5
制动器灵敏可靠,摩擦片的磨损不得超过原厚度的
制动距离大车 2m以上、小车0.2m 以上
制动器
50%;制动时间不大于 2s
下列安全防护装置应完好可靠:(1) 过卷扬限位器要求限位0.3m ,现场试车 2 次,动作有效可靠 (2) 现场
(1) 过卷扬限位器(2) 大小车行程限位器(3) 门窗电气试车 2 次,动作有效可靠 (3)现场试车 2 次,动作有效可靠(4) 现场试车 2
连锁保护装置 (4)紧急停止开关 (5) 终端缓冲器 (6) 信次,动作有效可靠(5) 中速冲击 2 次,有效 (6)滑线和配电柜信号灯,电铃
6安全防护系统
号装置齐全完好 (7)轨道端部阻挡器(8) 露天行车夹轨声 30m范围内能清晰听到 (7) 中速冲击 2 次不得开焊、变形(8) 能承受最大
钳 (9) 轨道接地 (10)转动部位保护罩(11) 滑线保护挡风力 (9) 接地可靠,电阻不大于 4 欧姆 (10) 牢固可靠 (11)牢固可靠,隔离
板 (12) 驾驶室地面绝缘垫 (13) 护栏有效 (12) 绝缘良好 (13) 护栏高度1m以上,牢固可靠7吊索具吊索具应上架定点摆放,标明额定承重量,齐全完好直观检查吊索具是否符合要求
检查评语和建议:
检查人:检查日期:年月日注:每季度检查记录一次。