09030101_配电与照明节能检验批质量验收记录
- 格式:xls
- 大小:29.50 KB
- 文档页数:10
成套配电柜控制柜和动力照明配电箱安装照明配电箱检验批质量验收记录照明配电箱是城市建设中不可或缺的一部分,它是用来将电力供应到建筑物的照明灯具、插座等设备的电源箱。
照明配电箱的安装和验收工作对于保障建筑物的安全和正常使用具有重要意义。
下面我们来详细描述成套配电柜、控制柜和动力、照明配电箱的安装和质量验收记录。
【安装记录】1.安装前准备1)仔细查看各种照明配电箱的规格、型号和数量,与施工图纸核对无误。
2)将成套配电柜、控制柜和动力、照明配电箱等设备存放在干燥、通风的地方,避免与湿气和腐蚀性物质接触。
3)清理施工现场,确保安装环境整洁、安全。
2.安装过程1)根据施工图纸要求,选择合适的位置进行安装,确保配电箱与配电设备之间的连接线路短、粗,防止能量损耗。
2)安装配电箱的支架或支撑架,确保箱体稳固固定。
3)将配电箱准确地固定在支架或支撑架上,并使用水平尺进行调整,确保配电箱安装水平、牢固。
4)配电箱之间的间距应符合设计要求,并保持间距均匀,便于操作和维修。
3.线路接线1)先将主开关和断路器等设备连接到电源线路。
2)根据施工图纸要求,将照明灯具、插座等设备的线路与相应的回路开关进行连接。
3)仔细检查每个接线点,确保接触良好,不得出现松动、插歪、接触不良等情况。
4.配电箱密封1)安装好所有的线路后,将配电箱的门盖严密关闭,使用密封胶条将门缝紧密封闭,防止灰尘、湿气等进入箱体。
施工单位:xxx 监理单位:xxx 建设单位:xxx工程名称:xxx 工程编号:xxx施工日期:年月日至年月日1.检验内容对成套配电柜、控制柜和动力、照明配电箱的安装质量进行验收检查。
2.检验标准根据国家相关标准和设计文件中规定的要求对照明配电箱的安装质量进行评定。
3.检验项目及结果项目名称安装要求验收结果配电箱安装位置按设计要求安装合格配电箱支架或支撑架稳固牢固合格配电箱水平调整安装水平合格配电箱间距符合设计要求合格线路接线规范密实合格密封情况密封严密合格4.检验结论经过对成套配电柜、控制柜和动力、照明配电箱的安装质量进行严格检查,各项指标均达到设计要求,安装质量良好,符合国家相关标准和设计文件的要求。
1/2/3/4/1/2/3/配电与照明节能工程检验批质量验收记录施工单位 检查结果主控项目全部合格,一般项目满足规范规定要求监理单位 验收结论合格专业监理工程师:2021年12月04日主 控 项 目一 般项 目专业工长:项目专业质量检查员:2021年12月04日三相照明配电干线各相负荷分配平衡的要求应符合有关标准的规定第10.3.3条全225共225套,全部检查,合格225套100%交流单芯(或分相后的每相)电缆敷设要求第10.3.2条全225共225套,全部检查,合格225套100%母线与母线或母线与电线接线端子安装质量要求,(对连接紧固螺栓的拧紧力矩进行现场检测,其结果应符合有关标准的规定)第10.3.1条2323符合设计及规范要求√照明系统通电试运行时应对照度和功率密度值进行现场检测并记录,其结果应符合有关标准的规定第10.2.4条2323符合设计及规范要求√低压配电系统完工后调试应合格;并对供电电压偏差、公共电网谐波电压及电流、三相电压不平衡度等电源质量的项目作现场检测,其结果应符合有关标准规定第10.2.3条全225共225套,全部检查,合格225套√低压配电系统选择的电缆、电线的进场验收,应对其截面和每芯导体电阻值进行见证取件送检,电阻值符合有关标准规定第10.2.2条2323符合设计及规范要求√照明光源、灯具及其附属装置的选择必须符合设计要求;其进场验收,对质量证明文件和技术资料进行核查及对实物检查应符合有关技术标准的规定;并形成验收、核查记录第10.2.1条全225质量证明文件齐全、有效,进场验收合格,记录编号√施工依据建筑节能施工方案验收依据《广东省建筑节能工程施工质量验收规范》DBJ 15—65—2009验收项目设计要求及 规范规定最小/实际 抽样数量检查记录检查结果分包单位/分包单位项目负责人/检验批部位施工单位项目负责人检验批容量225套GD-C5-712123单位(子单位) 工程名称分部(子分部)工程名称建筑节能-电气动力节能分项工程名称配电节能。
成套配电柜控制柜和动力照明配电箱安装检验批质量验收记录一、前期准备1.检查施工方案和图纸,确保安装的配电柜位置符合要求。
2.检查材料清单,确保配电柜、控制柜和配电箱的规格、型号等与合同要求一致。
3.检查施工人员持证上岗情况,确保施工人员具备相应的操作技能和安全意识。
4.确定检验人员,并对其进行相关培训,使其了解验收的流程和要求。
二、安装检验过程1.安装前的准备工作:(1)检查现场环境是否清洁,确保无杂物和水淹情况,以免影响安装质量。
(2)检查场地的通风、排水等设施是否满足要求。
(3)核实验收人员的身份,确保落实责任。
2.安装过程:(1)按照施工方案和图纸要求,合理布置配电柜、控制柜和配电箱的位置。
(2)对配电柜、控制柜和配电箱进行安装,注意固定牢固,并确保布线连接正确。
(3)安装完毕后,进行清洁工作,确保无埋藏杂物和灰尘。
3.调试测试:(1)进行线路接地测试,确保接地电阻符合要求。
(2)进行线路绝缘测试,确保线路绝缘阻抗满足要求。
(3)进行电气性能测试,确保设备正常运行。
4.安全验收:(1)检查安装的配电柜、控制柜和配电箱是否牢固、合理。
(2)检查布线是否规范,接线是否正确。
(3)检查接地装置是否符合要求。
(4)检查标志、警示标识是否齐全、清晰。
以上检查工作,可制作检查表格,便于记录。
1.验收日期:_______年_______月_______日。
2.验收单位:_________。
3.验收人员:_________。
4.验收内容:(1)配电柜、控制柜和配电箱安装是否合理、牢固。
(2)布线是否规范、接线是否正确。
(3)接地装置是否符合要求。
(4)标志、警示标识是否齐全、清晰。
5.验收结果:(1)验收通过。
(2)验收不通过,具体原因:________________。
6.验收意见及处理:(1)对通过的部分可略过。
(2)对不通过的部分,应详细记录不通过的原因,并针对相应问题提出改进意见。
7.验收结论:根据以上验收情况,经过合理判定,对本次安装进行验收结论的明确。
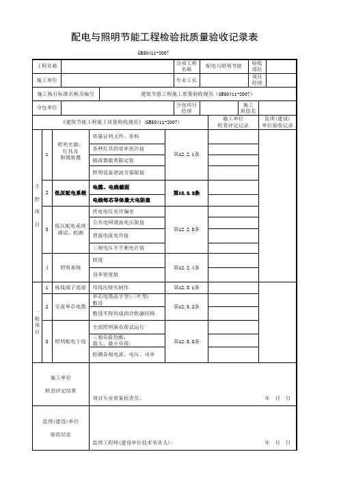
表R01 配电与照明节能检验批质量验收记录编号:单位(子单位)工程名称表面处理厂房二分项工程名称配电与照明节能验收部位 厂房与辅助间施工长春永目部 项目经理 分包—— —— ——分包项目经理——施工执行标准名称及编号 电气施工质量验收规范GB50303-2002 施工质量验收规范的规定施工单位检查评定记录监理(建设)单位验收记录主控项目1照明光源、灯具及其附属装置的选择必须符合设计要求,进场要进行验收,质量证明文件和相关技术资料应齐全,并应符合国家现行有关标准和规定 第12.2.1条符合要求2 低压配电系统选择的电缆、电线截面不得低于设计值,进场时应对其截面和每芯导体电阻值进行见证取样送检。
每芯导体电阻值应符合规范表12.2.2的规定第12.2.2条符合要求3 工程安装完成后应对低压配电系统进行调试,调试合格后应对低压配电电源质量进行检测,并符合规范规定 第12.2.3条符合要求4 在通电试运行中,应测试并记录照明系统的照度和功率密度值,并符合规范规定第12.2.4条符合要求一般项目1 母线与母线或母线与电器接线端子,当采用螺栓搭接连接时,当采用力矩扳手拧紧,制作应符合《建筑电气工程施工质量验收规范》GB 50303标准中有关规定第12.3.1条符合要求2三相照明配电干线的各相负荷宜分配平衡,其最大相负荷不宜超过三相负荷平均值的115%,最小相负荷不宜小于三相负荷平均值的85%第12.3.3条符合要求3 交流单芯电缆或分相后的每相电缆宜品字型(三叶型)敷设,且不得形成闭合铁磁回路第12.3.2条施工单位检查评定结果: 合格专业质量检查员(签字): 2010年12月10日施工单位监理(建设)单位施工员(签字)专业监理工程师/建设单位代表(签字):年 月 日技术员(签字) 施工班组(签字)。