2、配电与照明节能工程检验批质量验收记录
- 格式:xls
- 大小:33.00 KB
- 文档页数:1
株质监新标楮品文2002.1统编建筑电气1:程检脸批质S验收记录((編6 () 成套配电柜、控制柜(屏、台)检验批质量验收记录(首页)和动力、照明配电箱(盘)安装_________________C工程名称:标段株洲城市主要街道夜景艺术照明工程手午、抽出式成套配电柜推拉应灵活,无卡阻碰撞现盘。
动触头与 和触头的中心线应一致,且触头接触紧密,投入时,退岀时•接 地触头先于主触头接触:接地融头后于主触头脱开。
岛压成g 配电柜必须按木规范第3丄8条的规定交接试验合格,且 应符合下列规宦:1.继电保护元器件、逻辑元件.变送器和控制用il •算机等飛体校 验合格•整组试验动作正确.整定参数符合设il •要求:进入市场投 入使川的新裕压电气设备凡经法定程序批2・和继电保护装a.按产品技术文件要求交接试验。
株质监新标2002・1统編崔筑电气工程检验批质ft 验收记录()6・()()編号成套配电柜.控制柜(屏.台)检验批质量验收记录和动力.照明配电箱(盘)安装项 目 范规 序号质量验收规范的规定及检验方法施工单位自 检记录监理单位 验收记录主控 项 目6丄5低压成奁配电柜交接试验•必须符合木规范第41.5条的规定。
64.6柜、屏、台.箱.盘间线路的线间和线对地间绝缘电阻值•. :一次回路必须大于1 Mfi 馈电线路必须大于0.5MO6.1.7柜、屏、台.箱、盘间-次回路交流工频耐压试验• :绝缘电阴值 大于10卜5时・用25OOV 兆欧表摇测Imim 应无闪交流工 1000V1-10络击穿现彖:艸绝缘电阻值在MQ 时•做,应无闪络 击穿现象.频耐压试验时间linm精品文档. 精品文档6.1.64.4精品文档. 精品文档般 项 目6.2.2柜.屏、台.箱.盘相互间或与基础型钢应用破锌螺栓连接,且 防松零件齐全。
623%"相互柜、辟.台、箱、盘安装垂直度允许偏差为1.5 •成列盘 面偏差不应大于5mma 间接缝不应大于2mm6.2.4柜、屏、台、箱、盘内检査试验应符合下列规定:1 •控制开关及 保护装g 的规格.型号符合设计要求:2•闭锁装置动作准确、可靠: 3•主开关的辅助开关切换动作与主开关动作一致:柜、屏、台.箱、 盘上的标识器件标明被控设备編号及名4.称・或操作位宜・接线 端子有編号.且清晰.工整、不易脱色。
--
建筑电气工程检验批质量验收记录
检验批质量验收
记录(首页)
成套配电柜、控制柜(屏、台)
和动力、照明配电箱(盘)安装
建筑电气工程检验批质量验收记录
检验批质量验收记录(中
1页)
成套配电柜、控制柜(屏、台)
和动力、照明配电箱(盘)安装
检验批质量验收记录(中2
页)
成套配电柜、控制柜(屏、台)
和动力、照明配电箱(盘)安装
检验批质量验收记录(尾页)
成套配电柜、控制柜(屏、台)
和动力、照明配电箱(盘)安装
注:1.规范中黑体字为强制性条文。
2.检查批的质量验收记录由施工项目专业质量检查员填写,监理工程师组织项目专业质量检查员等进行验收。
配电与照明节能检验批质量验收记录注:本表内容的填写需依据《现场验收检验批检查原始记录》。
本检验批质量验收的规范依据见本页背面。
填写说明一、填写依据1 《建筑节能工程施工质量验收规范》GB50411-2007。
2 《建筑工程施工质量验收统一标准》GB50300-2013。
二、检验批划分可按设计系统、区域、楼层、建筑分区划分。
三、GB50411-2007规范摘要主控项目12.2.1 照明光源、灯具及其附属装置的选择必须符合设计要求,进场验收时应对下列技术性能进行核查,并经监理工程师(建设单位代表)检查认可,形成相应的验收、核查记录。
质量证明文件和相关技术资料应齐全,并应符合国家现行有关标准和规定。
1 荧光灯灯具和高强度气体放电灯灯具的效率不应低于表12.2.1-1的规定。
表12.2.1-1 荧光灯灯具和高强度气体放电灯灯具的效率允许值2 管型荧光灯镇流器能效限定值应不小于表12.2.1-2的规定。
表12.2.1-2 镇流器能效定值3 照明设备谐波含量限值应符合表12.2.1-3的规定。
检验方法:观察检查;技术资料和性能检测报告等质量证明文件与实物核对。
检查数量:全数核查。
12.2.2 低压配电系统选择的电缆、电线截面不得低于设计值,进场时应对其截面和每芯导体电阻值进行见证取样送检。
每芯导体电阻值应符合表12.2.2的规定。
检验方法:进场时抽样送检,验收时核查检验报告。
检查数量:同厂家各种规格总数的10%,且不少于2个规格。
12.2.3 工程安装完成后应对低压配电系统进行调试,调试合格后应对低压配电电源质量进行检测。
其中:1 供电电压允许偏差:三相供电电压允许偏差为标称系统电压的±7%;单相220V为+7%、-10%。
2 公共电网谐波电压限值为:380V的电网标称电压,电压总谐波畸变率(THDu)为5%,奇次(1~25次)谐波含有率为4%,偶次(2~24次)谐波含有率为2%。
3 谐波电流不应超过表12.2.3中规定的允许值。
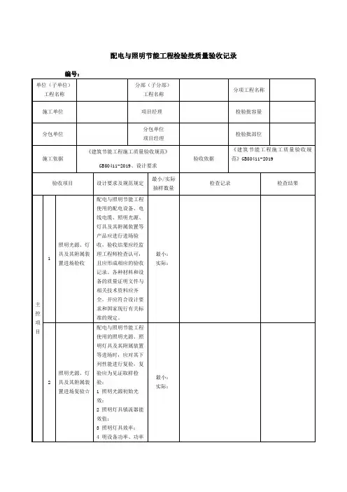
配电与照明节能工程检验批质量验收记录编号:
填表说明:
1、检验批容量填写:配电与照明节能工程验收可按本标准第3.4.1条的规定进行检验批划分,也可按照系统、楼层、建筑分区,由施工单位与监理单位协商确定。
2、最小/实际检查数量栏中,实际检查数量:按实填写。
主控项目:
(1)照明光源、灯具及其附属装置进场验收:全数检查
(2)照明光源、灯具及其附属装置进场复验:同厂家的照明光源、镇流器、灯具、照明设备,数量在200套(个)及以下时,抽检2套(个);数量在201套(个)~2000套(个)时,抽检3套(个);当数量在2000套(个)以上时,每增加1000套(个)时应增加抽检1套(个)。
同工程项目、同施工单位且同期施工的多个单位工程可合并计算。
当符合GB50411第3. 2. 3条规定时,检验批容量可以扩大一倍。
(3)低压配电系统使用的电线、电缆进场复验:同厂家各种规格总数的10%,且不少于2个规格。
(4)低压配电系统调试和检测;受电端全数检查.末端按GB50411表3.4. 3最小抽样数量抽样
表3.4.3 检验批最小抽样数量
(5)通电试运行:各类典型功能区域,每类检查不少于2处
一般项目:
(1)配电系统选择的导体截面:每种规格检验不少于5次;
(2)母线与母线琪母线与电器接线端子连接;母线接检验批抽查10%;
(3)交流单芯电缆敷设:全数检查
(4)三相照明配电干线的各相负荷分配:全数检查
3、表头中“施工依据”栏目应依照实际的施工操作依据填写,如施工企业的操作规程、工法、施工工艺标准等。
建筑照明工程施工质量检查验收记录(含
填写范例)
1. 项目信息
- 工程名称:
- 建设单位:
- 建设单位负责人:
- 施工单位:
- 施工单位负责人:
- 监理单位:
- 监理单位负责人:
2. 检查验收内容
- 检查项目1:
- 检查内容:
- 检查标准:
- 检查结果:
- 备注:
- 检查项目2:
- 检查内容:
- 检查标准:
- 检查结果:
- 备注:
- 检查项目3:
- 检查内容:
- 检查标准:
- 检查结果:
- 备注:
3. 填写范例
- 检查日期:
- 填写人员:
- 备注:
4. 检查验收记录工程名称:
建设单位:
施工单位:
监理单位:
5. 验收意见
监理单位意见:
建设单位意见:
6. 签字
监理单位负责人签字:
建设单位负责人签字:
施工单位负责人签字:
以上是建筑照明工程施工质量检查验收记录的填写范例,根据实际情况进行相应的填写和修改。
请务必仔细记录每一项检查内容和结果,并确保建设单位、施工单位和监理单位的负责人对检查结果进行签字确认。
配电与照明节能工程检验批质量验收记录范文下载提示:该文档是本店铺精心编制而成的,希望大家下载后,能够帮助大家解决实际问题。
文档下载后可定制修改,请根据实际需要进行调整和使用,谢谢!本店铺为大家提供各种类型的实用资料,如教育随笔、日记赏析、句子摘抄、古诗大全、经典美文、话题作文、工作总结、词语解析、文案摘录、其他资料等等,想了解不同资料格式和写法,敬请关注!Download tips: This document is carefully compiled by this editor. I hope that after you download it, it can help you solve practical problems. The document can be customized and modified after downloading, please adjust and use it according to actual needs, thank you! In addition, this shop provides you with various types of practical materials, such as educational essays, diary appreciation, sentence excerpts, ancient poems, classic articles, topic composition, work summary, word parsing, copy excerpts, other materials and so on, want to know different data formats and writing methods, please pay attention!配电与照明节能工程检验批质量验收记录范文1. 引言在配电与照明节能工程的实施过程中,为确保工程质量,保障工程安全运行,进行检验批质量验收工作至关重要。
配电与照明节能工程检验批质量验收记录在配电与照明节能工程的质量验收中,真是个让人心里七上八下的过程。
想象一下,项目刚刚完工,大家都热火朝天,兴致勃勃地想着能不能顺利通过验收。
工人们从早到晚忙得不可开交,像上了发条的玩具,连水都顾不上喝。
可是,真正验收的时候,心里那种忐忑,哎呀,简直比走在悬崖边缘还要紧张。
咱们先来说说配电部分。
这可是工程的“心脏”,出点问题可就麻烦了。
设备摆放得整整齐齐,像小学生的书桌一样,谁敢乱动。
电缆的铺设必须像绳子一样笔直,不能有个弯弯曲曲的地方,免得日后影响使用。
检验的时候,检测人员像侦探一样,仔细检查每个接头,仿佛在寻找隐藏的宝藏。
大家的心都提到嗓子眼,生怕哪个接头没做好,一查就查出个大问题。
其实只要细心点,肯定能过的。
然后就是照明部分,咱们可不能掉以轻心。
灯具的选择就像挑衣服一样,得合适又好看,亮度要够,还得省电。
这个可要考虑周全,毕竟谁不想在晚上开灯的时候,钱包里还能多留点钱呢?检查时,工作人员可不是随便看看,得实际打开每个灯,看看光线是不是柔和,颜色是不是自然,真是个细致活。
万一灯光不均匀,像个马戏团一样,别说美观,使用起来也会让人头疼。
整个检验过程就像是在做一场大考试,大家都在小心翼翼,生怕答错了。
特别是最后一步,验收报告的生成,简直是“终极boss”啊。
报告里面得写清楚每个环节的检查情况,像写作业一样,细致入微,绝不能马虎。
只要一出问题,整个工程就像是翻了船,白忙活一场。
可要是顺利通过验收,那种心里的放松啊,简直就像是考完试后的感觉,轻松得能飞起来。
大家聚在一起,像过年一样欢呼,庆祝这来之不易的成果。
喝点小酒,聊聊天,都是满脸的笑容,真是开心得不行。
不过呢,这个过程也不是没有挑战的,偶尔出现的小插曲,反而让人觉得特别有意思。
比如,有一次检查时,灯具的包装没拆,结果一打开,大家都笑了,里面的灯泡像个小孩儿似的,一脸懵懂。
那种瞬间的无奈与幽默,让整个检验过程变得更加轻松愉快。
1/2/3/4/1/2/3/主 控 项 目
一 般
项 目
监理(建设)
单位验收
综合结论施工单位
检查评定
综合结果配电与照明节能工程检验批质量验收记录
项目专业工长(施工员)签
名:项目专业质检员签名:年 月 日
项目专业监理工程师(建设单位项目专业负责人)签
名:年 月 日三相照明配电干线各相负荷分配
平衡的要求应符合有关标准的规定
第10.3.3条
全36交流单芯(或分相后的每相)电缆敷设要求第10.3.2条全36母线与母线或母线与电线接线端
子安装质量要求,(对连接紧固螺栓的拧紧力矩进行现场检测,
其结果应符合有关标准的规定)
第10.3.1条44照明系统通电试运行时应对照度
和功率密度值进行现场检测并记录,其结果应符合
第10.2.4条
全36低压配电系统完工后调试应合格;并对供电电压偏差、公共电
网谐波电压及电流、三相电压不平衡度等电源质量的项目作现场
检测,其结果应符合有关标准规
定第10.2.3条全36低压配电系统选择的电缆、电线
的进场验收,应对其截面和每芯导体电阻值进行见证取件送检,
电阻值符合有关标准规定
第10.2.2条试验合格,试验编号**照明光源、灯具及其附属装置的
选择必须符合设计要求;其进场
验收,对质量证明文件和技术资料进行核查及对实物检查应符合
有关技术标准的规定;并形成验
收、核查记录
第10.2.1条全36施工依据文件名称及编号
建筑节能方案质量验收依据文件名称及编号
广东省建筑节能工程施工质量验收规范(DBJ 15-65-2009)验收项目设计要求及
规范规定最小/实际 抽样数量检查记录检查结果施工单位
项目负责人分包单位
项目负责人分部/子分部/分项
(或系统/子系统)
建筑节能/电气动力节能/照明节能检验批容量看制作室照明 36套所在的施工部位
检验批编号GD-C5-712124GD-C5-712124
366
单位(子单位)工程名称。