法兰 垫环 钢圈
- 格式:ppt
- 大小:1.01 MB
- 文档页数:40
高压法兰钢圈分类及区别
从API标准来说有三种类型:R, RX, BX
后面的数字是各类型中的钢圈号。
从对应的号从标准里面可以查到该钢圈对应的尺寸规格。
具体分别为R型,RX型,BX型。
R型钢圈为机械压紧型,即只能靠法兰螺栓的上紧力矩来密封。
RX与BX为压力自紧型,除了靠法兰螺栓的上紧力矩来密封之外,井内压力越高,密封越好。
R与RX钢圈只用于6B型法兰(法兰面整个是平的),BX钢圈只用于6BX型法兰(法兰面中间一圈是突出来的,是高于螺栓空那一圈面的)。
R与RX钢圈可以重复使用,但BX钢圈只能使用一次。
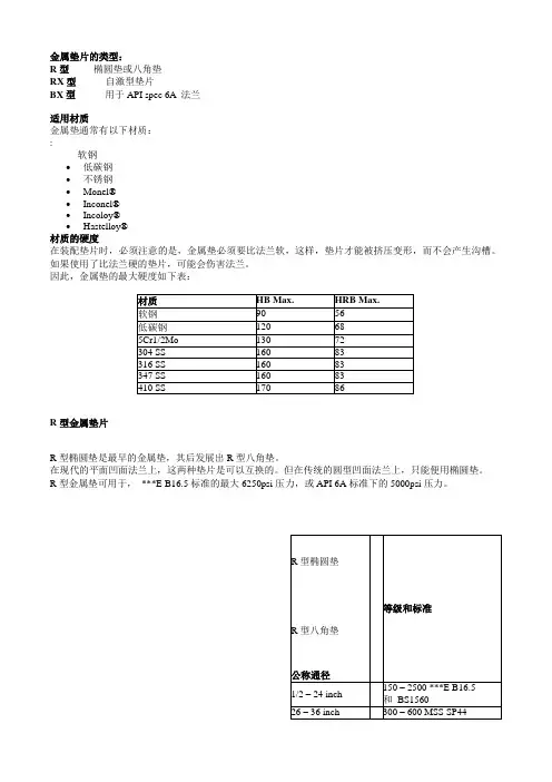
金属垫片的类型:R型椭圆垫或八角垫RX型自激型垫片BX型用于API spec 6A 法兰适用材质金属垫通常有以下材质::·软钢∙低碳钢∙不锈钢∙Monel®∙Inconel®∙Incoloy®∙Hastelloy®材质的硬度在装配垫片时,必须注意的是,金属垫必须要比法兰软,这样,垫片才能被挤压变形,而不会产生沟槽。
如果使用了比法兰硬的垫片,可能会伤害法兰。
因此,金属垫的最大硬度如下表:R型金属垫片R型椭圆垫是最早的金属垫,其后发展出R型八角垫。
在现代的平面凹面法兰上,这两种垫片是可以互换的。
但在传统的圆型凹面法兰上,只能便用椭圆垫。
R型金属垫可用于,***E B16.5标准的最大6250psi压力,或API 6A标准下的5000psi压力。
RX型金属垫片RX型金属垫片是根据API 6A 和***E B 16.20制造的,符合API 6B 和***E16.5法兰的垫片。
RX是根据现代平面凹面法兰设计的,可以和R型垫片互换。
但是,由于RX型垫片明显比R型要高,将导致更大的法兰紧合距离。
按照***E B 16.5 标准,RX型垫片最大压力可达6250psi,按照API 6A,RX型的最大压力可达5000psi。
要根据情况选择适合的压力通道孔,使得密封面获得平衡的压紧力。
BX 型金属垫片BX型垫片是根据API 6A标准制造的。
所有的BX型垫片上都有一个压力平衡孔,以保证垫片两侧的压力均衡。
在装配BX型垫片时,可产生金属垫片对金属法兰的结合力。
BX型垫片不可以与其它类型金属垫片互换,只适用于API 6BX型法兰。
根据API 6A标准,BX型垫片可承受最大20000psi压力。
订购需知:订购此类垫片时,请注明以下几点:Ø 垫片的类型和货号Ø 材质Ø 公称管径和公称压力,非标件请注明尺寸和压力从API标准来说有三种类型:R, RX, BX后面的数字是各类型中的钢圈号。
国内常用钢法兰标准(国标GB,机标JB,化工HG,石化SH等) 1、国标法兰GB/T 9112—2000 钢制管法兰类型与参数GB/T 9113.1—2000 平面、突面整体钢制管法兰GB/T 9113.2—2000 凹凸面整体钢制管法兰GB/T 9113.3—2000 榫槽面整体钢制管法兰GB/T 9113.4—2000 环连接面整体钢制管法兰GB/T 9114—2000 突面带颈螺纹钢制管法兰GB/T 9115.1—2000 平面、突面对焊钢制管法兰GB/T 9115.2—2000 凹凸面对焊钢制管法兰GB/T 9115.3—2000 榫槽面对焊钢制管法兰GB/T 9115.4—2000 环连接面对焊钢制管法兰GB/T 91l6.l一2000 平面、突面带颈平焊钢制管法兰GB/T 9116.2—2000 凹凸面带颈平焊钢制管法兰GB/T 9116.3—2000 榫槽面带颈平焊钢制管法兰GB/T 9116.4—2000 环连接面带颈平焊钢制管法兰GB/T 9117.1—2000 突面带颈承插焊钢制管法兰GB/T 9117.2—2000 凹凸面带颈承插焊钢制管法兰GB/T 9117.3—2000 榫槽面带颈承插焊钢制管法兰GB/T 9117.4—2000 环连接面带颈承插焊钢制管法兰GB/T 9118.1—2000 突面对焊环带颈松套钢制管法兰GB/T 9118.2—2000 环连接面对焊环带颈松套钢制管法兰GB/T 9119—2000 平面、突面板式平焊钢制管法兰GB/T 9120.1—2000 突面对焊环板式松套钢制管法兰GB/T 9120.2—2000 凹凸面对焊环板式松套钢制管法兰GB/T 9120.3—2000 榫槽面对焊环板式松套钢制管法兰GB/T 9121.1—2000 突面平焊环板式松套钢制管法兰GB/T 9121.2—2000 凹凸面平焊环板式松套钢制管法兰GB/T 9121.3—2000 榫槽面平焊环板式松套钢制管法兰GB/T 9122—2000 翻边环板式松套钢制管法兰GB/T 9123.1—2000 平面、突面钢制管法兰盖GB/T 9123.2—2000 凹凸面钢制管法兰盖GB/T 9123.3—2000 榫槽面钢制管法兰盖GB/T 9123.4—2000 环连接面钢制管法兰盖GB/T 9124—2000 钢制管法兰 技术条件船用法兰CB/T4194-2011 船用法兰 类型CB/T4196-2011 船用法兰 连接尺寸和密封面GB/T 2501-89/2010 船用法兰连接尺寸和密封面GB/T 2506-2005 船用搭焊钢法兰GB/T11693-89/94/08 船用法兰焊接单面座板GB/T11694-89/94 船用法兰焊接双面座板CB/T3766-96 船舶行业-排气管钢法兰及垫片GB/T4450-95 船用盲板钢法兰GB10745-89 船用法兰类型(四进位)GB10746-89 船用对焊钢法兰(四进位)GB10747-89 船用对焊钢环松套钢法兰(四进位)GB10748-89 船用对焊铜环松套钢法兰(四进位)GB10749-89 船用铜管折边松套钢法兰(四进位)GB10750-89 船用扁圆形铸铁和铸钢法兰(四进位) GB10751-89 船用扁圆形焊接钢法兰(四进位)外贸CBM1012-81 船用搭焊钢法兰 JIS B2221-1976外贸CBM1013-81 船用搭焊钢法兰 JIS B2222-1976外贸CBM1014-81 船用搭焊钢法兰 JIS B2223-1976外贸CBM1015-81 船用搭焊钢法兰 JIS B2224-1976外贸CBM1016-81 船用搭焊钢法兰 JIS B2225-1976外贸CBM1017-81 船用对焊钢法兰 JIS B2233-1976外贸CBM1018-81 船用对焊钢法兰 JIS B2216-1976外贸CBM1019-81 船用对焊钢法兰 JIS B2217-1976 GB568~569-65、GB573~582-65、2、机械部法兰JB/T 74—1994 管路法兰 技术条件JB/T 75—1994 管路法兰 类型JB/T 79.1—1994 凸面整体铸钢管法兰JB/T 79.2—1994 凹凸面整体铸钢管法兰JB/T 79.3—1994 榫槽面整体铸钢管法兰JB/T 79.4—1994 环连接面整体铸钢管法兰JB/T 81—1994 凸面板式平焊钢制管法兰JB/T 82.1—1994 凸面对焊钢制管法兰JB/T 82.2—1994 凹凸面对焊钢制管法兰JB/T 82.3—1994 榫槽面对焊钢制管法兰JB/T 82.4—1994 环连接面对焊钢制管法兰JB/T 83—1994 平焊环板式松套钢制管法兰JB/T 84—1994 凹凸面对焊环板式松套钢制管法兰JB/T 85—1994 翻边板式松套钢制管法兰JB/T 86.1—1994 凸面钢制管法兰盖JB/T 86.2—1994 凹凸面钢制管法兰盖JB/T 81—1959 钢制平焊法兰JB4700-2000 压力容器法兰分类与技术条件JB4701-2000 甲型平焊法兰.JB4702-2000 乙型平焊法兰.JB4703-2000 长颈对焊法兰压力容器法兰3、化工部法兰HG 20592—1997 钢制管法兰型式、参数(欧洲体系) HG 20593—1997 板式平焊钢制管法兰(欧洲体系) HG 20594—1997 带颈平焊钢制管法兰(欧洲体系) HG 20595—1997 带颈对焊钢制管法兰(欧洲体系) HG 20596—1997 整体钢制管法兰(欧洲体系)HG 20597—1997 承插焊钢制管法兰(欧洲体系)HG 20598—1997 螺纹钢制管法兰(欧洲体系)HG 20599—1997 对焊环松套钢制管法兰(欧洲体系) HG 20600—1997 平焊环松套钢制管法兰(欧洲体系)HG 20601—1997 钢制管法兰盖(欧洲体系)HG 20602一1997 不锈钢衬里法兰盖(欧洲体系)HG 20603—1997 钢制管法兰技术条件(欧洲体系)HG 20604—1997 钢制管法兰压力-温度等级(欧洲体系)HG 20605—1997 钢制管法兰焊接接头和坡口尺寸(欧洲体系)HG 20615—1997 钢制管法兰型式、参数(美洲体系)HG 20616—1997 带颈平焊钢制管法兰(美洲体系)HG 20617—1997 带颈对焊钢制管法兰(美洲体系)HG 20618—1997 整体钢制管法兰(美洲体系)HG 20619—1997 承插焊钢制管法兰(美洲体系)HG 20620—1997 螺纹钢制管法兰(美洲体系)HG 20621—1997 对焊环松套钢制管法兰(美洲体系)HG 20622—1997 钢制管法兰盖(美洲体系)HG 20623—1997 大直径钢制管法兰(美洲体系)HG 20624—1997 钢制管法兰技术条件(美洲体系)HG 20625—1997 钢制管法兰压力-温度等级(美洲体系)HG 20626—1997 钢制管法兰焊接接头和坡口尺寸(美洲体系)HG 20592—2009 钢制管法兰(欧洲体系) 代替 HG 20592~20605—1997HG 20615—2009 钢制管法兰(美洲体系) 代替 HG 20615~20622—1997和HG 20624~20626—1997HG 20623—2009 大直径钢制管法兰(美洲体系) 代替 HG 20623—1997HG 5008—1958 钢制螺纹法兰HG 5010—1958 突面平焊法兰HG 5011—1958 榫槽面平焊法兰HG 5012—1958 凹凸面平焊法兰HG 5013—1958 平焊法兰用于英制水煤气管HG 5014—1958 突面对焊法兰HG 5015—1958 榫槽面对焊法兰HG 5016—1958 凹凸面对焊法兰HG 5019—1958 耐酸钢平焊法兰HG 5022—1958 焊环活动法兰HG 5028—1958 平面法兰盖HG 5028—1958 凹凸面法兰盖HG 5028—1958 榫槽面法兰盖HG 20527—1992 不锈钢突面对焊环钢制管法兰HG 20528—1992 衬里钢管用承插环松套钢制管法兰HG 20529—1992 不锈钢衬里法兰盖HG 20530—1992 钢制管法兰用焊唇密封环HGJ 44~76-1991 钢制管法兰HG 21547—1993 管道用钢制插板、垫环、8字盲板4、石化部法兰SH 3406—1996 石油化工钢制管法兰。
第四部分法兰、插板、垫环、8字盲板一.法兰常识:法兰是管道中起连接作用的重要部分,种类多,标准繁杂。
由于其主要起连接作用,因此,法兰的主要特性就是连接方式及密封形式,主导影响参数是管道压力(介质不同影响材质选定):一般地讲,低压系统(PN<2.5MPA)采用平焊或板式法兰,普通突面(RF)密封,中压系统(2.5-64MPA)采用对焊法兰,RF或凹凸面(FM/M)密封,高压系统(10.0MPA以上),通常采用对焊法兰,梯型槽(RJ)密封。
在低压不锈钢系统中,有时为节约成本及检修方便,还采用松套法兰或活套环法兰。
二.法兰的类型:管道法兰按与管子的连接方式可分为五种基本类型:平焊法兰(SO)、对焊法兰(WN)、螺纹法兰(TH)、承插焊法兰(SW)、松套法兰(PL)。
如下图所示:平焊法兰:将管子插入法兰内孔进行正面和背面焊接,具有易对中,价格便宜的特点。
分为两种:1、板式平焊法兰,这种法兰刚性较差,焊接时易引起法兰面变形,引起密封面转角而导致泄漏,一般用在压力温度较低,不太重要的管道上;2、带径平焊法兰:这种法兰的短径使法兰的刚度和其承载能力大有提高。
法兰本身的制造工艺比对焊法兰要简单,与管子连接的焊接与板式平焊法兰一般为角焊缝结构施工比较简单省事。
对焊法兰:这种法兰系将法兰焊径端与管子焊接端加工承一定形式的焊接坡口后直接焊接,施工比较方便。
由于法兰与管子焊接处有一段圆滑过渡的高径,法兰径部厚度逐渐过渡到管壁厚度,降低了结构的不连续性,法兰强度较高,承载条件较高,适用于压力温度波动幅度大或高温、高压和低温管道。
石化工业中工艺管道大多采用这种对焊法兰。
螺纹式法兰:一般用在镀锌钢管不宜焊接的场合,温度反复波动或高于260℃和低于-45℃的管道不宜使用。
在任何可能发生裂隙腐蚀的场合应避免使用螺纹法兰。
承插焊法兰与带径平焊法兰相似,只是将管子插入法兰的承插孔中进行焊接,一般只在在法兰背面有一条焊缝。
这种法兰公称压力范围较大,口径较小,一般用在小口径管道。
法兰,垫片,螺栓法兰,垫片,螺栓管法兰及其垫片、紧固件统称为法兰接头。
法兰接头是工程设计中使用极为普遍、涉及面非常广泛的一种零部件,是配管设计、管件阀门中必不可少的零件,而且也是设备、设备零部件(如人孔、视镜、液面计等)中必备的构件。
一、法兰简述法兰标准体系:国际上管法兰标准主要有两个体系,即以德国DIN(包括原苏联)为代表的欧洲管法兰体系(PN系列)和以美国ANSI(美国国家标准协会)管法兰为代表的美洲管法兰体系(CLASS系列)。
两个体系的管法兰连接尺寸完全不同,无法互配。
两个体系的管法兰以压力等级来区分最为合适,即欧洲体系为0.25、0.6、1.0、1.6、2.5、4.0、6.3、10.0、16.0、25.0、32.0、40.0MPa,美洲体系为1.0、2.0、5.0、11.0、15.0、26.0、42.0MPa。
除此之外,还有日本JIS管法兰,在国际上影响较小。
我装置法兰执行标准以美表为主。
材质:锻钢、WCB碳钢、不锈钢、316L、316、304L、304、321、铬钼钢、铬钼钒钢、钼二钛、衬胶、衬氟材质。
种类:带颈平焊法兰(只需单面焊,压力低)、带颈对焊法兰、整体法兰(一般与阀门等焊接为一整体)、环松套法兰(压力低,腐蚀性强)、承插法兰、长高颈法兰及盲法兰等。
法兰密封面形式法兰密封面的型式有全平面、突面、凹凸面、榫槽面、环连接面及锥面六种。
前四种用于各种平垫,后两种用于金属垫环。
法兰密封面型式不同,适用的工况不同,密封性能也不相同。
如一般用于中低压的全平面、突面、凹凸面、榫槽面,其密封性能按以上顺序以后者较好。
而环连接面和锥面,由于和金属垫环为线接触密封,金属垫环又具有良好的回弹能力和抗松驰能力,并具有一定的自紧作用,故常用于中高压与高温工况。
法兰密封面的粗糙度法兰密封面直接与垫片接触,为保证其密封效果,法兰密封面的表面粗糙度应与所使用的垫片相适应。
当采用金属垫时,如八角垫环、椭圆垫环、透镜垫环,其表面粗糙度通常要求达到Ra0.4(齿形垫片要求Ra0.8),以尽量减小或消除接触间隙;当采用软质垫片,包括具有表面软层的组合式垫片时,如石棉橡胶板垫片、聚四氟乙烯垫片柔性石墨复合垫片、金属缠绕垫片等,由于垫片接触面易于变形,法兰密封面过于光滑会降低界面上的阻力,对防止泄漏反而不利,因此表面粗糙度可大些,一般要求达到Ra12.5~Ra6.3就够了。
pp法兰分类
pp法兰种类多,制作工艺多样,连接方式简单,因此成为pp管道系统中应用最多的管件。
pp法兰分类
pp法兰主要用于pp管子间的连接。
按照pp管外径大小和连接方式不同分为:带颈法兰,平面法兰,普通承插法兰,热熔承插法兰和活套法兰。
按照工艺可以分为:模压法兰,注塑法兰,非标法兰。
盲法兰用于管端,一般做堵板使用。
非标法兰一般用于管子和泵阀,管子和设备间的连接。
pp法兰如何使用
pp带颈法兰:对焊机加热到一定温度,将法兰和管子固定在加热板的两边,待接头变软后,将法兰和管子对接,冷却后进行修边。
此种连接方式,承压大。
pp平面法兰一般不单独使用,跟垫环配套形成活套法兰,作为带颈法兰使用,比带颈法兰更为灵活,但价格贵。
pp承插法兰:将pp管放入法兰口中,然后用焊条封好,承压能力不如带颈法兰,热熔法兰。
pp热熔承插法兰:是用热熔机连接的,一般多用于Φ110以下的管材管件间的连接,承压大。
承插法兰和热熔法兰的区别在于法兰口的大小。
承插法兰的法兰口径大于对应型号管子口径,热熔承插法兰口径小于对应管子口径。
用户在选购pp法兰的时候,要根据自家情况,跟厂家沟通好,选择正确的连接方式,以免造成不必要的麻烦。