工程设备部经理岗位说明书范本
- 格式:doc
- 大小:81.00 KB
- 文档页数:3
设备经理
1 内容
1.1 岗位名称:设备经理
1.2 直接上级:总经理
1.3 直接下属:设备维护员
1.4 工作职责及目标:负责公司质量管理体系的建立、实施、完善工作;负责公司重大项目的参与管理工
作;负责体系的审核工作;保证工厂生产设备的正常运行。
1.5 职责描述
1.5.1 负责管理设备部的日常工作,组织和领导设备人员进行相关的维护工作。
1.5.2 监督和管理工厂的生产设备和公用设施,建立和实施以预防为主的维护体系。
1.5.3 负责设备的安装和调试。
1.5.4 设计和改进现有的设备,以提高设备的综合效率和可靠性。
1.5.5 寻找供应商,做好设备的备品备件工作。
1.5.6 加强培训,提高设备人员的观念意识,提高维修技能。
1.5.7 做好安全工作,按照国家的安全规范要求操作实施。
1.6权限:
1.6.1有权监督本部门的质量体系运行情况。
1.6.2对公司内部体系出现的不符合项,有另责任部门整改的权力。
1.6.3有权要求相关责任部门积极配合、提供相关资料,对本部门领导或其他部门领导的不正确行为可
直接指出或采用恰当的方式提出。
1.7任职资格要求:
1.7.1学历:大专以上
1.7.2能力:
1.7.
2.1具有一定管理知识。
1.7.
2.3熟悉项目管理的知识。
1. 8工作经验:
1. 8.1至少3年以上相关工作经验/项目管理工作
2 相关文件和记录
无
3 文件变更历史。
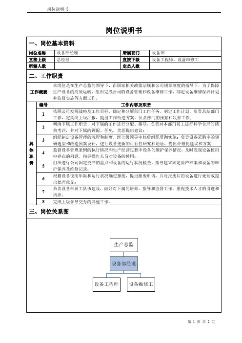
岗位说明书一、岗位基本资料岗位名称设备部经理所属部门设备部直接上级总经理直接下级设备工程师、设备维修工所辖人数定员人数二、工作职责工作概要本岗位是在生产总监的领导下,在国家相关政策法规和公司规章制度的指导下,为了保障生产设备的高效运转,组织完成公司的设备管理和设备维修工作,制定设备维修保养计划并监督实施等方面工作。
具体职责编号工作内容及职责1依照公司发展战略及工作目标,确定和分解部门工作任务,制定工作计划,负责总结部门工作,定期向上级汇报,提出工作改进方案,负责部门的预算和决算工作;2明确下属工作职责,对下属的工作进行分配、指导,负责对本部门员工进行科学合理的绩效考评,并对下属的调配、任免、奖惩提供建议;3组织制定设备管理的流程和制度,经上级领导审核后组织贯彻实施;负责设备采购中的调研选型和改造预案设计,进行设备更新的可行性研究和论证,提出合理化建议和方案;4监督设备管理条例的执行情况和生产经营过程中设备的维护保养情况,及时发现设备使用中存在的问题,指导操作人员对设备的使用;5组织进行公司固定资产的盘点和设备的运行状况检查,指导建立固定资产档案和设备的维护保养及维修记录;6根据设备使用年限和运行状况确定报废,提出报废申请,并对报废后的设备进行处理或提出处理意见;7负责设备部员工队伍建设,做好对下属的培养、指导和监督工作,重视技术人才的引进和培养;8 完成上级领导交办的其他工作。
三、岗位关系图生产总监设备部经理设备工程师设备维修工四、工作协作关系范围主要接触岗位工作内容涉及的流程本部门生产总监接受工作分配、指导和考核;设备工程师分配、指导、考核工作;设备维修工分配、指导、考核工作;部门间(公司内部)机长监督设备的使用、维护和维修情况;操作工监督设备的使用、维护和维修情况;公司外部外部企业技术经验交流;客户技术交流,了解需求信息。
五、岗位任职资格要求因素限定资料教育经历本科以上学历;专业要求机械相关专业;知识技能行业专业知识,相关设备知识,较强的技术能力;具有一定的管理能力,较强的沟通协调能力;具有一定的英语技能与计算机操作技能;培训经历参加过企业主要设备相关的专业技术培训;参加过中层管理培训;工作经验5年以上设备管理经验;其他条件有良好的敬业精神,工作认真、细致,有较强的责任心;补充事项个人综合能力和素质突出,或在工作中业绩突出者,按照有关规定,或经领导审批同意,可以适当放宽任职条件。
设备工程经理岗位职责说明书北京公司设备工程经理岗位职责说明书一、岗位概述设备工程经理是北京公司设备部门的核心职位,主要负责设备工程项目的规划、管理和执行工作。
本职位旨在确保设备工程项目的顺利进行,达到公司设备的高质量要求。
二、岗位职责1. 设备工程项目管理a. 负责设备工程项目的规划、实施和监督,确保项目按时、按质、按量完成;b. 制定设备工程项目的详细计划,包括项目进度、预算、资源调配等;c. 协调与监督工程团队,保证工程进展顺利;d. 跟进设备工程项目的执行过程,解决各类问题和风险,确保项目顺利推进;e. 编制项目报告,向上级汇报项目进展情况。
2. 设备工程设计a. 根据项目需求,负责设备工程的设计方案制定;b. 协调设计团队,确保设计方案的合理性和可行性;c. 审查工程设计文件,确保符合相关法规和公司标准;d. 技术支持工程施工过程中的设计变更和调整。
3. 设备工程资源管理a. 负责设备工程的资源调配和管理,包括人员、设备和材料;b. 协调与监督供应商和合作伙伴,确保供应链的畅通;c. 管理设备工程的采购过程,包括招标、评估和合同签订等;d. 确保设备工程项目的成本控制和优化。
4. 设备工程质量控制a. 确保设备工程项目的质量符合公司标准和客户要求;b. 制定质量管理计划,包括质量控制措施和验收标准;c. 跟踪设备工程施工过程中的质量问题,及时解决并提出改进建议;d. 确保设备工程项目的安全可靠性和环境友好性。
5. 设备工程团队管理a. 对设备工程团队进行组织和日常管理,包括任务分配、绩效考核等;b. 培训和指导团队成员,提升团队整体素质和能力;c. 与其他部门合作,共同推进设备工程项目的顺利进行;d. 激励团队成员发挥潜力,营造良好的团队氛围。
三、任职要求1. 学历要求:本科及以上学历,工程相关专业优先考虑;2. 工作经验:具备5年以上设备工程项目管理经验;3. 技能要求:a. 熟悉设备工程项目管理流程和方法,具备丰富的实践经验;b. 具备较强的组织和协调能力,能够有效管理复杂的工程项目;c. 具备良好的沟通能力和团队合作精神;d. 熟悉相关法规和行业标准,能够确保项目合规性。
工程部经理岗位职责详细说明范本
____对本项目工程建设负责,有统筹管理、团队管理的经历和能力;
2.负责内外单位部门的联络协调工作;
3.负责工程制定的任务、目标的落实与实现;
4.负责工程部运营及日常管理,保障项目平稳推进;
5.负责项目建设管理,包括不限于进度、质量、安全、成本、创优创杯、交付等全过程工作;
____人品端正,积极向上,思路清晰、能吃苦,肯投入,执行力强,语言表达能力良好;
工程部经理岗位职责详细说明范本(二)
1、负责本项目工程部的指导及管理工作;
2、负责落实各阶段、各类别施工图纸的设计与改进,审核施工图纸设计深度和质量,优化结构方案;
3、负责主持项目技术问题研讨会,负责解决项目设计、施工中的重大技术问题;
4、协助对现场质量进行监控和指导,解决项目实施过程中的质量问题;
5、对项目的进度、安全、成本等为公司提出具体的控制建议
第1页共1页。
XX公司设备部经理职位说明书职位说明书:XX公司设备部经理一、岗位概述XX公司是一家在设备制造行业具有领先地位的企业,现招聘设备部经理一名。
作为设备部经理,您将负责管理和指导设备部的运营工作,确保设备的正常运行,推动生产效率的提升。
二、岗位职责1. 设备管理:负责设备部所有设备的购买、安装、调试以及日常维护管理,确保设备的完好运行,并及时解决设备故障问题。
2. 资源调配:合理安排设备部人员的工作任务,确保各项设备维护、保养、检修等工作按时完成,以保障生产线的连续稳定运行。
3. 预防维护:建立完善的设备维护计划,定期开展设备巡检和保养,及时发现并解决设备潜在问题,防止设备故障对生产造成影响。
4. 故障处理:制定设备故障处理方案,对设备故障进行分析和诊断,并指导团队成员进行故障排查和修复,确保设备故障的快速恢复。
5. 部门管理:统筹设备部的日常事务,包括人员招聘、考核、培训等工作,建立团队合作意识,提高部门整体协同效能。
三、任职要求1. 教育背景:本科及以上学历,工程相关专业优先考虑。
2. 工作经验:具备设备管理或相关领域的工作经验,熟悉设备运维和故障处理流程。
3. 技能要求:熟悉设备维护保养、故障排查和处理等技术操作,并具备一定的团队管理能力。
4. 抗压能力:能够承受一定的工作压力,具备处理紧急情况的能力,并能够在紧张的工作环境下保持良好的工作状态。
5. 沟通能力:具备良好的沟通能力和团队合作精神,能够有效管理下属团队,并与其他部门保持良好的协作关系。
四、福利待遇1. 薪资待遇:提供具有竞争力的薪资待遇,薪酬结构包括基本工资、绩效奖金等。
2. 福利保障:享受公司提供的五险一金、带薪年假、节日福利等福利待遇。
3. 职业发展:提供广阔的职业发展空间和晋升机会,为员工提供培训和学习的机会,助力个人职业成长。
五、应聘方式感兴趣的候选人请将个人简历发送至公司人事部邮箱(***************),邮件主题请注明“设备部经理应聘-姓名”。
工程部经理岗位说明书(通用4篇)工程部经理岗位篇11、全面主持工程部工作,对本部门各项工作负责。
2、组织起草公司开发项目工程建设进度计划和管理目标,为公司制定年度经营和决策提供可靠依据。
3、牵头编制工程部月度工作计划,并负责其具体执行、监督和月度每位员工的考核评价。
4、组织项目前期方案设计对接,施工图设计论证、审核和图纸会审;负责工程设计、施工阶段的技术把关。
5、负责项目前、中、后期各项审批、验收和备案手续的办理。
6、负责施工成本目标在建设阶段的具体落实。
7、在公司招标小组领导下,牵头组织投标单位报名、考察并提出,参与公司招投标工作。
8、全权负责对中标施工单位、监理单位现场施工、监理过程中的管理,对进场原材料,构、配件和半成品使用监督,确保其施工进度、质量和文明工地创建符合要求。
9、负责施工现场组织管理,协调配和、监督工作,确保现场施工正常运转;有权召集有关会议,参加监理例会。
10、审批施工方案、进度计划、工程量月报、现场签证和设计变更,审批施工进度款申请报告。
11、负责处理好政府相关部门及施工现场周边相邻关系,保证施工现场正常运转。
12、负责工程保修期内维修管理和与物业管理公司的对接工作。
13、负责部门印鉴审批及档案管理工作。
14、完成公司领导交办的其他工作。
工程部经理岗位说明书篇21、熟悉本专业设计文件、技术规范和施工规程。
2、负责与设计部门的专业沟通和对接,参与设计、技术方案讨论。
3、具体负责现场专业管理工作。
检查监督施工单位、监理单位对本专业工程施工质量、进度计划和设计技术文件的执行情况,确保其质量、进度满足设计文件及计划要求。
4、参与与本专业相关的材料、设备、构配件考察工作;检查监督进场材料、设备、构配件的原始凭证,检测报告等质量证明文件及实物质量情况,确保施工用料符合设计要求并与考察一致。
5、积极应对和解决施工、监理过程中出现的问题,主动协调设计、勘察、施工、监理诸方面工作关系,确保现场施工正常运转。
设备部经理职位说明书设备部经理职位说明书职位名称设备部经理所属部门设备部直接上级生产总监直接下级设备主管任职资格1、学历、专业知识中专及以上,具有机械制造、动力运行原理、仪器仪表、设备维修与养护等相关专业知识2、工作经验三年以上相应职位工作经验,具有两年以上大型生产制造企业设备管理经验者优先职责一职责表述:编制设备管理制度及操作规范工作任务1、编写设备管理的各项规章制度,报生产总监、总经理审批并严格监督执行2、负责编写设备使用管理的各项操作规范,经生产总监审核后严格监督执行3、根据企业发展的实际情况,对设备管理制度及操作规范等进行修订、完善考核重点:各项制度的完善及有效执行情况职责二职责表述:动力系统运行管理工作任务1、负责企业内部水电、空调系统运行管理,发现问题及时解决2、制订动力系统维修、保养计划、方案并监督实施,确保动力系统正常运行考核重点:动力系统正常运转天数职责三职责表述:新增设备采购管理工作任务1、负责参与新增设备购置计划的讨论,提出建设性意见、方案2、审核各子公司(工厂)新增设备购置计划,并报总经理审批3、与采购部一起执行领导批准的新增设备购置计划考核重点:新增设备质量合格率、成本控制情况职责四职责表述:设备管理工作任务1、负责生产设备调拨、分配及清点工作2、定期盘点企业现有的设备,办理设备的折旧、报损及报废等手续3、负责对企业设备采购、管理、使用、报废等信息进行详细记录,建立设备台账考核重点:设备档案的完整程度,领导对设备管理的满意程度职责五职责表述:设备日常养护管理工作任务1、对生产设备的维修、保养进行统一管理,定期或不定期对设备进行检查,使设备达到规定的养护标准2、组织、指导、监督维修员工的业务工作,使其提高工作质量和改善服务态度考核重点:设备的使用率、完好率职责六职责表述:部门内部管理工作任务1、负责本部门员工的配备和选拔工作2、对本部门员工进行业务指导、绩效考核3、负责本部门员工的调配、工作安排考核重点:本部门各项工作计划的实现程度,员工考核结果。
设备部经理岗位说明书职位概述设备部经理是公司设备部门的领导,负责设备的管理和维修工作。
他们需要具备深入了解设备运作原理的能力,能够有效地组织和安排设备维护和维修工作。
设备部经理还需要与其他部门进行协调合作,确保设备的正常运转,为公司的生产提供稳定的设备支持。
主要职责1.设备管理:设备部经理负责制定设备管理的策略和规划,确保设备的使用和维护符合公司的要求。
他们需要监督设备的购买、安装和运营,并确保设备的可靠性和有效性。
2.设备维护:设备部经理需要组织和协调设备的维护和保养工作。
他们要确保设备按照规定的维护计划进行定期保养,并制定应急维修措施,以应对突发设备故障。
3.设备改进:设备部经理需要与工程部门紧密合作,参与设备改进项目,并提出设备技术升级的建议。
他们还需要研究新的设备技术和工艺,提高设备的效率和可靠性。
4.人员管理:设备部经理需要领导设备部门的团队,包括设备维修人员和操作员。
他们需要制定人员培训计划,提高团队成员的技能水平,并确保团队的工作效率和协作能力。
5.安全管理:设备部经理需要确保设备的安全操作和使用,制定并执行设备安全规范和操作流程。
他们还需要参与安全培训活动,提高员工的安全意识和操作技能。
6.资源管理:设备部经理需要制定设备维修和备品备件的采购计划,确保设备维修所需的资源充足。
他们还需要管理设备维修预算和成本控制,提高设备维修效益和成本效益。
任职要求1.教育背景:本科或以上学历,工科专业优先。
2.工作经验:具备较丰富的设备管理和维修经验,有团队管理经验者优先考虑。
3.技术能力:熟悉设备的工作原理和维修流程,具备良好的技术分析和解决问题的能力。
4.领导能力:具备良好的团队领导和管理能力,能够有效地组织和协调团队成员的工作。
5.沟通能力:良好的沟通和协调能力,能够有效地与其他部门进行沟通和合作。
6.自主性和责任感:具备较强的自主性和责任感,能够独立思考和解决问题。
7.熟练使用办公软件和设备管理软件,如Microsoft Office和CMMS系统等。