沥青混凝土路面面层允许偏差
- 格式:docx
- 大小:20.34 KB
- 文档页数:3
沥青混凝土路面厚度检测规范《公路工程质量检验评定标准》(JTG80(1)-2004)《公路路基路面现场测试规程》(JTG-E60-2008)路面厚度总厚度≤60mm时,允许偏差分别为-5mm和-10mm;总厚度>60mm时,允许偏差分别为-8%和-15%的总厚度,H为总厚度(mm)。
前一数值为代表值,后一数值为合格值要求。
按双车道每200m检测一个点进行。
检测方法:采用100mm取芯机取芯(如仅测厚度,可采用50mm取芯机取芯),必须取至芯样底部,取出芯样后用正十字形标记在芯样表面标记,并从正十字开标记端部测量该芯样的4个厚度,取平均值为该芯样厚度(精确至1mm)。
芯样检测完成后的数值处理按以下附录进行。
附录H 路面结构层厚度评定H.0.1评定路段内路面结构层厚度按代表值和单个合格值的允许偏差进行评定。
H.0.2按规定频率,采用挖验或钻取芯样测定厚度。
H.0.3厚度代表值为厚度的算术平均值的下置信界限值,即:式中:X L——厚度代表值(算术平均值的下置信界限);X——厚度平均值;S——标准差;n——检测点数;t?——t分布表中随测点数和保证率(或置信度?)而变的系数,可查附表B。
采用的保证率:高速、一级公路:基层、底基层为99%,面层为95%。
其他公路:基层、底基层为95%,面层为90%。
H.0.4当厚度代表值大于等于设计厚度减去代表值允许偏差时,则按单个检查值的偏差不超过单点合格值来计算合格率;当厚度代表值小于设计厚度减去代表值允许偏差时,相应分项工程评为不合格。
代表值和单点合格值的允许偏差见第7章各节实测项目表。
H.0.5沥青面层一般按沥青铺筑层总厚度进行评定,高速公路和一级公路分2~3层铺筑时,还应进行上面层厚度检查和评定。
附表B t n。
沥青混凝土路面厚度检测规范《公路工程质量检验评定标准》(JTG80 (1) -2004)《公路路基路面现场测试规程》(JTG-E60-2008 )路面厚度总厚度 < 60mm时,允许偏差分别为-5mm和-10mm;总厚度>60mm时,允许偏差分别为-8%和-15%的总厚度,H为总厚度(mm)。
前一数值为代表值,后一数值为合格值要求。
按双车道每200m检测一个点进行。
检测方法:采用100mm取芯机取芯(如仅测厚度,可采用50mm取芯机取芯),必须取至芯样底部,取出芯样后用正十字形标记在芯样表面标记,并从正十字开标记端部测量该芯样的4个厚度,取平均值为该芯样厚度(精确至1mm )。
芯样检测完成后的数值处理按以下附录进行。
附录H路面结构层厚度评定H.0.1评定路段内路面结构层厚度按代表值和单个合格值的允许偏差进行评定。
H.0.2按规定频率,采用挖验或钻取芯样测定厚度。
H.0.3厚度代表值为厚度的算术平均值的下置信界限值,即:-t X L X ——S#n式中:X L――厚度代表值(算术平均值的下置信界限);X ――厚度平均值;S――标准差;n ----- 检测点数;t ------ t分布表中随测点数和保证率(或置信度)而变的系数,可查附表B。
采用的保证率:高速、一级公路:基层、底基层为99%,面层为95%。
其他公路:基层、底基层为95%,面层为90%。
H.0.4当厚度代表值大于等于设计厚度减去代表值允许偏差时,则按单个检查值的偏差不超过单点合格值来计算合格率;当厚度代表值小于设计厚度减去代表值允许偏差时,相应分项工程评为不合格。
代表值和单点合格值的允许偏差见第7章各节实测项目表。
H.0.5沥青面层一般按沥青铺筑层总厚度进行评定,高速公路和一级公路分2〜3层铺筑时, 还应进行上面层厚度检查和评定。
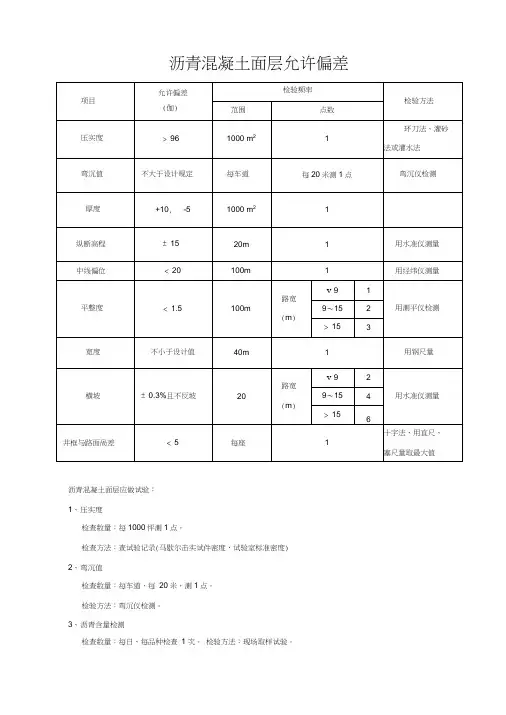
沥青混凝土路面验收标准
本文介绍了沥青混凝土路面验收标准。
首先,表面应平整、坚实,不得有脱落、掉渣、裂缝、推挤、烂边、粗细料集中等现象。
其次,用10吨以上压路机碾压后,不得有明显轮迹。
接茬应紧密、平顺,烫缝不应枯焦。
此外,面层与路缘石及其他构筑物应接顺,不得有积水现象。
最后,沥青混凝土面层允许偏差应符合表格中的要求。
表格中列出了沥青混凝土面层允许偏差的详细要求,包括压实度、厚度、平整度、宽度、中线高程、横坡等项目。
检验频率根据路宽和点数进行设置,检验方法也有不同,包括称质量检验、用尺量、用弯沉仪检测、测平仪及3m直尺测平整度、用水准仪具测量3弯沉值等。
总之,沥青混凝土路面验收标准是非常严格的,需要严格按照要求进行验收,并及时进行整改和维护,以确保道路的安全和舒适性。
精心整理
热拌沥青混合料面层质量检验应符合下列规定:
主控项目
1)沥青混合料面层压实度,对城市快速路、主干路不应小于96%;对
次干路及以下道路不应小于95%。
2
度)。
233检查数量:全数检查。
检验方法:观察。
4热拌沥青混合料面层允许偏差应符合表8.5.1的规定。
表8.5.1热拌沥青混合料面层允许偏差
规定。
检查数量:按不同材料进场批次,每批次1次。
检验方法:查出厂合格证及进场复检报告。
2压实度不应小于95%。
检查数量:每1000m2抽检1点。
检验方法:灌砂法、灌水法、蜡封法。
3弯沉值,不得大于设计规定。
检查数量:按设计规定。
检验方法:每车道、每20m,测1点。
4面层厚度应符合设计规定,允许偏差为-5~+15mm。
1沥青、乳化沥青的品种、指标、规格应符合设计和本规范的有关规定。
检查数量:按进场批次。
检验方法:查出厂合格证、出厂检验报告、进场检验报告。
一般项目
2集料应压实平整,沥青应洒布均匀、无露白,嵌缝料应撒铺、扫墁均匀,不应有重叠现象。
3沥青表面处治允许偏差应符合表9.4.2的规定。
表9.4.2沥青表面处治允许偏差。
沥青混凝土面层施工要求
车行道沥青碎面层顶面允许弯沉值为55(0.01mm),基层顶面允许弯沉值为55(0.01mm),基层顶面允许弯沉值为70(0.0In1n1)。
道路车道宽度小于6米路拱采用直线型,车道宽度大于等于6米路拱采用改进三次抛物线路拱。
1、设计要求在水泥稳定碎石基层顶面必须洒布透层油。
透层油应紧接在基层碾压成型后表面稍微变干燥,但尚未硬化的情况下喷洒。
要求透层油透入基层的深度不小于5mm,并能与基层联结成为一体。
透层油的用量通过试洒确定。
透层宜采用优质乳化沥青。
2、车行道道路面层沥青采用ΛH-70o粗、细集料宜采用能够黏附性好的碱性石料。
沥青碎材料选用、施工及验收均应严格按照国际《沥青路面施工及验收规范》(GB50092-96)等有关规范要求严格执行。
3、沥青碎的配合比应在开工前根据技术标准及所选用的材料通过试验来确定,通过试拌试铺验证,并在施工中严格控制。
4、车行道沥青碎面层允许弯沉值为55(0.01mm)o。
热拌沥青混合料面层质量检验应符合下列规定:
主控项目
1)沥青混合料面层压实度,对城市快速路、主干路不应小于96%;对次干路及以下道路不应小于95%。
检查数量:每1000m2测1点。
检验方法:查试验记录(马歇尔击实试件密度,试验室标准密度)。
2)面层厚度应符合设计规定,允许偏差为+10~-5mm。
3
检验方法:灌砂法、灌水法、蜡封法。
3弯沉值,不得大于设计规定。
检查数量:按设计规定。
检验方法:每车道、每20m,测1点。
4面层厚度应符合设计规定,允许偏差为-5~+15mm。
检查数量:每1000m2抽检1点。
检验方法:钻孔或刨坑,用钢尺量。
一般项目
5表面应平整、坚实、石料嵌锁稳定、无明显高低差;嵌缝料、沥青应撒布均匀,无花白、积油,漏浇、浮料等现象,且不应污染其他构筑物。
检查数量:全数检查。
检验方法:观察。
6沥青贯入式面层允许偏差应符合表9.4.1的规定。
表9.4.1沥青贯入式面层允许偏差
9.4.2沥青表面处治施工质量检验应符合下列规定:
主控项目
1沥青、乳化沥青的品种、指标、规格应符合设计和本规范的有关规定。
检查数量:按进场批次。
检验方法:查出厂合格证、出厂检验报告、进场检验报告。
一般项目
2集料应压实平整,沥青应洒布均匀、无露白,嵌缝料应撒铺、扫墁均匀,不应有重叠现象。
3沥青表面处治允许偏差应符合表9.4.2的规定。
表9.4.2沥青表面处治允许偏差。
热拌沥青混合料面层质量检验应符合下列规定:主控项目1)沥青混合料面层压实度,对城市快速路、主干路不应小于96%;对次干路及以下道路不应小于95%。
检查数量:每1000m2测1点。
检验方法:查试验记录(马歇尔击实试件密度,试验室标准密度)。
2)面层厚度应符合设计规定,允许偏差为+10~-5mm。
检查数量:每1000m2测1点。
检验方法:钻孔或刨挖,用钢尺量。
3)弯沉值,不应大于设计规定。
检查数量:每车道、每20m,测1点。
检验方法:弯沉仪检测。
一般项目3表面应平整、坚实,接缝紧密,无枯焦;不应有明显轮迹、推挤裂缝、脱落、烂边、油斑、掉渣等现象,不得污染其他构筑物。
面层与路缘石、平石及其他构筑物应接顺,不得有积水现象。
检查数量:全数检查。
检验方法:观察。
4热拌沥青混合料面层允许偏差应符合表8.5.1的规定。
表8.5.1 热拌沥青混合料面层允许偏差注:1 测平仪为全线每车道连续检测每100m计算标准差σ;无测平仪时可采用3m直尺检测;表中检验频率点数为测线数;2 平整度、抗滑性能也可采用自动检测设备进行检测;3 底基层表面、下面层应按设计规定用量洒泼透层油、粘层油;4 中面层、底面层仅进行中线偏位、平整度、宽度、横坡的检测;5 改性(再生)沥青混凝土路面可采用此表进行检验;6 十字法检查井框与路面高差,每座检查井均应检查。
十字法检查中,以平行于道路中线,过检查井盖中心的直线做基线,另一条线与基线垂直,构成检查用十字线。
9.4 检验标准9.4.1 沥青贯入式面层质量检验应符合下列规定:主控项目1沥青、乳化沥青、集料、嵌缝料的质量应符合设计及本规范的有关规定。
检查数量:按不同材料进场批次,每批次1次。
检验方法:查出厂合格证及进场复检报告。
2压实度不应小于95%。
检查数量:每1000m2抽检1点。
检验方法:灌砂法、灌水法、蜡封法。
3弯沉值,不得大于设计规定。
检查数量:按设计规定。
检验方法:每车道、每20m,测1点。
热拌沥青混合料面层质量检验应符合下列规定:
主控项目
1)沥青混合料面层压实度,对城市快速路、主干路不应小于96%;对次干路及以下道路不应小于95%。
检查数量:每1000m2测1点。
检验方法:查试验记录(马歇尔击实试件密度,试验室标准密度)。
2)面层厚度应符合设计规定,允许偏差为+10~-5mm。
3
检验方法:灌砂法、灌水法、蜡封法。
3弯沉值,不得大于设计规定。
检查数量:按设计规定。
检验方法:每车道、每20m,测1点。
4面层厚度应符合设计规定,允许偏差为-5~+15mm。
检查数量:每1000m2抽检1点。
检验方法:钻孔或刨坑,用钢尺量。
一般项目
5表面应平整、坚实、石料嵌锁稳定、无明显高低差;嵌缝料、沥青应撒布均匀,无花白、积油,漏浇、浮料等现象,且不应污染其他构筑物。
检查数量:全数检查。
检验方法:观察。
6沥青贯入式面层允许偏差应符合表9.4.1的规定。
表9.4.1沥青贯入式面层允许偏差
9.4.2沥青表面处治施工质量检验应符合下列规定:
主控项目
1沥青、乳化沥青的品种、指标、规格应符合设计和本规范的有关规定。
检查数量:按进场批次。
检验方法:查出厂合格证、出厂检验报告、进场检验报告。
一般项目
2集料应压实平整,沥青应洒布均匀、无露白,嵌缝料应撒铺、扫墁均匀,不应有重叠现象。
3沥青表面处治允许偏差应符合表9.4.2的规定。
表9.4.2沥青表面处治允许偏差。
主控项目1)沥青混合料面层压实度,对城市快速路、主干路不应小于96%;对次干路及以下道路不应小于95%。
检查数量:每1000m2测1点。
检验方法:查试验记录(马歇尔击实试件密度,试验室标准密度)。
2)面层厚度应符合设计规定,允许偏差为+10~-5mm。
检查数量:每1000m2测1点。
检验方法:钻孔或刨挖,用钢尺量。
3)弯沉值,不应大于设计规定。
检查数量:每车道、每20m,测1点。
检验方法:弯沉仪检测。
一般项目3表面应平整、坚实,接缝紧密,无枯焦;不应有明显轮迹、推挤裂缝、脱落、烂边、油斑、掉渣等现象,不得污染其他构筑物。
面层与路缘石、平石及其他构筑物应接顺,不得有积水现象。
检查数量:全数检查。
检验方法:观察。
4热拌沥青混合料面层允许偏差应符合表8.5.1的规定。
表8.5.1 热拌沥青混合料面层允许偏差注:1 测平仪为全线每车道连续检测每100m计算标准差σ;无测平仪时可采用3m直尺检测;表中检验频率点数为测线数;2 平整度、抗滑性能也可采用自动检测设备进行检测;3 底基层表面、下面层应按设计规定用量洒泼透层油、粘层油;4 中面层、底面层仅进行中线偏位、平整度、宽度、横坡的检测;5 改性(再生)沥青混凝土路面可采用此表进行检验;6 十字法检查井框与路面高差,每座检查井均应检查。
十字法检查中,以平行于道路中线,过检查井盖中心的直线做基线,另一条线与基线垂直,构成检查用十字线。
检验标准9.4.1 沥青贯入式面层质量检验应符合下列规定:主控项目1沥青、乳化沥青、集料、嵌缝料的质量应符合设计及本规范的有关规定。
检查数量:按不同材料进场批次,每批次1次。
检验方法:查出厂合格证及进场复检报告。
2压实度不应小于95%。
检查数量:每1000m2抽检1点。
检验方法:灌砂法、灌水法、蜡封法。
3弯沉值,不得大于设计规定。
检查数量:按设计规定。
检验方法:每车道、每20m,测1点。
4面层厚度应符合设计规定,允许偏差为-5~+15mm。
H IGHWAY现代公路路面平整度是检验道路质量好坏的一项重要指标,它是指道路结构各个层次表面相对于理想设计面凹凸不平的程度。
公路的等级越高,车速越高,对路面平整度的要求也越高。
路面平整度的好坏,不但直接影响到行车安全、舒适和车辆的行驶性能以及营运经济性,而且路面的不平整使行驶车辆的附加振动作用又反过来对路面施加冲击力,从而加剧路面的损坏。
路面平整度随着施工技术的发展正在不断提高,对于目前的施工工艺、设备、材料等来说,高等级公路沥青路面上的平整度可以而且有可能达到一个新水平。
平整度虽然只是众多技术指标中的一项,但对于使用功能来讲其影响很大,影响它的因素也很多。
就沥青路面的施工而言,每一个环节都有密切关系,对其中某一环节控制失误,都将使沥青路面的平整度受到不同程度的影响或损害。
在此,就沥青路面平整度方面的一些影响因素做一简要分析,以便在沥青路面的施工中能够引起重视。
基层平整度对上层平整度的影响众所周知,基层越平,对摊铺平整度越有利。
这是由于摊铺沥青混凝土时,其松铺厚度接近,碾压后能同步密实。
但仅基层有较好的平整度,仍无法保证面层平整度,因为基层的横坡与纵断高程在很大程度上影响着面层的平整度。
《公路工程质量检验评定标准》规定基层横坡允许偏差为0.3%,以12m宽路面计算,两边线高差为7.2cm,纵断高程允许偏差为5~10mm,累计有15mm高差。
以上两条,在基层局部范围内其平整度完全可以很好,而且完全满足《公路工程质量检验评定标准》要求,但在此种情况下根据设计纵断高程铺筑面层时,沥青混凝土不是超厚,就是厚度不足,这对沥青混凝土面层平整度影响很大,如只控制厚度,非但整体平整度差,而且还可能出现路面排水问题。
因此严格控制基层纵断高程和横坡,尽可能减少偏差,无疑是保证面层平整度的重要因素。
摊铺作业的影响从摊铺机浮动摊铺工作原理来看,熨平板的牵引点是在厚度刻度尺下的调平活动塞杆上,这个牵引点升高则熨平板上浮,厚度增加,牵引点下降则熨平板下浮,厚度减小。
沥青摊铺厚度允许偏差
【最新版】
目录
1.沥青摊铺厚度允许偏差的背景和原因
2.沥青摊铺厚度允许偏差的具体标准
3.沥青摊铺厚度偏差的控制方法
4.结论
正文
一、沥青摊铺厚度允许偏差的背景和原因
沥青摊铺是道路建设中的一个重要环节,其厚度的准确性对于道路的使用寿命和性能有着至关重要的影响。
然而,在实际施工过程中,由于各种原因,例如施工条件的变化、测量误差等,沥青摊铺厚度往往会出现偏差。
为了保证道路的质量和使用寿命,规定了沥青摊铺厚度的允许偏差。
二、沥青摊铺厚度允许偏差的具体标准
根据我国相关规范,市政路面的允许偏差是设计厚度的(10,5mm)。
具体来说,对于粗粒式、中粒式、细粒式沥青混凝土路面,其厚度允许偏差分别为设计厚度的 5%、7% 和 10%。
此外,不同国家和地区的规定可能略有不同,需要根据具体情况进行调整。
三、沥青摊铺厚度偏差的控制方法
尽管允许存在一定的偏差,但为了保证道路的质量,还是需要尽可能地控制沥青摊铺厚度的偏差。
以下是一些控制方法:
1.委托检测机构进行检测和评定,根据检测结果进行相应的处理。
2.对于自建、临时或其他非重要工程,可以自行进行针刺厚度试验,并将试验数据与验收规范进行比对,如果厚度误差符合规范要求,则无需
进行处理;否则,需要另行加铺沥青并重新摊压碾铺,直至厚度达到要求。
3.在施工过程中,通过调整摊铺机的平衡梁,控制摊铺厚度,确保其符合要求。
四、结论
总的来说,沥青摊铺厚度的允许偏差是为了适应实际施工条件的变化,保证道路的质量和使用寿命。
热拌沥青混合料面层质量检验应符合下列规定:主控项目1)沥青混合料面层压实度,对城市快速路、主干路不应小于96%;对次干路及以下道路不应小于95%。
检查数量:每1000m2测1点。
检验方法:查试验记录(马歇尔击实试件密度,试验室标准密度)。
2)面层厚度应符合设计规定,允许偏差为+10~-5mm。
检查数量:每1000m2测1点。
检验方法:钻孔或刨挖,用钢尺量。
3)弯沉值,不应大于设计规定。
检查数量:每车道、每20m,测1点。
检验方法:弯沉仪检测。
一般项目3表面应平整、坚实,接缝紧密,无枯焦;不应有明显轮迹、推挤裂缝、脱落、烂边、油斑、掉渣等现象,不得污染其他构筑物。
面层与路缘石、平石及其他构筑物应接顺,不得有积水现象。
检查数量:全数检查。
检验方法:观察。
4热拌沥青混合料面层允许偏差应符合表8.5.1的规定。
表8.5.1 热拌沥青混合料面层允许偏差注:1 测平仪为全线每车道连续检测每100m计算标准差σ;无测平仪时可采用3m直尺检测;表中检验频率点数为测线数;2 平整度、抗滑性能也可采用自动检测设备进行检测;3 底基层表面、下面层应按设计规定用量洒泼透层油、粘层油;4 中面层、底面层仅进行中线偏位、平整度、宽度、横坡的检测;5 改性(再生)沥青混凝土路面可采用此表进行检验;6 十字法检查井框与路面高差,每座检查井均应检查。
十字法检查中,以平行于道路中线,过检查井盖中心的直线做基线,另一条线与基线垂直,构成检查用十字线。
检验标准9.4.1 沥青贯入式面层质量检验应符合下列规定:主控项目1沥青、乳化沥青、集料、嵌缝料的质量应符合设计及本规范的有关规定。
检查数量:按不同材料进场批次,每批次1次。
检验方法:查出厂合格证及进场复检报告。
2压实度不应小于95%。
检查数量:每1000m2抽检1点。
检验方法:灌砂法、灌水法、蜡封法。
3弯沉值,不得大于设计规定。
检查数量:按设计规定。
检验方法:每车道、每20m,测1点。
沥青混凝土路面厚度检测
规范《公路工程质量检验评定标准》(JTG80(1)-2004)
《公路路基路面现场测试规程》(JTG-E60-2008)
路面厚度总厚度≤60mm时,允许偏差分别为-5mm和-10mm;总厚度>60mm时,允许偏差分别为-8%和-15%的总厚度,H为总厚度(mm)。
前一数值为代表值,后一数值为合格值要求。
按双车道每200m检测一个点进行。
检测方法:采用100mm取芯机取芯(如仅测厚度,可采用50mm取芯机取芯),必须取至芯样底部,取出芯样后用正十字形标记在芯样表面标记,并从正十字开标记端部测量该芯样的4个厚度,
取平均值为该芯样厚度(精确至1mm)。
H.0.4
H.0.5。
热拌沥青混合料面层质量检验应符合下列规定:主控项目1)沥青混合料面层压实度,对城市快速路、主干路不应小于96%;对次干路及以下道路不应小于95%。
检查数量:每1000m2测1点。
检验方法:查试验记录(马歇尔击实试件密度,试验室标准密度)。
2)面层厚度应符合设计规定,允许偏差为+10~-5mm。
检查数量:每1000m2测1点。
检验方法:钻孔或刨挖,用钢尺量。
3)弯沉值,不应大于设计规定。
检查数量:每车道、每20m,测1点。
检验方法:弯沉仪检测。
一般项目3表面应平整、坚实,接缝紧密,无枯焦;不应有明显轮迹、推挤裂缝、脱落、烂边、油斑、掉渣等现象,不得污染其他构筑物。
面层与路缘石、平石及其他构筑物应接顺,不得有积水现象。
检查数量:全数检查。
检验方法:观察。
4热拌沥青混合料面层允许偏差应符合表8.5.1的规定。
表8.5.1 热拌沥青混合料面层允许偏差注:1 测平仪为全线每车道连续检测每100m计算标准差σ;无测平仪时可采用3m直尺检测;表中检验频率点数为测线数;2 平整度、抗滑性能也可采用自动检测设备进行检测;3 底基层表面、下面层应按设计规定用量洒泼透层油、粘层油;4 中面层、底面层仅进行中线偏位、平整度、宽度、横坡的检测;5 改性(再生)沥青混凝土路面可采用此表进行检验;6 十字法检查井框与路面高差,每座检查井均应检查。
十字法检查中,以平行于道路中线,过检查井盖中心的直线做基线,另一条线与基线垂直,构成检查用十字线。
检验标准9.4.1 沥青贯入式面层质量检验应符合下列规定:主控项目1沥青、乳化沥青、集料、嵌缝料的质量应符合设计及本规范的有关规定。
检查数量:按不同材料进场批次,每批次1次。
检验方法:查出厂合格证及进场复检报告。
2压实度不应小于95%。
检查数量:每1000m2抽检1点。
检验方法:灌砂法、灌水法、蜡封法。
3弯沉值,不得大于设计规定。
检查数量:按设计规定。
检验方法:每车道、每20m,测1点。