员工调动转岗工作交接表制度范本格式
- 格式:docx
- 大小:10.62 KB
- 文档页数:3
工作交接表格式范本在工作中,人员的流动和岗位的变动是常有的事。
为了确保工作的连续性和稳定性,一份清晰、全面的工作交接表就显得尤为重要。
工作交接表不仅能够帮助新员工快速熟悉工作内容,还能避免因人员变动导致的工作失误和信息丢失。
下面为大家提供一份工作交接表的格式范本,希望能对大家有所帮助。
一、工作交接表的表头1、交接日期:填写工作交接的具体日期。
2、交接人:填写即将离开岗位的员工姓名。
3、接手人:填写即将接手工作的员工姓名。
4、监交人:通常为部门负责人或上级领导,负责监督交接过程。
二、工作交接概述1、工作岗位名称:明确交接的工作岗位。
2、工作内容简述:简要介绍该岗位的主要工作职责和工作范围。
三、工作文件及资料交接1、重要文件清单:列出工作中涉及的重要文件,包括文件名称、存储位置(如文件夹、电脑路径等)。
2、电子资料:如相关的文档、表格、报告等,注明所在的网盘、邮箱或电脑硬盘位置,并提供登录账号和密码(如有)。
3、纸质资料:详细描述纸质资料的名称、数量、存放位置。
四、工作流程交接1、日常工作流程:按照时间顺序或工作步骤,详细描述每天、每周、每月等周期性的工作流程。
2、特殊工作流程:针对非常规性的、重要的或复杂的工作流程,进行单独的详细说明,包括流程的起点、终点、涉及的人员和部门、关键环节和注意事项等。
五、工作联系人交接1、内部联系人:列出与该岗位工作密切相关的公司内部人员姓名、部门、联系电话和主要沟通事项。
2、外部联系人:如供应商、客户等,提供姓名、单位、联系电话、合作事项和沟通频率等信息。
六、工作待办事项交接1、未完成的工作任务:详细描述任务的内容、进展情况、预计完成时间和相关要求。
2、正在进行中的项目:介绍项目的背景、目标、当前阶段、下一步计划和需要关注的重点问题。
七、工作工具及设备交接1、办公设备:如电脑、打印机、复印机等,注明设备的型号、编号和使用状态。
2、工具软件:列出工作中常用的软件名称、版本、登录账号和密码(如有)。
工作交接表格式范本一、交接人信息。
姓名,XXX。
部门,XXX。
职务,XXX。
联系方式,XXX。
二、接收人信息。
姓名,XXX。
部门,XXX。
职务,XXX。
联系方式,XXX。
三、交接时间。
开始日期,XXXX年XX月XX日。
结束日期,XXXX年XX月XX日。
四、工作内容交接。
1. 项目/任务交接。
a. 项目/任务名称,XXXX。
b. 项目/任务描述,XXXX。
c. 完成进度,XXXX。
d. 遗留问题/需要注意事项,XXXX。
2. 客户信息交接。
a. 客户名称,XXXX。
b. 客户联系方式,XXXX。
c. 客户需求/投诉,XXXX。
d. 客户关系维护事项,XXXX。
3. 文件资料交接。
a. 文件名称,XXXX。
b. 文件内容,XXXX。
c. 文件存储位置,XXXX。
d. 文件重要性及保密级别,XXXX。
4. 工作流程交接。
a. 工作流程描述,XXXX。
b. 工作流程中需要注意的事项,XXXX。
c. 工作流程中的难点及解决方案,XXXX。
五、其他事项。
1. 工作交接过程中需要特别注意的事项,XXXX。
2. 需要特别说明的事项,XXXX。
3. 其他需要交接的工作内容,XXXX。
六、交接确认。
交接人签名,__________ 日期,XXXX年XX月XX日。
接收人签名,__________ 日期,XXXX年XX月XX日。
七、备注。
1. 本交接表为正式有效文档,交接人和接收人需妥善保管。
2. 如有其他需要补充的内容,请另行添加备注。
以上即为工作交接表格式范本,希望能够对大家在工作交接过程中提供一定的帮助。
在交接工作时,一定要做到清晰明了,确保对接收人能够提供充分的信息和支持,以便顺利完成工作交接。
同时,也希望大家在工作中能够做好记录和交接,确保工作的连续性和高效性。
姓名:调动前单位(部门):调动前岗位:
调动时间:调动后单位(部门):调动后岗位:
调动原因:
交接办理部门意见手续提示
所在单位(部门)
工作交接情况接收人:
审核人:□工作内容
□未完及待办事项
□与工作相关的社会公共关系
□文件资料(含纸质文档及电子文档)□办公用品
财务部门经办人:
审核人:□归还所借备用金、借支金□各类欠款
人事行政部门
经办人:
审核人:□归还固定资产(电脑及相关设备、资料柜、办公桌、办公室钥匙、办公桌钥匙等)
□归还所借书籍,胸卡、钥匙及其他公物
□社会保险和商业保险处理方式
说明:1、此表原件将由人事行政中心存档,调动员工本人复印一份留存;
2、交接事项包含但不限于表中所述内容,员工调动岗位时,需按上述事项办理交接,工作交接流程原则上以原单位(部门)→财务部门→人行部门为顺序,所列事项全部由审核人签字确认后,视为交接办理完毕,方可正式到新单位(新岗位)报到;未办理完善者,暂时不予调动;
3、接收人一般指调离岗位的接任者。
经办人指财务部门、人行部门相关负责人,审核人为接收人/经办人的直接上级。
员工调岗交接表
员工调岗交接表
日期:______________________
部门:______________________
调岗员工:______________________
调岗前岗位:______________________
调岗后岗位:______________________
交接人员:______________________
交接日期:______________________
交接事项:
1. 调岗员工的工作职责和任务:
- 详细描述调岗员工在调岗前的工作职责和任务。
2. 调岗员工的工作进展情况:
- 概述调岗员工在调岗前的工作进展情况,包括进行中的项目、任务和工作进度。
3. 调岗后岗位的工作职责和任务:
- 详细描述调岗员工在调岗后的工作职责和任务。
4. 调岗后岗位的工作进展情况:
- 概述调岗员工在调岗后的工作进展情况,包括进行中的项目、任务和工作进度。
5. 交接事项和注意事项:
- 列出需要交接的事项和注意事项,包括需要传达的信息、文件、工具、联系
人等。
6. 交接日期和方式:
- 确定交接的日期和方式,包括面对面交接、书面交接或其他形式。
7. 其他备注:
- 在此处添加任何其他相关信息或备注。
请调岗员工和交接人员在交接表上签字确认。
调岗员工应在交接完成后,尽快适应新岗位并履行新的工作职责和任务。
交接人员应提供必要的支持和指导,确保顺利过渡。
备注:此交接表仅作为参考,实际交接内容可能因岗位不同而有所差异。
请根据具体情况进行调整和完善。
员工工作交接表
员工工作交接表
工作交接是确保组织运转顺利的重要环节。
为了确保员工离职或转岗时的工作平稳过渡,以下是员工工作交接表,用于记录员工工作内容和交接事项。
1. 员工信息:
- 姓名:
- 部门:
- 职位:
- 离职日期/转岗日期:
2. 工作内容:
- 列出员工负责的主要工作内容和职责。
3. 项目/任务:
- 列出员工当前正在进行的项目和任务。
- 确定项目进展情况和下一步行动计划。
4. 文件和文档:
- 确保员工将工作相关的文件和文档整理完备。
- 提供文件和文档的存储位置和访问权限。
5. 重要联系人:
- 列出员工与其他部门或人员的主要联系人。
- 提供联系人的姓名、职位和联系方式。
6. 待办事项:
- 确定员工离职或转岗后需要继续处理的事项。
- 分配相应的责任人和工作进度。
7. 培训和知识传承:
- 确保新员工或接替员工工作的同事接受必要的培训。
- 提供相关的培训材料和资源。
8. 其他事项:
- 记录其他需要特别关注或处理的事项。
以上是员工工作交接表的内容,通过详细记录员工工作内容和交接事项,可以确保工作的平稳过渡,减少因员工离职或转岗而带来的影响。
人力资源行政专家应负责监督和协调员工工作交接过程,确保交接工作的顺利进行。
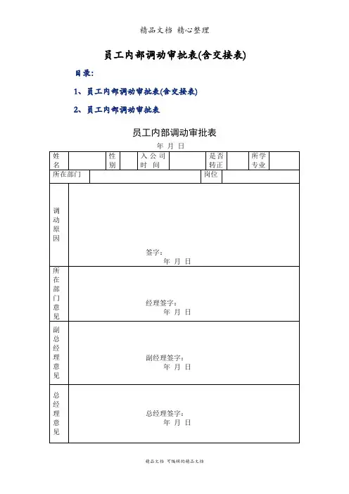
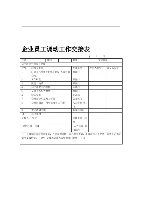
员工调动审批表、交接表1. 员工调动审批表
2. 员工交接表
2.1. 已调动员工交接表
2.2. 待调动员工交接安排
以上是关于员工调动审批表和交接表的内容。
员工调动审批表记录了员工的调动申请情况和审批结果,方便管理层进行审批和调度安排。
员工交接表记录了已调动员工和待调动员工的交接事项和相关人员安排,以确保工作的顺利进行。
这些表格可以用于公司的人力资源管理和员工调动流程。
请根据实际情况,填写员工调动审批表和交接表,并确保在员工调动过程中逐步完成相关事项。
员工调岗交接表员工调岗交接表
日期:_______
部门:_______
职位:_______
员工姓名:_______
调岗前岗位信息:
岗位名称:_______
岗位职责:_______
所需技能:_______
工作经验:_______
其他要求:_______
调岗后岗位信息:
岗位名称:_______
岗位职责:_______
所需技能:_______
工作经验:_______
其他要求:_______
调岗交接事项:
1. 工作任务交接:
- 详细列出当前岗位的工作任务和职责;
- 说明调岗后岗位的工作任务和职责;
- 确定交接时间和方式。
2. 知识和经验交接:
- 列出当前岗位的专业知识和经验;
- 确定如何将知识和经验传递给接任者;
- 确定培训计划和时间安排。
3. 资源和工具交接:
- 确定需要交接的工作文件、文档和资料;
- 确定如何传递工作相关的软件、系统和工具的使用方法;
- 确定交接过程中需要提供的支持和协助。
4. 团队和合作关系交接:
- 列出当前岗位与其他部门和同事的合作关系;
- 确定如何将合作关系交接给接任者;
- 确定是否需要安排会议或介绍接任者给相关人员。
5. 其他事项:
- 确定是否需要调整工作时间或地点;
- 确定是否需要进行其他调岗手续;
- 解答员工可能有的疑问和担忧。
请调岗员工和接任者共同填写以上信息,并在调岗交接过程中密切配合,确保工作的顺利进行。
如有任何问题,请及时与人力资源部门联系。