危险源点警示牌
- 格式:xls
- 大小:376.00 KB
- 文档页数:67
(安全生产)重大危险源安全警示牌重大危险源安全警示牌、危险物品安全周知牌和应急救援资料箱各有关单位:为深入贯彻“安全第一、预防为主、综合治理”的安全生产方针,强化对建筑工程重大危险源的监控,杜绝重特大建筑工程安全事故的发生,根据《建设工程安全生产管理条例》、《南京市建筑工程重大危险源安全监控管理暂行办法》的规定,实行重大危险源公示牌制度,并规范对建筑施工现场重大危险源的公示行为,特通知如下:一、危险性较大的分部分项工程施工前应按照《南京市建筑工程重大危险源安全监控管理暂行办法》的规定,在现场醒目位置进行公示。
二、公示牌的制作要求。
1.公示牌宜按照统一的样式、规格进行制作(详见附件一)。
2.公示牌画面宽度为2米,高度为1.5米,画面面积3平方米。
框架总高度2.7米,画面距地面1.2米。
三、加强对重大危险源公示的日常管理1.根据工程项目的具体情况,可相应增加公示牌内容。
2.公示牌的制作规格、样式,应根据实际情况及动态管理、长期置放、清楚方便的要求进行规范,能防雨、防晒、经久耐用。
遇有损坏或字迹不清的,要及时更换、维修或刷新。
您好!一、工作目标通过深化隐患排查治理,推进《国务院安委办关于进一步加强危险化学品安全生产工作的指导意见》(安委办〔2008〕26号)各项工作措施的落实,逐步提升我市危险化学品领域本质安全水平。
进一步完善安全隐患排查治理各项监管制度,明确安全监管责任,规范安全监管行为,提高安全监管效率,促进企业安全生产主体责任的真正落实,建立安全生产隐患排查治理的长效机制。
二、工作重点总结几年来危险化学品安全生产隐患排查治理工作经验,推广安全生产隐患排查治理工作富有成效的做法,推行“分级监管、分类监管”方式,突出安全监管重点、提高安全监管效率,制度化、规范化开展安全生产隐患排查治理工作。
以企业涉及化学品的危险特性、数量及工艺控制水平等固有危险程度为基础,考虑安全生产管理状况和附加安全因素,对本辖区企业按风险程度定性划分A、B、C 和D四类企业监管等级,对不同等级的企业分别实施不同频次的监督检查,并将C、D类企业列为隐患排查治理的重点对象,其中D类企业作为省或市级隐患挂牌督办对象,围绕今年隐患排查和专项整治工作目标的落实,其主要任务如下:(一)按照省局印发《关于规范全省危险化学品企业安全生产监督检查工作的意见》,各地确定并公布企业分级名单,制订检查工作计划,全年实施监督检查工作。
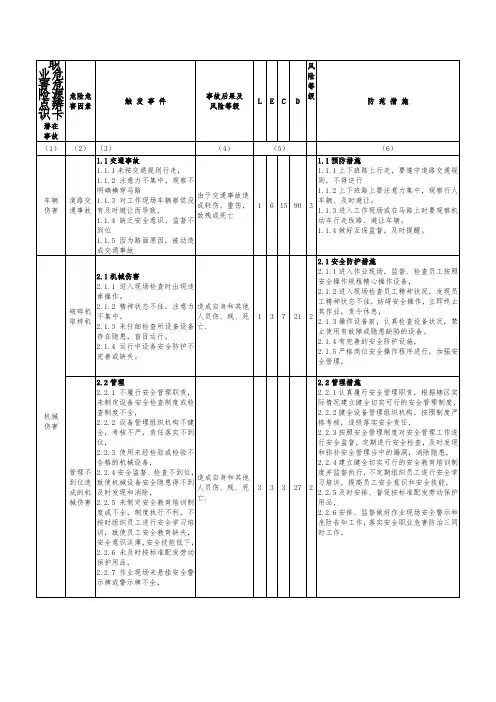
***重大危险源公示牌工程名称XX 核电 XX 宾馆改造施工单位杭州 XX 建筑特种工程有限公司项目经理建筑面积监理单位总监序 分部分项工程 号深基一坑工程临二时用电脚手三架工程吊装四作业¥¥¥重大危险源潜在的危险因素基坑发生整体或局部土体滑塌失稳,因 基坑土方超挖引起支护结构破坏,护壁 养护时间不够或末按规定做支护,造成 坍塌事故。
未实施三相五线制供电,未做到三级配 电二级保护,未做到一机一闸一漏一 箱。
由于架体基础及防护有缺陷或无防护 导致高处坠落,脚手板未满铺或未铺都 可能导致脚踩空造成人员高处坠落伤 害,由于脚手架搭设不符合要求,导致 架体倒塌造成人员伤害人物同吊 制动失灵 捆绑不牢 指挥失 误、特种作业无证操作,安装拆卸单位 无资质或违章操作,违犯“十不吊”规 定可能导致的事故坍塌事故触电事故高处坠落 物体打击整体倾覆 机械伤害 高处坠落 物体打击控制措施受控时间1、 编制施工方案2、 按规定进行专家论证 3、 做好作业前安全技术交底 4、 做好基坑变形监督基础施工全 过程5、加强安全防护检查1、 编制专项施工方案按程序报批审核,进行安全技术交底。
2、 电工持有效证件上岗进行安装、检查、 施工全过程维护3、配备合格适用的个人防护用品1、 编制专项施工方案,按程序报批审核,进行安全技术交底2、 由有资质的专业公司搭设,架子工持 施工全过程有效证件上岗进行搭设、检查、维护3、配备合格使用的个人防护用品1. 编制专项施工方案,按程序报批审核,进行安全交底2. 由有资质的专业企业进行安装、维护、并经有资质的检测机构检测合格施工全过程3. 操作工持有效证件上岗、检查、保养、做好运行保养记录4. 配备合格适用的个人防护用品毛 XX监控责任人施工员 安全员电工 安全员施工员 安全员租赁单位 安装单位 安全员***5. 绳索、卡具要合格,人物不准同吊。
实行统一指挥,加强现场监护临1、 做好“四口”“五临边”防护五边由于“四口”“五临边”安全防护有缺高处坠落2、 配备合格适用的个人防护用品施工全过程作陷导致高处坠落人员伤亡物体打击制定专人“四口”“五临边”防护检查维业修模模板坍塌1、编制施工方案,按程序报批审核,专案 安装、拆除六板混凝土构件浇注时因模板支撑失稳倒高处坠落论证,进行安全技术交底全工塌,及安装、拆除模板时坠落机械伤害2、配备合格适用的个人防护用品过程程3、定期检查、违章,发现及时督促整改电气焊作业引发火源、木工加工场易燃1、 建立动火许可制度,动火现场配备灭防火器材,专人看护七火场所、生活区使用大功率电器,线路、 电器起火火灾2、 宿舍严禁使用大功率电器,严禁私拉 施工全过程乱接仓库、食堂、 八饮水室火灾、爆炸、中毒火灾、爆炸、中 毒1、材料分类存放、标识情况;消防器 材配置情况。
xxx煤矿现场危险源辨识、风险评价警示牌长×宽=1米×0.8米,制作2块XXX煤矿现场危险源辨识、风险评价警示牌长×宽=1米×0.8米,制作1块长×宽=1米×0.8米,制作1块XXX煤矿现场危险源辨识、风险评价警示牌长×宽=1米×0.8米,制作2块XXX煤矿现场危险源辨识、风险评价警示牌长×宽=1米×0.8米,制作2块XXX煤矿现场危险源辨识、风险评价警示牌长×宽=0.8米×0.6米,制作1块XXX煤矿现场危险源辨识、风险评价警示牌长×宽=0.8米×0.6米,制作1块XXX煤矿现场危险源辨识、风险评价警示牌长×宽=0.8米×0.6米,制作1块XXX煤矿现场危险源辨识、风险评价警示牌长×宽=0.8米×0.6米,制作1块XXX煤矿现场危险源辨识、风险评价警示牌长×宽=0.8米×0.6米,制作1块XXX煤矿现场危险源辨识、风险评价警示牌长×宽=0.8米×0.6米,制作1块XXX煤矿现场危险源辨识、风险评价警示牌长×宽=0.8米×0.6米,制作2块XXX煤矿现场危险源辨识、风险评价警示牌长×宽=0.8米×0.6米,制作2块XXX煤矿现场危险源辨识、风险评价警示牌长×宽=0.8米×0.6米,制作1块XXX煤矿现场危险源辨识、风险评价警示牌(长×宽=0.8米×0.6米,制作1块)XXX煤矿现场危险源辨识、风险评价警示牌长×宽=0.8米×0.6米,制作1块XXX煤矿现场危险源辨识、风险评价警示牌长×宽=0.8米×0.6米,制作1块XXX煤矿现场危险源辨识、风险评价警示牌长×宽=0.8米×0.6米,制作1块XXX煤矿现场危险源辨识、风险评价警示牌长×宽=0.8米×0.6米,制作1块XXX煤矿现场危险源辨识、风险评价警示牌长×宽=0.8米×0.6米,制作1块XXX煤矿现场危险源辨识、风险评价警示牌长×宽=0.8米×0.6米,制作1块XXX煤矿现场危险源辨识、风险评价警示牌长×宽=0.8米×0.6米,制作1块XXX煤矿现场危险源辨识、风险评价警示牌长×宽=0.8米×0.6米,制作1块XXX煤矿重大安全风险管控措施公示牌长×宽=0.8米×0.6米,制作1块。
序号危险源及后果等级标准及措施1 未对综掘机及其安全保护装置进行检查,开机作业,造成人员伤害重大1.开机前检查掘进机紧固件,保证不得出现松动现象;及时更换损坏的截齿;保证照明、喷雾及各部油位正常;随时检查各操作手把、按钮,保证操作手把、按钮灵活可靠。
2.综掘机安全保护装置齐全可靠,整定合格,安全闭锁及急停装置齐全可靠2 未检查顶、帮状况等环境情况,造成人员伤害重大1.开机作业前认真进行敲帮问顶,及时处理顶、帮活煤(矸石)。
2.检查顶帮支护是否符合作业规程规定。
发现问题及时处理。
3 空顶作业,冒顶片帮伤人重大1.严禁进入空顶区域内作业,迎头必须设临时支护,支护与未支护区域设置警示标志。
2.迎头控顶距不超过作业规程规定。
4 综掘机周围5米范围内有人,开机作业,造成人员伤害重大开机前检查确认综掘机工作范围和运输机摆动范围及两侧无人员。
5 停机后不停电、闭锁、上锁;未将铲煤板和截割头落地,电伤害,误操作机械伤害中等停机时将铲板和截割头落地,停机后断开电源、及时闭锁、上锁。
6 更换液压元件时,未对液压系统进行卸压,造成作业人员伤害中等在断开任何液压管路前必须释放压力。
7 工作面停风后,不立即停止作业撤到安全地点,瓦斯超限,危及安全中等停风后立即停止作业撤到安全地带,逐级汇报,设置警示栅栏。
8 不按规程规定的进刀方式和工艺流程操作,巷道成型差,超、欠挖超标中等1.加强安全技术技能培训。
2.严格落实责任,严格按照规程规定的进刀方式和割煤工艺流程掘进。
9 无入井检验合格证开机入井,未对综掘机及负荷电缆等进行完好确认,开机升入井或搬运,电伤害,其他伤害中等1.综掘机入井必须有机电部门签发的入井检验合格证。
2.综掘机升入井或搬运前必须检查综掘机及负荷电缆等的完好情况,发现问题及时处理。
10 机载其他设备设施固定不牢固、不完好,开机作业,机械或电伤害中等1.机载其他设备设施布置合理,固定牢固可靠。
2.机载其他设备设施要经常处于完好状态。
责任单位:制造分厂危险因素:触电事故;发生电气线路短路爆炸或火灾;雷击防范措施:严格执行操作规程,配备干粉灭火器,变压器室外配备防护栏,挂有安全标识警示牌,严禁线路乱拉乱挂,严禁烟火和易燃易爆物品存放,并做好防鼠、防蛇、放飞鸟等动物工作,定期检测避雷装置。
数量:10(附:名称A线窑头一层电气室,A线窑头二层电气室,A线窑尾电气室,A线原料粉磨电气室,B线窑头一层电气室,B 线窑头二层电气室,B线窑尾电气室,B线原料粉磨电气室,原料调配电气室,原煤电气室)压力容器责任单位:各相关部门危险因素:爆炸、烫伤防范措施:各水压表、压力表应控制在安全允许范围内;安全阀、排污阀要灵活,并做好水质处理;安全阀和压力表要定期校验,确保安全使用。
须持证上岗,严格执行操作规程。
数量:1原煤卸车责任单位:制造分厂危险因素:火灾、爆炸防范措施:控制煤磨进、出口、袋收尘锥部及煤粉仓温度在安全范围内,系统严禁烟火,巡检人员应会使用灭火消防器材,动火作业须事先到生产处办理动火证,做好防范,保持磨房内清洁,溢出煤粉及时清理,并查找冒灰点进行密封处理。
数量:1责任单位:制造分厂危险因素:火灾、爆炸、CO中毒防范措施:控制煤磨进、出口、袋收尘锥部及煤粉仓温度在安全范围内,系统严禁烟火,巡检人员应会使用灭火消防器材,动火作业须事先到生产处办理动火证,进入设备内部时必须使用安全电源,做好防范,保持磨房内清洁,溢出煤粉及时清理,并查找冒灰点进行密封处理,磨机停机后要有足够时间,彻底排出CO气体才能进行作业。
数量:1煤堆场责任单位:制造分厂危险因素:火灾、爆炸防范措施:控制煤磨进、出口、袋收尘锥部及煤粉仓温度在安全范围内,系统严禁烟火,巡检人员应会使用灭火消防器材,动火作业须事先到生产处办理动火证,做好防范,保持磨房内清洁,溢出煤粉及时清理,并查找冒灰点进行密封处理。
数量:1煤磨袋收尘责任单位:制造分厂危险因素:CO中毒;爆炸防范措施:检修时要将灰斗内积煤清理干净才能进行电焊等作业,严格按操作规程作业;生产过程中要控制好差压和温度;严禁烟火;数量:2仓(库),增湿塔责任单位:制造分厂危险因素:烫伤、机械伤害、高空坠落防范措施:作业时必须有三人以上,专人监护,并系好安全带及安全绳,遵循“从上向下”清理的原则,领导到位,统一指挥,根据堵塞情况制定清理方案和安全防护措施后进行实施。
危险源点安全警示牌作业名称:隧道洞口施工危险等级:二级事故种类:高处坠落、坍塌、爆炸、机械伤害、物体打击、触电防护措施:根据现场实际地质、地形制定合理完善的施工方案;检查边、仰坡的山体稳定情况,清除悬石、危石;处理好洞顶的地表水,及时开挖排水沟、截水沟;洞口严禁采用大爆破开挖,宜采用浅孔小台阶爆破;边、仰坡加固和防护及时,洞口开挖至设计标高后及时构筑排水设施和出水口。
责人人:检查周期:1、工区每天;2、项目部经常性;;3、公司不定期。
危险源点安全警示牌作业名称:洞身开挖作业危险等级:二级事故种类:爆炸、坍塌、突泥涌水、冒顶、噪声、粉尘、机械伤害、高处坠落、触电防护措施:制定完善的安全措施和应急救援预案并定期演练;作好超前地质预报和超前支护;作业前首先检查工作面是否处于安全状态,支护、拱顶是否稳定;作业人员相互配合并保持安全距离,检查各种工具是否完好,管路是否良好,连接是否牢固,钻杆是否弯曲、带伤,湿式凿岩设备的供水是否良好;检查钻孔平台是否稳定,是否铺满板;严禁在残眼中钻孔,严禁骑在风钻上作业。
责人人:检查周期:1、工区每天;2、项目部经常性;3、公司不定期。
危险源点安全警示牌作业名称:装渣和运输危险等级:三级事故种类:机械伤害、车辆伤害、物体打击防护措施:运输设备不得人货混装,装载机不得载人;运输车辆应停稳并制动,起动前鸣笛;动内严禁超载、超速,严禁疲劳驾驶;洞内必需开灯行驶,发现车辆、人员要会灯、鸣笛示警;弃渣场道路应平坦,在渣堆80CM处设挡木,防止车辆倾翻;洞内严禁停放车辆,如停放时,应设警示灯;严禁违章指挥、违章操作、违反劳动纪律。
责人人:检查周期:1、工区每天;2、项目部经常性;3、公司不定期。
危险源点安全警示牌作业名称:支护与衬砌危险等级:三级事故种类:坍塌、高处坠落、触电、机械伤害、火灾防护措施:洞身开挖后及时支护且支护质量合格;加强支护检查,特别是不良地质段的检查,发现支护变形或损坏,应立即加固并作好记录;量测人员发现数据有突变或变异后,应即时向技术人员汇报,并采取措施或通知施工人员撤离;坚持“随挖随支护”原则,地质不良时,应缩小支护工作面;各种机械转动部位设防护罩,电动机有接地装置,台车上的各种电源线绝缘良好,漏电保护齐全有效;台车工作台满铺木板,上下有爬梯,台车就位后,应用卡轨器固定在轨道上,防止溜车。
重大危险源安全警示牌、危险物品安全周知牌和应急救援资料箱各有关单位:为深入贯彻“安全第一、预防为主、综合治理”的安全生产方针,强化对建筑工程重大危险源的监控,杜绝重特大建筑工程安全事故的发生,根据《建设工程安全生产管理条例》、《南京市建筑工程重大危险源安全监控管理暂行办法》的规定,实行重大危险源公示牌制度,并规范对建筑施工现场重大危险源的公示行为,特通知如下:一、危险性较大的分部分项工程施工前应按照《南京市建筑工程重大危险源安全监控管理暂行办法》的规定,在现场醒目位置进行公示。
二、公示牌的制作要求。
1.公示牌宜按照统一的样式、规格进行制作(详见附件一)。
2.公示牌画面宽度为2米,高度为1.5米,画面面积3平方米。
框架总高度2.7米,画面距地面1.2米。
三、加强对重大危险源公示的日常管理1.根据工程项目的具体情况,可相应增加公示牌内容。
2.公示牌的制作规格、样式,应根据实际情况及动态管理、长期置放、清楚方便的要求进行规范,能防雨、防晒、经久耐用。
遇有损坏或字迹不清的,要及时更换、维修或刷新。
您好!一、工作目标通过深化隐患排查治理,推进《国务院安委办关于进一步加强危险化学品安全生产工作的指导意见》(安委办〔2008〕26号)各项工作措施的落实,逐步提升我市危险化学品领域本质安全水平。
进一步完善安全隐患排查治理各项监管制度,明确安全监管责任,规范安全监管行为,提高安全监管效率,促进企业安全生产主体责任的真正落实,建立安全生产隐患排查治理的长效机制。
二、工作重点总结几年来危险化学品安全生产隐患排查治理工作经验,推广安全生产隐患排查治理工作富有成效的做法,推行“分级监管、分类监管”方式,突出安全监管重点、提高安全监管效率,制度化、规范化开展安全生产隐患排查治理工作。
以企业涉及化学品的危险特性、数量及工艺控制水平等固有危险程度为基础,考虑安全生产管理状况和附加安全因素,对本辖区企业按风险程度定性划分A、B、C和D四类企业监管等级,对不同等级的企业分别实施不同频次的监督检查,并将C、D类企业列为隐患排查治理的重点对象,其中D类企业作为省或市级隐患挂牌督办对象,围绕今年隐患排查和专项整治工作目标的落实,其主要任务如下:(一)按照省局印发《关于规范全省危险化学品企业安全生产监督检查工作的意见》,各地确定并公布企业分级名单,制订检查工作计划,全年实施监督检查工作。