重大危险源安全警示牌2
- 格式:doc
- 大小:280.50 KB
- 文档页数:4
附件1危险化学品重大危险源分级方法一、分级指标采用单元内各种危险化学品实际存在(在线)量与其在《危险化学品重大危险源辨识》(GB18218)中规定的临界量比值,经校正系数校正后的比值之和R 作为分级指标。
二、R 的计算方法⎪⎪⎭⎫ ⎝⎛+⋅⋅⋅++=n n n Q q Q q Q q R βββα222111 式中:q 1,q 2,…,q n —每种危险化学品实际存在(在线)量(单位:吨);Q 1,Q 2,…,Q n —与各危险化学品相对应的临界量(单位:吨);β1,β2…,βn — 与各危险化学品相对应的校正系数;α— 该危险化学品重大危险源厂区外暴露人员的校正系数。
三、校正系数β的取值根据单元内危险化学品的类别不同,设定校正系数β值,见表1和表2:注:危险化学品类别依据《危险货物品名表》中分类标准确定。
注:未在表2中列出的有毒气体可按β=2取值,剧毒气体可按β=4取值。
四、校正系数α的取值根据重大危险源的厂区边界向外扩展500米范围内常住人口数量,设定厂外暴露人员校正系数α值,见表3:根据计算出来的R值,按表4确定危险化学品重大危险源的级别。
附件2可容许风险标准一、可容许个人风险标准个人风险是指因危险化学品重大危险源各种潜在的火灾、爆炸、有毒气体泄漏事故造成区域内某一固定位置人员的个体死亡概率,即单位时间内(通常为年)的个体死亡率。
通常用个人风险等值线表示。
通过定量风险评价,危险化学品单位周边重要目标和敏感场所承受的个人风险应满足表1中可容许风险标准要求。
;<310-7;<110-6二、可容许社会风险标准社会风险是指能够引起大于等于N 人死亡的事故累积频率(F ),也即单位时间内(通常为年)的死亡人数。
通常用社会风险曲线(F-N 曲线)表示。
可容许社会风险标准采用ALARP (As Low As Reasonable Practice )原则作为可接受原则。
ALARP 原则通过两个风险分界线将风险划分为3个区域,即:不可容许区、尽可能降低区(ALARP )和可容许区。
2000危险源名称管理责任人欧阳磊重大危险源(38t/h循环流化床锅炉)安全38t/h循环流化床锅炉操作责任人 施荣圣 巢 明 ● 危险性:在锅炉运行过程中,由于受压元件的某些部位超过了材料的极限强度,薄弱处发生断裂,或是由于炉膛燃爆导致某些锅炉受压部件损坏,使得储存在锅炉中的水及蒸气立即从破口处冲出来,发生锅炉爆炸。
此时,由于锅内压力瞬间降至外界大气压力,锅内的饱和水立即剧烈汽化、膨胀,蒸汽也随之剧烈膨胀,造成压力再次升高,破口进一步扩大。
由于从破口处冲出的汽、水有很高的速度,形成强烈的冲击波,当与空气或地面接触后,便会产生强大的反作用力,使锅炉腾空而起或朝反作用力的方向运动、翻滚。
锅炉爆炸时所释放的能量除了很少一部分消耗在撕裂钢板、将部分碎片以及与锅炉相连的汽水管道、阀门和本体抛离原地外,其余大部分能量将以冲击波的形式作用于周围环境,造成建筑物的破坏及人员伤亡。
● 下列情况必须紧急停车:1、严重缺水、关闭汽包水位计汽阀后尚看不到水位时。
2、严重满水,水位计水位超过上部可见部分时。
3、受热面管爆破,不能维持水位时。
4、炉墙发裂而有倒塌危险或炉架横梁烧红时。
5、床温过高已造成炉内大面积结焦时。
● 紧急停炉操作步骤及注意事项(二)注意事项1、在爆管情况下应想方设法维持锅时以后方可停止进水)如爆管位置和层,并打开炉门,用自然通风方式加2、在不得已时,可采取机械强制通但必须经总工程师或生产科同意后才3、停炉后进行周密的检查工作,以可能引来的不正常现象。
● 预防措施1、把好锅炉的检验关。
锅炉每2年由验中就曾发现锅炉汽包接管与给水管外,车间每个月都要进行锅炉的外部自行对锅炉进行全面的内部检查。
2、确保安全附件的灵敏可靠。
(1)安全阀:每年至少校验一次;(2)压力表:每年至少校验一次;次。
易 发 事 故超压爆炸● 报 警 电 话● 防 护 措 施 :5、床温过高已造成炉内大面积结焦时。
6、所有水位计损坏时。
***重大危险源公示牌工程名称XX 核电 XX 宾馆改造施工单位杭州 XX 建筑特种工程有限公司项目经理建筑面积监理单位总监序 分部分项工程 号深基一坑工程临二时用电脚手三架工程吊装四作业¥¥¥重大危险源潜在的危险因素基坑发生整体或局部土体滑塌失稳,因 基坑土方超挖引起支护结构破坏,护壁 养护时间不够或末按规定做支护,造成 坍塌事故。
未实施三相五线制供电,未做到三级配 电二级保护,未做到一机一闸一漏一 箱。
由于架体基础及防护有缺陷或无防护 导致高处坠落,脚手板未满铺或未铺都 可能导致脚踩空造成人员高处坠落伤 害,由于脚手架搭设不符合要求,导致 架体倒塌造成人员伤害人物同吊 制动失灵 捆绑不牢 指挥失 误、特种作业无证操作,安装拆卸单位 无资质或违章操作,违犯“十不吊”规 定可能导致的事故坍塌事故触电事故高处坠落 物体打击整体倾覆 机械伤害 高处坠落 物体打击控制措施受控时间1、 编制施工方案2、 按规定进行专家论证 3、 做好作业前安全技术交底 4、 做好基坑变形监督基础施工全 过程5、加强安全防护检查1、 编制专项施工方案按程序报批审核,进行安全技术交底。
2、 电工持有效证件上岗进行安装、检查、 施工全过程维护3、配备合格适用的个人防护用品1、 编制专项施工方案,按程序报批审核,进行安全技术交底2、 由有资质的专业公司搭设,架子工持 施工全过程有效证件上岗进行搭设、检查、维护3、配备合格使用的个人防护用品1. 编制专项施工方案,按程序报批审核,进行安全交底2. 由有资质的专业企业进行安装、维护、并经有资质的检测机构检测合格施工全过程3. 操作工持有效证件上岗、检查、保养、做好运行保养记录4. 配备合格适用的个人防护用品毛 XX监控责任人施工员 安全员电工 安全员施工员 安全员租赁单位 安装单位 安全员***5. 绳索、卡具要合格,人物不准同吊。
实行统一指挥,加强现场监护临1、 做好“四口”“五临边”防护五边由于“四口”“五临边”安全防护有缺高处坠落2、 配备合格适用的个人防护用品施工全过程作陷导致高处坠落人员伤亡物体打击制定专人“四口”“五临边”防护检查维业修模模板坍塌1、编制施工方案,按程序报批审核,专案 安装、拆除六板混凝土构件浇注时因模板支撑失稳倒高处坠落论证,进行安全技术交底全工塌,及安装、拆除模板时坠落机械伤害2、配备合格适用的个人防护用品过程程3、定期检查、违章,发现及时督促整改电气焊作业引发火源、木工加工场易燃1、 建立动火许可制度,动火现场配备灭防火器材,专人看护七火场所、生活区使用大功率电器,线路、 电器起火火灾2、 宿舍严禁使用大功率电器,严禁私拉 施工全过程乱接仓库、食堂、 八饮水室火灾、爆炸、中毒火灾、爆炸、中 毒1、材料分类存放、标识情况;消防器 材配置情况。
烟台万华聚氨酯股份有限公司万华烟台工业园工程建设指挥部安全警示标志管理规定WHYT/ M-D08-22-2011目录1 目的.......................................... 错误!未定义书签。
2 范围.......................................... 错误!未定义书签。
3 职责.......................................... 错误!未定义书签。
HSE部......................................... 错误!未定义书签。
项目部/主责部门............................... 错误!未定义书签。
监理.......................................... 错误!未定义书签。
承包商........................................ 错误!未定义书签。
4 定义.......................................... 错误!未定义书签。
安全警示标志.................................. 错误!未定义书签。
安全标志...................................... 错误!未定义书签。
警示线........................................ 错误!未定义书签。
警示语句...................................... 错误!未定义书签。
重大危险源危险物质安全周知牌.................. 错误!未定义书签。
重大危险源安全警示牌.......................... 错误!未定义书签。
岗位职业危害告知卡............................ 错误!未定义书签。
连云港市泰卓新材料有限公司
氟化氢库区安全警示标志设置情况
一、设置安全警示牌的目的
设置重大危险源安全警示牌的目的是将构成重大危险源场所的危险物质、区域和危险性以及防护和应急处理等信息以标签或图示的形式表示出来,警示作业人员、管理人员和应急救援人员作业时进行
业,以达到保障安全和减少损失的目的。
二、重大危险源安全警示牌设置
公司储罐区氟化氢数量已构成重大危险源,设置重大危险源安全警示牌。
警示牌设置范围为氟化氢库区。
三、重大危险源安全警示牌形式和设置要求
重大危险源安全警示牌大小为30×40厘米、内容由禁止标志、警告标志、警示用语等组合构成。
安全警示牌设置在防火堤四周紧急出入口的墙面上。
四、与其配套的其它安全标志牌和资料要求
1、重大危险源危险物质安全周知牌。
重大危险源场所必须设置《重大危险源危险物质安全周知牌》。
紧靠贮存场所设置为140×120厘米的《重大危险源危险物质安全周知牌》,采用坚固耐用的铝合金材料制作,与金属柱体焊接牢固连接地面,保证非人为因素致使设置的安全警示牌损坏。
2、设置应急救援设施工艺图
在氟化氢库区南面设置泡沫消防设施工艺流程图和喷淋水工艺流程图,均为2*3米的不锈钢制作,与不锈钢柱体焊接牢固连接地面。
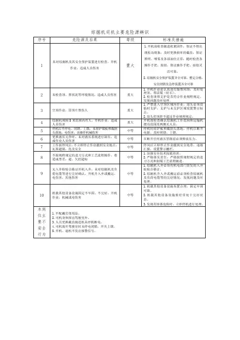
序号危险源及后果等级标准及措施1 未对综掘机及其安全保护装置进行检查,开机作业,造成人员伤害重大1.开机前检查掘进机紧固件,保证不得出现松动现象;及时更换损坏的截齿;保证照明、喷雾及各部油位正常;随时检查各操作手把、按钮,保证操作手把、按钮灵活可靠。
2.综掘机安全保护装置齐全可靠,整定合格,安全闭锁及急停装置齐全可靠2 未检查顶、帮状况等环境情况,造成人员伤害重大1.开机作业前认真进行敲帮问顶,及时处理顶、帮活煤(矸石)。
2.检查顶帮支护是否符合作业规程规定。
发现问题及时处理。
3 空顶作业,冒顶片帮伤人重大1.严禁进入空顶区域内作业,迎头必须设临时支护,支护与未支护区域设置警示标志。
2.迎头控顶距不超过作业规程规定。
4 综掘机周围5米范围内有人,开机作业,造成人员伤害重大开机前检查确认综掘机工作范围和运输机摆动范围及两侧无人员。
5 停机后不停电、闭锁、上锁;未将铲煤板和截割头落地,电伤害,误操作机械伤害中等停机时将铲板和截割头落地,停机后断开电源、及时闭锁、上锁。
6 更换液压元件时,未对液压系统进行卸压,造成作业人员伤害中等在断开任何液压管路前必须释放压力。
7 工作面停风后,不立即停止作业撤到安全地点,瓦斯超限,危及安全中等停风后立即停止作业撤到安全地带,逐级汇报,设置警示栅栏。
8 不按规程规定的进刀方式和工艺流程操作,巷道成型差,超、欠挖超标中等1.加强安全技术技能培训。
2.严格落实责任,严格按照规程规定的进刀方式和割煤工艺流程掘进。
9 无入井检验合格证开机入井,未对综掘机及负荷电缆等进行完好确认,开机升入井或搬运,电伤害,其他伤害中等1.综掘机入井必须有机电部门签发的入井检验合格证。
2.综掘机升入井或搬运前必须检查综掘机及负荷电缆等的完好情况,发现问题及时处理。
10 机载其他设备设施固定不牢固、不完好,开机作业,机械或电伤害中等1.机载其他设备设施布置合理,固定牢固可靠。
2.机载其他设备设施要经常处于完好状态。
附件1危险化学品重大危险源分级方法一、分级指标采用单元内各种危险化学品实际存在(在线)量与其在《危险化学品重大危险源辨识》(GB18218)中规定的临界量比值,经校正系数校正后的比值之和R 作为分级指标。
二、R 的计算方法⎪⎪⎭⎫ ⎝⎛+⋅⋅⋅++=n n n Q q Q q Q q R βββα222111式中:q 1,q 2,…,q n —每种危险化学品实际存在(在线)量(单位:吨);Q 1,Q 2,…,Q n —与各危险化学品相对应的临界量(单位:吨); -β1,β2…,βn — 与各危险化学品相对应的校正系数;α— 该危险化学品重大危险源厂区外暴露人员的校正系数。
三、校正系数β的取值根据单元内危险化学品的类别不同,设定校正系数β值,见表1和表2:注:危险化学品类别依据《危险货物品名表》中分类标准确定。
表2 常见毒性气体校正系数β值取值表注:未在表2中列出的有毒气体可按β=2取值,剧毒气体可按β=4取值。
四、校正系数α的取值根据重大危险源的厂区边界向外扩展500米范围内常住人口数量,设定厂外暴露人员校正系数α值,见表3:五、分级标准根据计算出来的R值,按表4确定危险化学品重大危险源的级别。
"附件2可容许风险标准一、可容许个人风险标准个人风险是指因危险化学品重大危险源各种潜在的火灾、爆炸、有毒气体泄漏事故造成区域内某一固定位置人员的个体死亡概率,即单位时间内(通常为年)的个体死亡率。
通常用个人风险等值线表示。
通过定量风险评价,危险化学品单位周边重要目标和敏感场所承受的个人风险应满足表1中可容许风险标准要求。
表1 可容许个人风险标准;<310-7;<110-6二、可容许社会风险标准%社会风险是指能够引起大于等于N 人死亡的事故累积频率(F ),也即单位时间内(通常为年)的死亡人数。
通常用社会风险曲线(F-N 曲线)表示。
可容许社会风险标准采用ALARP (As Low As Reasonable Practice )原则作为可接受原则。
附件1危险化学品重大危险源分级方法一、分级指标采用单元内各种危险化学品实际存在(在线)量与其在《危险化学品重大危险源辨识》(GB18218)中规定的临界量比值,经校正系数校正后的比值之和R 作为分级指标。
二、R 的计算方法⎪⎪⎭⎫ ⎝⎛+⋅⋅⋅++=n n n Q q Q q Q q R βββα222111式中:q 1,q 2,…,q n —每种危险化学品实际存在(在线)量(单位:吨);Q 1,Q 2,…,Q n —与各危险化学品相对应的临界量(单位:吨);β1,β2…,βn — 与各危险化学品相对应的校正系数; α— 该危险化学品重大危险源厂区外暴露人员的校正系数。
三、校正系数β的取值根据单元内危险化学品的类别不同,设定校正系数β值,见表1和表2:注:危险化学品类别依据《危险货物品名表》中分类标准确定。
注:未在表2中列出的有毒气体可按β=2取值,剧毒气体可按β=4取值。
四、校正系数α的取值根据重大危险源的厂区边界向外扩展500米范围内常住人口数量,设定厂外暴露人员校正系数α值,见表3:五、分级标准根据计算出来的R值,按表4确定危险化学品重大危险源的级别。
附件2可容许风险标准一、可容许个人风险标准个人风险是指因危险化学品重大危险源各种潜在的火灾、爆炸、有毒气体泄漏事故造成区域内某一固定位置人员的个体死亡概率,即单位时间内(通常为年)的个体死亡率。
通常用个人风险等值线表示。
通过定量风险评价,危险化学品单位周边重要目标和敏感场所承受的个人风险应满足表1中可容许风险标准要求。
表1 可容许个人风险标准二、可容许社会风险标准社会风险是指能够引起大于等于N 人死亡的事故累积频率(F ),也即单位时间内(通常为年)的死亡人数。
通常用社会风险曲线(F-N 曲线)表示。
可容许社会风险标准采用ALARP (As Low As Reasonable Practice )原则作为可接受原则。
ALARP 原则通过两个风险分界线将风险划分为3个区域,即:不可容许区、尽可能降低区(ALARP )和可容许区。
重大危险源安全警示牌、危险物品安全周知牌和应急救援资料箱各有关单位:为深入贯彻“安全第一、预防为主、综合治理”的安全生产方针,强化对建筑工程重大危险源的监控,杜绝重特大建筑工程安全事故的发生,根据《建设工程安全生产管理条例》、《南京市建筑工程重大危险源安全监控管理暂行办法》的规定,实行重大危险源公示牌制度,并规范对建筑施工现场重大危险源的公示行为,特通知如下:一、危险性较大的分部分项工程施工前应按照《南京市建筑工程重大危险源安全监控管理暂行办法》的规定,在现场醒目位置进行公示。
二、公示牌的制作要求。
1.公示牌宜按照统一的样式、规格进行制作(详见附件一)。
2.公示牌画面宽度为2米,高度为1.5米,画面面积3平方米。
框架总高度2.7米,画面距地面1.2米。
三、加强对重大危险源公示的日常管理1.根据工程项目的具体情况,可相应增加公示牌内容。
2.公示牌的制作规格、样式,应根据实际情况及动态管理、长期置放、清楚方便的要求进行规范,能防雨、防晒、经久耐用。
遇有损坏或字迹不清的,要及时更换、维修或刷新。
您好!一、工作目标通过深化隐患排查治理,推进《国务院安委办关于进一步加强危险化学品安全生产工作的指导意见》(安委办〔2008〕26号)各项工作措施的落实,逐步提升我市危险化学品领域本质安全水平。
进一步完善安全隐患排查治理各项监管制度,明确安全监管责任,规范安全监管行为,提高安全监管效率,促进企业安全生产主体责任的真正落实,建立安全生产隐患排查治理的长效机制。
二、工作重点总结几年来危险化学品安全生产隐患排查治理工作经验,推广安全生产隐患排查治理工作富有成效的做法,推行“分级监管、分类监管”方式,突出安全监管重点、提高安全监管效率,制度化、规范化开展安全生产隐患排查治理工作。
以企业涉及化学品的危险特性、数量及工艺控制水平等固有危险程度为基础,考虑安全生产管理状况和附加安全因素,对本辖区企业按风险程度定性划分A、B、C和D四类企业监管等级,对不同等级的企业分别实施不同频次的监督检查,并将C、D类企业列为隐患排查治理的重点对象,其中D类企业作为省或市级隐患挂牌督办对象,围绕今年隐患排查和专项整治工作目标的落实,其主要任务如下:(一)按照省局印发《关于规范全省危险化学品企业安全生产监督检查工作的意见》,各地确定并公布企业分级名单,制订检查工作计划,全年实施监督检查工作。
施工现场重大危险源、危险性较大工程公示牌施工单位负责人:时间:序 分部分项工程号重大危险源潜在的危险因素可能导致的事故控制措施受控时间滑1、 编制施工方案板高空滑板坠落,安全绳有起毛,断痕现2、 按规定进行专家论证一作象,滑板承重力,安全绳未做防护高空坠落3、 做好作业前安全技术交底业4、 做好安全检查5、加强安全防护检查施工工全 过程临1、 编制专项施工方案按程序报批审核,时未实施三相五线制供电,未做到三级配进行安全技术交底。
二用电二级保护,未做到一机一闸一漏一触电事故2、 电工持有效证件上岗进行安装、检查、 施工全过程电箱。
维护3、配备合格适用的个人防护用品脚由于架体基础及防护有缺陷或无防护1、 编制专项施工方案,按程序报批审核,手导致高处坠落,脚手板未满铺或未铺都进行安全技术交底高处坠落三架可能导致脚踩空造成人员高处坠落伤物体打击2、 由有资质的专业公司搭设,架子工持 施工全过程工害,由于脚手架搭设不符合要求,导致有效证件上岗进行搭设、检查、维护程架体倒塌造成人员伤害3、配备合格使用的个人防护用品1. 编制专项施工方案,按程序报批审核,进行安全交底吊选调平台上作业人数和堆放材料重量2. 由有资质的专业企业进行安装、维护、 并经有资质的检测机构检测合格篮四作之和超载,因工作钢丝绳使用时间较长 电动吊篮倾覆 造成疲劳损坏,3. 操作工持有效证件上岗、检查、保养、 施工全过程 做好运行保养记录业4. 配备合格适用的个人防护用品5. 安全绳、安全绳、钢丝绳要合格,人物不准同吊。
实行统一指挥,加强现监控责任人施工员 : 安全员:电 工: 安全员 :施工员: 安全员:租赁单位: 安装单位: 安全员:临边由于高空临边安全防护,有缺陷导致高五作处坠落人员伤亡业防电气焊作业引发火源、生活区使用大功六火率电器,线路、电器起火施工单位公示人程发职务高处坠落 物体打击火灾安全组场监护1、 做好临边防护措施 2、 配备合格适用的个人防护用品 3、正确使用安全带及安群措施施工全过程1、 建立动火许可制度,动火现场配备灭 火器材,专人看护2、 宿舍严禁使用大功率电器,严禁私拉 乱接施工全过程施工员 安全员施工员 安全员公示时间:年月日重大危险源公示牌 安全管理目标 文明施工规范 安全生产十大纪律 施工现场十不准 十项安全技术措施 安全生产十大禁令 施工现场急救措施安全管理目标认真落实“安全第一、预防为主”的方针,切实贯彻国 家有关政策、法律、法规,认真落实安全生产责任制,强化 安全管理。
作业项目高大支模潜在危险因素1、高支模施工方案未经专家论证审批。
2、未对管理人员及作业人员进行安全技术交底。
3、架子工无证上岗,未按安全操作规程操作。
4、高处作业未系挂安全带,不按施工方案施工,疲劳作业。
可能导致的事故坍塌、高处坠落、物体打击控制措施1、高支模施工方案必须经专家论证审批合格后方可进行施工。
2、模板、脚手架安全交底必须到位,保证工人应知应会。
3、特殊工种(架子工)必须持有效证件上岗;高处作业必须系挂安全带及正确佩戴安全防护用品,严禁违章、冒险作业。
4、必须严格按方案施工,防疲劳作业、防中暑。
5、工长及安全员要旁站监督指导,加强对现场的安全巡视。
6、建立模板拆除的审批制度;混凝土强度必须达到拆模强度要求时方可进行拆模。
检查部门技术部、工程部责任人季扣建、杨洪宇深圳市市政工程总公司XX工程项目部2012年2 月25 日作业项目临边及洞口防护潜在危险因素1、未安装栏杆的阳台周边、无脚手架的屋面周边、井架通道的两侧边、卸料平台的外侧边、楼梯周边,基坑周边未按规定设置防护栏杆或防护设置不符合要求。
2、预留洞口、坑井、楼梯口电梯井口无防护措施或防护措施不符合要求。
3、通道口上部无安全防护棚或防护棚设置不符合要求。
4、未按规定配带安全带。
可能导致的事故坍塌、高处坠落、物体打击控制措施1、根据本工程特点编制有针对性的施工方案;按《建筑施工高处作业安全技术规范》(JGJ80-91)的要求设置各类临边防护栏杆并经检查验收后使用。
2、预留洞口、坑井必须设置固定的盖板、防护栏杆、安全网或其它防坠落的防护措施,施工现场通道附近的各类洞口除设置安全防护措施外,必须有安全标志。
3、电梯井口必须设置防护栏杆或固定栅门,每隔两层或超过两层最多隔10米设一道安全网,分层施工的楼梯及楼梯踏步、歇台板边,必须安装临时护栏。
4、凡有人员进出的通道口,均应搭设安全防护棚,防护棚应满铺双层脚手架板或竹编板;高度超过24米的层上的交叉作业应设双层防护。