停车场设备安装规范
- 格式:docx
- 大小:22.96 KB
- 文档页数:4
停车设备施工工艺停车设备施工工艺是指在停车场建设过程中,进行停车设备的安装和调试的工作。
停车设备包括各种类型的停车场管理系统、停车位引导系统、道闸系统、出入口控制系统等等。
下面是停车设备施工工艺的相关参考内容。
1. 施工前准备工作- 确定停车设备的种类和规格,根据停车场的具体情况设计合适的停车设备方案。
- 准备所需的施工材料和设备,包括电缆、管线、固定螺丝等。
- 根据设计方案,在停车场内标明设备的位置和安装要求。
2. 设备安装- 首先,在停车场内进行园地清理和测量,确保设备安装的平整度和位置准确度。
- 根据设备的类型,进行相应的固定工作。
例如,安装道闸时,需要先进行地下管线的埋设,然后将道闸设备与地下器具连接起来,并用螺丝固定。
- 按照施工图纸连接设备的电缆和管线,保证设备正常运作所需的电力和信号传输。
- 为设备设置相应的支架和支撑物,确保设备的稳定性和安全性。
3. 系统调试- 进行设备的电气连接和电气接地,确保设备能够正常运行。
- 对设备进行测试,验证设备的功能和稳定性。
例如,测试道闸设备的开关机、抬杆和降杆功能是否正常。
- 安装设备的控制软件,并进行相应的设置和调试,以确保设备能够实现预设的功能。
- 对整个停车设备系统进行集成调试,确保各个设备之间的协调工作,例如,道闸与出入口系统的连接和衔接。
4. 设备验收- 对已安装和调试完成的设备进行验收,检查设备是否符合设计要求和标准规定。
- 测试设备的性能指标和功能,例如,开关机的稳定性、抬杆的速度和精度等等。
- 经过验收合格后,进行相关记录和报告,作为停车设备工程交付使用的依据。
以上是停车设备施工工艺的相关参考内容,通过严格的施工流程和步骤,确保停车设备能够安装和调试成功,满足停车场的使用需求。
同时,在施工过程中要注意安全防护措施,确保施工人员的安全。
最后,建议在施工工艺中充分考虑环保和节能要求,选择符合国家标准的设备和材料,降低停车设备的使用成本和对环境的影响。
旗开得胜第七章停车场管理系统设备安装工程
说明
一、本章设备按成套购置考虑,在安装时如需配套材料,由设计按实计列。
二、有关摄像系统设备安装、调试,按本册第八章有关定额执行。
三、有关电缆布放按本册第二章有关定额执行。
四、本章全系统联调包括:车辆检测识别设备系统,出/入口设备系统、显示和信号设备系统,监控管理中心设备系统。
五、全系统联调费,按人工费的30%计取。
工程量计算规则
一、车辆检测识别设备、出入口设备、显示和信号设备、监控管理中心设备安装、调试,以“套”计算。
二、分系统调试和全系统联调,以“系统”计算。
读万卷书行万里路
134。
停车道闸的规范说明1. 引言停车场管理系统中的关键设备之一就是停车道闸。
停车道闸广泛应用于各种停车场、小区、商场以及其他停车管理区域。
为了确保停车道闸的正常运行和使用安全,本文档将对停车道闸的规范进行详细说明。
2. 设备安装2.1 安装位置停车道闸应当考虑以下因素选择合适的安装位置: - 环境条件:避免在高温、潮湿或者易受腐蚀的环境中安装闸机。
- 空间要求:确保闸机安装后不会影响到车辆和行人的通行。
- 电源接口:安装位置附近应有稳定的电源接口。
2.2 安装高度闸机的地面高度安装应根据实际情况确定,一般建议地面距闸机下边缘的距离在0.9米到1.2米之间。
2.3 安装固定闸机应使用固定螺栓或其他可靠的安装固定件进行固定,以确保稳定性和安全性。
3. 功能设置3.1 通行模式闸机应提供多种通行模式设置,包括但不限于车辆通行、行人通行、临时通行等。
通行模式设置要方便用户操作,并能根据实际需求进行灵活调整。
3.2 通行速度闸机的通行速度要根据实际情况进行设置,一般情况下的合理通行速度为每分钟30到40辆车。
4. 使用规范4.1 操作规范使用者在操作闸机时需要严格按照以下规范进行操作: - 车辆进入:驾驶员应将车辆完全停稳后,按下按钮或使用相关设备进行通行。
- 行人通行:行人应等待闸机完全打开后,通过指定通行通道通行。
- 车辆离开:驾驶员应在确认闸机完全打开后,通过指定通行通道离开停车场。
4.2 维护保养为了保障闸机的正常运行,使用者应定期对闸机进行维护保养,包括但不限于:- 清洁:定期使用清洁剂清洗闸机外观及内部。
- 润滑:根据使用说明,适时给闸机润滑部件加注润滑油。
- 检查:定期检查闸机的机械部件,如发现异常应及时修理或更换。
5. 安全规范5.1 安全警示标志在停车道闸机周围应设置明显的安全警示标志,以提醒行人和驾驶员注意安全。
5.2 紧急情况处理在出现紧急情况时,如停电、闸机故障等,应采取及时有效的紧急处理措施,保证通行和安全。
智能停车场安装管理制度一、总则为了规范智能停车场的安装管理工作,保障停车场设备的正常运行和用户的利益,制定本管理制度。
二、适用范围本管理制度适用于所有智能停车场的安装管理工作。
三、管理责任1. 管理者应根据停车场的实际情况,制定安装管理方案,确定安装时间和方式,明确责任人员及其职责。
2. 安装人员应按照管理者制定的方案进行实施,确保设备安装工作的质量和进度。
3. 监督部门应对安装工作进行全程监督,及时发现并解决问题。
四、安装准备工作1. 在安装前,管理者应进行必要的勘察和测量,确保设备的安装位置和布局符合要求。
2. 管理者应向相关部门申请施工许可证,确保按照规定进行安装工作。
3. 安装前,管理者应准备好所需的设备和材料,确保安装工作的顺利进行。
五、安装流程1. 安装人员应按照管理者制定的安装方案进行实施,确保设备的安全安装和调试。
2. 安装过程中,安装人员应保持工作区域的整洁,避免造成环境污染。
3. 安装人员应遵守相关安全操作规程,保障自身和他人的安全。
六、验收和调试1. 安装完成后,管理者应组织相关部门进行设备的验收,确保设备符合要求。
2. 验收合格后,管理者应对设备进行调试,确保设备的正常运行。
3. 调试完成后,管理者应组织设备的试运行,确保设备的稳定性和安全性。
七、管理措施1. 管理者应建立健全安装管理档案,包括设备的位置、布局、安装时间等信息。
2. 管理者应定期对设备进行检查和维护,确保设备的长期稳定运行。
3. 管理者应对安装质量进行评估,并根据评估结果做出相应的调整和改进。
八、安装效果评估1. 安装完成后,管理者应对安装效果进行评估,包括设备的使用效果和用户满意度等。
2. 根据评估结果,管理者应及时调整安装方案和管理措施,确保设备的正常使用。
3. 对于设备安装效果不理想的情况,管理者应及时进行整改和改进,提高设备的使用效果和用户满意度。
九、安装管理违规处理对于违反安装管理制度的行为,管理者应依法依规进行处理,并给予相应的处罚。
小区停车设施安全标准与规范1. 引言小区停车设施的安全标准与规范是为了确保停车场的使用安全性和便利性,保障住户和车辆的安全,有效利用停车资源。
本文将介绍小区停车设施的安全标准和规范,并提供一些建议来提升小区停车设施的质量。
2. 停车位布局•车位尺寸:每个停车位应足够宽敞,能容纳一辆普通车辆的停放和车门的开关。
标准停车位尺寸通常为2.5米宽和5米长。
•车位数量:根据小区的居民数量和车辆的数量来确定停车位的数量。
通常建议为每个住户提供一个停车位,并为访客预留一定数量的停车位。
•车位标识:每个停车位应有明确的标识,例如数字或字母编号,以便住户和访客能够正确识别和使用停车位。
3. 停车场道路规范•道路宽度:停车场道路的宽度应足够宽敞,以容纳车辆的行驶和转弯。
通常建议道路宽度不小于6米。
•道路标线:道路标线应清晰可见,用于标识行车道、停车位、停车区域等。
标线应定期维护,确保清晰度。
•路灯照明:停车场道路应有足够的照明,以提供夜间行车和行人的安全。
路灯应布置合理,确保光线均匀分布。
4. 停车场设施和安全设备•监控摄像头:在停车场的关键区域安装摄像头,以监控和记录停车场的情况。
这将有助于预防犯罪和解决纠纷。
•防盗报警系统:为停车场设施安装防盗报警系统,以提醒和阻止不法分子。
这将有助于保护车辆和住户的财产安全。
•灭火设备:在停车场设施中配备灭火设备,以应对突发火灾事故。
灭火设备应定期维护检查,确保其可靠性。
5. 停车场管理与维护•停车位管理:建立停车位分配和管理的制度,以确保停车位的合理利用,防止滥用和占用。
•日常巡检:定期对停车场设施进行巡检,检查标线、灯光、设备等是否完好,及时修复和维护。
•清洁维护:定期对停车场进行清洁,包括垃圾清理、除草等工作,保持停车场的整洁和美观。
6. 总结小区停车设施的安全标准与规范对于住户的安全和便利至关重要。
合理布局停车位、遵守道路规范、安装安全设备以及进行管理和维护,都是提高停车设施质量的关键因素。
停车场管理系统施工标准一、引言。
停车场管理系统是现代城市交通管理的重要组成部分,它不仅关乎停车场的正常运营,也直接影响到城市交通秩序和市民的出行体验。
因此,停车场管理系统的施工标准显得尤为重要。
本文将从停车场管理系统的施工标准入手,对停车场的布局、设备安装、系统调试等方面进行详细介绍,旨在为相关从业人员提供一份可操作性强的指南。
二、停车场布局。
1. 停车场选址应符合城市规划,远离居民区和商业区,避免交通拥堵和噪音污染。
2. 停车场应合理规划停车位数量和布局,保证车辆进出顺畅,尽量减少堵车现象。
3. 车位宽度、长度、高度等尺寸应符合国家标准,确保各类车辆能够安全停放。
4. 停车场应设置合理的出入口和通道,方便车辆进出,并确保消防通道畅通。
三、设备安装。
1. 停车场管理系统应选用可靠的设备,如车辆识别系统、停车收费系统、监控系统等,确保系统稳定可靠。
2. 设备安装位置应合理,保证设备能够正常运行,并方便日常维护和管理。
3. 所有设备应符合国家标准,安装过程中应严格按照制造商提供的安装说明进行,保证设备安全可靠。
四、系统调试。
1. 完成设备安装后,应对停车场管理系统进行全面调试,确保各个设备能够正常工作。
2. 调试过程中,应对系统的稳定性、准确性进行全面检测,发现问题及时进行调整和修复。
3. 各个设备之间的联动应得到充分测试,确保系统的整体运行效果。
五、总结。
停车场管理系统的施工标准对于停车场的正常运营至关重要。
只有严格按照标准进行布局、设备安装和系统调试,才能保证停车场管理系统的稳定运行,提升停车场的管理效率,为市民提供更好的停车体验。
希望本文所述的停车场管理系统施工标准能够为相关从业人员提供一定的参考和帮助,推动城市停车场管理水平的不断提升。
机动车停车场设置规范一、停车场设置(一)涉及建筑主体施工的停车场。
应当依法遵循基本建设程序,按照国家规范标准设计、施工,依法办理相关行政审批手续,保证工程质量、施工安全和使用安全。
(二)机械式立体停车设施。
鼓励老旧住宅区和有条件的单位安装机械式立体停车设施。
机械式立体停车设施的安装、使用、维修、维护保养、检验检测等活动,应当严格遵守特种设备相关规定,确保使用安全。
(三)桥梁投影空间设置的停车场。
桥梁投影空间下设置的公共停车场,由产权单位同意,经营单位提出申请后,由市公安局交管局停车管理职能部门牵头组织确定周边道路交通组织方式。
(四)临时停车场。
利用待建土地、空置场所等可以由所在地县级以上人民政府组织协调设置临时停车场(位)。
建设临时公共停车场应当对场地进行硬化,设置相应的标志标线,不得影响消防和市政基础设施等的正常使用,不得影响道路交通安全。
(五)退线区设置的停车场。
不应设置大中型车辆停车位;停车位与盲道、非机动车停车位的间距应不小于1米;出入口宜设在支路并配套无障碍坡道供机动车通行。
2.停车场严禁占压、跨越道路红线,收费管理设施应当设置在项目用地红线范围内。
3.不得影响车辆和行人通行,不得影响消防和市政基础设施等的使用,不得影响城市容貌。
4.不应设置规模不足5个泊位的停车场。
(六)路内停车泊位。
1.人行道上施划机动车停车泊位,由公安机关交通管理部门征求城市管理综合行政执法部门意见后统一设置。
2.停车泊位间隔位置应与人行道预留的行人进出通道衔接。
3.不得使用车道分界线作为停车泊位边线。
4.通过施划不同颜色停车泊位,采取不同收费措施,引导科学停车,解决好停车需求。
蓝色停车泊位主要设置在二环外交通枢纽周边区域;蓝白双色停车泊位主要设置在道路通行压力小、停车位需求量大的老旧小区和居民小区周边;白色停车泊位全天收费。
5.禁止设置的情形:快速路主路,人行横道;主干路、次干路交叉口渐变段的起点开始的路段,若交叉口未展宽则距离交叉口停止线50米以内的路段;支路距离交叉口停止线20米以内的路段;消防通道、无障碍设施通道、设有禁止停车标志标线的路段,以及施工路段影响通行的;公共汽车站、急救站、加油站、消防栓或者消防队(站)门前以及距离上述地点30米以内的路段;变压器下方;人行过街通道的出入口及两侧5米范围内;建筑物出入口附近、单位和居民住宅小区出入口两侧10米范围内;停车泊位设置后非机动车道、人行道宽度不足2.5米的,侵占盲道的;单向通行的城市道路宽度不足6米的,双向通行的城市道路宽度不足8米的;城市道路宽度不足15米的,不得双向设置;铁路道口、急弯路、宽度不足4米的窄路、桥梁、陡坡、隧道及距离50米以内的路段;其它禁止设置的路段。
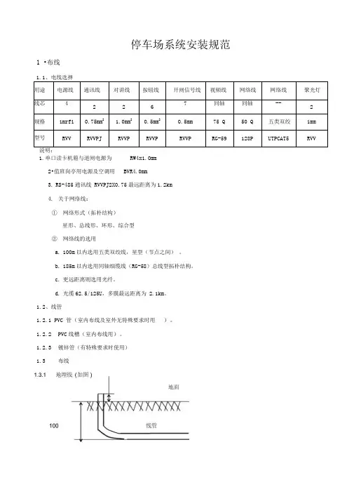
停车场系统安装规范1 •布线、电线选择1.单口读卡机箱与道闸电源为RW4x1.0mm2•值班岗亭用电源及空调用BVR4.0mm3.RS-485通讯线RVVPJ2X0.75最远距离为1.2km4.关于网络线:①网络形式(拓朴结构)星形、总线形、环形、综合型②网络线的选用a.100m以内选用五类双绞线,星型(节点之间)。
b.185m以内选用同轴细缆线(RG-58)总线型拓朴结构。
c.更远距离则选用光纤。
d.光缆62.5/125U,多膜最远距离为2.1km。
1.2、线管1.2.1 PVC 管(室内布线及室外无特殊要求时用)。
1.2.2PVC线槽(室内布线用)。
1.2.3镀锌管(有特殊要求时使用)1.3布线1.3.2 技术要求a.直线40m有一接线盒,可有一弯头。
25m有一接线盒,可有二弯头。
不得有三弯头;b.线管内穿钢丝为12号;c.室内线管所穿导线的总面积(连外皮)不超过管截面积的70%;室外线管所穿导线的总面积(如无规定时,连外皮)不超过管截面积的d.线管内不得有接头;e.导线绝缘皮不得有破损;f.线管在转弯处或直线距离每超过 1.5m应加固定夹子。
1.3.3 室内布线技术要求a. PVC线槽:1)水平线槽的倾斜高不得大于3mm/m;2)垂直线槽的倾斜度不得大于3mm/m.15m有一接线盒,两接线盒间50% ;b. 大小相同的线槽的弯接(如图)c.大小不同的线槽的弯接(如图)a < 2mm1b f w 2mm2.施工2.1、设备定位:由甲方代表、跟单工程师(业务员)签字认可。
但必须满足以下技术要求。
、安装负责人根据现场情况而定,由甲方代表a.读卡机与道闸距离(如图1)不得小于3m 道闸< 2mm说明:1)槽宽10mm 深50mm; 2) 转角需打磨平滑。
2.2.2 材料 序号 名称规格 数量 备注1 环氧树脂E-44 (6101) 5KG 2 乙二胺化学纯 450ml 3 单股铜芯线 2 BV-1mm100mb. 临时卡收费处与道闸距离(如图2)不得小于3m c. 以上a 、b 经甲方代表签字生效。
机械式停车设备安装工艺前言机械式停车设备是现代城市中常见的一种停车设施,它兼具节约空间、方便停车的特点。
众所周知,设备的安装和维护对于其后期的使用至关重要。
本篇文档将介绍机械式停车设备的安装流程和注意事项。
安装流程步骤一:施工前准备在设备进行安装之前,需要做好一系列的准备工作。
在施工前,要先测量停车场的宽度、长度和高度,然后根据测量结果设计合适尺寸的停车设备。
另外,在安装设备前要检查场地是否符合相关的安全标准,是否有安全隐患,如发现任何安全隐患,应在施工前及时予以处理,并且在施工过程中,应严格遵守相关的安全规定,确保施工人员的人身安全。
步骤二:基础施工基础施工是机械式停车设备安装的首要工作,它对后续设备的安装和使用都有着极其重要的影响。
该步骤主要包括以下几个步骤:•确定设备的位置:在场地上标注出设备的位置和标高,根据设备的尺寸和形状进行标地,并在标定的地面进行挖坑和填坑处理。
•预制基础:根据设备的位置和标高,请施工队对基础进行预制。
在这一步骤中,需要严格遵守设计图纸上的要求和标准,确保基础的尺寸、深度和坚固度达到要求。
•预埋件的安装:在预制好的基础上,对各种预埋件进行安装,把安装好的预埋件与基础紧密结合。
步骤三:安装机械组件在基础施工完成后,进入机械组件安装阶段。
具体步骤如下:•根据设计要求,对各个组件进行拼装。
检验机械组件的偏差等,确保组件的安装精度和工艺质量。
•安装开关、变频器等电气设备,需要确保所有的电器设备符合相关的国家安全标准,避免出现电器故障。
步骤四:安装车架和传动夹具在安装车架和传动夹具之前,需要采用起重机吊起设备,将其放在基础上,然后进行调整和固定安装。
•安装车架:先安装车架,需要确定车架的位置和高度,然后固定车架和基础的连接件。
•安装传动夹具:在安装传动夹具时,需要根据车架的高度确定传动杆的长度,并根据设计的要求进行传动夹具的安装。
步骤五:测试和检验在机械式停车设备安装完成后,需要进行一系列的测试和检验,确保其可以正常使用,保证使用的安全可靠性和稳定性。
停车场道闸系统施工安装流程规范方案就需要建立安全岛。
安全岛的施工应符合以下标准:1)岛体宽度不小于1.2米,长度根据设备数量和尺寸而定;2)岛体表面应平整,不得有凹凸不平、裂缝等缺陷;3)岛体四周应设立防撞柱或者护栏,柱子直径不小于¢114mm,高度不小于1.2米,护栏高度不小于1.1米;4)岛体表面应刷涂有黄色或者白色的反光漆,以提高夜间的可见性;5)岛体上应设立明显的停车标志,以便车主正确停放车辆。
1.3.2道闸的施工标准道闸是停车场进出口的主要设备之一,其施工应符合以下标准:1)道闸应安装在岗亭和地面之间,高度不小于2.5米,长度根据车道宽度而定;2)道闸应具有自动升降功能,升降时间不得超过3秒;3)道闸杆应采用铝合金材料,外观美观、坚固耐用;4)道闸杆上应安装反光条,以提高夜间的可见性;5)道闸应具有防撞功能,当有车辆试图强行冲闸时,道闸应能够自动升起,以防止车辆撞击;6)道闸应具有手动升降功能,以应对停电等突发情况。
1.3.3地感线的施工标准地感线是停车场道闸系统中的重要组成部分,其施工应符合以下标准:1)地感线应安装在地感槽内,槽深不小于5cm;2)地感线应绕5圈,以提高检测精度;3)地感线应使用BV1.5线,线径不小于1.5mm;4)地感线两端应接地,以确保信号稳定;5)地感线应与强弱电分开布线,不得与其他电线共用一根管。
1.3.4视频监控系统的施工标准视频监控系统是停车场安全管理的重要手段之一,其施工应符合以下标准:1)摄像机应安装在出入口和停车场内的关键位置,以全面监控停车场内的情况;2)摄像机应具有夜视功能,以确保夜间监控效果;3)摄像机应具有防水、防尘等功能,以适应各种恶劣环境;4)摄像机应采用高清晰度的图像传输技术,以提高监控效果;5)视频监控系统应具有远程监控、录像等功能,以便管理人员及时了解停车场内的情况。
1.3.5停车场系统的施工标准总结停车场系统的施工应符合以下标准:1)设备应安装牢固,不得出现松动、倾斜等情况;2)布线应规范,不得出现交叉、短路等情况;3)系统应具有稳定可靠的运行性能,不得出现故障、漏检等情况;4)系统应符合国家相关标准和规定,以确保安全、可靠、高效的运行。
停车场系统施工规范一、停车场系统基本配置一套标准IC 卡停车场系统由管理计算机、打印机、视频捕捉卡、通讯适配器、发行器、临时卡计费器、对讲主机、入出口读卡控制机、入出口道闸、图像对比系统组成.如下图所示:临时卡计费器发行器视频捕捉卡摄像机通讯适配器入口读卡机摄像机入口道闸出口读卡机出口道闸电脑系统布置图:二、施工准备1)工具1、冲击钻:主要用于设备固定、穿墙打孔以及线槽、管线固定,钻头¢22/14/12/82、打磨机:主要用于金属材料的切割、修磨3、手电钻:主要用于金属材料的打孔,钻头¢12/8/4.24、拉钉枪:主要用于金属材料之间的铆合5、手提切割机:主要用于水泥、地感的切割(切片¢180)6、模版:固定安全岛、水泥台7、其他常用工具:万用表、内六方扳手套件、活动扳手、烙铁、剥线钳、尖嘴钳、大小螺丝刀套件、网线钳等。
2)辅材1、水泥、沙子、石子以及打混泥土的工具2、PVC(KBG铁管)及连接接头、弯头、及固定夹,膨胀管、自攻钉、备用膨胀螺栓;3、扎带、防水胶带、热缩管、缠绕带(软管)根据客户的具体配置和设计图纸确定布线方案,以上图为例,列举安全岛的布线方式。
1)485通讯线:从电脑到出入口读卡机,采用两芯屏蔽双绞线,通讯线最远距离不应超过700米,否则需加485中继器。
2)开闸线:出入口读卡机到出入口道闸布两芯屏蔽双绞线。
3)按钮线:道闸到岗亭内的三联按钮布六芯屏蔽线。
4)对讲线:岗亭内的对讲主机到出入口读卡控制机布两芯屏蔽线。
5)网线:如果是远程管理的网络版配置方案,须布网线;从各管理电脑到服务器。
6)视频线:从电脑到出入口摄像机,注意摄像机的电源线不得与聚光灯的电源线共用一根管(在使用低压供电摄像机时),更不能强弱电源线共用一条四芯护线套。
7)地感线:在切好的地感槽内,用BV1。
5线绕5圈。
8)电源线(从配电室到岗亭、出入口道闸、出入口读卡机、聚光灯、摄像机)在布线施工时要求距离地感线圈的最小安全距离不能小于1米.9)所有的管线必须按强弱电分开,导线中间不许有接头。
地下车库道闸安装标准地下车库道闸是地下停车场的重要设备,它不仅可以控制车辆的出入,还可以提高停车场的安全性和管理效率。
因此,地下车库道闸的安装标准至关重要。
在进行地下车库道闸的安装时,需要严格按照相关标准进行操作,以确保道闸的正常使用和安全性。
下面将介绍地下车库道闸安装的标准步骤和注意事项。
首先,进行地下车库道闸的安装之前,需要对安装场地进行认真的勘察和测量。
确定道闸的安装位置、尺寸和周围环境,确保道闸的安装不会受到任何阻碍,同时还要考虑到车辆的通过空间和安全通行。
其次,选择合适的地下车库道闸型号和规格。
根据停车场的实际情况和需要,选择适合的道闸型号和规格,包括道闸的长度、高度、材质和控制方式等。
确保所选的道闸能够满足停车场的实际需求,并且符合相关的安全标准和规定。
然后,进行地下车库道闸的基础施工。
在进行道闸的基础施工时,需要按照相关标准和要求进行操作,包括基础的混凝土浇筑、固定螺栓的安装和地下管道的铺设等。
确保道闸的基础牢固可靠,能够承受道闸的重量和使用压力。
接着,进行地下车库道闸的机械安装。
在进行道闸的机械安装时,需要严格按照道闸的安装说明和操作手册进行操作,包括道闸的支架安装、电机和传动装置的安装以及道闸臂的安装和调试等。
确保道闸的机械部分安装正确,能够正常运行和使用。
最后,进行地下车库道闸的电气安装和调试。
在进行道闸的电气安装时,需要由专业的电气工程师进行操作,包括电气线路的铺设、控制柜的安装和接线、传感器和开关的安装以及道闸的电气调试等。
确保道闸的电气部分安装正确,能够正常工作和联动控制。
总之,地下车库道闸的安装标准是确保道闸能够正常使用和安全运行的关键。
只有严格按照标准进行安装,才能保证道闸的质量和性能。
希望本文介绍的地下车库道闸安装标准能够对相关人员有所帮助,提高道闸安装的标准化水平,确保地下停车场的安全和管理效率。
本页为作品封面,下载后可以自由编辑删除,欢迎下载!!!精品文档【精品word文档、可以自由编辑!】费显示屏、发行机、图象捕捉卡、摄像机、感应卡等组成。
伴随着安防科技发展的新技术、新产品的技术要求,本着服务社会、用户第一的宗旨,特制定以下规范。
一、工程施工主要材料、工具要求1、出入口控制机、自动道闸等包装应完好,材料外观不应有破损,附件、备件、工具应齐全。
2 、工程施工布线标准、线材规格型号、应符合停车场工程设计要求及标准停车场的有关规定。
3 、携带好齐全的相关单据,及资料。
二、工程施工布线技术要求停车场系统布线不仅要求安全可靠,而且要使线路布置合理、整齐,安装牢固。
线缆在建筑物内安装要保持水平或垂直,并应加套管保护和使线缆固定稳妥美观;220V强电与信号线要分开铺设,更不能穿在同一管内,距离大于50CM;并且所有走线都必须套管,PVC 管和镀锌管都可以,避免老鼠咬断线路引起故障;若线路中间有断点,需将断点用烙铁焊上并做好绝缘处理;布线时一定要对线缆做好标记,方便以后的安装、调试和维护。
1、电源线出入口道闸、出入口控制机需要220V 电源,采用三芯屏蔽线(RVVP3*1.5),一般接到专线UPS 专线供电,在某些情况下AC220V 电源也可就近接取,但应符合相关规范,要确保系统中AC220V 插座中的地线真实接地。
2、联网线(控制机—控制机或控制机—电脑)停车场联网方式可以分为:485 通讯、TCP/IP 通讯、RS422 通讯等485 联网线必须采用屏蔽双绞线RVVSP2*0.5,485 总线长度,理论上是可以达到1200米,建议不要超过1000 米。
如果超过请选用485HUB 或者中继器来改善通讯环境。
为了保证通信的稳定,在通讯线末端接电阻,或者把所有的屏蔽层都连接起来,末端可以悬空或者根据情况接到大地上。
485 网络必须是总线型结构,不允许全部或局部星型结构。
TCP/IP 联网线可以选择超五类非屏蔽双绞线,控制机到交换机或HUB 的距离要小于100米。
一、工程概况1. 工程名称:XX停车场设备安装工程2. 工程地址:XX市XX区XX路XX号3. 工程规模:XX个停车位4. 工程内容:停车场道闸、车牌识别系统、车位引导系统、监控摄像头、照明系统等设备安装二、编制依据1. 《停车场设备安装工程施工及验收规范》GB50258-20172. 《建筑电气工程施工质量验收规范》GB50303-20153. 《停车场设计规范》GB50074-20144. 相关国家和地方标准及规定三、施工准备1. 施工人员:组织一支具有丰富经验和专业技能的施工队伍,包括电工、钳工、焊工、起重工等。
2. 施工材料:根据工程需求,准备各类设备、电缆、电线、灯具、传感器等材料。
3. 施工机具:配备必要的施工工具和设备,如扳手、螺丝刀、焊机、切割机等。
四、施工方案1. 道闸安装(1)检查道闸设备是否完好,安装位置是否符合设计要求。
(2)按照施工图纸进行道闸基础施工,确保基础稳固。
(3)安装道闸设备,连接电缆,调试道闸运行。
2. 车牌识别系统安装(1)检查车牌识别设备是否完好,安装位置是否符合设计要求。
(2)按照施工图纸进行车牌识别系统基础施工,确保基础稳固。
(3)安装车牌识别设备,连接摄像头、传感器等,调试系统运行。
3. 车位引导系统安装(1)检查车位引导设备是否完好,安装位置是否符合设计要求。
(2)按照施工图纸进行车位引导系统基础施工,确保基础稳固。
(3)安装车位引导设备,连接电缆、传感器等,调试系统运行。
4. 监控摄像头安装(1)检查监控摄像头设备是否完好,安装位置是否符合设计要求。
(2)按照施工图纸进行监控摄像头基础施工,确保基础稳固。
(3)安装监控摄像头,连接电缆,调试摄像头运行。
5. 照明系统安装(1)检查照明设备是否完好,安装位置是否符合设计要求。
(2)按照施工图纸进行照明系统基础施工,确保基础稳固。
(3)安装照明设备,连接电缆,调试照明系统运行。
五、施工质量保证措施1. 严格按照国家和地方标准进行施工,确保工程质量。
停车场设备安装规范标准化管理部编码-[99968T-6889628-J68568-1689N]停车场管理系统的安装工艺线材长度规范1)RS-422通讯线理论最传输远距离为1200m,在实际工程运用中最远传输距离为600m;2)RS-485通讯线理论最传输远距离为1200m,在实际工程运用中最远传输距离为600m;3)RS-232通讯线最远传输距离为15m;4)采用RS-485通讯的读卡器最远传输距离为600m;5)采用Wiegan通讯的读卡器最远传输距离为60m;设备距离规范1)读卡机与道闸距离范围为:3m至6m,标准距离为4m;2)道闸与摄像机距离为0.5m;说明:以上两点既保证了司机在刷卡时车头不会碰到道闸,又保证了司机在刷卡后,给汽车留有一定的前进空间,还保证了摄像机可以准确地对准汽车前部,达到最好的图像抓拍效果。
3)临时卡收费处与道闸距离;4)设备安全岛的合理宽度为0.6m,高度为0.25m;5)设备安全岛表面必须光滑、水平;6)道路的合理宽3.5m;设备摆放规范1)道闸和机箱必须摆放在平坦的直道上,不得摆放在地面道路转弯处或地下车库道路转弯处;(说明:将道闸和机箱摆放在地面道路或地下车库道路转弯处,汽车容易在转弯时撞到设备。
)2)机箱不得摆放在上行方向的坡道处,在特殊的场合,机箱可以摆放在下行方向坡道上;(说明:机箱摆放在上行方向坡道处,便意味着司机必须在上行坡道上停车刷卡,这样容易出现事故。
)3)在坡道上的道闸箱和机箱必须安装在水平的水泥墩上;4)道闸、读卡机垂直于水平地面倾斜度不大于1°;5)道闸杆垂直于车行方向,垂直度误差不得超过5°;6)所有箱底与地面接触紧密,间隙处用水泥抹平(要做到此要求较为困难,最好可以直接用预埋件固定);地感线圈安装规范1)转角需打磨平滑。
2)槽宽5mm,深70mm;3)地感线圈不得焊接;4)地感线圈必须绕7圈;5)出线圈必须采用双绞式,双绞次数为20次/米;6)出地面必须用绝缘导管;7)BVC线不得破损保护层,用数字表测对地电阻大于或等于20MΩ,直流电阻为1-4Ω;8)环氧树脂与乙二胺配比1KG:90ml,定须混合均匀;浇注材料规格:9)环氧树脂浇注需全部覆盖线圈,且离地面有10mm的高度,上用水泥封平;10)浇注完毕后,用万用表再检测一次,对地电阻大于或等于20MΩ,直流电阻为1-4Ω。
停车场道闸系统施工安装流程规范一、前期准备1.安全规划:对施工过程中的安全风险进行评估,并制定相应的安全措施计划。
2.施工方案:编制详细的施工方案,包括施工进度安排、资源调配、质量控制等内容。
3.材料准备:准备好所需的道闸系统设备、材料及工具,并检查其质量和数量是否符合要求。
4.相关手续:办理施工所需的各项审批手续,包括施工许可证、消防审批等。
二、现场施工1.现场准备:确定好道闸系统的安装位置,并进行现场勘测,确保施工地点符合要求。
2.基础处理:根据设计要求,在施工地点进行基础处理,包括挖掘基坑、浇筑混凝土等步骤。
3.外接电源:根据道闸系统的功率需求,接通外部电源,并确保电源稳定。
4.安装设备:按照道闸系统的设备安装图纸,进行设备的安装,包括道闸机、感应器、控制器等等。
5.接线调试:根据设备的接线图纸,进行设备的接线,并进行相应的调试,确保设备正常运行。
6.现场调试:对整个道闸系统进行现场调试,检查各个设备的功能是否正常,并进行必要的调整。
7.配置软件:根据道闸系统的功能需求,配置相应的软件,包括车牌识别、收费管理等。
8.安全防护:设置相应的安全防护措施,如安装防撞柱、设置警示标志等,以确保道闸系统的安全运行。
三、试运行与验收1.试运行:在道闸系统安装完成后,进行一段时间的试运行,检查系统的稳定性和可靠性。
2.故障排除:在试运行过程中发现的故障,及时进行排除,并重新进行试运行,直至系统正常运行。
3.验收清单:制定施工验收清单,并逐项检查道闸系统各项功能是否符合设计要求。
4.验收报告:编制施工验收报告,记录道闸系统施工的整个过程,并对施工质量进行评估。
四、施工记录1.日志记录:安排专人负责施工现场的日志记录,包括每天的工作内容、工作进度等。
2.现场照片:拍摄施工现场的照片,并进行留存,以便后期检查和评估。
3.故障记录:记录道闸系统试运行和验收过程中的故障情况,及时处理和解决。
五、完工与维护1.完工文件:编制完工文件,包括施工图纸、设备说明书、施工日志等,并进行整理和归档。
停车场设备安装规范
Company Document number:WTUT-WT88Y-W8BBGB-BWYTT-19998
停车场管理系统的安装工艺
1.1.1.1线材长度规范
1)RS-422通讯线理论最传输远距离为1200m,在实际工程运用中最远传输
距离为600m;
2)RS-485通讯线理论最传输远距离为1200m,在实际工程运用中最远传输
距离为600m;
3)RS-232通讯线最远传输距离为15m;
4)采用RS-485通讯的读卡器最远传输距离为600m;
5)采用Wiegan通讯的读卡器最远传输距离为60m;
1.1.1.2设备距离规范
1)读卡机与道闸距离范围为:3m至6m,标准距离为4m;
2)道闸与摄像机距离为;
说明:以上两点既保证了司机在刷卡时车头不会碰到道闸,又保证了司机在刷卡后,给汽车留有一定的前进空间,还保证了摄像机可以准确地对准汽车前部,达到最好的图像抓拍效果。
3)临时卡收费处与道闸距离;
4)设备安全岛的合理宽度为,高度为;
5)设备安全岛表面必须光滑、水平;
6)道路的合理宽;
1.1.1.3设备摆放规范
1)道闸和机箱必须摆放在平坦的直道上,不得摆放在地面道路转弯处或
地下车库道路转弯处;(说明:将道闸和机箱摆放在地面道路或地下
车库道路转弯处,汽车容易在转弯时撞到设备。
)
2)机箱不得摆放在上行方向的坡道处,在特殊的场合,机箱可以摆放在
下行方向坡道上;(说明:机箱摆放在上行方向坡道处,便意味着司
机必须在上行坡道上停车刷卡,这样容易出现事故。
)
3)在坡道上的道闸箱和机箱必须安装在水平的水泥墩上;
4)道闸、读卡机垂直于水平地面倾斜度不大于1°;
5)道闸杆垂直于车行方向,垂直度误差不得超过5°;
6)所有箱底与地面接触紧密,间隙处用水泥抹平(要做到此要求较为困
难,最好可以直接用预埋件固定);
1.1.1.4地感线圈安装规范
1)转角需打磨平滑。
2)槽宽5mm,深70mm;
3)地感线圈不得焊接;
4)地感线圈必须绕7圈;
5)出线圈必须采用双绞式,双绞次数为20次/米;
6)出地面必须用绝缘导管;
7)BVC线不得破损保护层,用数字表测对地电阻大于或等于20MΩ,直流电
阻为1-4Ω;
8)环氧树脂与乙二胺配比1KG:90ml,定须混合均匀;
浇注材料规格:
9)环氧树脂浇注需全部覆盖线圈,且离地面有10mm的高度,上用水泥封
平;
10)浇注完毕后,用万用表再检测一次,对地电阻大于或等于20MΩ,直流电
阻为1-4Ω。
1.1.1.5接地规范
1)箱体内必须预留接地端,安装时地线不得悬空而不接;
2)道闸内必须预留接地端,安装时地线不得悬空而不接;
3)电脑电源插座得接地端必须可靠接地;
4)交流电摄像机必须接地;
5)信号线要求用屏蔽线,屏蔽线的屏蔽层一定要接地(信号地);
1.1.1.6系统安装规范
1)读卡机箱或道闸机箱安装时尽量安装在靠近通道方向的设备岛边边
缘,最佳距离为50MM。
2)NICE的道闸必须预埋预埋件,否则在使用不久后会导致道闸机箱松
动,严重影响使用质量和寿命。
道闸预埋件在安装时请注意正反。
3)在停车场系统中如果配置有远距离读卡器,必须在预埋地感线圈时相
对机箱要往道闸相反方向靠1米。
4)安装摄像机时,必须靠近通道的边缘距离在50MM最佳,而距道闸的距
离为600MM-800MM最佳。
5)停车场系统满位显示屏在入场的设备岛中间
6)安装夜间补光灯时,请注意在岗亭内单独供电,不能在机箱取电。
7)当设备岛在斜坡上时,请将设备到制作成梯步型,原则为设备底部离
地面为200MM。
安装地感线圈时,当两个线圈距离在两米以内时必须将两个线圈的的圈数不一致,可以为一个线圈为6圈,另一个为5圈。