停车场系统施工规范
- 格式:doc
- 大小:299.00 KB
- 文档页数:10
停车场管理系统、道闸、楼宇对讲施工规范,北京安达弱电施工队1.1沿墙敷设明管的要求1.线管应当尽量靠上,要求整齐,离地面高度一致,尽量避开遮拦物体。
线管与平行的线管之间的间距要一致,横向布管要水平,垂直布管要与地面垂直,拐弯处要整齐。
2.沿墙角跟部敷设的线管在走道处要用自来水管,隐蔽处可用PVC管,高度离地面100~250mm左右。
1.2在天花板内敷设线管1.天花板内敷管可参照沿墙敷设明管的要求,也可以采用最短直线距离敷管,可用PVC 硬管和软管。
2.天花板内敷设管线要固定牢靠,不能影响维修天花板时打开顶板,不能过重使得天花板塌陷。
如天花板承受力较脆弱,则应当考虑在水泥顶上吊装或沿墙敷设。
1.3沿墙敷设暗管的要求1.当需要沿墙敷设暗管时,应考虑尽量在建筑物土建时进行。
2.不能破坏结构梁。
3.要求管线一次到位,线头要测量通断,绝缘(信号线10MΩ,电源线30 MΩ以上)并作好标记。
1.4地面开槽敷设暗管的要求1.在硬质水泥地面、楼层板内线管埋入地下时,其线管上部与地表距离不得小于15mm。
2.汽车过路地面一定要用铁管,一般路面最好用铁管。
墙跟无人走路处可用PVC管,但必须保证管上部与地表面有15mm的水泥层。
3.如地面以下有防水层,要求开沟槽后,首先再做一层防水层,以恢复被破坏的防水层,再敷设线管。
1.5广场敷设暗管的要求1.线管原则上要埋入广场砖以下,线管上部距广场砖不小于15mm,埋设完成,要用水泥砂浆回填,然后恢复原广场砖。
2.线管原则上用自来水管。
1.6花坛、草坪敷设线管1.线管穿过花坛、草坪,必须埋入土内一定深度。
最小不得小于250mm,要保证锄、镐不会伤及线管。
2.线管必须用自来水管。
3.空旷之处必须作一个避雷地(线管上焊一根地线圆钢或30mm扁钢,埋入地下1.5m,并在地下1.5m处水平敷设1.5m以上,必要处可加食盐和木碳),整个线管所有接头处都要用钢筋跨接溶焊在一起。
1.7水泥夹层路面下敷管1.线管穿过水泥夹层路面,应开挖一定深度,埋管后回填砂、石,然后在上面恢复原水泥路面。
建筑地下停车场工程的规范要求地下停车场是现代城市交通管理的重要组成部分,其建设必须遵循一系列规范要求,以确保安全、高效和良好的使用体验。
本文将介绍建筑地下停车场工程的规范要求。
一、设计要求1. 停车场位置选择:应考虑交通便利、土地利用率、周边环境等因素,选择适当的位置建设停车场。
2. 泊位数量和排列:根据停车需求和使用情况,合理确定泊位数量,并采取科学的布局和排列方式,以确保有效利用空间。
3. 出入口设置:出入口宽度应满足消防车通行要求,同时也要考虑车辆的流量和交通组织的需要。
4. 照明系统:停车场内应设置适当的照明系统,确保使用者的安全和便捷。
二、施工要求1. 地下停车场结构:应采用耐久性好、承载能力强的材料,结构设计符合建筑工程规范。
2. 壁、地面防水:地下停车场存在湿润环境,需进行有效的防水,并确保有效排水。
3. 消防设施:应设置适当的消防设施,包括灭火器、喷淋系统等,同时确保消防通道畅通。
4. 通风系统:地下停车场内应设置通风设施,以确保空气流通,防止积聚有害气体。
5. 电气设备:电气设备应符合相关标准,确保安全可靠。
同时,应设置应急照明系统,以应对停电等紧急情况。
三、管理要求1. 车位标识:每个车位应设置明确的标识,便于用户辨识和寻找。
2. 车位管理:可以采用电子锁、智能停车系统等方式,实现车位预约、计时收费以及监控等功能。
3. 安全管理:应在适当位置安装监控设施,保障停车场内的安全。
在夜间或低人流时段,应加强巡视和安全值班。
4. 维护保养:定期检查、维护地下停车场的各项设备和设施,确保其正常运行和良好状态。
地下停车场工程的规范要求涉及到设计、施工和管理等多个方面,通过遵守这些规范,可以提高停车场的使用效率和安全性,为城市的交通管理和居民的出行提供便利。
我们应该重视这些规范要求,并在实践中不断完善和落实。
停车场交通设施施工说明施工方案一、施工背景随着城市发展和社会进步,汽车数量不断增加,停车需求日益凸显。
为满足市民和城市发展的需求,本项目拟在某停车场进行交通设施施工,旨在提升停车场的交通系统和服务品质。
二、施工范围本次交通设施施工范围包括但不限于:1.停车场内道路、标线的划设2.灯光设施的安装3.安全警示设施的设置4.交通指示标识的设置5.其他交通设施的完善与改善三、施工目标1.提升停车场交通运行效率2.提高停车场停车位利用率3.提升停车场的整体形象和服务水平四、施工方案与措施根据停车场实际情况,本次施工拟采取以下方案与措施:1.道路标线施工:在停车场内主要道路进行标线划设,包括车道分隔线、停车区域标记等。
2.灯光设施改善:优化停车场内照明设施,保证夜间停车安全。
3.安全警示设施设置:设置交通警示标志、护栏等,提醒司机注意安全。
4.交通指示标识设置:设置停车场内交通指示牌,引导车辆快速到达目的地。
5.其他设施完善:如需增设出入口通行导向、禁止停车区域划设等,根据实际情况具体施工。
五、施工时间安排本次交通设施施工预计工期为15天,具体施工时间安排如下:•周一至周五:上午9点至下午5点,进行主要施工工作。
•周末:视情况可能延长工作时间,以保证工程进度。
六、施工安全与交通管理1.施工现场设置“施工区域,安全提示”的标识,确保施工人员和车辆安全。
2.施工期间需对停车场交通进行临时调整,设置临时交通指挥员,协调施工和交通流动。
3.施工现场应配备必要的安全设备和消防器材,保障施工人员和设备安全。
七、施工验收与保养1.施工完成后,需由相关部门进行验收,确认交通设施施工符合要求。
2.完工后需进行定期保养和维护,确保交通设施长期有效运行。
八、总结本交通设施施工方案旨在提升停车场交通系统的运行效率和服务水平,同时确保施工过程安全有序进行。
施工方案实施前需充分考虑停车场的实际情况,并根据具体需求进行调整,不断优化施工方案,达到最佳效果。
车库施工中的安全规范与通风要求在进行车库施工时,安全是至关重要的。
本文将介绍一些车库施工中的安全规范,并探讨车库通风的重要性与要求。
一、安全规范1. 建立安全责任制度:车库施工必须建立明确的安全责任制度,并明确每个工作人员的安全职责和义务。
施工队员应接受相关安全培训,了解施工过程中的安全风险和应急措施。
2. 安全防护设施:在车库施工现场,必须设置符合安全规范的防护设施,包括安全帽、安全绳、安全网等。
所有工作人员必须佩戴适合的个人防护装备,并正确使用和保养。
3. 安全标识:车库施工现场应设置明显的安全标识,标示出禁止通行区域、安全出口、消防器材位置等。
工作人员应密切关注标识,并按照标识要求进行操作。
4. 高处作业安全:车库施工中涉及高处作业时,必须设置安全护栏、安全网等防止坠落的设施。
工作人员应经过高空作业培训,并定期检查和维护安全设施。
5. 安全疏散通道:车库施工现场应设置合适的安全疏散通道,并保持畅通。
通道两侧不得堆放杂物,应设有紧急疏散标识,并进行定期演练。
二、通风要求与重要性良好的通风是车库施工中不可忽视的要求。
车库内常常积累有废气、湿气和有害气体,如果没有及时排除,会对施工人员的身体健康产生影响。
1. 保证新风流通:车库施工中要保证新风的流通,以减少施工过程中产生的有害气体积累。
可以通过安装通风设备、开启门窗等方式实现。
2. 排除废气与湿气:施工中产生的废气与湿气需及时排出,以维持车库内的空气质量。
可以通过安装排风系统、设置通风口等方式实现。
3. 防止尘埃滞留:车库施工中常会产生大量尘埃,如果长时间滞留在车库内,会影响工作环境和施工质量。
因此,在施工过程中要做好尘埃控制工作,并定期清理车库。
4. 防止有害气体积累:车库内常常会有焊接、刷漆等工作,产生的有害气体对工作人员造成危害。
因此,在施工过程中要采取合适的排风措施,及时排除有害气体。
三、通风要求1. 通风设备:车库施工现场应配置通风设备,如通风扇、排风机等,以确保空气的流通和质量。
停车场道闸系统施工安装流程规范方案一、前期准备1.设计方案评审:评审停车场布局设计、道闸系统设计、电气布置等方案,确认方案的合理性和可行性。
2.设备采购:根据设计方案,购买符合要求的道闸设备、感应设备、控制器、车牌识别系统等相关设备。
3.材料准备:准备好需要使用的电缆、电线、配件、固定螺栓等材料,并进行分类、整理。
二、施工准备1.安全措施:施工前,落实相关施工安全措施,包括区域隔离、设立警示标志、提供个人防护装备等。
2.工具准备:准备好所需的施工工具和测量仪器,如电钻、电动螺丝刀、电表、测距仪等。
3.工作人员分工:根据施工任务的复杂性和数量,合理分派工作人员,确定每个人的具体职责和工作范围。
三、施工过程1.道闸设备安装:根据设计方案,对道闸设备进行组装和安装,确保各个部件的正确安装和连接牢固。
2.基础施工:如果需要改造或新建道闸基础,按照设计方案进行基础施工,包括挖土、浇筑混凝土等。
3.电气布线:按照设计方案进行电气布线,包括各个设备的连接、线缆的敷设、电源接入等。
4.控制器和感应设备安装:安装控制器和感应设备,并进行电气连接和测试,在测试过程中进行必要的调整和修正,确保设备正常工作。
5.网络配置:如果设备需要网络连接,进行网络配置和设备调试,确保设备能够正常联网并和其他设备进行通信。
6.车牌识别系统安装:根据设计方案安装车牌识别系统的设备和摄像头,在安装过程中注意设备的安全和稳固。
四、施工验收1.系统测试:进行道闸系统的全面测试,包括开、关闸测试,感应设备和控制器的配合测试,车牌识别系统的准确性测试等。
2.功能完善:根据实际需求,完善系统的功能设置,包括收费设置、车位显示、车辆接口等。
3.运行稳定性测试:长时间运行测试,测试系统的稳定性和各个设备的耐久性。
4.安全性评估:评估系统的安全性,包括防止非法闯入、抗外力冲击等方面。
5.交底培训:对施工完成的道闸系统进行相关操作和维护的培训,确保使用人员能够熟练操作和维护设备。
停车场道闸系统施工安装流程规范方案就需要建立安全岛。
安全岛的施工应符合以下标准:1)岛体宽度不小于1.2米,长度根据设备数量和尺寸而定;2)岛体表面应平整,不得有凹凸不平、裂缝等缺陷;3)岛体四周应设立防撞柱或者护栏,柱子直径不小于¢114mm,高度不小于1.2米,护栏高度不小于1.1米;4)岛体表面应刷涂有黄色或者白色的反光漆,以提高夜间的可见性;5)岛体上应设立明显的停车标志,以便车主正确停放车辆。
1.3.2道闸的施工标准道闸是停车场进出口的主要设备之一,其施工应符合以下标准:1)道闸应安装在岗亭和地面之间,高度不小于2.5米,长度根据车道宽度而定;2)道闸应具有自动升降功能,升降时间不得超过3秒;3)道闸杆应采用铝合金材料,外观美观、坚固耐用;4)道闸杆上应安装反光条,以提高夜间的可见性;5)道闸应具有防撞功能,当有车辆试图强行冲闸时,道闸应能够自动升起,以防止车辆撞击;6)道闸应具有手动升降功能,以应对停电等突发情况。
1.3.3地感线的施工标准地感线是停车场道闸系统中的重要组成部分,其施工应符合以下标准:1)地感线应安装在地感槽内,槽深不小于5cm;2)地感线应绕5圈,以提高检测精度;3)地感线应使用BV1.5线,线径不小于1.5mm;4)地感线两端应接地,以确保信号稳定;5)地感线应与强弱电分开布线,不得与其他电线共用一根管。
1.3.4视频监控系统的施工标准视频监控系统是停车场安全管理的重要手段之一,其施工应符合以下标准:1)摄像机应安装在出入口和停车场内的关键位置,以全面监控停车场内的情况;2)摄像机应具有夜视功能,以确保夜间监控效果;3)摄像机应具有防水、防尘等功能,以适应各种恶劣环境;4)摄像机应采用高清晰度的图像传输技术,以提高监控效果;5)视频监控系统应具有远程监控、录像等功能,以便管理人员及时了解停车场内的情况。
1.3.5停车场系统的施工标准总结停车场系统的施工应符合以下标准:1)设备应安装牢固,不得出现松动、倾斜等情况;2)布线应规范,不得出现交叉、短路等情况;3)系统应具有稳定可靠的运行性能,不得出现故障、漏检等情况;4)系统应符合国家相关标准和规定,以确保安全、可靠、高效的运行。
停车场系统施工规范1. 引言本文档主要旨在规范停车场系统的施工过程,确保系统的安全、稳定和高效运行。
本文档适用于停车场系统的规划、设计、安装、调试和验收等各个阶段的施工工作。
2. 规划阶段在停车场系统规划阶段,需要考虑以下因素:2.1 工程背景详细描述停车场系统的建设背景、目的、范围等信息,明确需求和目标。
2.2 基础设施评估停车场系统所需要的基础设施,包括电力、网络、水源等,确保设施满足系统的运行需求。
2.3 功能需求明确停车场系统的功能需求,包括车位管理、收费管理、车辆识别、监控系统等功能,并考虑未来可能的扩展需求。
2.4 建设预算根据工程背景、基础设施和功能需求,确定停车场系统的建设预算,合理控制项目成本。
3. 设计阶段在停车场系统设计阶段,需要进行详细的系统设计和方案选择:3.1 系统拓扑图绘制停车场系统的拓扑图,包括各个硬件设备的布局、连接方式等,确保系统的合理性和可扩展性。
3.2 设备选择根据功能需求和预算要求,选择合适的硬件设备,包括停车场的入口设备、出口设备、识别设备等。
3.3 车位布局根据停车位数量和停车场布局,设计合理的车位布局方案,确保车辆进出和停放的效率。
3.4 网络设计设计停车场系统的网络架构,包括设备之间的网络连接、网络安全等,确保系统的可靠性和安全性。
4. 安装与调试阶段在停车场系统的安装与调试阶段,需要进行以下工作:4.1 硬件安装按照设计方案,对各个硬件设备进行安装,包括摄像头、识别设备、显示屏等。
4.2 计算机系统安装安装停车场系统所需的计算机设备,包括服务器、工作站等,确保系统的稳定和可靠运行。
4.3 软件安装与配置根据系统设计需求,安装并配置相应的软件,确保系统的功能正常运行。
4.4 系统调试对停车场系统进行综合调试,确保各项功能的正常运行,包括车辆识别、车位管理、收费管理等。
4.5 系统验收完成系统调试后,进行系统验收,确保系统符合设计要求,并经过相关部门的验收核准。
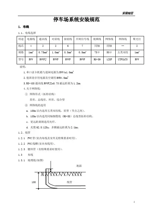
停车场系统施工规范一、停车场系统基本配置一套标准IC 卡停车场系统由管理计算机、打印机、视频捕捉卡、通讯适配器、发行器、临时卡计费器、对讲主机、入出口读卡控制机、入出口道闸、图像对比系统组成.如下图所示:临时卡计费器发行器视频捕捉卡摄像机通讯适配器入口读卡机摄像机入口道闸出口读卡机出口道闸电脑系统布置图:二、施工准备1)工具1、冲击钻:主要用于设备固定、穿墙打孔以及线槽、管线固定,钻头¢22/14/12/82、打磨机:主要用于金属材料的切割、修磨3、手电钻:主要用于金属材料的打孔,钻头¢12/8/4.24、拉钉枪:主要用于金属材料之间的铆合5、手提切割机:主要用于水泥、地感的切割(切片¢180)6、模版:固定安全岛、水泥台7、其他常用工具:万用表、内六方扳手套件、活动扳手、烙铁、剥线钳、尖嘴钳、大小螺丝刀套件、网线钳等。
2)辅材1、水泥、沙子、石子以及打混泥土的工具2、PVC(KBG铁管)及连接接头、弯头、及固定夹,膨胀管、自攻钉、备用膨胀螺栓;3、扎带、防水胶带、热缩管、缠绕带(软管)根据客户的具体配置和设计图纸确定布线方案,以上图为例,列举安全岛的布线方式。
1)485通讯线:从电脑到出入口读卡机,采用两芯屏蔽双绞线,通讯线最远距离不应超过700米,否则需加485中继器。
2)开闸线:出入口读卡机到出入口道闸布两芯屏蔽双绞线。
3)按钮线:道闸到岗亭内的三联按钮布六芯屏蔽线。
4)对讲线:岗亭内的对讲主机到出入口读卡控制机布两芯屏蔽线。
5)网线:如果是远程管理的网络版配置方案,须布网线;从各管理电脑到服务器。
6)视频线:从电脑到出入口摄像机,注意摄像机的电源线不得与聚光灯的电源线共用一根管(在使用低压供电摄像机时),更不能强弱电源线共用一条四芯护线套。
7)地感线:在切好的地感槽内,用BV1。
5线绕5圈。
8)电源线(从配电室到岗亭、出入口道闸、出入口读卡机、聚光灯、摄像机)在布线施工时要求距离地感线圈的最小安全距离不能小于1米.9)所有的管线必须按强弱电分开,导线中间不许有接头。
停车场施工方案一、工程概述本工程为停车场施工方案,旨在提供一种高效、安全、环保的停车解决方案。
工程位于某市区繁华地段,周边建筑密集,交通流量大,需要对原有的道路进行改造,并增设停车位,以提高停车效率。
二、施工目标1、优化停车流程,提高停车效率。
2、增设停车位,满足日益增长的停车需求。
3、提高停车场安全性,保障车辆安全。
4、改善停车场环境,提升用户体验。
三、施工方案1、场地准备:清理施工现场的杂物、障碍物等,对路面进行平整和修复,确保施工前场地的整洁和安全。
2、划线:根据设计图纸,使用热熔涂料划设停车位线、行车通道线等,确保线清晰、规范。
3、安装停车设施:安装停车位标志牌、挡车器、停车感应器等设备,确保车辆停放有序、安全。
4、安装监控设备:在停车场出入口和关键位置安装监控摄像头,确保车辆安全和防止违规行为。
5、绿化美化:在停车场周围种植绿化植物,改善停车场环境,同时设置垃圾桶等设施,保持环境卫生。
6、竣工验收:对施工完成的停车场进行验收,确保各项设施运行正常,符合设计要求。
四、施工注意事项1、施工前应对施工现场进行全面勘察,了解周边环境和地下管线等情况。
2、施工过程中应遵循安全施工原则,采取必要的防护措施,确保人员安全和设备完好。
3、对使用到的材料进行严格把关,确保质量合格。
4、施工过程中应尽量减少对周边环境和交通的影响。
5、施工完成后应进行全面检查和验收,确保符合设计要求和使用安全。
五、总结本工程通过科学合理的施工方案和严格的管理措施,旨在打造一个高效、安全、环保的停车场,以满足市民的停车需求,改善城市交通状况。
同时注重环境保护和绿化美化工作,为市民提供更好的出行体验。
停车场植草砖施工方案一、工程概述本工程为停车场植草砖施工项目,旨在提高停车场的绿化覆盖率,增加车辆停放的安全性,同时提高场地的美观度。
施工地点位于市中心繁华地段,周围环境较为复杂,施工条件有限。
二、施工流程1、场地准备:清理施工现场,确保地面平整,无杂物和障碍物。
住宅小区地下停车场建设标准住宅小区地下停车场的建设标准是指根据相关法律法规和市政建设规范,对地下停车场的设计、施工、使用等方面进行规范性要求,以确保地下停车场的安全、便利和高效。
下面是相关参考内容:一、设计要求:1. 地下停车场的设计应符合《建筑设计防火规范》、《地下建筑设计规范》等相关规范的要求,确保消防设施和疏散通道设置合理。
2. 根据小区规模和居民数量,合理确定地下停车位数量,并确保每个车位的面积满足相关规范要求。
3. 设计应充分考虑通风、排污、照明等设施,保障停车场内部环境的舒适和安全。
4. 针对易滋生火灾的车辆,如电动车、摩托车等,应设置专门的区域,并设置相应的消防设施。
二、施工要求:1. 施工过程中,对土壤质量和地下水位应进行勘察和分析,确保地下停车场的稳定和防水性能。
2. 地下停车场施工需要遵守相关安全法规和施工规范,严格控制施工质量,确保施工过程中不对小区周边环境造成污染和损害。
3. 施工过程中,需要进行地下结构的监测和测量,确保结构的稳定和安全。
三、使用要求:1. 小区业主对地下停车位的使用有优先权,小区管理应建立合理的停车位配比和分配机制。
2. 停车位的使用要遵守交通规则和停车场规定,不得占用他人车位或妨碍他人停车。
3. 停车位的维护和保养应由管理方负责,定期进行清洁、照明等设施的检查和维修。
四、安全管理要求:1. 地下停车场应配备合适的消防设施,如灭火器、消防栓等,并定期进行排查和维护,确保消防设施的完好有效。
2. 车辆入库前应进行安全检查,排除可能引发火灾和事故的隐患。
3. 在地下停车场内应设置足够的标识和导向系统,引导车辆和行人通行,减少事故的发生。
综上所述,住宅小区地下停车场建设标准涉及设计、施工、使用和安全管理等方面。
相关的参考内容包括设计规范、施工规范、停车位配比和分配机制、消防设施配备、安全检查和维护等要求。
只有严格按照相关标准进行建设和管理,才能确保地下停车场的安全、便利和高效。
建筑物停车场施工标准现代城市中,交通流量不断增加,停车成为一个棘手的问题。
为了解决这个问题,建筑物停车场的施工必须符合一定的标准,以确保停车场的安全和有效性。
本文将介绍建筑物停车场施工的标准要求。
一、停车场设计与规划1.1 建筑物停车场的设计应考虑交通流量和车辆类型,确定停车位数量以及停车场布局。
1.2 建筑物停车场的规划应符合当地法律法规,确保建筑物的合法性,并满足紧急疏散和消防安全要求。
二、标识和标线2.1 建筑物停车场应设置明显的停车标识和标线,包括入口、出口、停车位编号等,以引导驾驶员正确停放车辆。
2.2 停车位间距、行车道宽度和转弯半径应符合规范要求,以确保车辆的安全和通行的便利性。
三、排水系统3.1 建筑物停车场应设置合理的排水系统,确保雨水能够迅速排走,避免积水对车辆和行人造成不便和危险。
3.2 排水系统包括雨水管道、排水沟、雨水收集设备等,应经过严密的设计和施工验收,保证排水的畅通性和效果。
四、照明设施4.1 建筑物停车场应配置适当的照明设施,保证夜间停车的安全性。
4.2 照明设施的设置要满足照明强度和照明均匀性的要求,以提供良好的视觉环境,避免事故和犯罪。
五、安全设施5.1 建筑物停车场应设置安全设施,如监控摄像头、安全报警系统等,以提高停车场的安全防范能力。
5.2 安全设施的设置位置和数量应根据停车场的实际情况和需要进行合理规划和调整。
六、施工质量控制6.1 建筑物停车场施工应符合相关施工规范和标准,确保工程质量。
6.2 施工质量控制包括材料选择、施工工艺、工程验收等,要求施工单位合理组织施工过程,确保施工质量达到标准要求。
七、环境保护7.1 建筑物停车场施工过程中应采取环保措施,减少噪音、粉尘等对周围环境和居民的影响。
7.2 施工完成后,应进行环境清理和修复,确保停车场周边环境整洁美观,不影响周边居民的生活。
以上是建筑物停车场施工的标准要求,这些要求旨在确保停车场的安全、便利和环保。
停车场道闸系统施工安装流程规范一、前期准备1.安全规划:对施工过程中的安全风险进行评估,并制定相应的安全措施计划。
2.施工方案:编制详细的施工方案,包括施工进度安排、资源调配、质量控制等内容。
3.材料准备:准备好所需的道闸系统设备、材料及工具,并检查其质量和数量是否符合要求。
4.相关手续:办理施工所需的各项审批手续,包括施工许可证、消防审批等。
二、现场施工1.现场准备:确定好道闸系统的安装位置,并进行现场勘测,确保施工地点符合要求。
2.基础处理:根据设计要求,在施工地点进行基础处理,包括挖掘基坑、浇筑混凝土等步骤。
3.外接电源:根据道闸系统的功率需求,接通外部电源,并确保电源稳定。
4.安装设备:按照道闸系统的设备安装图纸,进行设备的安装,包括道闸机、感应器、控制器等等。
5.接线调试:根据设备的接线图纸,进行设备的接线,并进行相应的调试,确保设备正常运行。
6.现场调试:对整个道闸系统进行现场调试,检查各个设备的功能是否正常,并进行必要的调整。
7.配置软件:根据道闸系统的功能需求,配置相应的软件,包括车牌识别、收费管理等。
8.安全防护:设置相应的安全防护措施,如安装防撞柱、设置警示标志等,以确保道闸系统的安全运行。
三、试运行与验收1.试运行:在道闸系统安装完成后,进行一段时间的试运行,检查系统的稳定性和可靠性。
2.故障排除:在试运行过程中发现的故障,及时进行排除,并重新进行试运行,直至系统正常运行。
3.验收清单:制定施工验收清单,并逐项检查道闸系统各项功能是否符合设计要求。
4.验收报告:编制施工验收报告,记录道闸系统施工的整个过程,并对施工质量进行评估。
四、施工记录1.日志记录:安排专人负责施工现场的日志记录,包括每天的工作内容、工作进度等。
2.现场照片:拍摄施工现场的照片,并进行留存,以便后期检查和评估。
3.故障记录:记录道闸系统试运行和验收过程中的故障情况,及时处理和解决。
五、完工与维护1.完工文件:编制完工文件,包括施工图纸、设备说明书、施工日志等,并进行整理和归档。
停车场工程施工方案一、工程概况停车场位于城市中心商业区,周边有多个商业综合体和写字楼,日均车流量较大,停车需求旺盛。
因此,停车场的规模较大,总建筑面积约为5000平方米。
停车场总共有3层,地上两层是停车位,地下一层是设备整备间和服务设施。
二、施工内容停车场的施工内容主要包括地基基础施工、主体结构施工、设备安装、装饰装修和配套设施建设等。
1. 地基基础施工地基基础施工是整个停车场工程的重中之重,也是工程施工的第一步,包括地面平整、地基开挖、基础浇筑等内容。
地基基础施工的关键在于保证地基的稳固性和承载能力,以确保整个停车场建筑的安全。
2. 主体结构施工主体结构施工包括主体框架搭建、楼板浇筑、墙体砌筑等内容,是整个停车场工程的核心环节。
主体结构的施工需要严格按照设计图纸和规范要求进行,确保建筑的稳定性和安全性。
3. 设备安装停车场设备安装工程主要包括停车场门禁系统、通风系统、照明系统、消防系统等设施的安装。
设备安装施工需要配合建筑主体结构施工进行,确保设备的安装牢固可靠。
4. 装饰装修停车场装饰装修施工主要包括内部墙面涂料、地面铺设、天花板吊顶、门窗安装等内容。
装饰装修施工的质量直接关系到停车场的整体环境品质,要求施工单位严格按照设计要求进行。
5. 配套设施建设配套设施建设包括停车场出入口道路建设、排水系统建设、环境绿化等内容。
配套设施的建设对于整个停车场的使用和管理具有重要影响,要求施工单位在施工中严格按照设计要求进行。
三、施工方案停车场工程施工方案的制定是整个工程施工的重中之重,它涉及到施工组织、工序安排、安全保障等内容。
为了确保停车场工程施工的顺利进行和工程质量的保障,制定了以下施工方案。
1. 施工组织停车场工程施工组织采取总包施工的模式,总包施工单位负责整个停车场工程的施工组织和协调。
施工组织方案主要包括施工队伍组织、施工计划编制、施工现场布置等内容,以确保整个停车场工程施工的有序进行。
2. 工序安排停车场工程施工的工序安排根据工程设计和施工进度进行合理调配,主要包括地基基础施工、主体结构施工、设备安装、装饰装修和配套设施建设等施工内容。
停车场工程施工工艺及要求一、无溶剂环氧树脂地坪施工工艺(一)地面基层处理1、环氧地坪基层处理①、现场清理:清理现场,使地坪操作面没有任何障碍物。
使用工业吸尘器对原有混凝土地面进行吸尘处理。
②、检查地面空鼓:采用敲击法对地面每平方米5个点检查地面有否空鼓现象,重点是施工缝、伸缩缝和裂缝处。
标志出空鼓处。
对于局部、小面积空鼓处,采用电动切割机将空鼓部分切除,并用速凝高强水泥自流平修补。
③、含水率测定:把45cm^ 45cm塑料薄膜平放在混凝土表面,用胶带纸密圭寸四边16小时后,薄膜下出现水珠或混凝土表面变黑,说明混凝土过湿,将该区域标志。
④、排除水分:对含水率超标区域,最好的除湿方法是通风排湿,首先加强含水率超标区域的通风。
对通风不利或正常通风不宜排除水分的区域应增加大功率排风扇加速通风效果。
⑤、研磨预处理:使用研磨机对明显凹凸不平的区域进行研磨预处理。
⑥、灰尘清理:使用工业真空吸尘器对地面进行吸尘处理,必要时进行多次吸尘处理。
2、地面空鼓处理采用灌注环氧灌缝胶的方法进行处理。
(二)地面缝隙及凹坑处理1、标志缝隙及凹坑:使用自喷漆标志出不规则裂缝和凹坑部位。
2、裂缝剔除及凹坑剔凿:使用切割机和剔凿工具将不规则裂缝切开并处理干净。
使得剔凿工具将凹坑、施工缝和伸缩剔凿干净。
3、缝隙及凹坑打底:用油漆刷将配制好的环氧底漆涂布于处理好的凹坑和缝隙中4、环氧胶泥修补:使用配制好的环氧胶泥修补凹坑、不规则裂缝和无需留置填充弹性材料的施工缝。
对伸缩缝和需要填充弹性材料的施工缝作留缝处理。
(三)1.5m m环氧树脂涂装地面1、应用区域:地库地面2、系统结构图:蠻层腻子层;I ----------------- 中涂层(四八施工工艺描述1底涂安装底涂层一:在处理好的地坪吸尘后涂刷环氧地坪底漆,环氧地坪底漆按无溶剂及固化剂的重量比用量具准确计量并搅拌均匀。
采取滚涂或刮涂的方法在处理好的基层上涂刷环氧地坪封闭底漆,涂刷应均匀,厚薄一致,确保封闭底漆完全涂满地面。
停车场系统施工规范一、停车场系统基本配置一套标准IC 卡停车场系统由管理计算机、打印机、视频捕捉卡、通讯适配器、发行器、临时卡计费器、对讲主机、入出口读卡控制机、入出口道闸、图像对比系统组成。
如下图所示:临时卡计费器发行器视频捕捉卡摄像机通讯适配器入口读卡机摄像机入口道闸出口读卡机出口道闸电脑系统布置图:二、施工准备1)工具1、冲击钻:主要用于设备固定、穿墙打孔以及线槽、管线固定,钻头¢22/14/12/82、打磨机:主要用于金属材料的切割、修磨3、手电钻:主要用于金属材料的打孔,钻头¢12/8/4.24、拉钉枪:主要用于金属材料之间的铆合5、手提切割机:主要用于水泥、地感的切割(切片¢180)6、模版:固定安全岛、水泥台7、其他常用工具:万用表、内六方扳手套件、活动扳手、烙铁、剥线钳、尖嘴钳、大小螺丝刀套件、网线钳等。
2)辅材1、水泥、沙子、石子以及打混泥土的工具2、PVC(KBG铁管)及连接接头、弯头、及固定夹,膨胀管、自攻钉、备用膨胀螺栓;3、扎带、防水胶带、热缩管、缠绕带(软管)根据客户的具体配置和设计图纸确定布线方案,以上图为例,列举安全岛的布线方式。
1)485通讯线:从电脑到出入口读卡机,采用两芯屏蔽双绞线,通讯线最远距离不应超过700米,否则需加485中继器。
2)开闸线:出入口读卡机到出入口道闸布两芯屏蔽双绞线。
3)按钮线:道闸到岗亭内的三联按钮布六芯屏蔽线。
4)对讲线:岗亭内的对讲主机到出入口读卡控制机布两芯屏蔽线。
5)网线:如果是远程管理的网络版配置方案,须布网线;从各管理电脑到服务器。
6)视频线:从电脑到出入口摄像机,注意摄像机的电源线不得与聚光灯的电源线共用一根管(在使用低压供电摄像机时),更不能强弱电源线共用一条四芯护线套。
7)地感线:在切好的地感槽内,用BV1.5线绕5圈.8)电源线(从配电室到岗亭、出入口道闸、出入口读卡机、聚光灯、摄像机)在布线施工时要求距离地感线圈的最小安全距离不能小于1米。
9)所有的管线必须按强弱电分开,导线中间不许有接头。
10)聚光灯开关无特殊要求一般在岗亭控制。
线缆标准用途地感电源通讯对讲按钮开闸视频网络光纤线芯 1 3 2 2 6 6 同轴8 2规格1mm2 1mm2 软线1.0mm21.0mm20.75mm2 0.75mm2 75Ω双绞62.5/125u材质铁氟龙RVV RVSP RVVP RVVP RVVP SYV75-5 五类多模三、施工标准1、安全岛的施工标准在马路当中建一个环形水泥墩,俗称安全岛。
安全岛主要是起摆放设备以及防止车辆撞击设备的作用。
如因马路宽度限制设备安装于路边时,应在路边做设备安装地基。
停车场管理系统的安全岛相当于建筑房屋的地基,不仅可以承载设备工作时的应力,尤其道闸的应力可达几百公斤,而且可以保护设备和线路,同时规范车辆进出的车道,使工程外观更专业。
因此安全岛的制作会直接影响系统的性能。
制作安全岛按以下步骤进行:1按图纸画出安全岛的形状线条。
2如果现场地面是松软的泥土,须将地面挖深50公分,并用混凝土浇注。
3用木板沿安全岛形状线条围起一个高15公分的框架。
4用水泥、石子、沙子比例为1:1:1的混凝土浇注,用木板围起的安全岛框架,浇注完后找出水平面。
至少一个星期后,等待混凝土完全凝固干燥后,用高标号水泥抹平安全岛表面。
然后在安全岛侧面刷黄黑30公分相间的路标漆,等干燥后,安全岛就制作完成了。
安全岛施工注意事项:a)如岛上同时放置岗亭的话,宽度应该在150cm-180cm左右,如安全岛受路宽限制只能放置设备时,宽度约在40cm-80cm。
b)安全岛的长度约在500cm-900cm之间。
c)安全岛应高出地面约10cm-20cmd)如设备安装的地面为水泥基础时,安全岛可直接在地面上铺设,但铺设的地方应该以星型每间隔25厘米打一根钢筋(Φ20以上),钢筋应深入地面不低于5厘米、外露不低于5厘米。
e)如设备安装的地面为沥青基础时,安全岛可直接在地面上铺设,但铺设的地方应该以星型每间隔25厘米打一根钢筋(Φ20以上),钢筋应深入地面不低于20厘米、外露不低于5厘米。
f)如设备安装的位置为泥土基础(设备安装于路边或花坛边)时,应在位置处挖坑,使安全岛或地基深入地面30厘米以上。
g)安全岛与地基的材料:大厂生产的425#硅酸盐水泥、中砂,避免使用泥土、石头、石块、砖块等材料。
布管要求与注意事项a)线管配线有明配和暗配两种,明配管要求横平竖直、整齐美观。
暗配管要求管路短、畅通、弯头少。
b)线管的选择,按设计图选择管材种类和规格,如无规定时,可按线管内所穿导线的总面积(连外皮),不超过管子内孔截面积的70%的限度进行选配。
随建筑施工同步敷设管道时,有条件的应将管道敷设在建筑体内,并要求按建筑敷设规范选用管道的材料和敷设方式,对不便敷设在建筑体内的管道,宜采用镀锌钢管、PVC管,封闭金属线槽或封闭PVC线槽。
c)对有强磁干扰的场所,应采用镀锌钢管或封闭金属线槽敷设并做接地处理。
d)对有酸、碱腐蚀性介质与潮湿的场所,应采用PVC管敷设,但PVC管不适用于高温、易碰撞与易摩擦场所。
e)为便于管子穿线和维修,在管路长度超过下列数值时,中间应加装接线盒或拉线盒,其位置应便于穿线。
(1)、管子长度每超过40米、无弯曲时;(2)、长度每超过25米、有一弯时;(3)、长度每超过15米、有两个弯时;(4)、长度每超过10米、有三个弯时;f)线管的固定、线管在转弯处或直线距离每超过1.5米应加固定夹子。
g)电线线管的弯曲半径应符合所穿入电缆弯曲半径的规定。
h)凡有沙眼、裂纹和较大变形的管子禁止使用于配线工程。
i)线管的连接应加套管连接或扣连接。
j)竖直敷设的管子,按穿入导线截面的大小,在每隔10-20米处,增加一个固定穿线的接线盒,用绝缘线夹将导线固定在盒内,导线越粗,固定点之间的距离越短。
k)在不进入盒(箱)内的垂直管口,穿入导线后,应将管口作密封处理。
l)接线盒的固定应不少于三个螺钉,并加盖。
m)连线盒与管子的连接应加杯梳。
n)线管的分支处应加分线盒。
o)暗埋管道深度不应小于10厘米。
暗埋管进入机箱设备应外露5-10厘米p)车辆行驶的路面下的暗埋管道应采用金属管。
布线规范及注意事项1、布线不仅要求安全可靠,而且要使线路布置合理、整齐,安装牢固。
2、所使用的导线,其额定电压应大于线路的工作电压;导线的绝缘应符合线路的安装方式和敷设的环境条件。
导线的截面积应能满足供电和机械强度的要求。
3、配线时应尽量避免导线有接头。
除非必须用接头不可的,其接头必须采用压线或焊接。
导线连接和分支处不应受机械力的作用。
4、配线在建筑物内的要保持水平或垂直。
配线应加套管保护(塑料或铁水管,按室内配线的技术要求选配),天花板走线可用金属软管,但需固定稳妥美观。
5、信号线不能与大功率电力线平行,更不能穿在同一管内。
如因环境所限,要平行走线,则要远离50CM以上。
信号线所在管道应使用金属管,并将管道良好接地。
6、交流电源应单独走线,不能与信号线和低压直流电源线穿在同一管内,交流电源线的安装应符合电气安装标准。
7、管道串线前应先清刷管孔,穿放电缆时宜抹黄油或滑石粉,进入管口的电缆应保持平直,并应采取防潮、防腐等处理措施。
8、敷设的线路两端应留适当余量,以便于维护及管理。
线路敷设完成后,应对线路进行校对与绝缘测试并加线标。
线路校对无误、绝缘测试符合要求后,对线路做标示明显的永久标记。
根据实际敷设情况提交线路敷设图纸(竣工图),对中间接头以及接头的处理方法加以标注。
2、地感线圈的施工标准以及注意事项地感线圈的制作方法地感线圈是停车场管理系统中的重要零件,它的工作稳定性直接影响整个系统的运行效果,因此地感线圈的制作是工程安装过程中很重要的一个工作环节。
1)切地感A、地感线圈的尺寸:地感线圈的尺寸随路面宽度的不同而有所不同。
一般尺寸为1.8*0.6M的长方形,路面太宽时,地感线圈两边距离路面边缘为0.6-1.0M。
地感线圈长度超过2M时,宽度一般定为0.8M-1.0M。
B、制作方法及步骤(1)、确定位置用记号笔、直尺在混凝土地面上画一个长1.8M,宽0.6M的长方形,去掉直角,斜角尺寸75mm*75mm, 并从靠近设备的一角画一线到控制机或道闸的安装中引馈线,如图8.5所示:图8.5(2)用切割机沿笔线切割混凝土地面,切割深度为50mm,宽度为4mm。
馈线槽的宽度为7MM,深度为50mm。
(3)切完槽后用清水将槽中泥浆冲洗干净。
(4)用吹风机将槽吹干,要保证槽的底面发白。
(5)用1.5平方32股软线绕切割槽顺时针方向或逆时针方向绕4或6圈(道闸为6圈,控制机为4圈),引出线要进行双绞后放入馈线槽中,至机箱安装处预留1.5-2.0M 的长度。
(6)沿槽浇灌沥青,并将多余的沥青铲除,以保证路面干净。
(7)用噴枪沿槽噴一遍,将槽内沥青完全和水泥、线熔为一体。
技术要求(1)、感应线圈切割槽深度≥50mm,宽度≥4mm;馈线切槽深度≥50mm,宽度≥7mm (2)、绕线圈数为6圈(道闸)或4圈(控制机),绕线在槽内必须拉紧,引出线必须双绞,且双绞次数不得小于20编/米,一般尽可能多;(3)、绕线应用一根完整的导线,不得有中间接头;(4)、浇灌的沥青必须充分熔化,以利于填充槽内每一个空隙而紧固线圈,不会因为路面上有车时会造成线圈松动而影响感应。
(5)、线必需耐高温,避免沥青烫破皮。
(6)、制作完成后电感量在80-150uH。
3、设备安装施工首先根据订货合同校对设备型号、数量、配置1)安装位置A.设备安装应尽量方便车主刷卡,安装在平台位置(水平找平);有转弯要安装在转弯后打直通道;有地下车库时,入口票箱应尽量安装在坡上平台,出口安装在坡下平台,以免异常时阻塞在半坡或半坡起步;B.收费岗亭应尽量放置在出口票箱旁,方便车主刷卡后顺便将临时卡或现金通过窗口缴于值班员,避免值班员出去收费。
2)安装方式(基本有四种)3)施工规范以及注意事项A.设备定位:由甲方代表、安装负责人根据现场情况而定,由甲方代表签字认可。
但必须满足以下技术要求:a)读卡机与道闸距离;读卡设备距道闸距离一般为3.5 米,最近不小于2.5 米,主要是防止读卡时车头可能触到栏杆;对于地下停车场,读卡设备应尽量摆放在比较水平的地面,否则车辆在上下坡时停车读卡会比较麻烦;对于地下停车场,道闸上方若有阻挡物则需选用折杆式道闸,阻挡物高度-1.2米即为折杆点位置;b)摄像机立柱一般装在道闸后面约50cm处,有安全岛的、为了适应白天夜间及车辆停放位置的不同,一般安装在离地面40cm高的位置。
此定位须跟据现场环境并经甲方负责人认可;c)聚光灯应安装在摄像机的立柱顶端,这样可减小夜间的灯光对驾驶员刺眼的感觉;d)读卡机、道闸安装垂直和水平倾斜度不应 >±1°(如图标);e)道闸、读卡机垂直于水平地面倾斜度不大于1°;f)道闸杆垂直于车行方向,垂直度误差不得超过1°;g)道闸闸杆应垂直于地感线圈的中部,车辆离开或进入地感范围应能起到防砸车的作用;h)与地面接触紧密,间隙处用水泥抹平,用Ф12的膨胀螺栓固定牢固,读卡机不得有松动摇摆现象,道闸开关闸机身不得摇摆;i)读卡机、道闸不得超出车道线,垂直误差不得大于3mm;j)岗亭应装在安全岛中间、两边距安全岛的边距应相等,安全岛内岗亭根据现场环境应尽量向出口读卡机处靠近,便于临时车辆收费及图像抓拍。