停车场系统施工规范讲义
- 格式:docx
- 大小:135.58 KB
- 文档页数:11
智能停车场系统施工规范及要点现在智能停车场已经被广泛运用,如何对停车场系统进行施工布线成了很数刚做停车场项弱电工程商的一大难题,停车场主要配置组成是:系统由入口控制机、出口控制机、自动道闸、车辆检测器、通讯转换器、管理软件,满位显示屏、收费显示屏、发行机、图象捕捉卡、摄像机、感应卡等组成。
停车场系统项目施工规范:一、工程施工主要材料、工具要求1、出入口控制机、自动道闸等包装应完好,材料外观不应有破损,附件、备件、工具应齐全。
2、工程施工布线标准、线材规格型号、应符合停车场工程设计要求及标准停车场的有关规定。
3、携带好齐全的相关单据,及资料。
二、工程施工布线技术要求停车场系统布线不仅要求安全可靠,而且要使线路布置合理、整齐,安装牢固。
线缆在建筑物内安装要保持水平或垂直,并应加套管保护和使线缆固定稳妥美观;220V强电与信号线要分开铺设,更不能穿在同一管内,距离大于50CM;并且所有走线都必须套管,PVC 管和镀锌管都可以,避免老鼠咬断线路引起故障;若线路中间有断点,需将断点用烙铁焊上并做好绝缘处理;布线时一定要对线缆做好标记,方便以后的安装、调试和维护。
机板采用SMD贴片技术,高精度元器件,成熟合理的电路设计,减少分离器件,选用大规模集成电路,从而保证了整个系统的安全性及稳定性。
1、电源线出入口道闸、出入口控制机需要220V电源,采用三芯屏蔽线(RVVP3*1.5),一般接到专线UPS专线供电,在某些情况下AC220V电源也可就近接取,但应符合相关规范,要确保系统中AC220V插座中的地线真实接地。
2、联网线(控制机—控制机或控制机—电脑)停车场联网方式可以分为:485通讯、TCP/IP通讯、RS422通讯等485联网线必须采用屏蔽双绞线RVVSP2*0.5,485总线长度,理论上是可以达到1200米,建议不要超过1000米。
如果超过请选用485HUB或者中继器来改善通讯环境。
为了保证通信的稳定,在通讯线末端接电阻,或者把所有的屏蔽层都连接起来,末端可以悬空或者根据情况接到大地上。
停车场管理系统施工资料(道闸及车牌识别摄像机高清抓拍)目录第一章简介 (5)1.1目的 (5)1.2范围 (5)1.3系统使用范围 (5)1.4施工流程 (5)第二章现场勘测 (6)2.1了解勘测需求 (6)2.2工具及材料准备 (7)2.3出入口点位勘测记录参考 (7)2.4出入口点位设计标准 (8)2.5点位勘测记录表 (8)第三章施工规范及工艺 (10)3.1管的分类 (10)3.2布管(布槽)的技术要求 (10)3.3布线的技术要求 (11)第四章设备布局 (11)4.1 设备安装布局 (11)4.2 线缆布设 (17)第五章具体施工实施方法 (18)5.1 安全岛、设备基础施工 (18)5.1.1 制作方法 (18)5.2 地感线圈 (23)5.2.1制作方法 (23)5.2.2地感线圈的尺寸 (23)5.2.3制作方法及步骤 (23)5.2.4技术要求 (25)5.3设备安装 (25)5.3.1立杆安装 (25)5.3.2安装抓拍单元 (26)5.3.3安装视频补光灯 (27)5.3.4安装抓拍一体机 (28)5.3.5安装远距离读卡器 (28)5.3.6 自动挡车器和控制机安装要求 (29)5.3.7 设备安装后效果 (30)5.4出入口施工注意事项 (31)第六章设备接线 (32)6.1 自动挡车器接线图 (32)6.2 抓拍单元和补光灯接线图 (32)6.3 远距离读卡器接线图 (33)6.4 一体机接线 (33)6.5 整体接线---配抓拍一体机 (34)6.6 整体接线---配普通抓拍机 (34)施工安全须知★施工人员应先按要求穿戴好反光背心和安全帽,严禁穿凉鞋拖鞋及酒后进入施工现场。
★切勿带电作业,确保用电安全,有电线外露部分,首先需要测量验电,确定后再进行施工作业,接线部位应严格的绝缘包扎。
★雨天和雪天进行作业时,必须采取可靠地防滑、防寒和防冻措施,凡水、冰、霜、雪都应及时清除;遇有六级以上大风或恶劣天气时应停止作业。
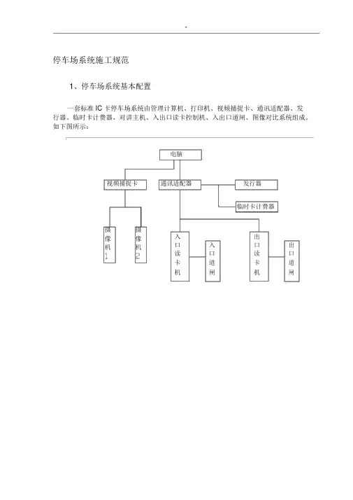
''停车场系统施工规范1、停车场系统基本配置一套标准 IC 卡停车场系统由管理计算机、打印机、视频捕捉卡、通讯适配器、发行器、临时卡计费器、对讲主机、入出口读卡控制机、入出口道闸、图像对比系统组成。
如下图所示:电脑视频捕捉卡通讯适配器发行器临时卡计费器摄摄入出像像口入口出机机读口读口卡道卡道机闸机闸''系统布置图:2、施工准备2.1 、工具2.1.1、冲击钻:主要用于设备固定、穿墙打孔以及线槽、管线固定,钻头¢22/14/12/82.1.2、打磨机:主要用于金属材料的切割、修磨2.1.3、主要用于金属材料的打孔,钻头¢ 12/8/4.22.1.4、拉钉枪:主要用于金属材料之间的铆合2.1.5、手提切割机:主要用于水泥、地感的切割(切片¢180)2.1.6、模版:固定安全岛、水泥台2.1.7 、其他常用工具:万用表、内六方扳手套件、活动扳手、烙铁、剥线钳、尖嘴钳、大小螺丝刀套件、网线钳等。
2.2 、辅材2.2.1 、水泥、沙子、石子以及打混泥土的工具2.2.2 、PVC(KBG铁管 ) 及连接接头、弯头、及固定夹,膨胀管、自攻钉、备用膨胀螺栓;2.2.3 、扎带、防水胶带、热缩管、缠绕带(软管)根据客户的具体配置和设计图纸确定布线方案,以上图为例,列举安全岛的布线方式。
2.2.3.1 、485 通讯线:从电脑到出入口读卡机,采用两芯屏蔽双绞线,通讯线最远距离不应超过 700 米,否则需加 485 中继器。
2.2.3.2 、开闸线:出入口读卡机到出入口道闸布两芯屏蔽双绞线。
2.2.3.3 、按钮线:道闸到岗亭内的三联按钮布六芯屏蔽线。
2.2.3.4 、对讲线:岗亭内的对讲主机到出入口读卡控制机布两芯屏蔽线。
2.2.3.5 、网线:如果是远程管理的网络版配置方案,须布网线;从各管理电脑到服务器。
2.2.3.6 、视频线:从电脑到出入口摄像机,注意摄像机的电源线不得与聚光灯的电源线共用一根管(在使用低压供电摄像机时),更不能强弱电源线共用一条四芯护线套。
停车场系统施工规范1. 引言本文档主要旨在规范停车场系统的施工过程,确保系统的安全、稳定和高效运行。
本文档适用于停车场系统的规划、设计、安装、调试和验收等各个阶段的施工工作。
2. 规划阶段在停车场系统规划阶段,需要考虑以下因素:2.1 工程背景详细描述停车场系统的建设背景、目的、范围等信息,明确需求和目标。
2.2 基础设施评估停车场系统所需要的基础设施,包括电力、网络、水源等,确保设施满足系统的运行需求。
2.3 功能需求明确停车场系统的功能需求,包括车位管理、收费管理、车辆识别、监控系统等功能,并考虑未来可能的扩展需求。
2.4 建设预算根据工程背景、基础设施和功能需求,确定停车场系统的建设预算,合理控制项目成本。
3. 设计阶段在停车场系统设计阶段,需要进行详细的系统设计和方案选择:3.1 系统拓扑图绘制停车场系统的拓扑图,包括各个硬件设备的布局、连接方式等,确保系统的合理性和可扩展性。
3.2 设备选择根据功能需求和预算要求,选择合适的硬件设备,包括停车场的入口设备、出口设备、识别设备等。
3.3 车位布局根据停车位数量和停车场布局,设计合理的车位布局方案,确保车辆进出和停放的效率。
3.4 网络设计设计停车场系统的网络架构,包括设备之间的网络连接、网络安全等,确保系统的可靠性和安全性。
4. 安装与调试阶段在停车场系统的安装与调试阶段,需要进行以下工作:4.1 硬件安装按照设计方案,对各个硬件设备进行安装,包括摄像头、识别设备、显示屏等。
4.2 计算机系统安装安装停车场系统所需的计算机设备,包括服务器、工作站等,确保系统的稳定和可靠运行。
4.3 软件安装与配置根据系统设计需求,安装并配置相应的软件,确保系统的功能正常运行。
4.4 系统调试对停车场系统进行综合调试,确保各项功能的正常运行,包括车辆识别、车位管理、收费管理等。
4.5 系统验收完成系统调试后,进行系统验收,确保系统符合设计要求,并经过相关部门的验收核准。
本页为作品封面,下载后可以自由编辑删除,欢迎下载!!!精品文档【精品word文档、可以自由编辑!】费显示屏、发行机、图象捕捉卡、摄像机、感应卡等组成。
伴随着安防科技发展的新技术、新产品的技术要求,本着服务社会、用户第一的宗旨,特制定以下规范。
一、工程施工主要材料、工具要求1、出入口控制机、自动道闸等包装应完好,材料外观不应有破损,附件、备件、工具应齐全。
2 、工程施工布线标准、线材规格型号、应符合停车场工程设计要求及标准停车场的有关规定。
3 、携带好齐全的相关单据,及资料。
二、工程施工布线技术要求停车场系统布线不仅要求安全可靠,而且要使线路布置合理、整齐,安装牢固。
线缆在建筑物内安装要保持水平或垂直,并应加套管保护和使线缆固定稳妥美观;220V强电与信号线要分开铺设,更不能穿在同一管内,距离大于50CM;并且所有走线都必须套管,PVC 管和镀锌管都可以,避免老鼠咬断线路引起故障;若线路中间有断点,需将断点用烙铁焊上并做好绝缘处理;布线时一定要对线缆做好标记,方便以后的安装、调试和维护。
1、电源线出入口道闸、出入口控制机需要220V 电源,采用三芯屏蔽线(RVVP3*1.5),一般接到专线UPS 专线供电,在某些情况下AC220V 电源也可就近接取,但应符合相关规范,要确保系统中AC220V 插座中的地线真实接地。
2、联网线(控制机—控制机或控制机—电脑)停车场联网方式可以分为:485 通讯、TCP/IP 通讯、RS422 通讯等485 联网线必须采用屏蔽双绞线RVVSP2*0.5,485 总线长度,理论上是可以达到1200米,建议不要超过1000 米。
如果超过请选用485HUB 或者中继器来改善通讯环境。
为了保证通信的稳定,在通讯线末端接电阻,或者把所有的屏蔽层都连接起来,末端可以悬空或者根据情况接到大地上。
485 网络必须是总线型结构,不允许全部或局部星型结构。
TCP/IP 联网线可以选择超五类非屏蔽双绞线,控制机到交换机或HUB 的距离要小于100米。
停车场系统施工规范一、停车场系统基本配置一套标准IC 卡停车场系统由管理计算机、打印机、视频捕捉卡、通讯适配器、发行器、临时卡计费器、对讲主机、入出口读卡控制机、入出口道闸、图像对比系统组成。
如下图所示:临时卡计费器发行器视频捕捉卡摄像机通讯适配器入口读卡机摄像机入口道闸出口读卡机出口道闸电脑系统布置图:二、施工准备1)工具1、冲击钻:主要用于设备固定、穿墙打孔以及线槽、管线固定,钻头¢22/14/12/82、打磨机:主要用于金属材料的切割、修磨3、手电钻:主要用于金属材料的打孔,钻头¢12/8/4.24、拉钉枪:主要用于金属材料之间的铆合5、手提切割机:主要用于水泥、地感的切割(切片¢180)6、模版:固定安全岛、水泥台7、其他常用工具:万用表、内六方扳手套件、活动扳手、烙铁、剥线钳、尖嘴钳、大小螺丝刀套件、网线钳等。
2)辅材1、水泥、沙子、石子以及打混泥土的工具2、PVC(KBG铁管)及连接接头、弯头、及固定夹,膨胀管、自攻钉、备用膨胀螺栓;3、扎带、防水胶带、热缩管、缠绕带(软管)根据客户的具体配置和设计图纸确定布线方案,以上图为例,列举安全岛的布线方式。
1)485通讯线:从电脑到出入口读卡机,采用两芯屏蔽双绞线,通讯线最远距离不应超过700米,否则需加485中继器。
2)开闸线:出入口读卡机到出入口道闸布两芯屏蔽双绞线。
3)按钮线:道闸到岗亭内的三联按钮布六芯屏蔽线。
4)对讲线:岗亭内的对讲主机到出入口读卡控制机布两芯屏蔽线。
5)网线:如果是远程管理的网络版配置方案,须布网线;从各管理电脑到服务器。
6)视频线:从电脑到出入口摄像机,注意摄像机的电源线不得与聚光灯的电源线共用一根管(在使用低压供电摄像机时),更不能强弱电源线共用一条四芯护线套。
7)地感线:在切好的地感槽内,用BV1.5线绕5圈.8)电源线(从配电室到岗亭、出入口道闸、出入口读卡机、聚光灯、摄像机)在布线施工时要求距离地感线圈的最小安全距离不能小于1米。
停车场系统施工规范一、停车场系统基本配置一套标准IC 卡停车场系统由管理计算机、打印机、视频捕捉卡、通讯适配器、发行器、临时卡计费器、对讲主机、入出口读卡控制机、入出口道闸、图像对比系统组成。
如下图所示:临时卡计费器发行器视频捕捉卡摄像机通讯适配器入口读卡机摄像机入口道闸出口读卡机出口道闸电脑系统布置图:二、施工准备1)工具1、冲击钻:主要用于设备固定、穿墙打孔以及线槽、管线固定,钻头¢22/14/12/82、打磨机:主要用于金属材料的切割、修磨3、手电钻:主要用于金属材料的打孔,钻头¢12/8/4.24、拉钉枪:主要用于金属材料之间的铆合5、手提切割机:主要用于水泥、地感的切割(切片¢180)6、模版:固定安全岛、水泥台7、其他常用工具:万用表、内六方扳手套件、活动扳手、烙铁、剥线钳、尖嘴钳、大小螺丝刀套件、网线钳等。
2)辅材1、水泥、沙子、石子以及打混泥土的工具2、PVC(KBG铁管)及连接接头、弯头、及固定夹,膨胀管、自攻钉、备用膨胀螺栓;3、扎带、防水胶带、热缩管、缠绕带(软管)根据客户的具体配置和设计图纸确定布线方案,以上图为例,列举安全岛的布线方式。
1)485通讯线:从电脑到出入口读卡机,采用两芯屏蔽双绞线,通讯线最远距离不应超过700米,否则需加485中继器。
2)开闸线:出入口读卡机到出入口道闸布两芯屏蔽双绞线。
3)按钮线:道闸到岗亭内的三联按钮布六芯屏蔽线。
4)对讲线:岗亭内的对讲主机到出入口读卡控制机布两芯屏蔽线。
5)网线:如果是远程管理的网络版配置方案,须布网线;从各管理电脑到服务器。
6)视频线:从电脑到出入口摄像机,注意摄像机的电源线不得与聚光灯的电源线共用一根管(在使用低压供电摄像机时),更不能强弱电源线共用一条四芯护线套。
7)地感线:在切好的地感槽内,用BV1.5线绕5圈.8)电源线(从配电室到岗亭、出入口道闸、出入口读卡机、聚光灯、摄像机)在布线施工时要求距离地感线圈的最小安全距离不能小于1米。
停车场道闸系统施工安装流程规范施工标准应该符合相关建筑规范和安全标准。
安全岛的建造应当坚固耐用,表面平整,不得有裂缝、起砂、起泡等缺陷。
安全岛的高度应符合设计要求,且应在夜间装上反光标志,以提高夜间的可见性。
2、道闸的施工标准道闸的安装应符合相关规范和标准,道闸的高度、长度、宽度应符合设计要求。
道闸的控制系统应该可靠,能够稳定运行。
道闸的开关时间应该合理,不得影响车辆的通行。
道闸的杆体表面应平整光滑,不得有锈蚀、变形等缺陷。
道闸的安装位置应符合设计要求,不得影响车辆的通行和停车。
3、摄像机的施工标准摄像机的安装位置应符合设计要求,能够拍摄到停车场内的所有区域。
摄像机的安装高度应符合设计要求,不得影响车辆的通行和停车。
摄像机的安装角度应该合理,能够拍摄到车辆的车牌和车辆外观。
摄像机的画面质量应该清晰,不得有模糊、失真等情况。
4、电线电缆的施工标准电线电缆的敷设应符合相关规范和标准,电线电缆的线径、节数、材质应符合设计要求。
电线电缆的敷设应分强弱电,不得混装。
电线电缆的敷设应保持整齐、美观,不得有交叉、搭接等情况。
电线电缆的接头应该牢固可靠,不得有松动、脱落等情况。
道闸是一种保护设备和线路的重要装置,其承载设备工作时的应力可达几百公斤。
同时,规范车辆进出的车道可以使工程外观更专业,因此安全岛的制作会直接影响系统的性能。
制作安全岛的步骤如下:首先按图纸画出安全岛的形状线条。
如果现场地面是松软的泥土,需要将地面挖深50公分,并用混凝土浇注15公分的框架,用木板沿安全岛形状线条围起。
然后用水泥、石子、沙子比例为1:1:1的混凝土浇注,浇注完后找出水平面。
至少一个星期后,等待混凝土完全凝固干燥后,用高标号水泥抹平安全岛表面。
然后在安全岛侧面刷黄黑30公分相间的路标漆,等干燥后,安全岛就制作完成了。
在安全岛的制作过程中,需要注意以下事项:如岛上同时放置岗亭的话,宽度应该在150cm-180cm左右,如安全岛受路宽限制只能放置设备时,宽度约在40cm-80cm之间。
停车场系统施工规范、停车场系统基本配置一套标准IC 卡停车场系统由管理计算机、打印机、视频捕捉卡、通讯适配器、发 行器、临时卡计费器、对讲主机、入出口读卡控制机、入出口道闸、 成。
如下图所示:电脑视频捕捉卡 I 通讯适配器系统布置图:如岀口无 出卡机, 感摄摄像像 机机-■j 临时卡计费器入口读卡机出 口 道 闸显示屏入口控制 机-出口 ■斷出口 1握 无无需地 感岗亭出口控制机地惑检测图像对比系统组二、施工准备1) 工具手提切割机:主要用于水泥、地感的切割(切片e 180)6、 模版:固定安全岛、水泥台7、 其他常用工具:万用表、内六方扳手套件、活动扳手、烙铁、剥线钳、尖嘴钳、 大小螺丝刀套件、网线钳等。
2) 辅材1、 水泥、沙子、石子以及打混泥土的工具2、 PVC (KBG 铁管 )及连接接头、弯头、及固定夹,膨胀管、自攻钉、备用膨胀螺 栓;3、 扎带、防水胶带、热缩管、缠绕带(软管)根据客户的具体配置和设计图纸确定布线方案,以上图为例,列举安全岛的布线 方式。
1) 485 通讯线:从电脑到出入口读卡机,采用两芯屏蔽双绞线,通讯线最远距离 不应超过700 米,否则需加 485 中继器。
2)开闸线:出入口读卡机到出入口道闸布两芯屏蔽双绞线。
3)按钮线:道闸到岗亭内的三联按钮布六芯屏蔽线。
4)对讲线:岗亭内的对讲主机到出入口读卡控制机布两芯屏蔽线。
5)网线:如果是远程管理的网络版配置方案, 须布网线; 从各管理电脑到服务器。
6) 视频线:从电脑到出入口摄像机,注意摄像机的电源线不得与聚光灯的电源线共用一根管(在使用低压供电摄像机时) ,更不能强弱电源线共用一条四芯护线套。
7)地感线:在切好的地感槽内,用 BV1.5线绕5圈.8)电源线(从配电室到岗亭、出入口道闸、出入口读卡机、聚光灯、摄像机)在布线施工时要求距离地感线圈的最小安全距离不能小于 1 米。
1、 冲击钻: 主要用于设备固定、穿墙打孔以及线槽、管线固定,钻头e 22/14/12/82、 打磨机: 主要用于金属材料的切割、修磨3、 手电钻: 主要用于金属材料的打孔,钻头e 12/8/4.24、 拉钉枪: 主要用于金属材料之间的铆合5、b) 安全岛的长度约在500cm-900cm 之间。
c) 安全岛应高出地面约10cm-20cm9)所有的管线必须按强弱电分开,导线中间不许有接头。
10)聚光灯开关无特殊要求一般在岗亭控制。
三、施工标准在马路当中建一个环形水泥墩,俗称安全岛。
安全岛主要是起摆放设备以及防止 车辆撞击设备的作用。
如因马路宽度限制设备安装于路边时,应在路边做设备安装地 基。
停车场管理系统的安全岛相当于建筑房屋的地基,不仅可以承载设备工作时的应 力,尤其道闸的应力可达几百公斤,而且可以保护设备和线路,同时规范车辆进出的 车道,使工程外观更专业。
因此安全岛的制作会直接影响系统的性能。
制作安全岛按以下步骤进行:按图纸画出安全岛的形状线条。
如果现场地面是松软的泥土,须将地面挖深 50公分,并用混凝土浇注。
用木板沿安全岛形状线条围起一个高15公分的框架。
4浇注完后找出水平面。
至少一个星期后,等待混凝土完全凝固干燥后,用高标号水泥 抹平安全岛表面。
然后在安全岛侧面刷黄黑 30公分相间的路标漆,等干燥后,安全岛 就制作完成了。
安全岛施工注意事项:如岛上同时放置岗亭的话,宽度应该在150cm-180cm 左右,如安全岛受路宽限制只 能放置设备时,宽度约在40cm-80cm1、 安全岛的施工标准用水泥、石子、沙子比例为1:1:1的混凝土浇注,用木板围起的安全岛框架,a)竖直敷设的管子, 按穿入导线截面的大小,在每隔 10-20 米处,增加一个固定穿线 的接线盒,用绝缘线夹将导线固定在盒内,导线越粗,固定点之间的距离越短。
在不进入盒(箱)内的垂直管口,穿入导线后,应将管口作密封处理。
d) 如设备安装的地面为水泥基础时, 安全岛可直接在地面上铺设, 但铺设的地方应该以星型每间隔25厘米打一根钢筋(①20以上),钢筋应深入地面不低于 5厘米、 外露不低于5 厘米。
e) 如设备安装的地面为沥青基础时, 安全岛可直接在地面上铺设, 但铺设的地方应该 以星型每间隔25厘米打一根钢筋(①20以上),钢筋应深入地面不低于20厘米、 外露不低于 5 厘米。
f) 如设备安装的位置为泥土基础(设备安装于路边或花坛边)时,应在位置处挖坑, 使安全岛或地基深入地面 30 厘米以上。
g) 安全岛与地基的材料:大厂生产的 425#硅酸盐水泥、中砂,避免使用泥土、石头、 石块、砖块等材料。
布管要求与注意事项a) 线管配线有明配和暗配两种, 明配管要求横平竖直、 整齐美观。
暗配管要求管路短、 畅通、弯头少。
b) 线管的选择, 按设计图选择管材种类和规格,如无规定时,可按线管内所穿导线的 总面积(连外皮),不超过管子内孔截面积的 70%的限度进行选配。
随建筑施工同 步敷设管道时, 有条件的应将管道敷设在建筑体内, 并要求按建筑敷设规范选用管 道的材料和敷设方式,对不便敷设在建筑体内的管道,宜采用镀锌钢管、 PVC 管,封闭金属线槽或封闭 PVC 线槽。
c) 对有强磁干扰的场所,应采用镀锌钢管或封闭金属线槽敷设并做接地处理。
d) 对有酸、碱腐蚀性介质与潮湿的场所,应采用 PVC 管敷设,但PVC 管不适用于高 温、易碰撞与易摩擦场所。
e) 为便于管子穿线和维修, 在管路长度超过下列数值时, 中间应加装接线盒或拉线盒, 其位置应便于穿线。
1)、管子长度每超过 40 米、无弯曲时; 2)、长度每超过 25 米、有一弯时; 3)、长度每超过 15 米、有两个弯时; 4)、长度每超过 f) 10 米、有三个弯时;线管的固定、线管在转弯处或直线距离每超过 1.5 米应加固定夹子。
g) 电线线管的弯曲半径应符合所穿入电缆弯曲半径的规定。
h) 凡有沙眼、裂纹和较大变形的管子禁止使用于配线工程。
i) 线管的连接应加套管连接或扣连接。
j) k)暗埋管道深度不应小于10厘米。
暗埋管进入机箱设备应外露 5-10厘米地感线圈的制作方法地感线圈是停车场管理系统中的重要零件,它的工作稳定性直接影响整个系统的 运行效果,因此地感线圈的制作是工程安装过程中很重要的一个工作环节。
1)切地感A 、地感线圈的尺寸:地感线圈的尺寸随路面宽度的不同而有所不同。
一般尺寸为1.8*0.6M 的长方形,路面 太宽时,地感线圈两边距离路面边缘为 0.6-1.0M 。
地感线圈长度超过2M 时,宽度一般 定为 0.8M-1.0M 。
I) 接线盒的固定应不少于三个螺钉,并加盖。
m) 连线盒与管子的连接应加杯梳。
n) 线管的分支处应加分线盒。
0) p) 车辆行驶的路面下的暗埋管道应采用金属管。
布线规范及注意事项1、 布线不仅要求安全可靠,而且要使线路布置合理、整齐,安装牢固。
2、 所使用的导线,其额定电压应大于线路的工作电压;导线的绝缘应符合线路的安装 方式和敷设的环境条件。
导线的截面积应能满足供电和机械强度的要求。
3、 配线时应尽量避免导线有接头。
除非必须用接头不可的,其接头必须采用压线或焊 接。
导线连接和分支处不应受机械力的作用。
4、 配线在建筑物内的要保持水平或垂直。
配线应加套管保护(塑料或铁水管,按室内 配线的技术要求选配),天花板走线可用金属软管,但需固定稳妥美观。
5、 信号线不能与大功率电力线平行,更不能穿在同一管内。
如因环境所限,要平行走 线,则要远离50CM 以上。
信号线所在管道应使用金属管,并将管道良好接地。
6、交流电源应单独走线,不能与信号线和低压直流电源线穿在同一管内, 交流电源线 的安装应符合电气安装标准。
7、 管道串线前应先清刷管孔,穿放电缆时宜抹黄油或滑石粉,进入管口的电缆应保持 平直,并应采取防潮、防腐等处理措施。
敷设的线路两端应留适当余量,以便于维护及管理。
线路敷设完成后,应对线路进 行校对与绝缘测试并加线标。
线路校对无误、绝缘测试符合要求后,对线路做标示明显的永久标记。
根据实 际敷设情况提交线路敷设图纸(竣工图),对中间接头以及接头的处理方法加以标 注。
2、 地感线圈的施工标准以及注意事项B、制作方法及步骤(1)、确定位置用记号笔、直尺在混凝土地面上画一个长 1.8M,宽0.6M的长方形,去掉直角,斜角尺寸75mm*75mm并从靠近设备的一角画一线到控制机或道闸的安装中引馈线,如图8.5所示:图8.5(2)用切割机沿笔线切割混凝土地面,切割深度为50mm宽度为4mm馈线槽的宽度为7MM深度为50mm(3)切完槽后用清水将槽中泥浆冲洗干净。
(4)用吹风机将槽吹干,要保证槽的底面发白。
(5)用1.5平方32股软线绕切割槽顺时针方向或逆时针方向绕圈,控制机为4圈),引出线要进行双绞后放入馈线槽中,至机箱安装处预留1.5-2.0M 的长度。
(6)沿槽浇灌沥青,并将多余的沥青铲除,以保证路面干净。
(7)用噴枪沿槽噴一遍,将槽内沥青完全和水泥、线熔为一体。
技术要求(1)、感应线圈切割槽深度为0mm宽度绍mm馈线切槽深度为0mm宽度纹mm(2)、绕线圈数为6圈(道闸)或4圈(控制机),绕线在槽内必须拉紧,引出线必须双绞,且双绞次数不得小于20编/米,一般尽可能多;(3)、绕线应用一根完整的导线,不得有中间接头;(4)、浇灌的沥青必须充分熔化,以利于填充槽内每一个空隙而紧固线圈,不会因为路面上有车时会造成线圈松动而影响感应。
(5)、线必需耐高温,避免沥青烫破皮。
(6)、制作完成后电感量在80-150uH。
首先根据订货合同校对设备型号、数量、配置设备安装应尽量方便车主刷卡,安装在平台位置(水平找平);有转弯要安装在转弯后打直通道;有地下车库时,入口票箱应尽量安装在坡上平台,出口安装在坡下平台,以免异常时阻塞在半坡或半坡起步;收费岗亭应尽量放置在出口票箱旁,方便车主刷卡后顺便将临时卡或现金通过窗口缴于值班员,避免值班员出去收费。
4或6圈(道闸为63、设备安装施工1) 安装位置A.B.2)安装方式(基本有四种)2)施工规范以及注意事项A.设备定位:由甲方代表、安装负责人根据现场情况而定,由甲方代表签字认可。
但必须满足以下技术要求:a)读卡机与道闸距离;读卡设备距道闸距离一般为3.5米,最近不小于2.5米, 车头可能触到栏杆;对于地下停车场,读卡设备应尽量摆放在比较水平的地面, 时停车读卡会比较麻烦;对于地下停车场,道闸上方若有阻挡物则需选用折杆式道闸,米即为折杆点位置;b)摄像机立柱一般装在道闸后面约50cm处,有安全岛的、为了适应白天夜间及车辆停放位置的不同,一般安装在离地面40cm高的位置。
此定位须跟据现场环境并经甲方负责人认可;c)聚光灯应安装在摄像机的立柱顶端,这样可减小夜间的灯光对驾驶员刺眼的感觉;□ □DEI---------------- 耳9主要是防止读卡时否则车辆在上下坡阻挡物高度-1.2d)读卡机、道闸安装垂直和水平倾斜度不应> ± 1° (如图标);e)道闸、读卡机垂直于水平地面倾斜度不大于1°;f)道闸杆垂直于车行方向,垂直度误差不得超过1 °;g)道闸闸杆应垂直于地感线圈的中部,车辆离开或进入地感范围应能起到防砸车的作用;h)与地面接触紧密,间隙处用水泥抹平,用①12的膨胀螺栓固定牢固,读卡机不得有松动摇摆现象,道闸开关闸机身不得摇摆;读卡机、道闸不得超出车道线,垂直误差不得大于3mmi) j ) 岗亭应装在安全岛中间、两边距安全岛的边距应相等,安全岛内岗亭根据现场环境应尽量向出口读卡机处靠近,便于临时车辆收费及图像抓拍。