减速机安装尺寸对照表
- 格式:doc
- 大小:1.98 MB
- 文档页数:9
减速器设计尺⼨结构参考值设计减速器的箱体结构时,可参考图1~图3及表1~表6确定箱体各部分的尺⼨。
表1 铸铁减速器箱体的主要结构尺⼨(图1、图2)名称及符号尺⼨关系/mm 圆柱齿轮减速器圆锥齿轮减速器蜗杆减速器箱体(座)壁厚⼀级0.025+1≥80.0125(d1m+d2m)+1≥8或0.01(d1+d2)+1≥8d 、dm -分别为⼤端直径、平均直径0.04+3≥8⼆级0.025+3≥8三级0.025+5≥8箱盖壁厚0.9≥80.01(d1m+d2m)+1≥8或0.0085(d1+d2)+1≥8上置: 下置:≥8箱盖凸缘厚度 1.5箱座凸缘厚度 1.5箱座底凸缘厚度 2.5地脚螺栓直径0.036+120.018(d1m+d2m)+1≥12或0.015(d1+d2)+1≥120.036+12地脚螺栓数⽬≤250时,4>250~500时,6>500时,8 4轴承旁联接螺栓直径0.75箱盖与箱体螺栓直径(0.5~0.6)联接螺栓的间距150~180轴承端盖螺钉直径(0.4~0.5)检查孔盖螺钉直径(0.3~0.4)定位销直径(0.7~0.8)螺栓、、⾄外机壁距离 见表2螺栓、⾄凸缘距离沉头座直径轴承旁凸台半径凸台⾼度根据低速级轴承外径确定,以保证扳⼿操作空间、为准轴承端盖外径凸缘式端盖:嵌⼊式端盖:,-轴承外径轴承端盖凸缘厚度(1~1.2)轴承旁螺栓联接距离尽量靠近,以M 和M 互不⼲涉为准,⼀般取外箱壁⾄轴承座端⾯的距离齿轮顶圆(蜗轮外圆)与内箱壁间的距离齿轮(圆锥齿轮或蜗轮轮毂)端⾯与内箱壁间的距离齿轮顶圆(蜗轮外圆)与内箱底⾯的距离mm 箱盖、箱座肋厚、;注:多级传动时,取低速级中⼼距。
圆锥-圆柱齿轮减速器,按圆柱齿轮传动中⼼距取值。
表2 箱体凸台和凸缘的结构尺⼨ mm螺栓直径M6M8M10M12M14M16M18M20M22M24M27M30121416182022242630343840101214161820222426283235吊⽿(在箱盖上铸出)通⽓塞提⼿式通⽓器-螺母扳⼿宽度通⽓帽孔M36×1.5M64×1.5166308070201328328053.1螺钉联接外装式轴承盖-由结构确定-由密封尺⼨确定嵌⼊式轴承盖。
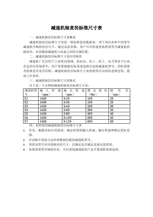
减速机轴直径标准尺寸表
一、减速机轴直径标准尺寸表概述
减速机轴直径标准尺寸表是一种标准化的数据表,用于列出各种不同型号减速机中轴的直径尺寸。
通过这张表格,用户可以快速查找所需型号减速机的轴直径,从而确保减速机与设备之间的正确匹配。
二、减速机轴直径标准尺寸表应用场景
减速机广泛应用于工业传动领域,如冶金、化工、轻工、电力等各个行业。
在这些应用场景中,用户需要根据实际需求选择合适的减速机型号,同时需要考虑轴直径是否匹配。
减速机轴直径标准尺寸表的使用可以简化选择过程,提高工作效率。
三、减速机轴直径标准尺寸表格式
以下是一个示例的减速机轴直径标准尺寸表:
1.首先,根据实际应用需求,确定所需的输入转速、输出转速和额定扭矩范
围。
2.在表格中查找与这些参数相匹配的减速机型号。
3.查看该型号对应的轴直径尺寸,以确定是否满足设备安装要求。
4.如果需要更详细的信息,可以查阅减速机的产品手册或联系制造商。
WPA40、WPA50、WPA60、WPA70、WPA80、WPA100、WPA120、WPA135、WPA155、WPA175、WPA200、WPA250、型蜗轮蜗杆减速器主要尺寸WPA蜗轮蜗杆减速机安装注意事项:1.减速机必须安装在平整坚固的底座上,底脚螺栓必须坚固、防震。
2.原动机--减速机--工作机的各联接轴伸,安装后必须互相对准轴线。
3.减速机输入端及输出端轴伸外径公差尺寸均按h6制作,与之相配的联轴器、皮带轮、链轮等传动件内孔须按合适的公差尺寸配制,避免装配过紧损坏轴承,装配过松影响正常动力传递。
4.链轮、齿轮等传动件装上轴伸时,应尽量靠近轴承,以减少轴伸弯曲应力。
5.WPD或FCD型减速机装配电机时,应在蜗杆头部内孔孔壁及键槽处涂抹黄油,避免装配过紧,防止轴孔日久生锈。
6.订购使用各类WPD或FCD减速机时,若电机重量偏大,应设支撑装置。
使用注意事项1.使用前应注意检查减速机型式结构、中心距规格、传动比、输入轴连接方式、输出轴结构、输入轴输出轴轴指向和回转方向等是否符合使用要求。
2.按照样本上"润滑油的选择使用"中所规定的要求,注入合适的品种牌号润滑油。
加油后,旋紧顶部的通气帽,拔掉通气帽上之小锥塞,减速机方可开始运转。
必须选用合适牌号的润滑油,必须控制适宜加油量,必须按规定要求及时按油,尤其要重视使用100小时后的更换新油。
3.使用过程中发生不正常情况时,应及时停机检查,可参照"故障原因及解决办法"处理。
(减速机的油温gao允许达到95°C,在此温度界限下,只要油温不再上升,可以放心使用)。
安装尺寸和参数图型号中心距中心高 H0 最大外形尺寸轴端尺寸LL2L3aa1 a2 L B H高速轴低速轴B1B2 B3 ZQ ZQH25 250 100 150 160-1 540 230 325 200220164.5 345 101 - 35 350 150 200 200-1 730 290 405 260 250/(270) 214 470 132 - 40400 150 250 250-1 826 310 490 270300234 490 133 - 50 500 200 300 300-1.5 986 350 590 330 325/(350) 270 620 148 - 65 650 250 400 320-1.5 1278 470 700 430 140 342 830 183 495 75 750 300 450 320-1.5 1448 510 745 450 450 362 1020 207 62 0 85 850 350 500 400-1.5 1632 580 875 510 525 403 1100 236 610 1001000400600400-1.51896660 9655071350257870 型号B4H1g安装尺寸惰轮部分最大重量 Kg CC1孔距孔径孔数adhdmdZd2S1S2 ZQ25 —— 20 60 28 235 190 17 4 ————— 35 ——40 310 250 17 4。
KJP尺寸表
Size(mm)
KHL60-L1 KHL90-L1 KHL120-L1 C1馬達軸直徑∮14∮19∮24
C2馬達入力引導 凸緣直徑5070110
C3入力法蘭螺絲孔節圓直徑7090145
C4入力法蘭螺絲孔規格M5x0.8P M6x1.0P M8x1.25P
C5馬達軸長度384366
C6入力軸底部到 法蘭高度6719.5
C7馬達入力引導 凸緣深度457
C8鎖緊孔中心距121428
C9入力法蘭高度455377.5
C10入力法蘭邊長6292122.7
C11入力法蘭倒圓角直度∮85∮120∮161.5
D1出力軸直徑∮16∮22∮32
D2出力軸端面螺絲孔規格M5x0.8P M6x1.0P M8x1.25P
D3出力軸端固定 螺絲長度121520
D4出力軸根圓直徑182535
D5出力蓋引導凸緣直徑5080110
D6出力蓋導螺孔 節圓直徑70100130
D7出力蓋導螺孔 直徑∮5.5∮6.8∮8.7
D8出力軸根圓高度 1.511
D9出力蓋引導凸緣高度7.51012
D10出力蓋導螺孔 深度101215
D11出力蓋邊長6092120
D12出力蓋倒圓角 直徑∮80∮118∮158
D13出力軸端面到 出力蓋高度35.55065
D14本體長度495869
H1鍵槽寬度6610
H2出力軸+鍵總高度1824.535
H3出力軸端面到鍵槽端面間隙353
H4鍵槽長度202540
L1本體全長114184.5194
L2總高3146137.5
L3轉向本體垂直點距離759960以上C1~C11為標準的連接法蘭尺寸,實際尺寸會因馬達型號不同而變動。
产品目录 > JZQ系列齿轮减速机产品简介外形尺寸装配形式技术参数型号中心距中心高 HO最大外形尺寸轴端尺寸L1 L2 L3a a1 a2LB H高速轴低速轴B1B2 B3ZQ ZQHZQSH250 250 100 150 160-1 540 230 325 200220164.5 345 101 -350 350 150 200 200-1 730 290 405 260 250/(270) 214 470 132 - 400 400 150 250 250-1 826 310 490 270 300 234 490 133 -500 500 200 300 300-1.5 986 350 590 330 325/(350) 270 620 148 -650 650 250 400 320-1.5 1278 470 700 430 430 342 830 183 495 750 750 300 450 320-1.5 1448 510 745 450 450 362 1020 207 620 850 850 350 500 400-1.5 1632 580 875 510 525 403 1100 236 610 1000 1000 400 600 400-1.5 1896 660 965 550605507 1350 257 870注:①括号尺寸只用于Z型加粗单伸轴器(见表5),且尽可能不用。
(如粗单伸轴端仅适用于ZQH、ZQSH)②JZQ与ZQ(ZQH、ZQSH)仅出轴键槽不同见下表,其它尺寸均同。
JZQ、ZQ、ZQH减速机实际传动比轴端型式型号高速轴端低速轴端Z 型CA 型CB 型d1 I1 I2 B1 d2m in b 1 t1 d3 I3 I4 B2 b2 t2 m Z D D1 D2 D3 B3 B4 B5 E I 5 I6 m d Zd 1 Dd B d E 1 E2 ZQJZQ ZQHZQSH 250 30 60 120 200 55 8 16.5 55 85 135 220 16 58.5 3 40 120 65 40 100 164.5 154.5 20 24.5 35 40 - - - - - - 350 40 85 150 260 75 12 21.5 55 85 165 250 16 58.53 48 144 90 40 110 214 189.5 25 27 4560 - - - - - - (65) (105) (270) (18) (68.9)400 40 85 160 270 75 12 21.5 80 125 175 300 24 853 56 168 90 40 140 234 207.5 25 35 4560 - - - - - - (95) (28) (100.7) 500 50 85 220 330 85 16 28 80 125 200 325 24 854 56 224 120 40 170 270 238.5 35 25 50 75 4 40169 15 26 16 (95) (145) (205) (350) (28) (100.7)650 60 110 290 430 110 18 32.5 110 165 265 430 32 116.5 6 56 336 170 45 260342 310 40 32 68 95 4 69276 15 35 35 (125)(36) (132.2)750 60 110 310 450 110 18 32.5 110 165 285 450 32 116.5 6 56 336 170 45 260 362 330 40 32 68 95 - - - - - -850 90 135 340 510 150 24 49 130 200 325 525 36 137.2 8 54 432 200 105 260 403 363 50 22 78 100 4 63252 14 30 221000 90 135 380 550 150 24 49 150 240 365 605 40 158.5 10 48 480 200 105 320 507 442 60 45 98 126 - - - - - -注:括号内尺寸只用于Z 加粗单伸轴端,且尽可能不用。
出轴中心高282.5,总高:525,出轴直径:140,入轴直径:40,P3SN-112VVN021减速机主要安装尺寸:地脚安装尺寸长380 宽480出轴中心高312.5,总高:580,出轴直径:150,入轴直径:40,P3SN-112VVN031减速机主要安装尺寸:地脚安装尺寸长400 宽540出轴中心高342.5,总高:640,出轴直径:165,入轴直径:50,P3SN-112VVN041减速机主要安装尺寸:地脚安装尺寸长300 宽570出轴中心高377.5,总高:705,出轴直径:190,入轴直径:60,P3SN-112VVN051减速机主要安装尺寸:地脚安装尺寸长460 宽580出轴中心高392.5,总高:735,出轴直径:210,入轴直径:60,P3SN-112VVN061减速机主要安装尺寸:地脚安装尺寸长510 宽710出轴中心高480,总高:885,出轴直径:240,入轴直径:80,P3SN-112VVN071减速机主要安装尺寸:地脚安装尺寸长550 宽770出轴中心高520,总高:965,出轴直径:260,入轴直径:80,出轴中心高570,总高:1055,出轴直径:290,入轴直径:110P3SN-112VVN091减速机主要安装尺寸:地脚安装尺寸长680 宽880出轴中心高585,总高:1085,出轴直径:310,入轴直径:110,P3SN-112VVN0101减速机主要安装尺寸:地脚安装尺寸长710 宽980出轴中心高645,总高:1195,出轴直径:340,入轴直径:110,P3SN-112VVN111减速机主要安装尺寸:地脚安装尺寸长750 宽1000出轴中心高680,总高:1255,出轴直径:360,入轴直径:130,P3SN-112VVN121减速机主要安装尺寸:地脚安装尺寸长810 宽1050出轴中心高715,总高:1315,出轴直径:380,入轴直径:130`。