液压同步回路的方法及特点
- 格式:doc
- 大小:289.50 KB
- 文档页数:9
1、横梁1;2、油缸1;3、横梁2;3、油缸2;图1常见结构在机械学中,同步运动是指机械设备中的两个或两个以上的运动机件,如转轴、液压油缸、液压马达等的输出轴等具有相同的转速、速度、位移、加速度等,其中最重要的同步标志即位移(含角位移)相同、速度(含旋转角速度)相同状态下运动或具备之一条件即速度同步或位移同步或位置同步状态下完成它们工作过程。
机械传动最大特点之一,是有可靠确定的传动比,因而容易获得同步传动,加之机械修正补偿也可以获得较高同步精度。
但是机械传力不易传递巨力或高力矩,同时不能无级变速。
液压传动是同步传动比较常用的方式。
结合机械和液压的各自优点,采用液压传动的设备常常采用机械液压同步实现设备中机构的大跨距或者特大负载的动作。
机械液压同步回路,就是机械构件连接或机械方式限制,或机械构件传动关系,使两个或两个以上的液压执行器如液压缸同步运动。
液压同步回路的同步精度取决于整机尤其是连接部分与接触部分的刚性或者机械传动的精度,液压尤其活塞杆及其组件刚度。
笔者翻阅资料文献后,发现如此常用的机械液压同步传动机构,极少有量化分析计算而仅有一些定性分析论述,为了给后续设备轻量化设计(刚度的安全系数过大)提供依据,本文着重定量分析此问题。
常用的液压机械同步机构一般是两相对运动构件之间安装油缸连接。
如图1所示是常见机械液压同步常见结构之一。
两个油缸安装在横梁1和横梁2之间,油缸的伸缩主要是为了实现横梁1和横梁2的相对位置变化,当油缸1/2伸出时横梁2在油缸的作用下下降,反之油缸缩回横梁2上升。
但是实际中,考虑到横梁的密度不可能绝对均匀一致,油缸的内静/动摩擦不可能完全一致等。
根据液压的相关理论可知,当作用在油缸综合负载较轻,则该油缸优先动作。
当其中一个油缸动作后,两油缸则出现不同步情况,且机架等作用在油缸上的力也发生变化进而影响后续油缸的伸出情况。
下述将对此进行分析。
黄忠华,温玉倩(广东皓耘科技有限公司,佛山528313)(直线或者转动)是机械机构中常用的机械动作,传递功率大、无级调速时候,机构中的执行元件常常采用液压传动的方式。
(八)液压缸并联的同步回路
一、实验目的
了解并应用液压缸的串、并联的同步回路
二、实验器材
QCS014B装拆式液压教学实验台。
1台
三、实验回路原理图
1 泵站
2 溢流阀
3 二位四通电磁阀
4 节流单向阀
5 液压缸
四、实验步骤
1、看懂实验原理图,按照原理图连接好回路;
2、将安全阀(溢流阀)处于开启状态,打开总电源,开启泵站电机,调节溢流阀2,系统压力达到一定值之后,缸5的无杆腔开始进油,活塞杆向右运行,两缸的运动速度基本实现同步(误差在2%-5%之内)。
电磁阀Y1得电之后,两缸的有杆腔开始进油,活塞杆向右运行。
由于两腔作用力的有效面积不一样,所以在系统压力不变的情况下,活塞杆的伸出的速度比它复位的速度快。
如果两缸的同步误差比较大,调节单向节流阀4,通过调节其回油的流量来减少误差。
3实验完毕之后,清理实验台,将各元件放入原来的位置。
Mining & Processing Equipment 53近年来,随着环境保护意识的增强,垃圾的处理和综合利用受到关注。
在为某公司生产的垃圾送料器液压系统设计时,遇到了要求三个液压缸同步前进,然后顺序后退的回路设计问题,这里,液压系统的主要作用是完成垃圾的送料,为保证垃圾能够可靠地送料,要求在一个工作循环中,三个液压缸同步前进,到位后三个液压缸依次顺序后退至原位(此时卸料)。
1 主要技术问题及解决方法针对以上问题,在细致地分析了系统主要功能要求的基础上,可以把该系统设计的主要问题归纳为两个:单因此可以采用1所分别为固接Ⅲ缸筒外的机分流同步阀的出口相连(如图2、3所示)。
其实现位移同步运动的原理为:缸筒左移时,Ⅰ、Ⅲ缸筒依靠单向分流同步阀实现同步,同时利用机械挡块1、3的作用迫使挡块2移动,从而使缸筒Ⅱ与Ⅰ、Ⅲ同步运动;缸筒右移时,则按Ⅰ→Ⅱ→Ⅲ的顺序运动。
当机械挡块1、3按照图1中虚线所示的方式连接、而油路连接不改变时可以实现三缸筒同步向右移动,而按Ⅰ→Ⅱ→Ⅲ的顺序向左移动。
三缸顺序动作可以采用行程控制方式 (行程阀和行程开关如图2所示)或压力控制方式(顺序阀或压力继电器)。
2 同步—顺序动作回路的几种方案根据以上分析,可以拟定以下4个方案:(1) 方案1如图2所示,采用行程阀实现三缸顺序动作。
工作过程为:启动后,电磁换向阀1左位接通,Ⅰ、Ⅱ、Ⅲ三缸筒同步左移;至左端点时,缸筒Ⅰ压下行程开关1XK,使阀1右位接通;三缸进、出油口转换,首先缸筒Ⅰ右移,至右端点时压下行程阀3,接着缸筒Ⅱ右移,Ⅱ至右端点时压下行程阀2,缸Ⅲ右移,Ⅲ至右位时压下行程开关2XK,阀1左位接通,完成一个工作循环。
(2) 方案2如图3所示,与方案1不同之处是采用两个顺序阀实现三缸的顺序动作,其中顺序阀2的动作压力比阀3的小,左移时三缸同步,右移时按照Ⅰ、Ⅱ、Ⅲ的顺序移动,其动作顺序为:假设三缸筒处于右位时为原位,Ⅲ压下2XK,当阀1左位接通时,三缸筒同步左移,同时Ⅲ松开2XK,移至左端时,Ⅰ压下1换向,右位接通,缸筒Ⅰ首先右移,右端时,开顺序阀2右移动,力进一步增加,阀32X成一个工作循环。
同步回路同步回路的作用是保证多个执行元件克服负载、摩擦阻力、泄漏、制造质量和结构变形上的差异,从而保证在运动上的同步。
同步回路分为速度同步和位置同步两类。
1.采用流1控制间的同步回路图7. 36(a)是两个并联的液压缸分别用调速阀控制的同步回路。
两个调速阀分别调节两缸活塞的运动速度,当两缸有效面积相等时,则流量也调整得相同;若两缸面积不等时,则改变调速阀的流量也能达到同步的运动.这种回路结构简单,并且可以调速;但是调整比较麻烦,而且由于受到油温变化以及调速阀性能差异等影响,同步精度较低,一般在5%-7%。
图7. 36(b)所示回路,采用分流集流阀(同步阀)代替调速阀来控制两液压缸的进人或流出的流量,可使两液压缸在承受不同负载时仍能实现速度同步.回路中单向节流阀2用来控制活塞的下降速度,液控单向阀4用来防止活塞停止时两缸因负载不同而通过分流阀的内节流孔窜油。
由于同步作用靠分流阀自动调整,使用较为方便,但效率低、压力损失大,不宜用于低压系统。
2.采用串联液压缸的同步回路图7.37是串联液压缸的同步回路。
图中第一个液压缸回油腔排出的油液被送人第二个液压缸的进油腔。
如果串联油腔活塞的有效面积相等时,便可实现同步运动。
这种回路中两缸能承受不同的负载,但泵的供油压力要大于两缸工作压力之和。
由于泄漏和制造误差影响了串联液压缸的同步精度,当活塞往复多次后,会产生严重的失调现象,为此要采取补偿措施。
在活塞下行的过程中,如液压缸6的活塞先运动到底,触动行程开关Is发信使电磁铁3YA通电,此时压力油便经过三位四通电磁阀4、液控单向阀5,向液压缸7的上腔补油,使缸7的活塞继续运动到底。
如果液压缸7的活塞先运动到底触动行程开关2S,使电磁铁4YA通电,压力油便经三位四通电磁阀4进人液控单向阀的控制油口,则液控单向阀5反向导通,使缸6能通过液控单向阀5和三位四通电磁阀4回油,使缸6的活塞继续运动到底,从而对失调现象进行补偿。
摘要:通过对液压系统中同步回路的分析,介绍了各种同步回路设计时的优缺点及设计的改进措施,以便根据具体情况选择合适同步回路。
关键词:液压系统;同步回路;串联缸;节流阀;分流阀1前言在液压系统设计中,要求执行机构动作同步的情况较多,设计人员通常采用节流调速、串联液压缸、分流阀及同步马达等一系列方案来实现。
由于在设备制造和运行中存在一系列内在和外在因素,如泄露、制造误差、摩擦和阻力等问题,使同步回路在应用时获得的同步效果有差异,这就要求在方案设计时针对不同工况选择不同的同步回路。
下面介绍一些常用的同步回路设计方法,为设计人员合理地选择同步回路提供参考。
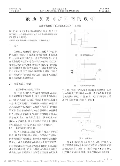
2同步回路的设计2.1液压缸机械结合同步回路图1中回路由两执行油缸和刚性梁组成,通过刚性梁联接实现两缸同步。
图2中回路由两执行油缸、齿轮齿条缸组成,通过齿轮齿条将两缸联接在一起,从而实现同步。
两液压回路液压缸的同步都是靠机械结构来保证的,这种回路特点是同步性能较可靠,但由于油缸的受力有差别时硬性的机械作用力可能对油缸有所损伤,同时对机械联接的强度要求有所增加。
在实际应用上,我公司生产的6000t/h 堆取料机,其大臂俯仰油缸就是采用机械刚性联接实现同步的,满足了油缸同步的要求。
2.2串联液压缸同步回路图3中回路由泵、溢流阀、换向阀及两串联缸组成,要求实现两串联缸同步。
实现此串联液压缸同步回路的前提条件是:必须使用双侧带活塞杆的液压缸,或者串联的两油腔的有效作用面积相等,这样根据油缸速度为流量与作用面积的比值,油缸的速度才能相同。
但是,这种结构往往由于制造上的误差、内部泄露及混入空气等原因而影响其同步性。
对于负载一定时,需要的油路压力要增加,其增加的倍数为其所串联的油缸数。
为了补偿因为泄露造成的油缸不同步问题,在设计同步回路时可以采用带补油装置的同步回路,见图4。
图4中回路较图3增加了液压锁和控制液压锁打开的换向阀,这条油路的增加可使两串联缸更好地实现同步。
HEBEINONGJI摘要:液压同步控制回路是液压技术的重要组成部分,随着液压技术在工业生产、工程机械、农业机械等领域的广泛应用,在重型负载或负载体积较大需要多个支点工况时,则需要多个执行元件同时驱动负载运动,此时,液压同步控制技术就显得尤为重要。
本文结合在农业机械上的一些实际应用,介绍了一些常见的液压同步控制回路。
关键词:液压同步控制回路;分流集流阀;串联液压油缸同步;智能农机浅谈几种常见液压同步控制回路及应用铁建重工新疆有限公司陈晨概述液压同步控制回路是液压技术的一个重要组成部分,广泛应用于工业生产、工程机械、农业机械、港口机械等多个领域⑴。
当被驱动的负载体积较大或质量较重需要多个支点时,依靠单一执行元件难以驱动负载,此时,需要多个执行元件以相同的位移或相等的速度共同驱动负载。
由于液阻、偏载、空气混入、内泄漏以及制造误差等诸多因素进而导致各执行液压油缸的运动速度不同步,引起误差累积,最终使各执行液压油缸产生不同步现象,轻则使负载或活塞杆变形导致卡死,重则导致负载倾翻危及人身安全。
因此,了解并掌握常见的液压同步控制回路,分析并研究液压同步控制技术在驱动重型负载或体积较大需要多个支点的负载工况时的实际应用意义重大[2T。
液压同步控制回路在农业机械中的应用极为广泛,例如采棉机内棉箱的升降、棉箱门的开关、玉米收获机及青贮饲料机粮箱的升降、免耕播种机底盘的升降(用于调节播种作业深度)等,如果两个或多个液压油缸在运动过程中不同步,将会导致采棉机内棉箱、棉箱门、玉米收获机及青贮饲料机粮箱的卡死、变形、活塞杆弯曲、连接销轴断裂等情况发生,进而影响其正常作业。
如果免耕播种机底盘的两个液压油缸运动不同步将影响种子播种深度,进而严重影响种子的成活率。
能够实现多执行元件同步的回路不止一种,然而,随着实践的不断检验,一些液压同步控制回路逐渐淡出了人们的视线,本文就农业机械中常见的几种液压同步控制回路的工作原理、应用、优缺点进行介绍。
液压基本回路是指由某些液压元件和附件所构成的能完成某种特定功能的回路。
任何液压系统均可分为若干个液压基本回路。
对于同一功能的基本回路,可有多种实现方法。
需要注意的是:对回路中所用的液压元、附件的结构和工作原理必须确切掌握,并结合液压系统工作过程中各个工况予以具体分析,看所选用的元、附件能否满足回路工作是的需要。
在有的液压回路中,要求同一个液压元件有时作为液压泵,有时又作为液压马达。
很明显,并不是所有的液压泵或液压马达都能满足这一要求。
压力控制回路速度控制回路方向控制回路调压回路节流调速回路换向回路减压回路容积调速回路连续往复运动回路增压回路速度换接回路锁紧回路卸压回路二次进给回路平衡回路增速回路保压回路减速回路卸荷回路背压回路缓冲回路多缸动作回路液压马达回路其他液压回路顺序动作回路液压马达串并联回路用液压马达启动的回路同步回路液压马达调速回路尾部张力控制回路互不干扰回路液压马达制动回路多工况回油冷却回路多缸串并联回路及卸荷回路液压马达浮动回路用保护门的安全回路补油和冷却回路更多的回路……1.压力控制1.1 调压回路调压回路是指调定液压系统的工作压力,使其不超过预先调好的数值或使系统的工作压力保持恒定。
调压的基本方法有两种:一种是用溢流阀调压,另一种是采用相应形式的变量泵进行调压。
后者一般再接入一个溢流阀作为安全阀。
(1)压力调定回路。
该回路是调压回路中最基本的回路。
溢流阀的调定压力必须大于或等于液压系统执行机构的最高工作压力和管路上各种压力损失之和。
(2)远程调压回路。
主溢流阀1调定系统的安全压力,和主溢流阀1的遥控口相接的远程调压阀2对液压泵的工作压力起远程调压作用。
(3)比例调压回路比例溢流阀的工作压力与输入的电流成比例。
根据液压系统的工作要求,调节输入比例溢流阀的电流,即可达到调压目的。
(4)多级调压回路主溢流阀1的遥控口通过三位四通换向阀分别与远程调压阀2和3相联。
换向阀中位时,系统压力由溢流阀1调定;换向阀左位时,压力由远程调压阀2调定;换向阀右位时,压力由远程调压阀3调定。
同步回路使两个或两个以上的液压缸,在运动中保持相同位移或相同速度的回路称为同步回路。
在一泵多缸的系统中,尽管液压缸的有效工作面积相等,但是由于运动中所受负载不均衡,摩擦阻力也不相等,泄漏量的不同以及制造上的误差等,不能使液压缸同步动作。
同步回路的作用就是为了克服这些影响,补偿它们在流量上所造成的变化。
文章来源:海鑫工业设备(中国)有限公司()图7-28行程开关控制的顺序回路图7-29串联液压缸的同步回路1.串联液压缸的同步回路图7-29是串联液压缸的同步回路。
图中第一个液压缸回油腔排出的油液,被送入第二个液压缸的进油腔。
如果串联油腔活塞的有效面积相等,便可实现同步运动。
这种回路两缸能承受不同的负载,但泵的供油压力要大于两缸工作压力之和。
由于泄漏和制造误差,影响了串联液压缸的同步精度,当活塞往复多次后,会产生严重的失调现象,为此要采取补偿措施。
图7-30是两个单作用缸串联,并带有补偿装置的同步回路。
为了达到同步运动,缸1有杆腔a的有效面积应与缸2无杆腔b的有效面积相等。
在活塞下行的过程中,如液压缸1的活塞先运动到底,触动行程开关1xk发讯,使电磁铁1dt通电,此时压力油便经过二位三通电磁阀3、液控单向阀5,向液压缸2的b腔补油,使缸2的活塞继续运动到底。
如果液压缸2的活塞先运动到底,触动行程开关2xk,使电磁铁2dt通电,此时压力油便经二位三通电磁阀4进入液控单向阀的控制油口,液控单向阀5反向导通,使缸1能通过液控单向阀5和二位三通电磁阀3回油,使缸1的活塞继续运动到底,对失调现象进行补偿。
图7-30采用补偿措施的串联液压缸同步回路图7-31调速阀控制的同步回路2.流量控制式同步回路(1)用调速阀控制的同步回路。
图7-31是两个并联的液压缸,分别用调速阀控制的同步回路。
两个调速阀分别调节两缸活塞的运动速度,当两缸有效面积相等时,则流量也调整得相同;若两缸面积不等时,则改变调速阀的流量也能达到同步的运动。
液压同步回路的方法和特点.液压同步回路的方法和特点.液压缸机械组合同步回路。
图1中的电路由两个执行圆柱体和刚性梁组成,它们通过刚性梁连接实现两个圆柱体的同步。
图2中的电路由两个执行气缸和齿轮齿条气缸组成,它们通过齿轮齿条将两个气缸连接在一起,从而实现同步。
两个液压回路的液压缸的同步由机械结构保证。
该电路的特点是同步性能可靠。
然而,由于气缸上的力不同,硬机械力可能会损坏气缸并增加机械连接的强度要求。
图3中串联液压缸的同步回路由一个泵、一个溢流阀、一个换向阀和两个串联液压缸组成,要求两个串联液压缸同步。
实现串联液压缸同步回路的前提条件是:必须使用两侧都有活塞杆的液压缸,或者串联的两个油腔的有效作用面积相等,这样,根据油缸速度与作用面积的比值,油缸的速度可以相同。
然而,这种结构的同步经常受到制造误差、内部泄漏和空气混合的影响。
当负载恒定时,所需油压应增加串联气缸数的倍数。
为了补偿由泄漏引起的油缸的不同步问题,在设计同步电路时,可以使用带有供油装置的同步电路,如图4所示。
与图3相比,图4中的回路另外设置有液压锁和用于控制液压锁打开的换向阀。
添加该油路可以更好地同步两个串联气缸。
类似地,第一缸和第二缸的无杆腔B的受力面积是相同的。
在工作状态下,在活塞杆伸出的情况下,如果第一缸先伸到底,电磁换向阀在限位开关的作用下通电,压力油进入B腔补充一些油,使第二缸完成全行程;如果第二缸先伸到底,限位开关的动作使电磁阀通电,液压控制单向阀打开,允许腔室A释放部分油,这样第一缸就完成了全冲程。
3.使用节流阀的同步回路使用节流阀来控制工作缸的同步。
其结构相对简单,成本低,同步效果好。
因此,它是液压同步回路设计中常用的控制方法。
图5至图8的节流回路包括由换向阀控制的节流阀,以实现执行气缸的同步。
不同之处在于节流阀的形式和安装位置不同。
采用节流阀的同步回路分为进油节流回路(见图5)、回油节流回路(见图6)、单侧进回油节流回路(见图7)和双向出油节流回路(见图7)。
两个液压缸的同步回路
液压缸是一种常见的液压元件,广泛应用于各种机械设备中。
如
果需要实现两个液压缸的同步工作,可以采用同步回路来实现。
本文
将介绍两个液压缸同步回路的原理和操作方法。
首先,同步回路的基本原理是通过调节油液流量来控制液压缸的
运动,从而保持两个液压缸的同步。
在同步回路中,通常会使用一个
供油阀来控制油液流向液压缸,并配合一个压力传感器来监测液压系
统的压力。
其次,为了实现两个液压缸的同步运动,需要确保液压系统中的
油液供应充足且压力稳定。
可以通过增加油箱容量和设置压力调节阀
来实现这一点。
另外,为了减小液压系统的响应时间,通常会在系统
中加入一个快速供油回路,以提高液压系统的工作效率。
另外,为了保证同步回路的正常运行,还需要对液压系统进行一
些维护和保养。
定期检查液压油的清洁度和粘度,及时更换老化的密
封件和油封,以确保液压系统的正常运行。
此外,还需要定期检查液
压管路和接头的连接情况,防止泄漏和松动。
最后,需要注意的是,当液压系统出现故障或异常情况时,应及
时停机检修,并找到故障原因进行修复。
在操作液压系统时,应遵循
相关的操作规程和安全操作规范,确保工作人员的人身安全。
总而言之,两个液压缸的同步回路是一种实现液压系统同步工作
的重要方法。
通过调节油液流量和压力,可以实现液压缸的同步运动。
在使用过程中,需要注意维护保养和及时处理故障,以确保液压系统
的正常运行。
液压同步回路1)机械联结同步回路用机械构件将液压缸的运动件联结起来,可实现多缸同步。
本回路是用齿轮齿条机构将两缸的活塞杆联结起来,也可以用刚性梁,杆机构等联结。
机械联结同步,简单、可靠,同步精度取决于机构的制造精神和刚性。
缺点是偏载不能太大,否则易卡住。
(2)用分流阀的同步回路当换向阀A与C均置于左位时,两液压缸活塞同步上升,换向阀A与C均置于右位时,两缸活塞同步下降。
分流阀只能保证速度同步,而不能做到位置同步。
因为它是靠提供相等的流量使液压缸同步的。
使用分流阀同步,可不受偏载影响,阀内压降较大,一般不宜用于低压系统。
(3)用分流集流阀的同步回路使用分流集流阀,既可以使两液压缸的进油流量相等,也可以使两缸的回油量相等,从而液压缸往返均同步。
为满足液压缸的流量需要,可用两个分流集流阀并联,本回路即是。
分流集流阀亦只能保证速度同步,同步精度一般为2~5%。
(4)用计量阀的同步回路计量阀需要电动机带动,故也称计量泵,工作原理也与柱塞泵类似。
本回路用同一电动机带动两个相同的计量阀,使两个液压缸速度同步,同步精度1~2%。
计量阀流量范围小,故一般只用在液压缸所需流量很小的场合。
用调速阀控制流量,使液压缸获得速度同步。
本回路用两个调速阀使两个液压缸单向同步。
图示位置,两液压缸右行,可做到速度同步。
但同步精度受调速阀性能和油温的影响,一般速度同步误差在5~10%左右。
(6)用调速阀同步的回路之二因调速阀只能控制单方向流量,本回路采用了液桥回路后,使两个液压缸可获得双向速度同步。
活塞上升时为进油节流调速,下降时为回油节流调速,速度同步误差一般为5~10%左右。
(7)液压马达与液压缸串联的同步回路用液压马达驱动车床主轴,液压缸驱动车床拖板进给,液压马达的转速与液压缸活塞速度成一定比例同步运行,运行速度由变量泵调节。
当泵的流量一定时,调节液压马达的排量,可在进给量不变的条件下改变主轴转速。
(8)串联缸的同步回路之一液压缸1的有杆腔与液压缸2的无杆腔有效面积相等,可实现位移同步。
液压同步回路的方法及特点
液压缸机械结合同步回路
图1 中回路由两执行油缸和刚性梁组成,通过刚性梁联接实现两缸同步,图2 中回路由两执行油缸、齿轮齿条缸组成,通过齿轮齿条将两缸联接在一起,从而实现同步。
两液压回路液压缸的同步都是靠机械结构来保证的,这种回路特点是同步性能较可靠,但由于油缸的受力有差别时硬性的机械作用力可能对油缸有所损伤,同时对机械联接的
强度要求增加.
2 串联液压缸同步回路
图3 中回路由泵、溢流阀、换向阀、两串联缸组成,要求实现两串联缸同步。
实现此串联液压缸同步回路的前提条件是:必须使用双侧带活塞杆的液压缸,或者串联的两油腔的有效作用面积相等,这样根据油缸速度为流量与作用面积的比值,油缸的速度才能相同。
但是,这种结构往往由于制造上的误差、内部泄露及混入空气等原因而影响其同步性。
对于负载一定时,需要的油路压力要增加,其增加的倍数为其所串联的油缸数。
为了补偿因为泄
露造成的油缸不同步问题,在设计同步回路时可以采用带补油装置的同步回路,见图4。
图4 中回路较图3 增加了液压锁和控制液压锁打开的换向阀,这条油路的增加可使两串联缸更好地实现同步。
同样,缸Ⅰ的有杆腔A和缸Ⅱ的无杆腔B 的受力面积相同。
在工作状态,活塞杆伸出的情况下,如果缸Ⅰ先伸出到底部,限位开关的作用使电磁换向阀得电,压力油进入 B 腔补入一部分油液,使油缸Ⅱ完成全部行程;如果缸Ⅱ先伸出到底部,限位开关的作用使电磁阀得电,液控单向阀打开,使A腔放出部分油液,使油缸Ⅰ完成全部行程。
3 采用节流阀的同步回路
用节流阀来控制工作缸的同步,其结构比较简单,造价低廉,且同步效果较好,因此,是在液压同步回来设计中较常用的控制方法。
图5~图8 的节流回路组成均是由通过换向阀来控制节流阀以实现执行油缸的同步,不同的是节流阀的形式和安装位置不同。
采用节流阀的同步回路分为进油节流回路(见图 5 )、回油节流回路(见图6 )、单侧进回油节流回路(见图7 )和双向出油节流(见图7 )。
图7 的回路液压缸伸出和缩回均进行出油节流,调整节流阀可以实现两缸同时前进和后退。
在这种回路中,各个电磁换向阀必须同上切换,如果液压缸操作回路管线长度不同,还需要考虑压力差异的影响。
由于载荷、泄露与阻力的不同会影响其同步性,节流阀调速的同步精度一般低于4%~5%。
4 采用分流阀的同步回路
图9 中分流阀由单向阀、分流阀、换向阀、背压阀和执行油缸组成。
此设计方案可以实现液压缸的上升、下降的双向同步,并且可以在中间任意位置停留。
回路中回油口装有背压阀,这个阀的作用是为了防止液压缸在下降行程中活塞很快滑下,此背压阀的设定压力应该比最大负载时作用在液压缸上的负载压力要稍高。
其缺点是当活塞上升时功率损伤较大。
使用分流阀可以在瞬间得到等量的油,以达到同步工作。
使用分流阀的回路,系统简单、经济,其同步精度约为2%~5%。
5 采用分流马达的同步回路
图11 中回路由四个柱塞缸、分流马达组成。
四个柱塞缸的同步靠四个分流马达来实现,其同步因素决定于每个液压马达每转排油量之差和液压马达的容积效率,所以在要求精确度较高的场合可以采用容积效率高的柱塞式液压马达。
由于分流马达具有增压器的功能,马达出口的溢流阀可以防止分流马达运行过程中因增压作用而导致马达出口产生过高的压力,起过载保护作用,即使回路中有一只液压缸已经提前完成了整个行程,其他液压缸仍可以完成其工作行程。
马达出口的单向阀和回油的溢流阀的功能是:使分流马达每腔分配室都维持一定压力,保证系统最小工作压力,这样,当一个液压缸因为外力等因素运行加快时,最小工作压力就能保证速度最快的液压缸不会发生吸空现象。
6 采用并联液压泵的同步回路
图11 中回路由液压泵、溢流阀和换向阀组成。
其特点是使用同一个电机带动两个等量液压泵,这
样电机转速一致,等量泵供给2 台油缸的流量就是
一致的,从而达到两执行油缸同步的目的。
这种靠
并联等量泵的回路设计简便、经济,但该回路因受
液压泵、缸和溢流阀制造误差等一系列因素,同步
精度并不高,所以应用不普遍。
7 采用比例方向阀的同步回路
按比例方向阀在回路中是控制进油还是控制回油又可以分为两种。
图12所示为比例方向阀控制进油的同步回路。
比例方向阀根据位移传感器1和2的反馈信号, 连续地控制阀口开度, 使之输出一个与手调节流阀相应的流量。
当出现位置偏差, 比例放大器得到一控制信号, 调整比例阀开口, 使之朝减小偏差的方向变化, 直到偏差消失。
因此这是一个位置闭环控制系统。
控制精度取决于位移传感器的检测精度及比例阀的响应特性。
理论上该回路没有累积误差。
液压缸的上行速度可以通过节流阀5来调,而比例方向阀4则会自动跟踪适应。
这种回路要求比例阀有较大的通流能力, 采用比例阀回油同步回路则可以选用较小通径的比例
阀, 从而降低成本。
比例阀回油同步回路如图13所示, 该回路由两个完全相同的定量泵分别向两个液压缸单独供油。
如果出现位置不同步, 则连接横梁倾斜。
传感器1检测到后控制比例阀3的比例电磁铁a或b。
使其中较快一侧的定量泵通过比例阀排出部分流量, 使其控制的液压缸速度慢下来。
由于比例阀3通过的流量只是纠偏用的小流量,故可选用较小的通径。
图12
图13
8 采用比例调速阀的比例同步回路
如图14所示。
这种回路的显著特点是双向调
速、双向同步。
上升行程为进口节流, 下降行程为回油节流, 而且回油节流有助于防止因自重下滑时的超速运行, 回路中的液控单向阀平衡负载的自重。
另外的四个单向阀为一组, 构成桥式整流回路。
使正反向行程通过调速阀的流量方向一致。
图15所示是容积控制式的比例同步回路, 比例
元件需采用比例变量泵。
它也是一种具有双向调
速、双向同步功能的回路。
速度控制采用电气遥控设定, 位置互相跟随。
由于是容积调速, 没有节流损失。
适用于大功率系统和高速的同步系统。
由于两个液压缸的油源系统完全独立, 因而很适用于两液压缸相距较远又要求同步精度高的地方。
图14
图15。