水泥混凝土路面接缝构造图
- 格式:doc
- 大小:556.00 KB
- 文档页数:5
水泥混凝土路面接缝构造图共5页第1页
设传力杆横向缩缝(横向施工缝)钢筋数量表
纵向施工缝钢筋数量表(板长)
边缘钢筋数量表(板宽)
注:1、本图尺寸除注明外,其余均以厘米计。
2、接缝设计:
胀缝:胀缝宽2.0cm,接缝板采用沥青纤维板,尺寸为3600×16×2,
填料采用聚氨酯塑封胶。
纵向施工缝:纵向均采用纵向施工缝,其结构采用平缝加拉杆型,接缝
面涂沥青。
横向缩缝:采用假缝,切缝宽0.6cm,深5cm,以聚氨酯塑封胶填缝。
3、钢筋设计:
拉杆:纵缝采用ф14螺纹钢筋,长度70cm,间距80cm;拉杆中央涂防
锈沥青,设在板厚中央。
传力杆:采用ф28圆钢筋,长度为50cm,滑动端30cm涂防锈沥青后,
再涂沥青,设在板厚中央,间距30cm。
广东省】《水泥混凝土路面接缝维修补充定额》一、引用文件作者单位:广东省交通运输厅1、广东省公路养护工程预算定额(粤交基2009[1350]号)2、广东省公路水泥混凝土路面养护技术指南(试用)二、接缝维修技术接缝料损坏:由于接缝的填缝料老化、剥落等原因,接缝内已无填料,接缝被砂、石、土等堵塞的现象。
接缝保养与填缝料更换1 水泥混凝土路面的保养重点在接缝,应对接缝进行适时的保养,保持接缝完好,密水良好。
2应对填缝料进行周期性或日常性更换,更换周期一般为3〜4年。
填缝料局部脱落时应进行灌缝填补;脱落缺失大于1/3 缝长或填缝料老化、接缝渗水时应立即进行整条接缝的填缝料更换。
3 填缝料的更换应做到饱满、密实、粘接牢固。
清缝、灌缝宜使用专用机具。
1)更换填缝料前应将原填缝料及掉入缝槽内的砂石杂物清除干净,并保持缝槽干燥,清洁。
2)填缝料灌注深度宜为3〜4 。
当缝深过大时,缝的下部可填2.5〜3.0 高的多孔柔性垫底材料或泡沫塑料支撑条,如图16.1.3。
3)填缝料的灌注高度夏天宜与面板平,冬天宜稍低于面板 2 。
多余的或溅到面板上的填缝料应予以清除。
4)填缝料更换宜选在秋冬季,或宜在当地气温居中且较干燥的季节进行图16.1.3接缝填缝构造(单位:cm)1-膨胀空间;2-填入接缝材料;3-支撑条;4-导裂缝接缝修补机具接缝修补主要修补机具有清缝机、切缝机、嵌缝机。
1清缝机清缝机的主要功能是清除水泥混凝土路面、市政道路等接缝中的老化材料等杂物。
为接缝的嵌灌缝做好准备工作。
2切缝机水泥混凝土路面切缝机应具备如下要求:①切缝机主轴刚性好,不允许弯曲。
②刀片质量高,耐磨损。
③操作方便,易于控制,切缝质量高④维修方便,价格合理。
图621切缝机示意图3嵌缝机传统的人工灌缝存在着灌缝量不足,表面污染严重,填料易被车轮带跑等缺陷。
长安大学和新乡市公路工程防水材料厂联合研制生产的YQ -951自控式水泥混凝土路面嵌缝机具有结构紧凑,性能可靠,嵌缝整洁,操作简单等优点,是加热施工式填缝料的理想嵌缝机具,对常温施工式填缝料也较适用,该机由电器控制系统、填料加热系统和填料传动系统三部分组成。
水泥混凝土接缝的处理一、接缝的构造与布置混凝上面层是由一定厚度的混凝土板所组成,它具有热胀冷缩的性质。
温度的变化会形成板的中部隆起的趋势、板的周边和角隅发生翘起的趋势。
这些变形会造成板的断裂或拱胀等破坏。
为避免这些缺陷,混凝土路面不得不在纵横两个方向设置许多接缝,把整个路面分割成许多板块。
混凝土板一般采用矩形,纵向和横向接缝一般垂直相交,纵缝两侧的横缝不得互相错位。
1. 横缝(1)概念:横向接缝是垂直于行车方向的接缝。
(2)分类:缩缝、胀缝和施工缝。
(3)胀缝① 概念:胀缝保证板在温度升高时能部分伸张,从而避免产生路面板在热天的拱胀和折断破坏,同时胀缝也能起到缩缝的作用。
② 构造缝宽:缝隙宽约20~25mm。
如施工时气温较高,或胀缝间距较短,应采用低限;反之用高限。
缝隙上部3~4cm深度内浇灌填缝料,下部则设置富有弹性的嵌缝板,它可由油浸或沥青浸制的软木板制成。
传力杆:对于交通繁重的道路,为保证混凝土板之间能有效地传递荷载,防止形成错台,应在胀缝处板厚中央设置传力杆。
传力杆一般长40~60cm,直径20~25mm的光圆钢筋,每隔30~50cm设一根。
杆的半段固定在混凝土内,另半段涂以沥青、套上长约8~10cm的铁皮或塑料套筒,筒底与杆端之间留出宽约3~4cm的空隙,并用木屑与弹性材料填充,以利板的自由伸缩。
在同一条胀缝上的传力杆,设有套筒的活动端最好在缝的两边交错布置。
垫枕:由于设置传力杆需用钢材,故有时不设传力杆,而在板下用100号混凝土或其它刚性较大的材料,铺成断面为矩形或梯形的垫枕。
当用炉渣石灰上等半刚性材料作基层时,可将基层加厚形成垫枕,结构简单,造价低廉。
为防止水经过胀缝渗入基层和土基,还可在板与垫枕或基层之间铺一层或两层油毛毡或2cm厚沥青砂。
S12梅龙高速公路粤境程江至梅南段路面维修工程(K91+120~K103+404)水泥混凝土面板纵横向施工接缝处理作业指导书广东省路桥建设发展有限公司路达分公司2011年11月一、新浇筑水泥混凝土面板纵横向施工接缝处理根据现行《公路水泥混凝土路面施工技术规范》(JTG F30—2003)规定,新浇水泥混凝土面板宜按以下规定执行。
1.1 纵缝施工1.当一次铺筑宽度小于路面和硬路肩总宽度时,应设纵向施工缝,位置应避开轮迹,并重合或靠近车道线,构造可采用平缝加拉杆型。
当所摊铺的面板厚度大于等于260mm 时,也可采用插拉杆的企口型纵向施工缝。
采用滑模施工时,纵向施工缝的拉杆可用摊铺机的侧向拉杆装置插入。
采用固定模板施工方式时,应在振实过程中,从侧模预留孔中手工插入拉杆.2.当一次摊铺宽度大于4。
5m时,应采用假缝拉杆型纵缝,即锯切纵向缩缝,纵缝位置应按车道宽度设置,并在摊铺过程中用专用的拉杆插入装置插入拉杆。
3.桥面和搭板的纵缝拉杆可由横向钢筋延伸穿过接缝代替。
4.插入的侧向拉杆应牢固,不得松动、碰撞或拔出。
若发现拉杆松脱或漏插,应在横向相邻路面摊铺前,钻孔重新植入。
当发现拉杆可能被拔出时,宜进行拉杆拔出力(握裹力)检验,混凝土与拉杆握裹力试验方法可参照规范附录C。
1。
2 横向施工缝每天摊铺结束或摊铺中断时间超过30min时,应设置横向施工缝,其位置宜与胀缝或缩缝重合,确有困难不能重合时,施工缝应采用设螺纹传力杆的企口缝形式.横向施工缝应与路中心线垂直。
横向施工缝在缩缝处采用平缝加传力杆型,见图1。
在胀缝处其构造与胀缝相同,见图2。
图1 横向施工缝构造示意图图2 胀缝构造示意图1.3 横向缩缝布置1.普通混凝土路面横向缩缝宜等间距布置。
不宜采用斜缝。
不得不调整板长时,最大板长不宜大于6.0m;最小板长不宜小于板宽。
2.在特重和重交通公路、收费广场、邻近胀缝或路面自由端的3条缩缝应采用假缝加传力杆型.缩缝传力杆的施工方法可采用前置钢筋支架法或传力杆插入装置(DBI)法,支架法的构造见图3。
水泥混凝土路面配筋设计终极解析,弄懂了再也没有“梗”啦CRCP是什么“鬼”?CRCP是连续配筋混凝土路面的缩写。
CRCP是在路面纵向连续地配有足够数量的钢筋,以控制路面板纵向收缩产生的裂缝宽度和数量。
同时,在横向也配有一定数量的钢筋来支撑纵向钢筋。
在施工时不设胀、缩缝(施工缝及构造所需的胀缝除外),形成一条完整而平坦的行车平面。
CRCP有哪些有优点?1 消除了横向接缝,整体性和平整度好,行车平顺舒适。
2 CRCP耐久性好,使用寿命长。
如果设计、施工得当,养护费用很少,虽然初期投资较高,但全寿命效益是经济合理的。
3 在路面内增设了纵向和横向钢筋,控制了裂缝宽度,使得裂缝紧密闭合,减少了裂缝剥落,提高了裂缝处的传荷能力当前国内外CRCP应用现状1 国内CRCP的厚度按普通混凝土路面厚度设计的各项设计参数及规定进行。
其基(垫)层取厚度和面板厚度均与普通混凝土路面的相同。
连续配筋混凝土面层的纵向配筋率按允许的裂缝间距(1.0~2.5m)、缝隙宽度(<>连续配筋混凝土面层与其它类型路面或构造物相连接的端部,应设置锚固结构。
端部锚固结构可以采用钢筋混凝土地梁或宽翼缘工字钢梁接缝等形式,并推荐出两种端部锚固结构的常用配置和尺寸。
混凝土计平面布置图案例钢筋计平面布置案例2 国外1993年版的AASHTO 方法中最小配筋率应满足下面两个条件:混凝土的最大拉应力不大于极限拉应力,及裂缝处钢筋的最大拉应力不大于屈服应力。
德克萨斯州运输部提出如下的钢筋用量设计标准:(1)平均裂缝间距为0.9~2.4m;(2)裂缝宽度小于0.64mm,以避免水进入路基;(3)钢筋应力小于钢筋的屈服应力。
混凝土面层配筋设计1 特殊部位配筋1)混凝土面层自由边缘下基础薄弱或接缝为未设传力杆的平缝时,可在面层边缘的下部配置钢筋。
通常选用2根直径为12~16mm的螺纹钢筋,置于面层底面之上l/4厚度处并不小于50mm,间距为100mm,钢筋两端向上弯起。
混凝土路面纵横、缩、胀缝及其构造一、接缝设置的原因混凝上面层是由一定厚度的混凝土面板组成的,具有热胀冷缩的性质。
由于一年四季气温的变化,混凝土板会产生不同程度的膨胀和收缩。
而在一昼夜户,白天气温升高,混凝土板顶面温度较底面为高,这种湿度坡差会造成面板的中部突起。
夜间气温降低,混凝土板顶面温度较底面为低,会使板的周围和角隅翘起;(如图2-8-6a)。
这些变形会受到面板与基础之间的摩阻力和粘结力,以及板自重和车轮荷载等的约束。
致使板内产生过大的应力,造成板的断裂(图2-8-6b)或拱胀破坏(图2-8-6c)。
由图2-8-6可见,由于翘曲而引起的裂缝,则在在裂缝发生后被分割的两块板体尚不致完全分离,还具有传递荷载的能力,倘若板体温度均匀下降引起收缩,则将使两块板拉开(图2-8-6c),从而失去传递荷载的能力。
为了避免这些缺陷,水泥混凝土路面不得不在纵横两个方向设置许多接缝.把整个路面分割成为许多板块。
水泥混凝土路面的接缝可分为纵缝和横缝两大类。
与路线中线平行的接缝称为纵缝,与路线垂直的接缝称为横缝。
接缝设计应能:①控制收缩应力和翘曲应力所引起的裂缝出现的位置;②通过接缝提供足够的荷载传递;③防止坚硬的杂物落入接缝缝隙内。
二、纵缝及其构造1.纵向缩缝当一次铺筑的宽度大于4.5m时,应增设纵向缩缝。
纵向缩缝可采用假缝加拉杆型,其构造如图2-8-7所示。
设置拉杆,可以防止板块横向位移使缝隙扩大,拉杆应设置在板厚的1/2处;在缩缝上部设置的槽口,一般应在混凝土浇筑后,并达到一定的抗压强度(碎石混凝土为6.0~12.0MPa.砾石混凝土为9.0~12.0MPa)时,用切缝机进行切割,或在混凝土浇筑时振人木条。
槽门深度要适中,过浅,则混凝土截面的强度削弱得不够,从而不能保证以后的开裂发生在接缝位置上;过深,则不规则断裂面面积过少,接缝传荷能力降低。
根据经验,槽深—般为板厚的1/4—1/5,槽口宽度根据施工条件,宜尽可能窄些,通常为3~8mm。
水泥混凝土路面修复一、整块水泥混凝土路面板翻修水泥混凝土路面由于施工、养护和自然因素等,使路面产生严重沉陷或严重破碎等病害,而且集中于一块板内,这时正常养护手段无济于事,只能通过整块面板的翻修,才能恢复其使用功能。
整块面板翻修的方法和工艺如下。
1.清除混凝土碎块首先,用风镐或液压镐凿除损坏的水泥混凝土面板块,尽可能保留原有拉杆、传力杆。
若拉杆、传力杆有损坏,应该重新补设;然后,将破碎的混凝土块清运至合适的地方。
2.处治基层视基层损坏程度采取不同处治方法。
(1)基层损坏厚度小于8 cm,整平基层压实后,可直接浇筑与原路面强度相同的水泥混凝土,其施工应符合水泥混凝土加铺层施工规范的要求。
(2)基层损坏厚度大于8 cm且坑洼不平,应首先整平、压实基层,采用C15贫混凝土进行补强。
其补强层顶面高程应与旧路面基层顶面高程相同。
(3)基层损坏极为严重,其厚度大于20 cm时,应分层处理基层,其材料应符合有关规定。
(4)在基层上,按0.5 kg/m2沥青用量喷洒一层乳化沥青,作为防水层。
3.排水处理对翻修的混凝土板,处在路面排水不良地带,路面板的边缘及路肩应设置路基纵、横向排水系统。
(1)单一边板翻修时应在路面板接缝处设置横向盲沟,其设置要求按设置盲沟的有关条款执行。
(2)连续数块混凝土板块翻修时,宜设置纵、横向盲沟,并应在纵坡底部设置横向盲沟,其设置要求按设置盲沟的有关条款执行。
4.水泥混凝土路面板块翻修工艺混凝土施工时配合比及所用的材料,应根据路面通车时间的要求,选用快速修补材料。
(1)混凝土施工时配合比及所用材料,可参照前面有关混凝土施工时所用材料要求的有关条款执行。
(2)将混凝土拌合机设置在施工现场附近,可采用翻斗车运送混合料。
(3)混合料的摊铺由运输车直接卸在基层上,用铁锹摊铺均匀,严禁使用钉耙搂耙,以防离析;摊铺的材料厚度,应考虑振实的影响而预留一定的高度,松铺系数根据试验确定。
(4)混合料的振捣应先用插入式振动器在板边、角隅处或全面顺序振捣一次,同一位置不少于20 s。
一、接缝设置的原因混凝上面层是由一定厚度的混凝土面板组成的,具有热胀冷缩的性质。
由于一年四季气温的变化,混凝土板会产生不同程度的膨胀和收缩。
而在一昼夜户,白天气温升高,混凝土板顶面温度较底面为高,这种湿度坡差会造成面板的中部突起。
夜间气温降低,混凝土板顶面温度较底面为低,会使板的周围和角隅翘起;(如图2-8-6a)。
这些变形会受到面板与基础之间的摩阻力和粘结力,以及板自重和车轮荷载等的约束。
致使板内产生过大的应力,造成板的断裂(图2-8-6b)或拱胀破坏(图2-8-6c)。
由图2-8-6可见,由于翘曲而引起的裂缝,则在在裂缝发生后被分割的两块板体尚不致完全分离,还具有传递荷载的能力,倘若板体温度均匀下降引起收缩,则将使两块板拉开(图2-8-6c),从而失去传递荷载的能力。
为了避免这些缺陷,水泥混凝土路面不得不在纵横两个方向设置许多接缝.把整个路面分割成为许多板块。
水泥混凝土路面的接缝可分为纵缝和横缝两大类。
与路线中线平行的接缝称为纵缝,与路线垂直的接缝称为横缝。
接缝设计应能:①控制收缩应力和翘曲应力所引起的裂缝出现的位置;②通过接缝提供足够的荷载传递;③防止坚硬的杂物落入接缝缝隙内。
二、纵缝及其构造1.纵向缩缝当一次铺筑的宽度大于4.5m时,应增设纵向缩缝。
纵向缩缝可采用假缝加拉杆型,其构造如图2-8-7所示。
设置拉杆,可以防止板块横向位移使缝隙扩大,拉杆应设置在板厚的1/2处;在缩缝上部设置的槽口,一般应在混凝土浇筑后,并达到一定的抗压强度(碎石混凝土为 6.0~12.0MPa.砾石混凝土为9.0~12.0MPa)时,用切缝机进行切割,或在混凝土浇筑时振人木条。
槽门深度要适中,过浅,则混凝土截面的强度削弱得不够,从而不能保证以后的开裂发生在接缝位置上;过深,则不规则断裂面面积过少,接缝传荷能力降低。
根据经验,槽深—般为板厚的1/4—1/5,槽口宽度根据施工条件,宜尽可能窄些,通常为3~8mm。
水泥混凝土路面接缝分纵向和横向两大类。
纵缝又可分为纵向缩缝和纵向施工缝;横缝又可分为横向缩缝、胀缝和横向施工缝。
①纵向施工缝本工程水泥砼路面为2*4.5m形式,分两幅进行摊铺,中间纵向施工缝采用平缝加Φ14螺纹钢筋拉杆的构造形式,拉杆间距60cm布置,详见设计图中。
纵向施工缝拉杆根据形状可分为直线形方式和“L”形方式两种。
拉杆设置间距通过“间距标尺”设定,并注意在施工过程中根据水泥混凝土稠度变化调节汽锤气压值,一般为(275.8~413.7)kPa[(40~60)PSI],水泥混凝土坍落度越大,气压值应越小。
“L”形拉杆在水泥混凝土硬化后应重新扳直。
②横向缩缝横向缩缝一般非重交通路段采用不设传力杆的假缝形式,重交通公路、路段自由端部及胀缝两侧相邻的各3道横缝,以及涵洞顶部补强段的2道横缝内均采用平缝加传力杆形式。
本项目路面横向缩缝一般采用平缝加传力杆形式,施工应严格按设计及施工规范进行施工。
横向缩缝传力杆在施工过程中必须采用钢筋支架固定。
支架必须具有足够的刚度,并使用直径不小于10mm的钢钎将支架稳固地锚固在基层上。
每只长约4m的钢筋支架至少需要(6~8)根钢钎。
钢钎锚固于基层的深度为(11~16)cm。
横向缩缝一般间距4.5m布置,贯穿整幅路面,横向缩缝不宜采用斜缝,不得不调整板长时,最大板长不宜大于5m,最小板长不宜小于板宽。
③胀缝胀缝一般只在桥涵、通道和其它固定构造物处、路面曲线纵坡变换处或与其他道路相交处等位置上设置。
在临近桥梁、固定构造物处及与其它道路相交处连续设置2条胀缝。
路面胀缝的设置必须符合设计图纸与《公路水泥混凝土路面设计规范》JTG D40-2002中相关规定,同一断面处的胀缝必须贯通。
胀缝的构造采用平缝加传力杆形式。
传力杆使用光面钢筋,为防止锈蚀并使之起隔离作用,钢筋一端2/3范围内涂沥青。
有涂层的端部安装聚丙烯套子,套子长10cm,传力杆插入后顶端留3cm的空间作为面板热胀冷缩余地。
假缝【dummy joint】指的是在水泥混凝土路面板上做成不贯通整个板厚的缝。
真缝【true joint】指的是在水泥混凝土路面板上做成贯通整个板厚的缝。
企口缝图样[1]企口缝【tongue and groove joint】指的是相邻两块水泥混凝土路面板,一侧板的中间榫头与邻板板边的榫槽吻接以传递荷载的接缝。
路面的接缝主要有:纵缝和横缝。
纵缝分为纵向缩缝和纵向施工缝,板的纵缝与道路中线平行。
纵向缩缝间距即板的宽度,当一次铺筑宽度大于4.5m时,应设置纵向缩缝。
纵向缩缝采用假缝形式,并且在板厚中央设置拉杆。
当一次铺筑宽度小于路面宽度时,应设置纵向施工缝。
纵向施工缝可分为平缝和企口缝。
纵缝内宜加设拉杆。
横缝可分为胀缝、横向缩缝和横向施工缝。
横缝应与纵缝垂直布置,且相邻板块的横缝应对齐,不得错缝。
设置胀缝的目的是为混凝土面层的膨胀提供伸长的余地,从而避免产生过大的热压应力。
在膨胀处混凝土板完全断开,故称为真缝。
从施工和使用上考虑,胀缝宜尽量少设或不设。
膨胀处设置滑动传力杆,传力杆平行于板面及路中心线。
在临近桥梁或其他固定构筑物或与其他道路相交处设置胀缝。
横向缩缝间距即板的长度,板长应根据当地气候条件、板厚、路基稳定状况和经验确定。
一般认为,板长应是板厚的25倍左右,故板长一般为4~5m,最大不得超过6m.而且板的宽长比以1:1.3为宜。
缩缝采用假缝形式,缝宽3~8mm,缝深1/5~1/4板厚,板下部混凝土仍连在一起。
横向缩缝处一般不设传力杆。
每日施工终了或遇浇筑混凝土过程中因故中断时,必须设置横向施工缝。
所以,平缝是针对企口缝讲的。
真缝是针对假缝讲的企口缝、平头逢等说明示意图以下回复仅供参考缩缝的构造形式和间距与水泥混凝土垫层的使用条件和施工环境温度有关水泥混凝土垫层缩缝的技术要求…… 1. 纵向缩缝的构造宜采用平头缝见图18-7 a当混凝土垫层板边加肋时应采用加肋板平头缝见图18-7b。
当混凝土垫层厚度大于150mm时可采用企口缝见图18-7c。
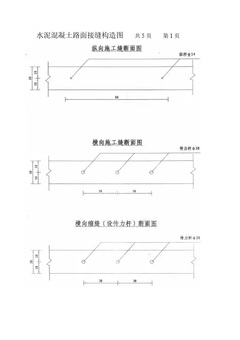
水泥混凝土路面接缝构造图共5页第1页
设传力杆横向缩缝(横向施工缝)钢筋数量表
纵向施工缝钢筋数量表(板长)
边缘钢筋数量表(板宽)
注:1、本图尺寸除注明外,其余均以厘米计。
2、接缝设计:
胀缝:胀缝宽2.0cm,接缝板采用沥青纤维板,尺寸为3600×16×2,
填料采用聚氨酯塑封胶。
纵向施工缝:纵向均采用纵向施工缝,其结构采用平缝加拉杆型,接缝
面涂沥青。
横向缩缝:采用假缝,切缝宽0.6cm,深5cm,以聚氨酯塑封胶填缝。
3、钢筋设计:
拉杆:纵缝采用ф14螺纹钢筋,长度70cm,间距80cm;拉杆中央涂防
锈沥青,设在板厚中央。
传力杆:采用ф28圆钢筋,长度为50cm,滑动端30cm涂防锈沥青后,
再涂沥青,设在板厚中央,间距30cm。