设备清单模板
- 格式:pdf
- 大小:44.42 KB
- 文档页数:2
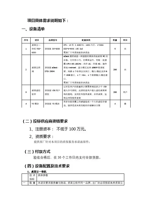
项目具体需求说明如下:
一、设备清单
(二)投标供应商资格要求
1、注册资本:不低于100万元。
2、资质要求:
提供原厂针对本项目的质保服务承诺函原件;(三)付款方式
验收合格后,在30个工作日内支付全部货款。
(四)设备配置及技术要求
(五)验收要求
在接到供应商以书面形式提出验收申请后,在5个工作日内及时组织相关专业技术人员,必要时邀请采购中心、质检等部门共同参与验收,并出具验收报告,作为支付货款的依据。
(六)售后服务及其他(含安装、调试、培训、维护等)
1. 质保期为3年(自交货并验收合格之日起计);
2. 其他售后服务要求:
中标人必须负责所采购设备的运输,并负责进场卸货、安装、调试、检测,培训,合格交付使用,并提供标书要求年限的免费保修。
3. 验收报告签署之日起,在发生故障后2小时内派出工程师到达现场进行维护,24小时内排除故障。
特别提醒:
须根据询价文件要求上传附件,网上附件上传后再行报价(否则有可能无法上传附件),特别提醒,否则有可能作为无效投标。
办公室设施设备清单模板一、办公桌和椅子1. 办公桌:提供足够的工作空间,配有抽屉和储物柜。
2. 办公椅子:舒适的椅子,具备调节高度和倾斜角度的功能。
二、电子设备1. 电脑:包括台式电脑或笔记本电脑,配置合适的硬件和软件。
2. 打印机:支持打印、复印和扫描功能的多功能打印机。
3. 电话:提供通信和接听电话的设备。
4. 传真机:用于传输文件和文件备份的传真机。
5. 投影仪:用于演示和展示的投影设备。
6. 扬声器和麦克风:用于会议和演讲等活动的音频设备。
三、文件存储和管理1. 文件柜:用于存放和管理文件的柜子,可以分门别类地整理文件。
2. 文件夹和文件袋:用于整理和保护文件的文件夹和文件袋。
3. 文件标签:用于标记和分类文件的标签。
四、办公用品1. 笔和铅笔:提供书写和绘图所需的不同类型的笔和铅笔。
2. 订书机和订书针:用于订装文件和文件夹的订书机和订书针。
3. 胶带和胶水:用于粘贴和修复文件和其他物品的胶带和胶水。
4. 计算器:用于进行简单的数学计算和统计的计算器。
5. 文件夹和便签纸:用于整理和记录重要信息的文件夹和便签纸。
五、会议设备1. 会议桌和椅子:用于举行会议和商务活动的桌子和椅子。
2. 白板和标记笔:用于展示和记录信息的白板和标记笔。
3. 会议电话:用于远程会议和电话会议的设备。
4. 会议室预订系统:用于预订和管理会议室的系统。
六、储存设备1. 服务器和网络存储设备:用于存储和管理办公室数据和文件的服务器和网络存储设备。
2. 备份设备:用于备份重要数据和文件的设备,如硬盘驱动器或云存储服务。
七、安全设备1. 监控摄像头:用于监控和保护办公室安全的摄像头设备。
2. 门禁系统:用于控制和管理进出办公室的门禁系统。
3. 灭火器和急救箱:用于应对紧急情况和处理小型事故的灭火器和急救箱。
八、其他设备1. 照明设备:提供足够的光线照明办公室空间的灯具设备。
2. 空调和加湿器:用于调节办公室温度和湿度的空调和加湿器。
生产设备采购清单【范本模板】
设备名称: {设备名称}
型号: {型号}
制造商: {制造商}
数量: {数量}
单价: {单价}
总价: {总价}
交付日期: {交付日期}
备注: {备注}
1. 设备名称: {设备名称1}
型号: {型号1}
制造商: {制造商1}
数量: {数量1}
单价: {单价1}
总价: {总价1}
交付日期: {交付日期1}
备注: {备注1}
2. 设备名称: {设备名称2} 型号: {型号2}
制造商: {制造商2}
数量: {数量2}
单价: {单价2}
总价: {总价2}
交付日期: {交付日期2} 备注: {备注2}
3. 设备名称: {设备名称3} 型号: {型号3}
制造商: {制造商3}
数量: {数量3}
单价: {单价3}
总价: {总价3}
交付日期: {交付日期3} 备注: {备注3}
4. 设备名称: {设备名称4} 型号: {型号4}
制造商: {制造商4}
数量: {数量4}
单价: {单价4}
总价: {总价4}
交付日期: {交付日期4}
备注: {备注4}
5. 设备名称: {设备名称5}
型号: {型号5}
制造商: {制造商5}
数量: {数量5}
单价: {单价5}
总价: {总价5}
交付日期: {交付日期5}
备注: {备注5}
请根据实际情况填写以上模板,确保信息的准确性和完整性。
如果需要添加更多细节,请随时扩展文档。
希望这份生产设备采购清单模板能够帮助您完成您的需求。
办公室设施设备清单模板
(注:根据题目要求,以下内容按照清单模板的形式呈现,不包含小节标题)
1. 办公家具
- 桌椅:办公桌、办公椅
- 会议桌椅:会议桌、会议椅
- 接待台:接待台、接待椅
- 柜子:文件柜、储物柜
2. 通信设备
- 电话系统:固定电话、电话总机
- 传真机
- 无线网络设备:路由器、无线网卡
- 打印机:打印机、复印机、扫描仪
- 电子白板:电子白板、投影仪
3. 电脑及相关设备
- 台式电脑:主机、显示器、键盘、鼠标
- 笔记本电脑及配件:笔记本电脑、电源适配器、电池、鼠标、键盘
- 服务器:服务器主机、网络交换机、UPS电源 - 数据存储设备:硬盘、移动硬盘、U盘、光盘 - 打印耗材:墨盒、碳粉、纸张
4. 照明设备
- 天花板灯具
- 台灯
- 立式灯
- 应急灯
5. 空调设备
- 中央空调系统
- 分体式空调
- 空调出风口
6. 办公用品
- 笔、纸、订书机、文件夹、胶带、刀具等
7. 其他设备
- 咖啡机、微波炉、冰箱等员工休息区设备
- 清洁设备:扫地机器人、垃圾桶、拖把
8. 安全设备
- 摄像头
- 消防器材:灭火器、烟雾报警器、消防栓
- 防盗设备:门禁系统、锁具
以上为办公室设施设备清单模板,根据实际需求,可以根据清单中的设备类型和数量进行调整和变动。
务必注意购买设备时,选择品质可靠、符合安全标准的产品,并进行定期维护和保养,以确保办公室设施设备的正常运行及员工的良好使用体验。
特种设备许可清单模板一、特种设备基本信息:- 申请单位:[填写申请单位名称]- 设备名称:[填写特种设备名称]- 设备型号:[填写特种设备的型号]- 制造单位:[填写特种设备的制造单位]- 设备出厂编号:[填写特种设备的出厂编号]- 设备投运时间:[填写特种设备投运的时间]- 设备安装地点:[填写特种设备的安装地点]- 设备使用地点:[填写特种设备的使用地点]- 设备安全管理人员:[填写特种设备的安全管理人员姓名]- 设备安全管理人员证书编号:[填写特种设备的安全管理人员证书编号]二、特种设备使用情况:- 设备使用方式:[填写特种设备的使用方式,如连续运行、间歇运行等]- 设备使用时间:[填写特种设备的使用时间段,如每天几个小时、每周几天等]- 设备使用负荷:[填写特种设备的使用负荷情况,如满负荷、半负荷等]- 设备维护保养情况:[填写特种设备的维护保养情况,如是否按时保养维修、保养维修记录等]- 设备安全事故及处理情况:[填写特种设备的安全事故发生情况及处理情况]- 设备定期检验情况:[填写特种设备的定期检验情况,如是否按时检验、检验记录等]三、特种设备安全措施:- 设备安全使用指南:[填写特种设备的安全使用指南,包括操作规程、事故应急措施等]- 设备安全防护装置:[填写特种设备的安全防护装置情况,包括是否完好、是否正常运行等]- 设备安全监控系统:[填写特种设备的安全监控系统情况,包括是否安装、是否正常使用等]- 设备安全教育培训:[填写特种设备的安全教育培训情况,包括是否定期组织培训、培训记录等]四、特种设备管理措施:- 设备备案情况:[填写特种设备的备案情况,包括备案时间、备案号等]- 设备许可证情况:[填写特种设备的许可证情况,包括许可证编号、有效期等]- 设备定期检验情况:[填写特种设备的定期检验情况,包括检验项目、检验结果等]- 设备检测报告:[填写特种设备的检测报告情况,包括检测日期、检测结果等]以上是特种设备许可清单模板的内容,请根据实际情况进行填写。
附件一:机电设备采购清单机电设备采购清单序号物资名称规格型号单位数量(暂定)备注1车道控制机 (包括工控机、机箱、控制接口板、视频捕捉卡、防雷接地等)详见设计图纸套 22车道终端 (包括显示器、键盘)详见设计图纸套 2 3非接触式CPC卡读写器详见设计图纸个 24车辆检测器 (单通道车辆检测器,含1个检测线圈)详见设计图纸套 25雾灯 (含立柱、基础等)详见设计图纸台 26ETC综合信息显示器 (含MTC费额显示器、通行信号灯(含黄色闪光报警)、语音报价器和立柱、基础、防雷接地等)详见设计图纸套 27手动栏杆详见设计图纸套 28高速自动栏杆机 (含栏杆臂、机箱、防雷接地、基础及1个原厂车检器)详见设计图纸套 29ETC路侧天线 (含基础、立柱、支架及防雷接地等)详见设计图纸套 210车牌识别设备 (含补光灯、防雷接地、立柱及基础等)详见设计图纸套 411ETC雨棚信号灯详见设计图纸对 2 12票据打印机详见设计图纸台 113双秤台式称重系统(含双秤台式称重传感器、数据采集器、车辆分离器、轮轴识别器、控制机箱、应用软件及防雷器等)详见设计图纸套 114出口扫码设备详见设计图纸套 1 15电子上岗显示牌详见设计图纸套 216车辆检测器 (双通道车辆检测器,含2个检测线圈)详见设计图纸套 217三层以太网交换机(12*RJ-45+4*单模光纤千兆)详见设计图纸台 319网络防病毒软件详见设计图纸套 120收费车道摄像机 (含立柱、支架、基础及防雷接地等)详见设计图纸套 221岗亭内摄像机 (含支架等)详见设计图纸台 222收费广场摄像机 (含基础、立柱、防雷接地及安装附件等)详见设计图纸台 223拾音器详见设计图纸台 2 24光纤收发器详见设计图纸对 2 25工业以太网交换机(3光+8电)详见设计图纸台 1 26视频数据叠加器详见设计图纸台 2 27IP对讲分机详见设计图纸台 2 28安全报警按钮详见设计图纸台 2 29IP对讲主机(含地址盒)详见设计图纸台 1306KVA室外UPS不间断电源(网络监控,含应用软件、电池级必要的硬件设备)详见设计图纸套 231收费车道配电箱(含防雷器、空开等)详见设计图纸套 2 32电力电缆YJV-2*16mm2详见设计图纸m1080 33电力电缆YJV-3*2.5mm2详见设计图纸m150 34电力电缆YJV-3*1.5mm2详见设计图纸m600 35配线RVV-3*1.5mm2详见设计图纸m300 36配线RVV-3*1.0mm2详见设计图纸m300 37接地线BVR-6mm2详见设计图纸m200 38接地线BVR-35mm2详见设计图纸m120 39控制电缆KVVR-10*0.5mm2详见设计图纸m40 40六类非屏蔽双绞线详见设计图纸m1000 41信号电缆RVVP2*1.0详见设计图纸m20 42光缆终端盒详见设计图纸套 4 43三相电源防雷器SPD1详见设计图纸套 1 44单相电源防雷器SPD2详见设计图纸套 1 45防雷插座详见设计图纸套 2 4712芯单模光缆详见设计图纸m330048集装箱式成品机房(含1套空调、1套半球摄像机、1套19寸服务器机柜)详见设计图纸套 149双秤台式称重系统(含双秤台式称重传感器、数据采集器、车辆分离器、轮轴识别器、控制机箱、应用软件及防雷器等)详见设计图纸套 150以太网交换机(3光+8电)详见设计图纸台 1 51网络硬盘录像机详见设计图纸台 152车牌识别摄像机(含补光灯、防雷接地、立柱及基础等)详见设计图纸套 253高速自动栏杆机 (含栏杆臂、机箱、防雷接地、基础及1个原厂车检器)详见设计图纸套 254数据服务器(含操作系统软件)详见设计图纸套 1 55工控机详见设计图纸套 256以太网交换机详见设计图纸台 1 57收费车道配电箱(含防雷器、空开等)详见设计图纸套 2 58外网接入费详见设计图纸项 159室外一体化机柜(含光纤配线架、防雷器、基础等)详见设计图纸套 26012根φ40/33mm硅芯管(含挖填土方、管道包封等)详见设计图纸延米34061顶管横穿2孔φ110*4.0mm热浸镀锌钢管详见设计图纸延米6862玻璃管箱(含两端接头管箱)管箱规格:310*190*5mm详见设计图纸m306312芯单模光纤详见设计图纸m4000 64光缆接头盒(含尾纤)详见设计图纸个10 65中分带分歧人孔(含挖填土方)详见设计图纸个 1 66路肩人孔(含挖填土方)详见设计图纸个 5 67路肩手孔(含挖填土方)详见设计图纸个 4 68中分带分歧手孔(含挖填土方)详见设计图纸个 2 69水泥标识桩详见设计图纸个1570被交路悬臂式可变信息标志 (显示面积1.92m*3.2m 含控制器、设备箱、基础、立柱、接地及支架等)详见设计图纸个 271干线悬臂式可变信息标志 (显示面积2m*4m 含控制器、设备箱、基础、立柱、接地及支架等)详见设计图纸个 172可变信息标志应用软件详见设计图纸套 173匝道遥控摄像机 (含基础、立柱、防雷及安装支架等)详见设计图纸套 174工业以太网交换机( 3光+6电)详见设计图纸台 2 75光纤收发器详见设计图纸对 2 76电源发生器(20KVA)详见设计图纸台 1 77电源转换器(3KVA)详见设计图纸台 2 781000M光模块以太网交换机扩展光模块详见设计图纸个 2 79光缆终端盒含尾纤详见设计图纸个 4 80光缆持续盒详见设计图纸个 481匝道固定摄像机 (含基础、立柱及安装支架等)详见设计图纸套 182涵洞摄像机详见设计图纸套 1 83LED防水室外照明灯(含光控开关)详见设计图纸套 584室外综合配电箱 (含智能仪表、防雷器、空开、设备基础等)详见设计图纸套 485室外综合配电柜 (含防雷器、空开、设备基础等)详见设计图纸套 486四芯直埋光缆(含电缆沟挖填土方)详见设计图纸m100087YJLHV22-1KV-2*25mm2(含电缆沟挖填土方)详见设计图纸m96088YJV22-1KV-2*16mm2(含电缆沟挖填土方))详见设计图纸m180089VV 3*1.5mm2详见设计图纸m50 90六类非屏蔽网络电缆详见设计图纸m250 91接地线BVR16mm2详见设计图纸m120 92电力电缆YJV-4*16mm2详见设计图纸m30 93镀锌钢管50*3.5mm详见设计图纸m1406 94塑料子管(32/28)详见设计图纸m87695高杆灯 6*180W 12m (含基础、接地等)详见设计图纸套 296电力电缆YJV22-2*6+E6mm2(含电缆沟挖填土方)详见设计图纸m76397配电箱AL2 700*1400*400详见设计图纸台 1 98预埋RC100管(含挖填土方)详见设计图纸m1360 99配管RC40(含挖填土方)详见设计图纸m44 100电缆井小号直通人孔井详见设计图纸个 2 101岛头电缆手孔井详见设计图纸个 2 102送配电装置系统详见设计图纸系统 1 104配管RC25详见设计图纸m50105电力电缆YJV-4*6+E6mm2(含电缆沟挖填土方)详见设计图纸m450106电力电缆YJV22-4*70mm2(含电缆沟挖填土方)详见设计图纸m200107KVV-7*2.5mm2详见设计图纸m40108国标信号灯(含φ400铝制外壳LED信号灯,八角信号灯杆及基础等)详见设计图纸套 3109读秒器详见设计图纸套 3110智能控制信号机(放置在信号机配电柜内。
第1篇一、概述在工程施工过程中,各类机械设备是保障工程顺利进行的重要工具。
以下是针对某工程项目的设备明细清单,包括主要施工设备和辅助设备。
二、主要施工设备1. 土方工程设备(1)挖掘机:型号为XX挖掘机,数量为2台,用于土方开挖、平整场地等。
(2)推土机:型号为XX推土机,数量为1台,用于土方运输、平整场地等。
(3)装载机:型号为XX装载机,数量为1台,用于土方运输、装载等。
(4)自卸汽车:型号为XX自卸汽车,数量为3辆,用于土方运输。
2. 混凝土工程设备(1)混凝土搅拌机:型号为XX搅拌机,数量为2台,用于混凝土搅拌。
(2)混凝土泵车:型号为XX泵车,数量为1台,用于混凝土输送。
(3)振动棒:型号为XX振动棒,数量为10根,用于混凝土振捣。
(4)钢筋切割机:型号为XX切割机,数量为2台,用于钢筋切割。
(5)钢筋弯曲机:型号为XX弯曲机,数量为2台,用于钢筋弯曲。
3. 钢结构工程设备(1)吊车:型号为XX吊车,数量为1台,用于钢结构吊装。
(2)电焊机:型号为XX电焊机,数量为2台,用于钢结构焊接。
(3)气割机:型号为XX气割机,数量为1台,用于钢结构切割。
4. 装修工程设备(1)电动切割机:型号为XX切割机,数量为2台,用于装修材料切割。
(2)电动打磨机:型号为XX打磨机,数量为2台,用于装修材料打磨。
(3)电动螺丝刀:型号为XX螺丝刀,数量为10把,用于装修材料组装。
(4)壁纸枪:型号为XX壁纸枪,数量为1把,用于壁纸粘贴。
三、辅助设备1. 临时用电设备(1)发电机:型号为XX发电机,数量为2台,用于施工现场临时用电。
(2)电缆线:型号为XX电缆线,数量为500米,用于施工现场临时用电。
2. 施工安全设备(1)安全帽:型号为XX安全帽,数量为100顶,用于施工人员安全防护。
(2)安全带:型号为XX安全带,数量为50条,用于施工人员安全防护。
(3)防护眼镜:型号为XX防护眼镜,数量为50副,用于施工人员安全防护。
1、实验室常用仪器设备清单2、选用及科研要求的仪器3. 其它重要补充1酸度计:测HP 值2电导率仪:测电解质溶液电导率值3旋光仪(自视自动):测物质旋光度,分析物质的浓度、纯度、含糖量4气相色谱仪:定性定量分析5液相色谱仪:定性定量分析6自动定位滴定仪:酸碱滴定、氧化还原滴定、沉淀滴定、络合滴定7智能崩解仪:在设定温度(人体温度下)进行药片崩解实验8药物溶出度仪:在设定温度(人体温度下)进行药片崩解实验9脆碎度检查仪:在设定转速下进行药片脆碎度检验10熔点仪:测量结晶性化学制品、药品和部分结晶聚合物熔点11澄明度检测仪:观察溶液澄清程度,有否颗粒物12紫外辐射照度计:紫外辐射照度测量13紫外可见分光光度计:测量物质对不同波长单色辐射的吸收程度,定量分析14可见分光光度计:测量物质对不同波长单色辐射的吸收程度,定量分析15微量进样器:液相、气相色谱分析中使用16阿贝折射仪:测透明半透明液体或固体的折射率和平均色散17原子吸收争光光度计:根据被测元素的基态原子对特征辐射的吸收程度进行定量分析18荧光分光光度计:分析和测试和类微生物、氨基酸蛋白质、核酸及多种监床药物19色差计:测量药品颜色20红外分光光度计:定性定量分析21手持糖量计:测定溶液中糖度、含糖量22标准旋光管旋光仪: 测旋光度标准,检验旋光仪准确度23超净水器:制超净水24钠离子浓度计:测钠离子浓度25尘埃粒子计数器:测定空气中的微粒26永停滴定仪:根据电们变化指示滴定终点的滴定用仪器27卡尔费休水份测定仪:测产品含水量28薄层色谱仪:定性分析29傅立液变换红外光谱仪:定性定量分析30紫外强度计:测紫外线强度31三用紫外线分析仪:药物生产和研究中,可用来检查荧光药品的质量32生物显微镜:观察微小物质33激光粒子数计:尘埃粒子计数34多小长飞点扫描仪:凝胶电冰、薄层板等的精密定量35风速仪:测风速36数字式光度表:测量可见光辐照强度37反渗透纯水机:超纯水系统的进水,也可作一般实验室用水38环境参数测试仪:测试环镜参数39医用净化工作台:提供无尘无菌高洁净工作环镜40紫外线斑点检测仪:在药物生产研究中,可用来检查荧光药品质量41浮游菌采样器:监控空气中细菌总数和检测空气中的和种细菌42数字白度计:测试药品白度,以及荧光样品测量43散射光浊渡仪:测量水质浊度44实验淘(labtaobao。