水利工程原材料的检测项目及数量
- 格式:doc
- 大小:182.50 KB
- 文档页数:4
水利工程材料检验制度一、总则为了保证水利工程建设材料的质量,确保水利工程的安全和可靠运行,制定本检验制度。
本制度适用于水利工程建设过程中对各类材料的检验工作。
二、检验范围1. 主要包括但不限于以下水利工程建设材料的检验:(1)土石方材料:包括填土、挖方土、石方等;(2)砼材料:包括水泥、砂、砂石、水、石灰、矿粉、外加剂等;(3)钢筋和钢材:包括螺纹钢筋、钢板、型钢等;(4)混凝土结构件:包括桩基础、墙、柱、梁、板等;(5)建筑金属结构:包括钢梁、钢柱、网架等。
三、检验方法1. 检验方法一般包括外观检验、性能测试、试验验证等。
2. 对于土石方材料,主要进行土壤质地、含水量、坍落度等检验。
3. 对于砼材料,主要进行水泥、砂、砂石、外加剂等的化学成分、物理性能等检验。
4. 对于钢筋和钢材,主要进行表面质量、截面尺寸、力学性能等检验。
5. 对于混凝土结构件,主要进行强度、韧度、抗渗性等方面的检验。
6. 对于建筑金属结构,主要进行强度、刚度等方面的检验。
四、检验单位1. 检验单位应具备相应的检验能力和资质,并应受到相关主管部门的监督和管理。
2. 检验单位应定期开展内部质量控制,并接受外部质量监督。
3. 检验单位应编制相应的检验报告,并及时提交给建设单位和监理单位。
五、检验要求1. 检验工作应遵循相关标准和规范,确保检验结果准确、可靠。
2. 检验过程中应保持严格的操作规范,确保检验数据的准确性。
3. 检验结果应详细记录并做出评价,对于不合格材料应及时通知相关部门进行处理。
4. 对于检验结果有争议的情况,应及时组织相关专家进行复核,并对结果作出解释。
六、检验报告1. 检验报告应包括检验对象、检验项目、检验方法、检验结果等内容。
2. 检验报告应及时制作并保存,确保数据的完整性和可追溯性。
3. 检验报告应由检验单位负责人签字确认,并加盖公章。
七、检验记录1. 检验工作应做好详细记录,包括检验样品编号、检验项目、检验日期、检验人员等信息。
南水北调中线一期工程总干渠黄河北~羑河北新乡段工程原材料检测项目和检验频率为了加强对南水北调中线一期工程总干渠黄河北~羑河北新乡段工程进场原材料、中间产品和成品件的质量控制,确保工程质量安全,根据《渠道混凝土衬砌机械化施工质量评定验收标准(试行)》(NSBD8-2007)、“南水北调中线工程标准《预防混凝土工程碱骨料反应技术条例》”、招标文件和国家相关规范,整理编写了该“原材料检测项目和检验频率”,供建管、监理和施工单位在施工过程中抽检、平行检测或自检时使用。
一、原材料和成品件的上报、批复程序1.施工单位将选定好的生产原材料、中间产品或成品件的厂(场)家的资质资料、产品说明书、厂(场)家的检测资料、供货能力和施工单位报告(要求施工单位说明选定厂(场)家的理由)等,一同报送监理单位;2.监理单位对上述资料进行审批后(必要时建设、设计、监理和施工单位还应到厂家实地考察),施工单位方可安排原材料、中间产品或成品件进场。
属于非地质单位推荐的辉县市段庄和卫辉市后沟料场以外的砂石料,以及根据新乡段建管处《南水北调新乡段工程工程材料采购管理办法》(豫调建新建〔2009〕19号)中所列的受控材料,需按照文件要求执行;3.进场的原材料、中间产品或成品件,施工单位应在监理工程师见证取样后,及时送第三方实验室进行检测,并将检测结果报送监理单位进行审批,不合格的原材料、中间产品或成品件,施工单位应及时清理出场,严禁使用。
二、原材料检测项目和检验频率1.砂料质量检验项目和质量标准1.1渠道和水工建筑物1.2桥梁和道路2粗骨料质量检验项目和质量标准2.1渠道和水工建筑物2.2桥梁和道路3、水泥质量检验项目和检验频率表4、混凝土外加剂质量检验项目和检验频率表5、粉煤灰质量检验项目和检验频率表6、混凝土拌和用水质量检验项目和检验频率表7、复合土工膜和土工布质量检验项目、检验频率表8、聚苯乙烯保温板检测项目和检验频率表9、橡胶止水带物理性能指标和检验频率表10、紫铜片止水带物理性能指标和检验频率表11、密封胶物理性能指标和检验频率表12、闭孔泡沫塑料板物理性能指标和检验频率表13、软式透水管13.1.Φ150软式透水管性能指标13.2.Φ250软式透水管性能指标13.3.Φ300软式透水管性能指标14、桥梁橡胶支座物理性能指标和检验频率表14.1.橡胶材料性能要求14.2.PTFE板材料性能指标注:括号内数值为盆式支座指标值14.3.橡胶支座成品力学性能求a b a b式中:l a-- 支座短边尺寸(mm);l b-- 支座长边尺寸(mm);t-- 中间橡胶层厚度(mm);d-- 圆形支座直径(mm)。
水利工程主要原材料及中间产品质量检测频度(一)水泥。
每一工程所用水泥品种以1~2种为宜,使用单位按每200t同厂家、同品种、同强度等级为一个取样单位,如不足200t也作为一个取样单位进行检验。
监理单位和项目法人按同一厂家、同一品牌、同一等级每1000t抽检1次,每单位工程至少抽检1次。
(二)骨料。
细骨料使用单位按同产地、同规格、不超过600t或400m3为一个取样单位,如不足600t或400m3也作为一个取样单位进行检验;监理单位和项目法人按不同产地每1000t抽检1次,每单位工程至少抽检1次。
粗骨料使用单位按同产地、同规格、不超过600t为一个取样单位,如不足600t也作为一个取样单位进行检验;监理单位和项目法人按不同产地每2000t抽检1次,每单位工程至少抽检1次。
(三)钢筋。
使用单位按照同一厂家、同一品种、同一规格尺寸不超过60t为一批次进行取样,如不足60t也作为一个取样单位进行检验。
监理单位和项目法人同一厂家、同一品种、同一规格每100t抽检1次,每单位工程至少抽检1次。
(四)钢筋焊接头。
使用单位按同级别、同规格、同接头形式、同焊工完成的每200个接头或机械连接500个为一个取样单位进行检验,不足200个或500个时也作为一个取样单位进行检验。
监理单位和项目法人抽检20%。
(五)掺合料。
其品种有粉煤灰、凝灰岩粉、矿渣微粉、硅粉、粒化电炉磷渣、氧化镁等。
使用单位对进场使用的粉煤灰等掺合料以连续供应200t为一批(不足200t按一批计),硅粉以连续供应20t为一批(不足20t按一批计),氧化镁以60t为一批(不足60t按一批计)进行检验。
监理单位和项目法人对粉煤灰每200t抽检1次,其它掺合料每100t抽检1次,每个单位工程至少抽检1次。
(六)外加剂。
常用外加剂有普通减水剂、高效减水剂、缓凝高效减水剂、缓凝减水剂、引气减水剂、缓凝剂、高温缓凝剂、引气剂、泵送剂等,外加剂的分批按掺量划分。
掺量大于或等于1%的外加剂,使用单位按100t为一批进行检验;掺量小于1%的外加剂,使用单位按50t为一批进行检验;掺量小于0.01%的外加剂,使用单位按1t~2t为一批进行检验,一批进场的外加剂不足一个批号数量的,视为一批进行检验。
水利工程质量试验检测指引一、标准确定原则:1.水泥、钢筋、减水剂等原材料具有国家质量标准的执行国家质量标准;2.按照合同规定,国家、行业及工程所在地地方标准、规范存在不一致时,除有关法律、法规、规章另有规定外,以对工程质量、检测要求高者严者为准;无法比较的,按水利行业标准、国家标准、相邻行业标准(水电水利、交通、建筑、能源等)、地方标准的优先次序考虑。
3.执行《水利工程质量检测技术规程》(SL 734-2016)的规定。
1三、主要检测项目一览表234567891011121314151617181920212223五、附规范清单1混凝土工程1.1水泥(1)《通用硅酸盐水泥》GB 175-2007(2)《水泥比表面积测定方法勃氏法》GB/T 8074-2008(3)《水泥细度检验方法筛析法》GB/T 1345-2005(4)《水泥标准稠度用水量、凝结时间、安定性检验方法》GB/T1346-2011(5)《水泥胶砂强度检验方法(ISO法)》GB/T 17671-2021(6)《水泥化学分析方法》GB/T 176-2017(7)《水泥胶砂流动度测定方法》GB/T 2419-2005(8)《水泥抗硫酸盐侵蚀试验方法》GB/T 749-2008(9)《水泥密度测定方法》GB/T 208-2014(10)《水泥水化热测定方法》GB/T 12959-20081.2掺合料(11)《用于水泥和混凝土中的粉煤灰》GB/T 1596-2017(12)《用于水泥、砂浆和混凝土中的粒化高炉矿渣粉》GB/T18046-2017(13)《水工混凝土掺用粉煤灰技术规范》DL/T 5055-2007(14)《水工混凝土混凝土掺用氧化镁技术规范》DL/T5296-2013(15)《外掺氧化镁混凝土不分横缝拱坝技术导则》DB44/T703-20101.3混凝土细骨料(16)《水工混凝土试验规程》SL/T 352-2020(17)《普通混凝土用砂、石质量及检验方法标准》JGJ 52-2006(18)《建设用砂》GB/T 14684-2021(19)《水工混凝土砂石骨料试验规程》DL/T 5151-2014(20)《公路工程集料试验规程》JTGE 42-20051.4混凝土粗骨料(21)《水工混凝土试验规程》SL/T 352-2020(22)《普通混凝土用砂、石质量及检验方法标准》JGJ 52-2006(23)《建设用卵石、碎石》GB/T 14685-2021(24)《水工混凝土砂石骨料试验规程》DL/T 5151-2014(25)《公路工程集料试验规程》JTGE 42-20051.5外加剂(26)《混凝土外加剂》GB 8076-2008(27)《混凝土外加剂匀质性试验方法》GB/T 8077-2012(28)《混凝土外加剂应用技术规范》GB 50119-2013(29)《混凝土膨胀剂》GB/T 23439-2017(30)《喷射混凝土用速凝剂》GB/T 35159-2017(31)《水工混凝土外加剂技术规程》DL/T 5100-2014(32)《混凝土抗硫酸盐类侵蚀防腐剂》JC/T 1011-2006(33)《聚羧酸系高性能减水剂》JG/T 223-2007(34)《喷射混凝土用速凝剂》JC 477-2005(35)《膨胀水泥膨胀率试验方法》JC/T 313-2009(36)《公路工程混凝土外加剂》JT/T 523-2004(37)《泡沫混凝土用泡沫剂》JC/T 2199-2013(38)《钢筋混凝土阻锈剂》JT/T 537-2004(39)《水泥混凝土养护剂》JC/T 901-20021.6橡胶(40)《高分子防水材料第4部分:盾构法隧道管片用橡胶密封垫》GB/T 18173.4-2010(41)《高分子防水材料第3部分:遇水膨胀橡胶》GB/T18173.3-2014(42)《硫化橡胶或热塑性橡胶拉伸应力应变性能的测定》GB/T528-2009(43)《硫化橡胶或热塑性橡胶密度的测定》GB/T 533-2008(44)《电工电子产品环境试验第2部分试验方法试验J及导则:长霉》GB/T 2423.16-2008(45)《硫化橡胶或热塑性橡胶热空气加速老化和耐热试验》GB/T 3512-2014(46)《硫化橡胶或热塑性橡胶压入硬度试验方法第1部分:邵氏硬度计法(邵尔硬度)》GB/T 531.1-2008(47)《硫化橡胶或热塑性橡胶压缩永久变形的测定第1部分:在常温及高温条件下》GB/T 7759.1-2015(48)《硫化橡胶或热塑性橡胶压缩永久变形的测定第2部分:在低温条件下》GB/T 7759.2-2014(49)《硫化橡胶或热塑性橡胶撕裂强度的测定(裤形、直角形和新月形试样)》GB/T 529-2008(50)《水工建筑物塑性嵌缝密封材料技术标准》DL/T 949-20051.7止水带材料(51)《高分子防水材料第2部分:止水带》GB/T 18173.2-2014(52)《高分子防水材料第4部分:盾构法隧道管片用橡胶密封垫》GB/T 18173.4-2010(53)《膨润土橡胶遇水膨润止水条》JG/T 141-20011.8丁晴软木垫(54)《盾构法隧道管片用软木橡胶衬垫》GB/T 31061-2014(55)《非金属垫片材料分类体系及试验方法第1部分:非金属垫片材料分类体系》GB/T 20671.1-2006(56)《非金属垫片材料分类体系及试验方法第2部分:垫片材料压缩率回弹率试验方法》GB/T 20671.2-2006(57)《非金属垫片材料分类体系及试验方法第3部分:垫片材料耐液性试验方法》GB/T 20671.3-2006(58)《非金属垫片材料分类体系及试验方法第4部分:垫片材料耐液性试验方法》GB/T 20671.4-2006(59)《非金属垫片材料分类体系及试验方法第5部分:垫片材料耐液性试验方法》GB/T 20671.5-2006(60)《非金属垫片材料分类体系及试验方法第6部分:垫片材料耐液性试验方法》GB/T 20671.6-2006(61)《非金属垫片材料分类体系及试验方法第7部分:垫片材料耐液性试验方法》GB/T 20671.7-2006(62)《非金属垫片材料分类体系及试验方法第8部分:非金属垫片材料柔软性试验方法》GB/T 20671.8-2006(63)《非金属垫片材料分类体系及试验方法第9部分:软木垫片材料胶结物耐久性试验方法》GB/T 20671.9-2006(64)《非金属垫片材料分类体系及试验方法第10部分:垫片材料导热系数测定方法》GB/T 20671.10-2006(65)《非金属垫片材料分类体系及试验方法第11部分:合成聚合材料抗霉性测定方法》GB/T 20671.11-20061.9聚乙烯泡沫板(66)《泡沫塑料及橡胶表观密度的测定》GB/T 6343-2009(67)《硬质泡沫塑料拉伸性能试验方法》GB/T 9641-1988(68)《硬质泡沫塑料吸水率的测定》GB/T 8810-2005(69)《混凝土接缝密封嵌缝板》JC/T 2255-20141.10高强度螺栓连接副(70)《紧固件机械性能不锈钢螺栓、螺钉和螺柱》GB/T3098.6-2014(71)《紧固件机械性能螺母》GB/T 3098.2-2015(72)《紧固件机械性能螺栓、螺钉和螺柱》GB/T 3098.1-2010 1.11墙体材料、砖(73)《烧结普通砖》GB/T 5101-2017(74)《蒸压灰砂砖》GB/T 11945-1999(75)《混凝土砌块和砖试验方法》GB/T 4111-2013(76)《砌墙砖试验方法》GB/T 2542-2012(77)《混凝土路面砖性能检验方法》GB/T 32987-2016(78)《透水路面砖和透水路面板》GB/T 25993-2010(79)《蒸压粉煤灰砖》JC/T 239-2014(80)《混凝土路缘石》JC/T 899-2016(81)《砌墙砖检验规则》JC 466-921.12金属材料力学性能(82)《金属材料拉伸试验第1部分室温试验方法》GB/T228.1-2021(83)《金属材料弯曲试验方法》GB/T 232-2010(84)《金属材料夏比摆锤冲击试验方法》GB/T 229-2007(85)《金属材料线材反复弯曲试验方法》GB/T 238-2013(86)《金属材料薄板和薄带反复弯曲试验方法》GB/T235-2013(87)《金属材料布氏硬度试验第1部分:试验方法》GB/T231.1-2009(88)《金属材料里氏硬度试验第1部分:试验方法》GB/T17394.1-2014(89)《金属材料洛氏硬度试验第1部分:试验方法》GB/T230.1-2018(90)《金属材料维氏硬度试验第1部分:试验方法》GB/T4340.1-2009(91)《金属材料线材缠绕试验方法》GB/T 2976-2004(92)《金属材料拉伸应力松弛试验方法》GB/T 10120-2013(93)《焊接钢管尺寸及单位长度重量》GB/T 21835-2008(94)《预应力混凝土用钢绞线》GB/T 5224-20141.13涂料(95)《聚氨酯防水涂料》GB/T 19250-2013(96)《聚合物水泥防水涂料》GB/T 23445-2009(97)《建筑防水涂料试验方法》GB/T 16777-2008(98)《漆膜腻子膜干燥时间测定法》GB/T 1728-2020(99)《漆膜附着力测定法》GB1720-2020(100)《漆膜耐冲击测定法》GB/T 1732-2020(101)《漆膜柔韧性测定法》GB/T 1731-2020(102)《色漆、清漆和塑料不挥发物含量的测定》GB/T 1725-2007(103)《色漆和清漆摆杆阻尼试验》GB/T 1730-2007(104)《色漆和清漆耐磨性的测定旋转橡胶砂轮法》GB/T 1768-2006(105)《色漆和清漆漆膜的划格试验》GB/T 9286-2021(106)《色漆和清漆漆膜厚度的测定》GB/T 13452.2-2008 (107)《色漆和清漆拉开法附着力试验》GB/T 5210-2006(108)《水乳型沥青防水涂料》JC/T 408-2005(109)《建筑表面用有机硅防水剂》JC/T 902-20021.14胶黏剂(110)《胶黏剂黏度的测定单圆筒旋转黏度计法》GB/T 2794-2013(111)《建筑结构加固工程施工质量验收规范》GB50550-2010 (112)《胶粘剂对接接头拉伸强度的测定》GB/T 6329-1996 1.15钢筋(113)《钢筋混凝土用钢第1部分:热轧光圆钢筋》GB/T 1499.1-2017(114)《钢筋混凝土用钢第2部分:热轧带肋钢筋》GB/T 1499.2-2018(115)《低碳钢热轧圆盘条》GB/T 701-2008(116)《钢筋混凝土用钢材试验方法》GB/T 28900-2012(117)《混凝土中钢筋检测技术规程》JGJ/T 152-20081.16管件、管材(118)《给水用硬聚氯乙烯(PVC-U)管材》GB/T 10002.1-2006 (119)《流体输送用热塑性塑料管材耐内压试验方法》GB/T 6111-2003(120)《流体输送用热塑性塑料管道系统耐内压性能的测定》GB/T 6111-2018(121)《埋地用聚乙烯(PE)结构壁管道系统第1部分:聚乙烯双壁波纹管材》GB/T 19472.1-2004(122)《埋地用聚乙烯(PE)结构壁管道系统第2部分:聚乙烯缠绕结构壁管材》GB/T 19472.2-2017(123)《热塑性塑料管材环刚度的测定》GB/T 9647-2015(124)《热塑性塑料管材拉伸性能测定第1部分:试验方法总则》GB/T 8804.1-2003(125)《热塑性塑料管材拉伸性能测定第2部分:硬聚氯乙烯(PVC-U)、氯化聚氯乙烯(PVC-C)和高抗冲聚氯乙烯(PVC-HI)管材》GB/T 8804.2-2003(126)《热塑性塑料管材拉伸性能测定第3部分:聚烯烃管材》GB/T 8804.3-2003(127)《热塑性塑料管材、管件维卡软化温度的测定》GB/T 8802-2001(128)《热塑性塑料管材耐外冲击性能试验方法时针旋转法》GB/T 14152-2001(129)《热塑性塑料管材纵向回缩率的测定》GB/T 6671-2001(130)《塑料管道系统塑料部件尺寸的测定》GB/T 8806-2008(131)《硬聚氯乙烯(PVC-U)管材二氯甲烷浸渍试验方法》GB/T 13526-2007(132)《硬聚氯乙烯(PVC-U)管件坠落试验方法》GB/T 8801-2007(133)《注射成型硬质聚氯乙烯(PVC-U)、氯化聚氯乙烯(PVC-C)、丙烯腈-丁二烯-苯乙烯三元共聚物(ABS)和丙烯腈-苯乙烯-丙烯酸盐三元共聚物(ASA)管件热烘箱试验方法》GB/T 8803-2001(134)《硬质塑料管材弯曲度测定方法》QB/T 2803-2006 1.17沥青(135)《建筑石油沥青》GB/T 494-2010(136)《水工沥青混凝土施工规范》SL 514-2013(137)《沥青软化点测定法环球法》GB 4507-2014(138)《沥青延度测定法》GB/T 4508-2010(139)《沥青针入度测定法》GB/T 4509-2010(140)《石油产品运动粘度测定法和动力粘度计算法》GB/T 265-1988(141)《石油沥青脆点测定法弗拉斯法》GB/T 4510-2006(142)《公路工程沥青及沥青混合料试验规程》JTGE 20-2011 1.18混凝土(143)《水利水电工程单元工程施工质量验收评定标准-混凝土工程》SL 632-2012;(144)《水工混凝土试验规程》SL/T 352-2020(145)《水工混凝土施工规范》SL 677-2014(146)《普通混凝土拌合物性能试验方法标准》GB/T 50080-2016(147)《普通混凝土力学性能试验方法标准》GB/T50081-2019(148)《普通混凝土长期性能和耐久性能试验方法标准》GB/T 50082-2009(149)《地下工程防水技术规范》GB 50108-2008(150)《地下防水工程施工质量验收标准》GB 50208-2011(151)《蒸压加气混凝土性能试验方法》GB/T 11969-2008(152)《水工混凝土施工规范》DL/T 5144-2015(153)《水工混凝土试验规程》DL/T 5150-2001(154)《水工自密实混凝土技术规程》DL/T 5720-2015(155)《水工沥青混凝土试验规程》DL/T 5362-2006(156)《水工塑性混凝土试验规程》DL/T 5303-2013(157)《水工混凝土配合比设计规程》DL/T 5330-2015(158)《普通混凝土配合比设计规程》JGJ 55-2011(159)《公路工程水泥及水泥混凝土试验规程》JTGE 30-2005 (160)《水运工程混凝土试验规程》JTJ 270-1998(161)《自密实混凝土应用技术规程》JGJ/T 283-2012(162)《自密实混凝土应用技术规程》CECS 203-2006(163)《混凝土结构耐久性设计规范》GB50476-2008;(164)《水工混凝土耐久性技术规范》DL/T 5241-20101.19盾构隧道管片(165)《预制混凝土衬砌管片》GB/T 22082-2017(166)《盾构隧道管片质量检测技术标准》CJJ/T 164-2011 (167)《海港工程混凝土防腐蚀技术规范》JTJ275-2000 1.20砂浆(168)《砌体工程现场检测技术标准》GB/T 50315-2011(169)《建筑砂浆基本性能试验方法标准》JGJ/T 70-2009 (170)《砌筑砂浆配合比设计规程》JGJ/T 98-2010(171)《抹灰砂浆技术规程》JGJ/T 220-2010(172)《贯入法检测砌筑砂浆抗压强度技术规程》JGJ/T 136-20171.21钢筋接头(173)《焊接接头拉伸试验方法》GB/T 2651-2008(174)《焊接接头弯曲试验方法》GB/T2653-2008(175)《钢筋焊接接头试验方法标准》JGJ/T 27-2014(176)《钢筋焊接及验收规程》JGJ/T 18-2012(177)《钢筋机械连接技术规程》JGJ 107-2016(178)《墩粗直螺纹钢筋接头》JG 171-2005(179)《滚轧直螺纹钢筋连接接头》JG 163-20041.22混凝土结构、构筑物(180)《水工混凝土试验规程》SL/T 352-2020(181)《水工混凝土结构缺陷检测技术规程》SL 713-2015 (182)《混凝土结构试验方法标准》GB/T 50152-2012(183)《钻芯检测离心高强混凝土抗压强度试验方法》GB/T 19496-2004(184)《建筑结构检测技术标准》GB/T 50344-2004(185)《混凝土结构现场检测技术标准》GB/T 50784-2013(186)《混凝土管用混凝土抗压强度试验方法》 GB/T 11837-2009(187)《混凝土和钢筋混凝土排水管试验方法》GB/T 16752-2006(188)《给水排水构筑物工程施工及验收规范》GB50141-2008(189)《回弹法检测混凝土抗压强度技术规程》JGJ/T 23-2011(190)《高强混凝土强度检测技术规程》JGJ T294-2013(191)《混凝土中钢筋检测技术规程》JGJ/T 152-2008(192)《超声波检测混凝土缺陷技术规程》CECS 21:2000(193)《超声回弹综合法检测混凝土强度技术规程》CECS 02:2005(194)《钻芯法检测混凝土强度技术规程》CECS 03:2007(195)《纤维混凝土试验方法标准》CECS 13:2009(196)《混凝土中氯离子含量检测技术规程》JGJ/T 322-2013 (197)《海港工程混凝土结构防腐蚀技术规范》JTJ 275-2000 1.23洞室衬砌质量(198)《水利水电工程物探》SL 326-2005(199)《水电水利工程物探规程》DL/T 5010-2005(200)《冲击回波法检测混凝土缺陷技术规程》JGJ/T 411-20171.24管道(201)《城镇排水管道检测与评估技术规程》CJJ181-20122岩土工程(202)《水利水电工程单元工程施工质量验收评定标准-土石方工程》SL 631-2012(203)《水利水电工程单元工程施工质量验收评定标准-地基处理与基础工程》SL 633-2012(204)《水利水电工程单元工程施工质量验收评定标准-堤防工程》SL 634-20122.1土工指标检测(205)《碾压式土石坝施工规范》DL 5129-2013(206)《土木工程用玻璃纤维增强筋》JG/T 406-2013(207)《土工试验规程》SL237-1999(208)《核子水分-密度仪现场测试规程》SL 275-2014(209)《岩土工程勘察规范》(2009年版)GB50021-2001 (210)《土工试验方法标准》GB/T 50123-1999(211)《水电水利工程土工试验规程》DL/T 5355-2006(212)《公路工程无机结合料稳定材料试验规程》JTGE 51-2009(213)《公路路面路基施工技术细则》JTG/T F20-2015(214)《公路土工试验规程》JTGE 40-20072.2岩石(体)指标(215)《水利水电工程岩石试验规程》SL 264-2001(216)《工程岩体试验方法标准》GB/T 50266-2013(217)《水电水利工程岩石试验规程》DL/T 5368-2007(218)《公路工程岩石试验规程》JTGE 41-20052.3塑料排水板(219)《塑料排水板质量检验标准》JTJ/T 257-96(220)《土工合成材料测试规程》SL 235-2012(221)《水运工程塑料排水板应用技术规程》JTS 206-1-2009 2.4土工合成材料(222)《土工合成材料测试规程》SL 235-2012(223)《土工合成材料塑料土工格室》GB/T19274-2003(224)《土工合成材料短纤针刺非织造土工布》GB/T 17638-2017(225)《土工合成材料长丝纺粘针刺非织造土工布》GB/T 17639-2008(226)《土工合成材料长丝机织土工布》GB/T 17640-2008 (227)《土工合成材料裂膜丝机织土工布》GB/T 17641-2017 (228)《土木合成材料塑料扁丝编织土工布》GB/T 17690-1999(229)《土工合成材料机织非织造复合土工布》GB/T 18887-2002(230)《土工合成材料非织造布复合土工膜》GB/T 17642-2008(231)《土工合成材料聚乙烯土工膜》GB/T 17643-2011(232)《土工合成材料聚氯乙烯土工膜》GB/T 17688-1999 (233)《玻璃纤维土工格栅》GB/T 21825-2008(234)《土工合成材料塑料土工格栅》GB/T 17689-2008(235)《土工合成材料宽条拉伸试验方法》GB/T 15788-2017(236)《土工合成材料梯形法撕破强力的测定》GB/T 13763-2010(237)《土工合成材料土工布及土工布有关产品单位面积质量的测定方法》GB/T 13762-2009(238)《土工布及其有关产品刺破强力的测定》GB/T 19978-2005(239)《土工布及其有关产品动态穿孔试验落锥法》GB/T 17630-1998(240)《土工布及其有关产品有效孔径的测定干筛法》GB/T 14799-2005(241)《土工合成材料防渗性能第2部分渗透系数的测定》GB/T 19979.2-2006(242)《土工合成材料防渗性能第1部分:耐静水压的测定》GB/T 19979.1-2005(243)《土工合成材料规定压力下厚度的测定第1部分:单层产品厚度的测定方法》GB/T 13761.1-2009(244)《土工布及其有关产品抗氧化性能的试验方法》GB/T 17631-1998(245)《土工合成材料静态顶破试验(CBR法)》GB/T 14800-2010(246)《土工布及其有关产品无负荷时垂直渗透特性的测定》GB/T 15789-2016(247)《土工合成材料接头/接缝宽条拉伸试验方法》GB/T 16989-2013(248)《纺织品耐候性试验紫外光曝晒》GB/T 31899-2015(249)《塑料在玻璃下日光、自然气候或实验室光源暴露后颜色和性能变化的测定》GB/T 15596-2009(250)《交通工程土工合成材料土工格栅》JT/T 480-2002 (251)《公路工程土工合成材料试验规程》JTGE 50-2006(252)《钠基膨润土防水毯》JG/T 193-20062.5机编钢丝网(253)《锌-5%铝-混合稀土合金镀层钢丝、钢绞线》GB/T 20492-2006(254)《钢产品镀锌层质量试验方法》GB/T 1839-2008(255)《镀锌钢丝锌层硫酸铜试验方法》GB/T 2972-2016(256)《塑料拉伸性能的测定第1部分:总则》GB/T 1040.1-2006(257)《塑料非泡沫塑料密度的测定第1部分:浸渍法、液体比重瓶法和滴定法》GB/T 1033.1-2008(258)《塑料实验室光源暴露试验方法第2部分:氙弧灯》GB/T 16422.2-2014(259)《塑料灰分的测定第1部分:通用方法》GB/T 9345.1-2008(260)《塑料实验室光源暴露试验方法第3部分:荧光紫外灯》GB/T 16422.3-2014(261)《塑料薄膜和薄片厚度测定机械测量法》GB/T 6672-2001(262)《塑料环氧树脂黏度测定方法》GB/T 22314-2008(263)《工程用机编钢丝网及组合体》YB/T 4190-2018(264)《一般用途低碳钢丝》YB/T 5294-2009(265)《一般用途镀锌低碳钢丝编织网六角网》QB/T 1925.2-19932.6灌浆工程检测(266)《水工建筑物水泥灌浆施工技术规范》SL 62-2014(267)《预应力孔道灌浆剂》GB/T 25182-2010(268)《水泥基灌浆材料应用技术规范》GB/T 50448-2015 (269)《水泥基灌浆材料》JC/T 986-20052.7基础处理工程检测(270)《水利水电工程混凝土防渗墙施工技术规范》SL 174-2014(271)《水利水电工程锚喷支护技术规范》SL 377-2007(272)《水利水电工程注水试验规程》SL 345-2007(273)《水利水电工程物探》SL 326-2005(274)《水利水电工程钻孔抽水试验规程》SL 320-2005(275)《水利水电工程钻孔压水试验规程》SL 31-2003(276)《建筑地基基础设计规范》GB 50007-2011(277)《建筑地基基础工程施工质量验收规范》GB50202-2002(278)《岩土锚杆与喷射混凝土支护工程技术规范》GB 50086-2015(279)《爆破安全规程》GB 6722-2014(280)《水电水利工程锚喷支护施工规范》DL/T 5181-2017 (281)《水电水利工程锚杆无损检测规程》DL/T 5424-2009 (282)《水电水利工程物探规程》DL/T 5010-2005(283)《水电水利工程钻孔抽水试验规程》DL/T 5213-2005(284)《水利水电工程爆破安全监测规程》DL/T 5333-2005 (285)《锚杆锚固质量无损检测技术规程》JGJ/T 182-2009 (286)《水泥土配合比设计规程》JGJ/T 233-2011(287)《建筑地基处理技术规范》JGJ 79-2012(288)《建筑基桩检测技术规范》JGJ 106-2014(289)《高压喷射扩大头锚杆技术规程》JGJ/T 282-2012 (290)《锚杆锚固质量无损检测技术规程》JGJ/T 182-2009 (291)《既有建筑地基基础加固技术规范》JGJ 123-2012 (292)《基桩孔内摄像检测技术规程》CECS 253:2009 (293)《水电水利工程预应力锚杆用水泥锚固剂技术规程》DL/T 5703-2014(294)《树脂锚杆第1部分:锚固剂》MT 146.1-2011 (295)《树脂锚杆第1部分:金属杆件及其附件》MT 146.2-2011(296)《预应力筋用锚具、夹具和连接器应用技术规范》JGJ85-2010(297)《建筑地基检测技术规范》JGJ 340-2015(298)《预应力混凝土管桩技术标准》JGJ/T 406-2017 (299)《电力工程基桩检测技术规程》DL/T 5493-2014 (300)《建筑基坑支护技术规程》JGJ 120-2012(301)《岩土锚杆(索)技术规程》CECS 22:2005(302)《建筑桩基技术规范》JGJ 94-2008(303)《公路隧道施工技术规范》JTG F60-2009(304)《公路桥涵施工技术规范》JTG/T F50-2011(305)《预制钢筋混凝土方桩》JC 934-2004(306)《建筑地基基础检测规范》DB J 15-60-2008(307)《钻孔灌注桩、地下连续墙成槽检测技术规程》DB/T 29-112-2010(308)《钻孔灌注桩成孔、地下连续墙成槽质量检测技术规程》DGJ 32/TJ 117-2011(309)《灌注桩钢筋笼长度检测技术规程》DGJ 32/T 60-2007 (310)《基桩自平衡法静试验技术规程》DBJ/T 15-103-2014 (311)《深圳市建筑基桩检测规程》SJG09-20153量测(312)《水利水电工程测量规范》SL 197-2013(313)《水利水电工程施工测量规范》SL 52-2015(314)《土石坝安全监测技术规范》SL 551-2012(315)《混凝土坝安全监测技术规范》SL601-2013(316)《国家一、二等水准测量规范》GB/T 12897-2006(317)《国家三、四等水准测量规范》GB/T 12898-2009(318)《工程测量规范》GB 50026-2007(319)《建筑基坑工程监测技术规范》GB 50497-2009(320)《水电水利工程爆破安全监测规程》DL/T 5333-2005(321)《建筑变形测量规范》JGJ 8-2016(322)《公路路基路面现场测试规程》JTGE 60-2008(323)《城市轨道交通结构安全保护技术规范》CJJ/T 202-2013(324)《广州地区建筑基坑支护技术规定》GJB 02-984金属结构4.1铸锻、焊接、材料质量与防腐涂层质量检测(325)《水工金属结构防腐蚀规范》SL 105-2007(326)《水工金属结构焊接通用技术条件》SL 36-2016(327)《水利工程压力钢管制造安装及验收规范》SL 432-2008(328)《铜及铜合金带材》GB/T 2059-2017(329)《碳素结构钢》GB/T 700-2006(330)《优质碳素结构钢》GB/T 699-2015(331)《钢丝绳通用技术条件》GB/T 50118-2017(332)《水电水利工程压力钢管制造安装及验收规范》GB 50766-2012(333)《焊接接头拉伸试验方法》GB/T 2651-2008(334)《焊接接头弯曲试验方法》GB/T 2653-2008(335)《钢结构工程施工质量验收规范》GB 50205-2001(336)《钢结构质量检验评定标准》GB 50221-2001(337)《无损检测接触式超声脉冲回波法测厚方法》GB/T 11344-2008(338)《钢结构现场检测技术标准》GB/T 50621-2010(339)《焊缝无损检测超声检测技术、检测等级和评定》GB/T 11345-2013(340)《无损检测超声检测相控阵超声检测方法》GB/T 32563-2016(341)《无损检测磁粉检测第1部分:总则》GB/T 15822.1-2005(342)《无损检测磁粉检测第2部:分检测介质》GB/T 15822.2-2005(343)《无损检测磁粉检测第3部分:设备》GB/T 15822.3-2016(344)《厚钢板超声检测方法》GB/T 2970-2016(345)《金属熔化焊焊接接头射线照相》GB/T 3323-2005 (346)《钢锻件超声检测方法》GB/T 6402-2008(347)《铸钢件超声检测第1部分:一般用途铸钢件》GB/T 7233.1-2009(348)《铸钢件超声检测第2部分:高承压铸钢件》GB/T 7233.2-2010(349)《铸钢件磁粉检测》GB/T 9444-2007(350)《铸钢件射线照相检测》GB/T 5677-2007(351)《铸钢件渗透检测》GB/T 9443-2007(352)《水电水利工程压力钢管制造安装及验收规范》DL/T 5017-2007(353)《水电水利工程金属结构及设备焊接接头衍射时差法超声检测》DL/T 330-2010(354)《承压设备无损检测第10部分:衍射时差法超声检测》NB/T 47013.10-2015(355)《承压设备无损检测第2部分:射线检测》NB/T 47013.2-2015(356)《承压设备无损检测第4部分:磁粉检测》NB/T 47013.4-2015(357)《承压设备无损检测第5部分:渗透检测》NB/T 47013.5-2015(358)《锻钢件超声波探伤方法》JB/T 8467-2014(359)《钢铁材料的磁粉探伤检验方法及缺陷磁痕的等级分类》JIS G 0565-1992(360)《锻钢件磁粉检验方法》JB/T 8468-2014(361)《焊缝磁粉检验方法和缺陷痕迹的分级》JB/T6061-2007(362)《锻钢件渗透检测》JB/T 8466-2014(363)《无损检测渗透检测方法》JB/T 9218-2015(364)《焊缝渗透检验方法和缺陷痕迹的分级》JB/T6062-20074.2金属涂层(365)《涂覆涂料前钢材表面处理表面清洁度的目视评定第1部分:未涂覆过的钢材表面和全面清除原有涂层后的钢材表面的锈蚀等级和处理等级》GB/T 8923.1-2011 (366)《水利工程压力钢管制造安装及验收规范》SL 432-2008(367)《水工钢闸门和启闭机安全检测技术规程》SL 101-2014(368)《热喷涂抗拉结合强度的测定》GB/T 8642-20024.3制造安装与在役质量检测(369)《水利工程压力钢管制造安装及验收规范》SL 432-2008(370)《水工金属结构制造安装质量检验通则》SL 582-2012(371)《水工钢闸门和启闭机安全检测技术规程》SL 101-2014(372)《钢结构工程施工质量验收规范》GB 50205-2001(373)《塑料和硬橡胶使用硬度计测定压痕硬度(邵氏硬度)》GB/T 2411-2008(374)《水电水利工程压力钢管制造安装及验收规范》DL/T 5017-2007(375)《水工钢闸门和启闭机安全检测技术规程》DL/T 835-2003(376)《室内空气温度测量方法》DB37/T 2399-2013(377)《启闭机与清污机检测》(378)《水利水电工程启闭机制造安装及验收规范》SL 381-2007(379)《起重机钢丝绳保养、维护、检验和报废》GB/T 5972-2016(380)《铁磁性钢丝绳电磁检测方法》GB/T 21837-2008(381)《涂覆涂料前钢材表面处理喷射清理后的钢材表面粗糙度特性第4部分:ISO表面粗糙度比较样块的校准和表面粗糙度的测定方法触针法》GB/T 13288.4-20135机械电气5.1水力机械(382)《泵站现场测试与安全检测规程》SL 548-2012(383)《泵的噪声测量与评价方法》GB/T 29529-2013(384)《产品几何技术规范(GPS) 表面结构轮廓法表面粗糙度参数及其数值》GB/T 1031-2009(385)《产品几何技术规范(GPS) 几何公差检测与验证》GB/T 1958-2017(386)《水力机械(水轮机、蓄能泵和水泵水轮机)振动和脉动现场测试规程》GB/T 17189-2017(387)《水轮机、蓄能泵和水泵水轮机空蚀评定第1部分:反击式水轮机的空蚀评定》GB/T 15469.1-2008(388)《水轮机、蓄能泵和水泵水轮机水力性能现场验收试验规程》GB/T 20043-2005(389)《小型水轮机现场验收试验规程》GB/T 22140-2018 5.2电气设备(390)《综合布线系统工程验收规范》GBT 50312-2016(391)《电气装置安装工程电气设备交接试验标准》GB 50150-2016(392)《绝缘油击穿电压测定法》GB/T 507-2002(393)《三相同步电机试验方法》GB/T 1029-2005(394)《变压器、电抗器、电源装置及其组合的安全第1部分:通用要求和试验》GB/T 19212.1-2016(395)《现场绝缘试验实施导则绝缘电阻、吸收比和极化指数试验》DL/T 474.1-2018(396)《大中型水轮发电机静止整流励磁系统试验规程》DL/T 489-2018(397)《电力设备预防性试验规程》DL/T 596-1996(398)《电力变压器试验导则》JB/T 501-2006(399)《电流表、电压表、功率表及电阻表检定规程》JJG 124-2005。
水利工程原材料质量检测频次及依据施工单位按《水利水电工程单元工程施工质量验收评定标准》(SL631~639)及有关技术标准对水泥、钢材等原材料质量进行检验,并报监理单位复核。
不合格产品不得使用。
这是强制性条文。
01水泥1、检测频次依据:⑴《通用硅酸盐水泥》(GB175—2007);⑵《中热硅酸盐水泥、低热硅酸盐水泥》(GB200—2017);⑶《低热微膨胀水泥》(GB2938—2008);⑷《抗硫酸盐硅酸盐水泥》(GB748—2005)。
⑸《水工混凝土施工规范》(SL677—2014)。
2、检测频次:同厂家、同品种、同强度等级、同批号每200~400t一批。
3、检测项目与内容:3d、28d抗压强度及抗折强度,细度,凝结时间,安定性等。
02钢筋1、检测频次依据:⑴《钢筋混凝土用钢第1部分:热轧光圆钢筋》(GB1499.1—2017);⑵《钢筋混凝土用钢第2部分:热轧带肋钢筋》(GB1499.2—2018);⑶《水工混凝土施工规范》(SL677—2014)。
2、检测频次:同一炉(批)号、同截面尺寸每60t一批。
3、检测项目与内容:外观质量及直径、抗拉强度、屈服点、伸长率、冷弯等。
03外加剂1、检测频次依据:《水工混凝土施工规范》(SL677—2014)。
2、检测频次:掺量≥1%:不超过100t为一批;掺量0.05%≤X<1%:50t为一批;掺量<0.05%:2t为一批。
3、检测项目与内容:减水率、泌水率比、含气量、凝结时间差、塌落度损失、抗压强度比。
必要时检验收缩率比、相对耐久性、匀质性。
04粉煤灰1、检测频次依据:《水工混凝土施工规范》(SL677—2014)。
2、检测频次:连续供应的同种、同批号每200t一批。
3、检测项目与内容:细度、需水量比、烧失量、含水量等。
05硅粉1、检测频次依据:《水工混凝土用硅粉品质标准暂行规定》(水规科〔1991〕10号)。
2、检测频次:连续供应的同批号20t为一批。
水利工程原材料中间产品主要检测项目和数量1.水泥:
-试样的外观和颜色
-水泥浆液性能(流动性、凝结时间)
-水泥强度
-水泥中的硫酸盐含量
2.混凝土:
-骨料(颗粒形状、颗粒大小、密度等)
-砂(颗粒大小、湿度等)
-水泥浆液性能(流动性、凝结时间)
-混凝土的抗压强度和抗折强度
-混凝土的抗渗性能
3.钢筋:
-钢筋的化学成分
-钢筋的机械性能(抗拉强度、屈服强度等)
-钢筋的尺寸和形状
-钢筋的表面处理和涂层质量
4.土壤:
-土壤的颗粒大小和比例
-土壤的含水率和干密度
-土壤的液塑性指数
-土壤的抗剪强度
5.塑料材料:
-塑料材料的化学成分
-塑料材料的物理性能(拉伸强度、断裂伸长率等)-塑料材料的耐蚀性
6.橡胶材料:
-橡胶材料的化学成分
-橡胶材料的物理性能(硬度、拉伸强度等)
-橡胶材料的耐磨性
7.砖石材料:
-砖石材料的物理性质(密度、吸水率等)
-砖石材料的强度
-砖石材料的尺寸和形状
8.木材:
-木材的含水率
-木材的密度
-木材的强度和刚度
上述检测项目的数量视具体工程的规模和要求而定。
通常情况下,每种原材料和中间产品至少需要进行数个检测项目。
对于大型水利工程,每个检测项目可能需要进行多次测试以确保结果的准确性和可靠性。
因此,水利工程原材料中间产品的检测数量可能会比较大。
水利工程监理试验检测项目频率及取样要求本文档旨在规定水利工程监理试验中的检测项目频率及取样要求,以确保试验结果的准确性和可靠性。
1. 检测项目频率要求1.1 一般要求在进行水利工程监理试验时,应根据相关标准和规范确定检测项目的频率。
频率的确定应综合考虑施工进度、工程规模、质量要求等因素。
1.2 常见检测项目频率要求以下是常见的水利工程监理试验检测项目频率要求的示例:- 混凝土抗压强度试验:每批次取样不少于3个试件进行试验。
- 钢筋拉力试验:每批次取样不少于3根钢筋进行试验。
- 土工材料含水率试验:每批次取样不少于3个样品进行试验。
请注意,具体的检测项目频率要求应根据工程的实际情况进行确定,并参照相应的标准和规范。
2. 取样要求2.1 取样方法进行水利工程监理试验时,应按照标准的取样方法进行取样。
取样方法应能够保证样品的代表性和试验结果的准确性。
2.2 取样数量根据不同的试验项目和要求,取样数量会有所不同。
在进行取样时,应根据试验项目的特点和要求来确定合适的取样数量。
一般情况下,每批次取样数量不少于3个样品为宜。
2.3 取样位置取样位置的选择应能够代表被试材料或被试对象的整体状况。
在确定取样位置时,应综合考虑结构布置、采样方便性和采样安全性等因素。
3. 其他注意事项在进行水利工程监理试验时,除了遵守检测项目频率和取样要求外,还应注意以下事项:- 严格按照标准和规范进行试验操作。
- 注意试验设备的校准和维护。
- 对试验结果进行准确记录和及时报告。
以上内容仅为示例,并不涵盖所有可能的水利工程监理试验检测项目频率及取样要求。
具体的要求应根据实际情况和相关标准来确定。
注:本文档中的所有内容仅供参考,具体操作应以相关法律法规和标准规范为准。
原材料及中间产品质量主要检验项目和数量
1、原材料
2、土工合成材料、添加剂
3、土料、防汛路
6、金属构件
7、机电设备
8混凝土、预制件
砼预制构件外观质量、尺寸、预埋件、插筋和预
留孔洞的规格、位置和数量、主筋保
护层厚度
《混凝土结构工程施工质量验收规范》GB502
04-2002(2011 版)
《混凝土结构试验方法标准》GBT 50152-2012
结构性能:承载力、挠度和抗裂
1、全数检查。
2、混凝土按5m3且不超
过半个工作班生产的相同
配
合比的混凝土,留置一组试
件,同一强度等级的同条件
养护试件不宜少于10 组。
按同一工艺正常生产的不超
过1000件且不超过3个月的
同类产品为一批。
在每批中
应随机抽取一个构件,作为
试件进行检验。
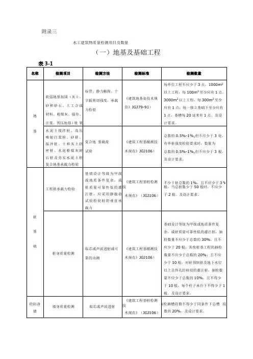
9、地基及基础工程
注:1、表中未列的其他检验项目和依据见相关标准。
2、检验批不足检验批量数时,按一个检验批进行检验。
3、国家及行业颁布新规程规范及技术标准,则按新规程规范及技术标准执行。
混凝土抗压强度(抗冻、抗折强度、抗渗性能)、抗拉强度等。
《水工混凝土试验规程》SL352-2006、《混凝土结构工程施工质量验收规范》GB 50204-2002《水利水电工程施工质量检验与评定规程》SL176-2007《水利水电工程单元工程施工质量验收评定标准》SL632-2012《普通混凝土力学性能试验方法标准》GB/T50081-2002《普通混凝土长期性能和耐久性能试验方法》GBJ82-19851、不同强度等级、不同配合比,应分别制取试件;2、大体积混凝土28d龄期每500 m31组;设计龄期每1000 m31组;3、非大体积混凝土28d龄期每100 m31组,设计龄期每200 m31组;4、每一工作班、每100盘,至少成型试件1组;每一单元工程至少成型1组;5、设计龄期抗拉项目28d龄期每2000 m31组;设计龄期每3000 m31组;6、设计龄期抗渗性同一强度等级、抗渗等级的混凝土,每季度2组;7、设计龄期抗冻性同一强度等级、抗冻等级的混凝土,每季度2组。
喷射砼抗压强度等《水利水电工程锚喷支护技术规范》(SL377-2007 )、《混凝土强度检验评定标准》(GB/T50107-2010)①每种材料或每一配合比每喷射1000m2(含不足1000m2的单项工程)各取样一组,每组试样为3块,有其他要求时应增加取样数量。
②材料或配比变更时需重取试件。
砌筑砂浆稠度、凝结时间、抗压强度《建筑砂浆基本性能试验方法》JGJ70-2009《水工混凝土试验规程》SL352-2006每200 m3砌体同一强度等级的砂浆,取样不得少于1组;少于200 m3时,也不得少于1组。
砼预制块外观尺寸、强度、相对含水率等《普通混凝土小型空心砌块》GB 8239-1997《混凝土小型空心砌块试验方法》 GBT4111-1997同厂家、同规格、同等级,以1万块砌块为一批,不足1万也为一个检验批。
砼预制构件外观质量、尺寸、预埋件、插筋和预留孔洞的规格、位置和数量、主筋保护层厚度《混凝土结构工程施工质量验收规范》 GB50204-2002(2011版)《混凝土结构试验方法标准》GBT 50152-20121、全数检查。