原材料检测项目及抽检频率
- 格式:docx
- 大小:39.04 KB
- 文档页数:6
南水北调中线一期工程总干渠黄河北~羑河北新乡段工程原材料检测项目和检验频率为了加强对南水北调中线一期工程总干渠黄河北~羑河北新乡段工程进场原材料、中间产品和成品件的质量控制,确保工程质量安全,根据《渠道混凝土衬砌机械化施工质量评定验收标准(试行)》(NSBD8-2007)、“南水北调中线工程标准《预防混凝土工程碱骨料反应技术条例》”、招标文件和国家相关规范,整理编写了该“原材料检测项目和检验频率”,供建管、监理和施工单位在施工过程中抽检、平行检测或自检时使用。
一、原材料和成品件的上报、批复程序1.施工单位将选定好的生产原材料、中间产品或成品件的厂(场)家的资质资料、产品说明书、厂(场)家的检测资料、供货能力和施工单位报告(要求施工单位说明选定厂(场)家的理由)等,一同报送监理单位;2.监理单位对上述资料进行审批后(必要时建设、设计、监理和施工单位还应到厂家实地考察),施工单位方可安排原材料、中间产品或成品件进场。
属于非地质单位推荐的辉县市段庄和卫辉市后沟料场以外的砂石料,以及根据新乡段建管处《南水北调新乡段工程工程材料采购管理办法》(豫调建新建〔2009〕19号)中所列的受控材料,需按照文件要求执行;3.进场的原材料、中间产品或成品件,施工单位应在监理工程师见证取样后,及时送第三方实验室进行检测,并将检测结果报送监理单位进行审批,不合格的原材料、中间产品或成品件,施工单位应及时清理出场,严禁使用。
二、原材料检测项目和检验频率1.砂料质量检验项目和质量标准1.1渠道和水工建筑物1.2桥梁和道路2粗骨料质量检验项目和质量标准2.1渠道和水工建筑物2.2桥梁和道路3、水泥质量检验项目和检验频率表4、混凝土外加剂质量检验项目和检验频率表5、粉煤灰质量检验项目和检验频率表6、混凝土拌和用水质量检验项目和检验频率表7、复合土工膜和土工布质量检验项目、检验频率表8、聚苯乙烯保温板检测项目和检验频率表9、橡胶止水带物理性能指标和检验频率表10、紫铜片止水带物理性能指标和检验频率表11、密封胶物理性能指标和检验频率表12、闭孔泡沫塑料板物理性能指标和检验频率表13、软式透水管13.1.Φ150软式透水管性能指标13.2.Φ250软式透水管性能指标13.3.Φ300软式透水管性能指标14、桥梁橡胶支座物理性能指标和检验频率表14.1.橡胶材料性能要求14.2.PTFE板材料性能指标注:括号内数值为盆式支座指标值14.3.橡胶支座成品力学性能求a b a b式中:l a-- 支座短边尺寸(mm);l b-- 支座长边尺寸(mm);t-- 中间橡胶层厚度(mm);d-- 圆形支座直径(mm)。
附录三工程主要原材料与混合料主要试验检测项目、频率路基工程(一)工程主要原材料与混合料主要试验检测项目、频率路基工程(二)注:1、表中试验项目为一般情况下的试验项目;2、现行的规范、标准、规程与上述不一致时,以现行规范、标准、规程为准;3、各项目可根据本项目特点增加相关试验检测项目。
工程主要原材料与混合料主要试验检测项目、频率桥梁、隧道、砌石工程(一)工程主要原材料与混合料主要试验检测项目、频率桥梁、隧道、砌石工程(二)工程主要原材料与混合料主要试验检测项目、频率桥梁、隧道、砌石工程(三)工程主要原材料与混合料主要试验检测项目、频率桥梁、隧道、砌石工程(四)注:1、表中试验项目为一般情况下的试验项目;2、现行的规范、标准、规程与上述不一致时,以现行规范、标准、规程为准;3、各项目可根据本项目特点增加相关试验检测项目。
工程主要原材料与混合料主要试验检测项目、频率路面基层(一)工程主要原材料与混合料主要试验检测项目、频率路面基层(二)注:1、表中试验项目为一般情况下的试验项目;2、现行的规范、标准、规程与上述不一致时,以现行规范、标准、规程为准;3、各项目可根据项目特点增加相关试验检测项目。
工程主要原材料与混合料主要试验检测项目、频率沥青路面面层(一)工程主要原材料与混合料主要试验检测项目、频率沥青路面面层(二)工程主要原材料与混合料主要试验检测项目、频率沥青路面面层(三)工程主要原材料与混合料主要试验检测项目、频率沥青路面面层(四)工程主要原材料与混合料主要试验检测项目、频率沥青路面面层(五)工程主要原材料与混合料主要试验检测项目、频率沥青路面面层(六)工程主要原材料与混合料主要试验检测项目、频率沥青路面面层(七)注:1、表中日常抽查是在材料进场时已按“批”进行全面检查的基础上,日常施工过程中质量检查项目与内容,监理单位一般情况现仅按“批”进行合同频率的抽查;2、“随时”是指需要经常检查的项目,其检查频率可根据材料来源及质量波动情况由建设单位和总监办确定;3、“必要时”是指施工各方任何一个部门对其质量发生怀疑,提出需要检查时,或根据需要由建设单位和总监办确定的检查频率。
1、水泥序号 检验项目 技术要求 检验方法质量证明文件检查检验规定抽样检验1 比表面积 300~400m2/kg[对硅酸盐水泥、抗硫酸盐水泥和普通硅酸盐水泥]按GB/T8074检验 √每厂家、每编号检查供应商提供的质量证明文件。
施工单位、监理单位均全部检查。
√下列情况之一时,检验一次:1任何新选货源;2使用同厂家、同出厂编号的水泥达6个月。
施工单位抽样检验,监理单位见证检验。
√ 同厂家、同出厂编号、同生产日期且连续进场的散装水泥每500t(袋装水泥每200t)为一批,不足上述数量也按一批计。
施工单位每批抽样试验一次,监理单位按施工单位抽样次数的10%进行见证试验,但至少一次。
水泥出厂日期达3个月施工单位抽检一次,监理单2 凝结时间初凝≥45min,终凝≤600min[硅酸盐水泥终凝≤390min] 按GB/T1346检验 √ √ √3 安定性 沸煮法合格(沸煮法和雷氏夹法,以雷氏夹法为准,指针变化≤5mm)按GB/T1346检验 √ √ √4 强度抗折强度抗压强度按GB/T17671检验 √ √ √ 3d 28d 3d 28d42.5 ≥3.5≥42.5≥17.0≥6.542.5R ≥4.0≥22.05 烧失量 ≤5.0%(硅酸盐水泥P.I≤3.0%,PII≤3.5%) 按GB/T176检验 √ √6 游离氧化钙≤1.0% 按GB/T176检验 √ √7 氧化镁含量a ≤5.0% 按GB/T176检验 √ √8 三氧化硫含量 ≤3.5% 按GB/T176检验 √ √9 氯离子含量b ≤0.06% 按CJ/T420检验 √ √10 碱含量 ≤0.60% 按GB/T176检验 √ √11 助磨剂种类及掺量详见GB175-2022的5.2按GB/T175的相关规定检验√12 石膏种类及掺量详见GB175-2022的5.2 √13 混合材料种类及掺量详见GB175-2022的5.2 √114 熟料中的C3A含量非氯盐环境下不应超8%按GB/T21372的相关规定检验√位见证检验。
原材料检测项目及抽检频率
1.大豆及其制品
大豆是众多食品加工产品的基础原料之一,常见的大豆及其制品检测
项目包括大豆蛋白含量、大豆油酸价、大豆异黄酮含量、过氧化值等。
抽
检频率一般为每批次1次。
2.水产品
水产品是人们日常消费中常见的食品,对其进行检测可以确保其新鲜
度和安全性。
常见的水产品检测项目包括重金属含量(如铅、汞、镉等)、菌落总数、大肠杆菌群、沙门氏菌、溶血性弧菌等。
抽检频率一般为每批
次2-3次。
3.肉类及其制品
肉类及其制品是人们餐桌上的主要食物之一,对其进行检测可以确保
其质量和安全性。
常见的肉类及其制品检测项目包括氨基酸含量、脂肪含量、细菌总数、大肠杆菌群、沙门氏菌等。
抽检频率一般为每批次2-4次。
4.蔬菜及其制品
蔬菜是人们日常饮食中必不可少的食物,在检测中常常涉及农药残留、微生物污染等问题。
常见的蔬菜及其制品检测项目包括农药残留、大肠杆
菌群、沙门氏菌、霉菌等。
抽检频率一般为每批次2-3次。
5.酒类
酒类是人们日常饮料中的一种,对其进行检测可以确保其符合安全饮
用标准。
常见的酒类检测项目包括酒精度、总酚含量、硫酸铜还原物含量、色度、氨基酸等。
抽检频率一般为每批次1次。
以上是一些常见的原材料检测项目及其抽检频率,不同企业在具体的生产管理中根据自身要求和法律法规的要求也会有所不同。
原材料抽检频率表混凝土(箱梁)检测频率混凝土(桩基、承台、墩台)检测频率二、按照路基的控制要点,依据《客运专线铁路路基工程施工质量验收暂行标准》进行平行检验及见证。
1、路基原材料控制要点:一、地基处理1、本标段采用CFG桩进行地基处理:主要控制水泥、粉煤灰及粗、细骨料的品种、规格及质量,应符合设计要求。
检验数量:同一产地、品种、规格且连续进场的水泥、粉煤灰袋装200t为一批,散装500t为一批,当袋装不足200t或散装不足500t 石按一批计,同一产地、品种、规格且连续进场的粗细骨料,分别每400m3为一批,当不足400m3时按一批计。
检验方法:检查产品质量证明文件,在水泥库抽样验收强度、安定性、凝结时间;在粉煤灰库抽样检验粉煤灰细度;在料场抽样检验粗细骨料含泥量、筛分试验,检验其颗粒分析。
检验频次:各种原材料施工单位每批抽样检验一次,监理单位单位按施工单位抽检次数的10%分别进行平行检验和见证检验,均不少于1次。
2、CFG桩桩顶采用50cm厚碎石垫层夹铺两层双面的土工格栅,土工格栅品种、规格及质量应满足设计要求,进场时应进行现场验收。
检验数量:同一厂家、品种、批号的土工合成材料,每10000m2为一批,不足10000m2也按一批计。
检验方法:土工格栅的抗拉强度、延伸率检验频次:施工单位每批检验一组,监理单位按施工单位抽样数量的20%见证取样检测。
二、路基填料普通填料、改良土(C组细粒土)、级配碎石填料及混凝土(包括沥青混凝土)控制要点:1)、基床以下路堤、基床底层、基床表层过渡段两侧及锥体填土:普通填料、改良土(C组细粒土)作为路堤填料,其种类、质量应符合设计要求,填筑前应对取土场填料进行取样检验;填筑时应对运至现场的填料进行抽样检验,当填料土质发生变化或变更取土场时应重新进行检验。
检验方法:按《铁路工程土工试验规程》(TB10102)规定的试验方法检验。
检验数量:施工单位对填料的检验项目、检验数量应符合下表的规定。
最全化工工程检测和抽检频率化工企业在生产过程中,需对原材料、半成品和成品等进行检测和抽检,以确保产品的质量和安全性。
本文总结出化工工程中常见的检测项目和抽检频率,旨在为化工相关人员提供一份全面的参考。
一、常见检测项目1. 原材料检测:原材料是化工产品的重要组成部分,对原材料进行检测可避免不合格原材料进入生产流程,使产品受到影响。
原材料检测的常见项目包括外观、颜色、气味、水分、密度、干燥失重、挥发份、灼烧残渣、PH值、杂质等。
2. 半成品检测:半成品是生产过程中的中间产品,未经检测的半成品可能会影响成品的质量和安全性。
半成品检测的常见项目包括外观、颜色、气味、水分、密度、PH值、酸度、碱度、分子量、粘度、杂质等。
3. 成品检测:成品是化工企业的主要产品,必须通过检测才能保证产品质量和安全性。
成品检测的常见项目包括外观、颜色、气味、水分、密度、PH值、酸度、碱度、分子量、粘度、纯度、杂质等。
二、抽检频率在生产中,抽检是保障产品质量和安全性的重要手段。
抽检频率应结合化工企业自身情况而定,并在内部质量管理制度中明确规定。
以下是化工工程中常见的抽检频率。
1. 原材料的抽检频率:原材料的抽检频率应该大于等于1/3,具体抽样点和抽样数量应根据采购量、供应状态、历史质量检测情况等因素而定。
2. 半成品的抽检频率:半成品的抽检频率应该大于等于1/4,具体抽样点和抽样数量应根据生产流程、生产质量控制点等因素而定。
3. 成品的抽检频率:成品的抽检频率应该大于等于1/10,具体抽样点和抽样数量应根据生产批次、销售量、市场反馈等因素而定。
本文总结了化工工程中常见的检测项目和抽检频率,供化工相关人员参考。
为了保障产品的质量和安全性,化工企业应结合自身情况,合理规定抽检频率,并建立健全的质量管理制度,确保生产过程的标准化和规范化。
1、水泥碱含量不宜超过%。
2、在氯盐环境条件下,混凝土宜采用低氯离子含量的水泥,不宜使用抗硫酸盐硅酸盐水泥。
3、在硫酸盐化学侵蚀环境条件下,混凝土应采用低C3A含量的水泥,且胶凝材料抗蚀系数(56d)不得小于。
胶凝材料抗蚀系数按附录F检验。
4.硅酸盐水泥和普通硅酸盐水泥以比表面积表示,不小于300m2/kg;矿渣硅酸盐水泥、火山灰质硅酸盐水泥、粉煤灰硅酸盐水泥和复合硅酸盐水泥以筛余表示,80μm(取试样25g)方孔筛筛余不大于10%或45μm(取试样10g)方孔筛筛余不大于30%。
a. 如果水泥压蒸试验合格,由水泥中氧化镁的含量(质量分数)允许放宽至% 。
b. 当有更低要求时,该指标由买卖双方确定。
2、粉煤灰注:在冻融破坏环境下,粉煤灰的烧失量不宜大于%。
3、磨细矿渣粉4、细骨料注:1、除和筛档外,细骨料的实际颗粒级配与表列的累计筛余百分率相比允许稍有超出分界线,但超出总量不应大于5%。
3、冻融破坏环境下,细骨料的含泥量应不大于%,吸水率不大于1%;4、当细骨料中含有颗粒状的硫酸盐或硫化物杂质时,应进行专门检验,确认能满足混凝土耐久性要求时,方能采用。
5、砂表观密度、松散堆积密度应符合如下规定:----表观密度不小于2500kg/m3;----松散堆积密度不小于 1400kg/m3;----空隙率不大于44%;配制混凝土时宜优先选用Ⅱ砂。
当选择Ⅰ区砂时,应提高砂率,并保持足够的水泥用量,以满足混凝土的和易性;当采用Ⅲ区砂时,宜降低砂率;当采用特细砂时应符合相应的规定。
砂(除特细砂外)按公称直径630μm筛孔的累计筛余量(以质量百分率)分成三个级配区。
I区16-40、II区41-70、III区71-85.5、粗骨料注: 1、粗骨料的最大公称粒径不宜超过钢筋混凝土保护层厚度的2/3(在严重腐蚀环境条件下不宜超过钢筋混凝土保护层厚度的1/2)、且不超过钢筋最小间距的3/4,配制强度等级C50及以上预应力混凝土时,粗骨料的最大公称粒径不应大于25mm。
原材料检测项目及抽检
频率
Company number:【0089WT-8898YT-W8CCB-BUUT-202108】
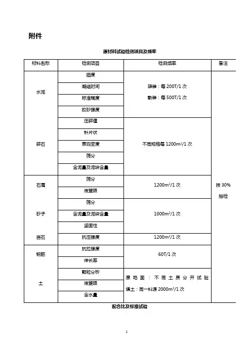
原材料检测项目及抽检频率➢路基用土
检测项目:天然含水量、液限、塑限、标准击实试验、CBR试验、颗粒分析、比重、有机质含量等,必要时应做易溶盐含量、冻胀和膨胀量等试验。
自检频率:
5000m3测定一次,土质变化时应另测定;抽检频率:5000m3测定一次,土质变化时应另测定。
➢水泥
检测项目:凝结时间、安定性、胶砂强度、比表面积、烧失量、氯离子、碱含量、三氧化硫、氧化镁、有力氧化钙、氯酸三钙、不溶物;自检频率:水泥袋装检测应以同一水泥厂家、同标号、同一生产时间、同一进场日期的水泥,200t为一验收批,不足200t时,亦按一验收批检测;散装应以同一水泥厂生产生产的同期出厂的同品种、同标号的水泥,以一次进厂(场)的同一出厂编号的水泥为一批,但一批总量不得超过
500t;抽检频率水泥袋装检测应以同一水泥厂家、同标号、同一生产时间、同一进场日期的水泥,200t为一验收批,不足200t时,亦按一验收批检测;散装应以同一水泥厂生产生产的同期出厂的同品种、同标号的水泥,以一次进厂(场)的同一出厂编号的水泥为一批,但一批总量不得超过500t。
(注:注意水泥的有效期(一般为3个月,硅酸盐水泥为一个月),过期必须做复检,连续施工的工程相邻两次水泥试验时间不应超过其有效期)
➢砂
检测项目:筛分、含泥量、视密度、云母含量、轻物质含量、氯离子含量、氯化物及硫酸盐含量、有机质含量;自检频率:检测应以同一产地、同一规格、同一进场时间,要400 m3为一验收批。
不足400 m3时,按一验收检测、每料源1次;抽检频率:
检测应以同一产地、同一规格、同一进场时间,要1200 m3为一验收批。
不足1200 m3时,按一验收检测、每料源
➢碎石
检测项目:筛分、针片状含量、含泥量、压碎值、视密度、碱活性、坚固性、硫化物及硫酸盐含量、有机质含量、最大干密度;自检频率:1次/400 m3,不足400 m3,每料源1次;抽检频率:1次/1200 m3,不足1200 m3,每料源1次.
水检测项目:PH值、不溶物、氯化物、硫酸盐、碱含量、凝结时间差、抗压强度比;自检频率:1次/料源或1次/半年,饮用水免检;抽检频率:1次/料源或1次/半年,饮用水免检。
➢外加剂
压降剂检测项目:细度、抗压强度、凝结时间、限制膨胀率;自检频率:1次/批;抽检频率:1次/批。
膨胀剂检测项目:细度、抗压时间、凝结时间、限制膨胀率;自检频率:1次/批;抽检频率:1次/批。
减水剂检测项目:减水率、常压泌水率比、压力泌水率比、含气量、抗压强度比;自检频率:1次/批;抽检频率:1次/批。
速凝剂检测项目:凝结时间、抗压强度;自检频率:1次/批;抽检频率:1次/批。
➢热轧带肋钢筋
检测项目:拉伸、弯曲、可焊性;自检频率:钢筋原材料检测应以同厂别、同炉号、同规格、同一交货状态,同一进场时间,每60t为一验收批,不足60t时,按一验收批检测;抽检频率:钢筋原材料检测应以同厂别、同炉号、同规格、同一交货状态,同一进场时间,每60t为一验收批,不足60t时,按一验收批检测。
(注:钢筋的物理
性能和化学成分各项试验,如有一项不符合钢筋的技术要求,则应取双倍试件(样)进行复检,再有一项不合格,则该验收钢筋判为不合格。
不合格钢筋不得使用,并要有处理报告,以防止混入其它批量中。
)
➢钢绞
检测项目:强度、弹性模量、伸长率;自检频率:60吨一批,每批中取3盘,如每批小于3盘,则每盘都取样;抽检频率:自检频率:60吨一批,每批中取3盘,如每批小于3盘,则每盘都取样。
➢钢筋
检测项目:抗拉强度、弯曲实验;自检频率:300头钢筋组成一批,每批取2根;抽检频率:300头钢筋组成一批,每批取2根。
➢预应力锚具
检测项目:外观检查、洛氏硬度、效率系数、静载锚固性能;自检频率:锚具夹具以不超过1000套为一批,连接器不超过500套为一批;外观检查5%/批;硬度检查5%/批;载荷锚固性能6套/批;抽检频率:锚具夹具以不超过1000套为一批,连接器不超过500套为一批;外观检查5%/批;硬度检查5%/批;载荷锚固性能6套/批。
➢土工格格栅
基本项目:无老化,外观无破损,无污染。
紧贴下承层,按设计和施工要求铺设,张拉,固定,其搭接、粘接强度和长度应符合设计要求,上下层土工合成材料搭接缝交替错开。
检测项目:下承层平整度和拱度,搭接宽度,搭接缝错开距离,搭接处透水点。
外观鉴定项目:材料重叠。
皱折平顺,固定处有无松动。
检验频率自检频率:1万m2取一样,不足1万m2按1万m2计;抽检频率:1万m2取一样,不足1万m2按1万m2计。
➢粉煤灰
检测项目:密度、比表面积、烧失量、氧化镁、三氧化硫、活性指数、氯离子、含水率、需水量比、碱含量、流动度比、玻璃体含量;自检频率:以200t相同等级,同厂
别的粉煤灰为一批,不足200t时亦按一验收批检测;抽检频率:以200t相同等级,同厂别的粉煤灰为一批,不足200t时亦按一验收批检测。
➢无缝钢管
检测项目:屈服强度、抗拉强度、断后伸长率、弯曲;
➢工字钢
检测项目:屈服强度、抗拉强度、断后伸长率、弯曲;自检频率:以同厂别、同炉号、同规格、同一交货状态,同一进场时间,每60t为一验收批,不足60t时,按一验
收批检测;抽检频率:钢筋原材料检测应以同厂别、同炉号、同规格、同一交货状态,同一进场时间,每60t为一验收批,不足60t时,按一验收批检测。
➢土工布
检测项目:单位面积质量、厚度纵向断裂强力、厚度横向断裂强力、纵向撕破强力、横向撕破强力;自检频率:进场10000m2;抽检频率:进场10000m2。
➢防水板
检测项目:纵横向断裂拉伸强度、纵横向拉断伸长率、纵横向撕裂强度、不透水性; 自检频率:进场10000m2;抽检频率:进场10000m2。
➢止水条
检测项目:高温流淌性、低温试验;自检频率:进一次检一次;抽检频率:进一次检一次。
➢止水带
中埋式橡胶止水带检测项目:纵横向拉伸强度、纵横向扯断伸长率、纵横向撕裂强度;
背贴式止水带检测项目:纵横向拉伸强度、纵横向扯断伸长率、纵横向撕裂强度;。