混凝土原材料检测项目及频率.
- 格式:doc
- 大小:329.01 KB
- 文档页数:12
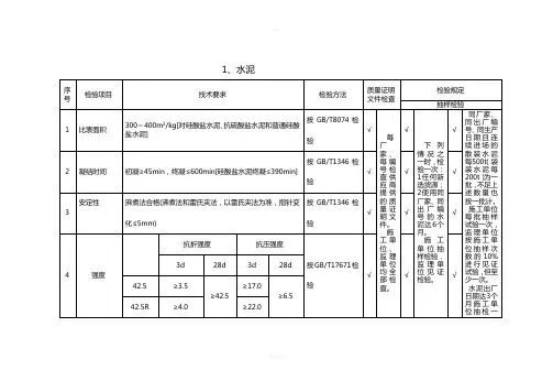
1、水泥
2、在氯盐环境条件下,混凝土宜采用低氯离子含量旳水泥,不适宜使用抗硫酸盐硅酸盐水泥。
3、在硫酸盐化学侵蚀环境条件下,混凝土应采用低C3A含量旳水泥,且胶凝材料抗蚀系数(56d)不得不不小于0.80 。
胶凝材料抗蚀系数按附录F
检查。
2、粉煤灰
3、磨细矿渣粉
5、细骨料
2、应采用岩相法检查细骨料旳矿物构成和类型,再按迅速砂浆棒法进行迅速砂浆棒膨胀率进行检查,迅速砂浆棒膨胀率应不不小于3.0%,0.10(含)~0.20(不含)%时,混凝土旳碱含量应满足表6.3.2规定;0.20(含)~0.30(不含)%时,还应对混凝土采用克制碱-骨料反应旳技术措施,并经试验证明克制有效。
梁体、轨道板、轨枕、接触网支柱等构件中使用旳细骨料旳迅速砂浆棒膨胀率应不不小于0.20%。
3、冻融破坏环境下,细骨料旳含泥量应不不小于2.0%,吸水率不不小于1%;
4、当细骨料中具有颗粒状旳硫酸盐或硫化物杂质时,应进行专门检查,确认能满足混凝土耐久性规定时,方能采用。
6、粗骨料
过钢筋最小间距旳3/4,配制强度等级C50及以上预应力混凝土时,粗骨料旳最大公称粒径不应不小于25mm。
2、应采用岩相法检查粗骨料旳矿物构成,若具有碱—硅酸反应活性矿物,其砂浆棒膨胀率应不不小于0.10%,否则按《验标》第旳规定采用技术措施。
不得使用品有碱—硅酸反应活性矿物旳骨料。
7、聚羧酸系减水剂
2、抽检试验用水泥宜为工程用水泥。
8、高效减水剂
2、抽检试验用水泥宜为工程用水泥。
9、引气剂
2、养护用水除不溶物、可溶液物可不作规定外,其他质量规定同拌合用水一致。
混凝土拌合楼生产质量检验及控制湖北省宜昌市鼎诚工程试验检测有限公司2015年3月15日目录一、范围 (1)二、引用文件 (1)三、进场原材料的质量控制 (2)3.1水泥 (2)3.2粗骨料 (2)3.3细骨料 (2)3.4矿物掺合料 (2)3.5外加剂 (3)3.6原材料的检测频率 (4)四、混凝土拌合楼质量控制程序 (5)4.1混凝土拌合楼质量控制程序 (5)4.2混凝土拌合楼控制程序 (7)4.3应急处理措施 (11)五、混凝土质量评定 (13)5.1统计方法评定 (13)5.2非统计方法评定 (16)5.3混凝土强度的和个性评定 (16)六、混凝土拌合楼质量控制常见问题 (17)6.1聚羧酸减水剂对用水量敏感问题 (17)6.2外加剂与水泥的相容性较差引起混凝土的质量问题 (17)6.3人工砂中的石粉含量超标 (17)6.4骨料混仓问题 (17)6.5混凝土堵管现象 (17)6.6配合比设计不合理的问题 (18)6.7冬季施工 (18)混凝土生产质量检验及控制一、范围本程序规定了混凝土工序质量检验、技术要求、质量管理、混凝土拌和物的废料标准与应急处置措施等。
本标准适用于拌和楼混凝土生产质量控制及检验。
二、引用文件下列文件中的条款通过本程序的引用而成为本程序的条款。
《混凝土搅拌机》GB/T9142-2000《水工混凝土施工规范》DL/T5144-2001《水工混凝土试验规程》DL/T5150-2001《预拌混凝土》GB/T14902-2012《混凝土质量控制标准》GB50164-2011《混凝土泵送技术规范》JGJ/T10-2011《公路桥涵施工技术规范》JTG/T F50-2011《通用硅酸盐水泥标准》GB175-2007《水泥比表面积测定方法(勃氏法)》GB/T8074-2008《水泥胶砂强度检验方法(ISO法)》GB/T17671-1999《水泥细度检验方法(80μm筛筛析法)》GB1345-2005《水泥标准稠度用水量、凝结时间、安定性检验方法》GB1346-2011《水泥胶砂流动度测定方法》GB/T2419-2005《水泥取样方法》GB/T12959-2008《水工混凝土外加剂技术规程》DL/T5100-2014《混凝土外加剂》GB8076-2008《混凝土外加剂匀质性试验方法》GB/T8077-2012《建筑用砂》GB/T14684-2011《建筑用卵石、碎石》GB/T14685-2011《水工混凝土砂石料试验规程》DL/T5151-2001《混凝土拌和用水标准》JGJ63-2006《水工碾压混凝土施工规范》DL/T5112-2000《水工碾压混凝土试验规程》DL/T5433-2009《水工混凝土施工规范》DL/T5144-2001《粉煤灰混凝土应用技术规范》GBJ146-2005《水工混凝土掺用粉煤灰技术规范》DL/T5055-2007《混凝土强度检验评定标准》GB/T50107-2010三、进场原材料的质量控制3.1水泥水泥的主要控制项目:凝结时间、安定性、标准稠度、胶砂强度、氧化镁及氯离子含量,用于生产混凝土的水泥温度不宜高于60℃。
市政工程试验检测项目及频率汇总1.混凝土强度检测:混凝土是市政工程中常用的建筑材料,其强度是保证建筑物承载能力的重要指标。
混凝土强度试验的频率取决于工程规模及工程设计要求,通常以每批次20立方米的混凝土进行一次试验。
2.土壤承载力试验:土壤承载力是指土壤抵抗建筑物和交通工程荷载的能力,是确保工程地基稳定性和安全性的重要参数。
土壤承载力试验通常在施工前进行,频率根据工程规模和地质情况而定,每个工程区域的土壤通常选择3-5个试验点进行检测。
3.钢筋拉伸试验:钢筋是市政工程中常用的构建材料,其强度和抗拉性能对工程安全和持久性至关重要。
钢筋拉伸试验可通过拉力机设备进行,通常以每批次20根钢筋进行一次试验。
4.沥青路面厚度检测:沥青路面是市政工程中常见的路面材料,其厚度直接影响道路的使用寿命和维修保养成本。
沥青路面厚度检测可通过非损伤性测量仪器进行,通常每工程区域选择5-10个测量点进行检测。
5.排水管道试验:排水管道是市政工程中的重要部分,其水密性、承载能力等性能直接关系到排水效果和工程使用寿命。
排水管道试验通常通过水压试验进行,每批次试验的频率取决于工程规模和设计要求。
6.桥梁结构安全检测:市政工程中的桥梁结构承载重要的交通流量,其安全性是确保交通畅通和人车安全的关键。
桥梁结构安全检测包括桥面平整度、螺栓紧固力、钢梁垂直度等,频率根据工程规模和设计要求而定。
通过以上项目的试验检测,可以有效保证市政工程的质量和安全性。
试验检测的频率应根据工程规模、设计要求和监管要求进行合理的安排,以确保工程的施工质量和使用效果达到预期目标。
同时,在进行试验检测过程中还应遵守相应的标准和规范,确保试验的准确性和可靠性。
1、水泥2、在氯盐环境条件下,混凝土宜采用低氯离子含量的水泥,不宜使用抗硫酸盐硅酸盐水泥。
3、在硫酸盐化学侵蚀环境条件下,混凝土应采用低C3A含量的水泥,且胶凝材料抗蚀系数(56d)不得小于0.80 。
胶凝材料抗蚀系数按附录F检验。
4.硅酸盐水泥和普通硅酸盐水泥以比表面积表示,不小于300m2/kg;矿渣硅酸盐水泥、火山灰质硅酸盐水泥、粉煤灰硅酸盐水泥和复合硅酸盐水泥以筛余表示,80μm(取试样25g)方孔筛筛余不大于10%或45μm(取试样10g)方孔筛筛余不大于30%。
a. 如果水泥压蒸试验合格,由水泥中氧化镁的含量(质量分数)允许放宽至6.0% 。
b. 当有更低要求时,该指标由买卖双方确定。
2、粉煤灰注:在冻融破坏环境下,粉煤灰的烧失量不宜大于3.0%。
3、磨细矿渣粉4、细骨料注:1、除5.0mm和0.63mm筛档外,细骨料的实际颗粒级配与表列的累计筛余百分率相比允许稍有超出分界线,但超出总量不应大于5%。
2、应采用岩相法检验细骨料的矿物组成和类型,再按快速砂浆棒法进行快速砂浆棒膨胀率进行检验,快速砂浆棒膨胀率应小于3.0%,0.10(含)~0.20(不含)%时,混凝土的碱含量应满足表6.3.2规定;0.20(含)~0.30(不含)%时,还应对混凝土采取抑制碱-骨料反应的技术措施,并经试验证明抑制有效。
梁体、轨道板、轨枕、接触网支柱等构件中使用的细骨料的快速砂浆棒膨胀率应小于0.20%。
3、冻融破坏环境下,细骨料的含泥量应不大于2.0%,吸水率不大于1%;4、当细骨料中含有颗粒状的硫酸盐或硫化物杂质时,应进行专门检验,确认能满足混凝土耐久性要求时,方能采用。
5、砂表观密度、松散堆积密度应符合如下规定:----表观密度不小于2500kg/m3;----松散堆积密度不小于1400kg/m3;----空隙率不大于44%;配制混凝土时宜优先选用Ⅱ砂。
当选择Ⅰ区砂时,应提高砂率,并保持足够的水泥用量,以满足混凝土的和易性;当采用Ⅲ区砂时,宜降低砂率;当采用特细砂时应符合相应的规定。
.
.' 混凝土强度检测(回弹法)检测频率
1、单个检测:适用于单个结构或构件的检测
2、批量检測:适用于在相同生产工艺条件下,混凝士强度等级相同,原材料、配合比、成型工艺、养护条件基本一致且龄期相近的同类结构或构件。
按批进行检测的构件,抽检数量不得少于同批构件总数的30%且构件数量不得少于10件,当检验批大于30个时,构件数量可以适当调整不得少于国家标准最少抽样数量
3、对某一方向尺寸小于4.5m且另一方向尺寸小于0.3m的构件,其测区数量可适当减少,但不应少于5个。
混凝土检测方案第1篇混凝土检测方案一、前言混凝土作为建筑工程中广泛应用的建筑材料,其质量直接关系到工程结构的安全、可靠与耐久性。
为确保混凝土质量满足设计及规范要求,特制定本混凝土检测方案。
本方案依据《混凝土结构设计规范》(GB 50010-2010)、《混凝土强度检验标准》(GB/T 50107-2010)等相关国家及行业标准,结合工程实际情况,对混凝土质量进行全面检测。
二、检测目的1. 确保混凝土原材料质量合格;2. 确保混凝土施工质量满足设计及规范要求;3. 评估混凝土结构的强度及耐久性;4. 为工程质量验收提供依据。
三、检测项目及方法1. 原材料检测(1)水泥:检测强度、安定性、凝结时间等指标,采用试验方法见《水泥胶砂强度检验方法》(GB/T 17671-1999)。
(2)粗细骨料:检测含泥量、泥块含量、颗粒级配、针片状含量等指标,采用试验方法见《建筑用砂、石质量检验方法》(GB/T 14684-2011)。
(3)外加剂:检测减水率、凝结时间、抗压强度比等指标,采用试验方法见《混凝土外加剂应用技术规范》(GB 50119-2013)。
2. 混凝土施工质量检测(1)坍落度:检测混凝土拌合物的坍落度,采用试验方法见《混凝土拌合物性能试验方法标准》(GB/T 50080-2016)。
(2)强度:检测混凝土的抗压强度、抗折强度等指标,采用试验方法见《混凝土强度检验标准》(GB/T 50107-2010)。
3. 结构检测(1)钻芯法:检测混凝土的抗压强度,采用试验方法见《钻芯法检测混凝土强度技术规程》(CECS 03:2007)。
(2)回弹法:检测混凝土的抗压强度,采用试验方法见《回弹法检测混凝土抗压强度技术规程》(JGJ/T 23-2011)。
四、检测流程1. 原材料检测:在原材料进场时,按批次进行抽样检测,确保原材料质量合格。
2. 混凝土施工质量检测:在混凝土浇筑过程中,对坍落度进行检测,确保混凝土施工质量。
1、水泥碱含量不宜超过%。
2、在氯盐环境条件下,混凝土宜采用低氯离子含量的水泥,不宜使用抗硫酸盐硅酸盐水泥。
3、在硫酸盐化学侵蚀环境条件下,混凝土应采用低C3A含量的水泥,且胶凝材料抗蚀系数(56d)不得小于。
胶凝材料抗蚀系数按附录F检验。
4.硅酸盐水泥和普通硅酸盐水泥以比表面积表示,不小于300m2/kg;矿渣硅酸盐水泥、火山灰质硅酸盐水泥、粉煤灰硅酸盐水泥和复合硅酸盐水泥以筛余表示,80μm(取试样25g)方孔筛筛余不大于10%或45μm(取试样10g)方孔筛筛余不大于30%。
a. 如果水泥压蒸试验合格,由水泥中氧化镁的含量(质量分数)允许放宽至% 。
b. 当有更低要求时,该指标由买卖双方确定。
2、粉煤灰注:在冻融破坏环境下,粉煤灰的烧失量不宜大于%。
3、磨细矿渣粉4、细骨料注:1、除和筛档外,细骨料的实际颗粒级配与表列的累计筛余百分率相比允许稍有超出分界线,但超出总量不应大于5%。
3、冻融破坏环境下,细骨料的含泥量应不大于%,吸水率不大于1%;4、当细骨料中含有颗粒状的硫酸盐或硫化物杂质时,应进行专门检验,确认能满足混凝土耐久性要求时,方能采用。
5、砂表观密度、松散堆积密度应符合如下规定:----表观密度不小于2500kg/m3;----松散堆积密度不小于 1400kg/m3;----空隙率不大于44%;配制混凝土时宜优先选用Ⅱ砂。
当选择Ⅰ区砂时,应提高砂率,并保持足够的水泥用量,以满足混凝土的和易性;当采用Ⅲ区砂时,宜降低砂率;当采用特细砂时应符合相应的规定。
砂(除特细砂外)按公称直径630μm筛孔的累计筛余量(以质量百分率)分成三个级配区。
I区16-40、II区41-70、III区71-85.5、粗骨料注: 1、粗骨料的最大公称粒径不宜超过钢筋混凝土保护层厚度的2/3(在严重腐蚀环境条件下不宜超过钢筋混凝土保护层厚度的1/2)、且不超过钢筋最小间距的3/4,配制强度等级C50及以上预应力混凝土时,粗骨料的最大公称粒径不应大于25mm。
1、水泥
1
2、在氯盐环境条件下,混凝土宜采用低氯离子含量的水泥,不宜使用抗硫酸盐硅酸盐水泥。
3、在硫酸盐化学侵蚀环境条件下,混凝土应采用低C3A含量的水泥,且胶凝材料抗蚀系数(56d)不得小于0.80 。
胶凝材料抗蚀系数按附录
F检验。
4.硅酸盐水泥和普通硅酸盐水泥以比表面积表示,不小于300m2/kg;矿渣硅酸盐水泥、火山灰质硅酸盐水泥、粉煤灰硅酸盐水泥和复合硅
酸盐水泥以筛余表示,80μm(取试样25g)方孔筛筛余不大于10%或45μm(取试样10g)方孔筛筛余不大于30%。
a. 如果水泥压蒸试验合格,由水泥中氧化镁的含量(质量分数)允许放宽至6.0% 。
b. 当有更低要求时,该指标由买卖双方确定。
2、粉煤灰
2
3、磨细矿渣粉
4、细骨料
3
注:1、除5.0mm和0.63mm筛档外,细骨料的实际颗粒级配与表列的累计筛余百分率相比允许稍有超出分界线,但超出总量不应大于5%。
2、应采用岩相法检验细骨料的矿物组成和类型,再按快速砂浆棒法进行快速砂浆棒膨胀率进行检验,快速砂浆棒膨胀率应小于3.0%,0.10(含)~0.20(不含)%时,混凝土的碱含量应满足表6.3.2规定;0.20(含)~0.30(不含)%时,还应对混凝土采取抑制碱-骨料反应的技术措施,并经试验证明抑制有效。
梁体、轨道板、轨枕、接触网支柱等构件中使用的细骨料的快速砂浆棒膨胀率应小于0.20%。
3、冻融破坏环境下,细骨料的含泥量应不大于2.0%,吸水率不大于1%;
4、当细骨料中含有颗粒状的硫酸盐或硫化物杂质时,应进行专门检验,确认能满足混凝土耐久性要求时,方能采用。
5、砂表观密度、松散堆积密度应符合如下规定:
----表观密度不小于2500kg/m3;
----松散堆积密度不小于 1400kg/m3;
----空隙率不大于44%;
配制混凝土时宜优先选用Ⅱ砂。
当选择Ⅰ区砂时,应提高砂率,并保持足够的水泥用量,以满足混凝土的和易性;当采用Ⅲ区砂时,宜降低砂率;当采用特细砂时应符合相应的规定。
砂(除特细砂外)按公称直径630μm筛孔的累计筛余量(以质量百分率)分成三个级配区。
I区16-40、II区41-70、III区71-85.
4
5、粗骨料
过钢筋最小间距的3/4,配制强度等级C50及以上预应力混凝土时,粗骨料的最大公称粒径不应大于25mm。
2、应采用岩相法检验粗骨料的矿物组成,若含有碱—硅酸反应活性矿物,其砂浆棒膨胀率应小于0.10%,否则按《验标》第6.3.2的要求采取技术措施。
不得使用具有碱—硅酸反应活性矿物的骨料。
5
3、表观密度、连续级配松散堆积空隙率应符合如下规定:
-----表观密度不小于2600kg/m3;
-----连续级配松散堆积空隙率应符合下表规定:
6、聚羧酸系高性能减水剂
6
注:1、检验减水率、含气量、泌水率比、抗压强度比、凝结时间差、收缩率比时,混凝土坍落度宜为80±10mm。
2、抽检试验用水泥宜为工程用水泥。
7、混凝土膨胀剂
7
8、拌合用水
注:1、拌合用水不得使用海水。
2、养护用水除不溶物、可溶液物可不作要求外,其它质量要求同拌合用水一致。
a.被检验水样应与饮用水样进行水泥胶砂强度对比试验,被检验水样配制的水泥胶砂3d 和28d 强度不应低于饮用水配制的水泥胶砂3d
和28d 强度的90%。
b.被检验水样应与饮用水样进行水泥凝结时间对比试验。
对比试验的水泥初凝时间差及终凝时间差均不应大于30min;同时,初凝和终凝
时间应符合现行国家标准《硅酸盐水泥、普通硅酸盐水泥》GB 175 的规定。
9、引气剂
8
9
注:硅灰掺量一般不超过胶凝材料总量的8%,且宜与其他矿物掺和料复合使用。
11.混凝土
11.1混凝土碱含量不应大于3.0Kg/m3。
混凝土碱含量计算应符合一下规定:
1.混凝土碱含量应为配合比中各种原材料的碱含量之和;
2. 水泥、外加剂和水的碱含量可用实测值计算;粉煤灰碱含量可用1/6实测值计算,硅灰和粒化高炉矿渣粉碱含量可用1/2实测值计算;
3.骨料碱含量可不计入混凝土碱含量
11.2 氯离子总含量(GB 14902《预拌混凝土》)
单位为百分数
氯离子总含量的最高限值
10
混凝土拌合物中水溶性氯离子最大含量(水泥用量的质量百分比,%)(GB50164)
11.3混凝土搅拌的最短时间应符合下列规定:
a) 当采用搅拌运输车运送混凝土时,其搅拌的最短时间应符合设备说明书的规定,并且每盘搅拌时间(从全部材料投完算起)不得低于30s, 在制备
C50以上强度等级的混凝土或采用引气剂、膨胀剂、防水剂时应相应增加搅拌时间。
b) 当采用翻斗车运送混凝土时,应适当延长搅拌时间。
11
冬期施工搅拌混凝土时,宜优先采用加热水的方法提高拌合物温度,也可同时采用加热骨料的方法提高拌合物温度。
当拌合用水和骨料加热时,拌合用水和骨料的加热温度不应超过下表规定,当骨料不加热时,拌合用水可加热到60℃以上。
应先投入骨料和热水进行搅拌,然后再投入胶凝材料等共同搅拌。
(GB50164-混凝土质量控制标准)
拌合用水和骨料的最高加热温度(℃)
12。