九年级下册物理 电与磁检测题(Word版 含答案)
- 格式:doc
- 大小:308.00 KB
- 文档页数:15
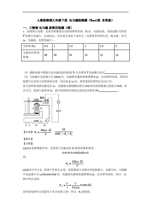
人教版物理九年级下册电与磁检测题(Word版含答案)一、三物理电与磁易错压轴题(难)1.如图所示电路,是某学校楼道自动控制照明系统,R3是一光敏电阻,其阻值随“光照度E“的增大而减小,且成反比,其具体关系如下表所示(光照度E的单位是:勒克斯,符号Lx:光越强,光照度越大),光照度E/L x0.51 1.52 2.53光敏电用R3阻值/Ω603020151210(1)根据表格中数据写出光敏电阻的阻值R3与光照度E的函数关系式_________________;(2)当线圈中电流减小至10mA时,电磁继电器衔铁被弹簧拉起,启动照明系统,利用该装置可以实现当光照度低至某一设定值E0 Lx时,照明系统内照明灯自动工作。
若已知控制电路电源电压U v,电磁继电器线圈电阻为R1Ω.滑动变阻器最大阻值为R2Ω。
闭合开关,把滑片移到b端,则可得到照明系统启动时的光照度E0=______________。
【答案】330LxΩRE⋅=1230100U R R--【解析】【详解】(1)[1]由表格数据可知,光照度与光敏电阻R3阻值的乘积相等,E×R3=0.5lx×60Ω=30lx•Ω即:330LxΩRE⋅=;(2)[2]闭合开关S,将滑片P移至b端,变阻器接入电路中的电阻最大,由题可知,当线圈中电流减小至I0=10mA=0.01A时,电磁继电器衔铁被弹簧拉起,启动照明系统,所以,电路中的总电阻:=100Ω0.01AU UR UI==总;因串联电路中总电阻等于各分电阻之和,所以,R3的阻值:R3=R总-R1-R2=100U-R1-R2,根据第一步的结果可知:3123030=100ER U R R=--。
2.瑞瑞同学有-辆玩具电动车,在行驶的过程中,车上的小动物可以自由旋转,这种功能是由两个电动机带动的,如图所示是该玩具电动车的简化电路图.目前该车某一处出现了故障:通电后玩具电动车只能行驶,上面的动物不能旋转.对此,瑞瑞同学提出了猜想:[猜想与假设](1)可能是旋转开关有故障;(2)可能是旋转定时器有故障;(3)可能是________有故障.瑞瑞同学利用一只电压表来判断故障的位置.[进行实验](1)将玩具电动车装上四只新干电池,闭合旋转开关和旋转定时器;(2)将电压表一端接在d点不动,另一端依次接在a点、b点和c点,观察电压表示数. [分析与论证](1)如果另一端接在点时电压表有示数,接在点时无示数,说明旋转开关________(选填“断路”、“短路”或“正常”);(2)如果另一端分别接在、点时,电压表都有示数,然后改接到点,发现电压表仍然有示数,且,说明________和________正常,________有故障.[交流评估]瑞瑞将他的检修方法与小明和小华进行了交流.(1)小明说,在[进行实验]的第(2)步,只用一根导线连接、,就可以判断旋转电动机是否断路,方法是:如果旋转电动机________,就表明它是好的.(2)小华说,在[进行实验]的(2)第步,也可以用电流表检测旋转开关和旋转定时器是否损坏,方法是:将电流表接、,如果旋转电动机仍不转,表明旋转开关可能是________(好的/坏的);再将电流表接、,判断旋转定时器的好坏;但绝对不能将电流表接到、之间,否则有可能________.【答案】旋转电动机断路旋转开关旋转定时器旋转电动机转动好的短路【解析】【分析】(1)由题知,通电后玩具电动车只能行驶,而上面的动物不能旋转,说明行驶电动机所在的支路没有问题,问题在旋转电动机所在的支路。
九年级物理下册电与磁综合测试卷(word含答案)一、三物理电与磁易错压轴题(难)1.在探究“影响电磁铁磁性强弱的因素”实验中,小明制成简易电磁铁甲、乙,并设计了如图所示的电路。
(1)实验中是通过观察_____________________来比较电磁铁磁性强弱。
这种研究方法称为___________。
(2)把甲、乙两个电磁铁串联,目的是____________相同,以探究电磁铁磁性强弱与____________的关系。
(3)由现象可得结论:电流一定时,________________,电磁铁磁性越强。
(4)若要使电磁铁甲、乙吸引大头针数目变多,最简单易行的办法是_________【答案】电磁铁吸引大头针的数量转换法控制电流线圈匝数线圈匝数越多将变阻器滑片P向左移动【解析】【详解】(1)[1]磁性的强弱是无法直接观察的.题中就是利用电磁铁吸引大头针数目的不同来反映磁性强弱的不同的;[2]这是转换的方法;(2)[3]串联电流相等,所以串联的目的是控制电流相同;[4] 根据图示可知,电磁铁甲吸引的大头针数目多,说明甲的磁性强;两电磁铁串联,电流相同,甲乙线圈匝数不同,所以探究的是电磁铁磁性强弱与匝数的关系;(3)[5] 由现象可得结论:电流一定时,线圈匝数越多,磁性越强;(4)[6]磁场变强,吸引大头针的数量就多了,所以最简单的方法是向左移动滑动变阻器滑片,使电路中电流变强,磁场就变强了。
2.在学习了电和磁的知识后,小杰在家里饶有兴趣地做起了小实验.他找了一枚缝衣针,在“吸铁石”上擦了几下,然后用一根细软的棉线将缝表针悬挂起来井保持水平,结果发现静止后针尖总是指向南方,这说明缝衣针已经磁化成了一枚小磁针。
为验证奥斯特实验,小杰把通电的台灯(60 W)导线移到缝衣针的下方,并靠近缝衣针平行放置,结果发现缝衣针并未发生偏转,带着疑问,小杰在科学课堂上与大家展开讨论。
结果出现了两种不同观点,这时,老师让小杰用两节干电池(3 V)和一段电阻丝(15 Ω)重新做这个实验.结果缝衣针发生了偏转。
九年级物理下册电与磁同步单元检测(Word版含答案)一、三物理电与磁易错压轴题(难)1.某同学猜想电磁铁磁性强弱与电流大小和线圈匝数有关。
在探究“电磁铁磁性强弱与电流大小是否有关”时,使用的器材有:学生电源、电磁铁、电流表、滑动变阻器、开关、软铁块P、铁架台、电子秤、导线若干。
某同学用绝缘细线将电磁铁M悬挂在铁架台上,并保持它与软铁块P的距离不变:(1)实验时,他_______开关S,组装实验电路如图所示,请将滑动变阻器连入电路中,要求:滑片向左滑动时电路中电流变大;(2)本实验中根据______________比较电磁铁磁性强弱;(3)请设计出记录实验数据的表格,表中要有必要的信息。
(_________)【答案】断开,电子秤的示数实验次数电流I/A电子秤的示数/g123……【解析】【分析】【详解】(1)[1]在连接电路时,开关S应处于断开状态。
由题意知,电路中变阻器调节电路的电流,所以各元件串联;而滑片向左滑动时电路中电流变大,即滑片向左滑动时,变阻器接入电路的电阻变小,所以变阻器下边的接线柱应接左边的;电路所用电源为学生电源,则电流表应用大量程0~3A,故电路连接如下:(2)[2]实验根据电子秤的示数来比较电磁铁磁性强弱。
因为当开关闭合时,电路中有电流通过,电磁铁有磁性,对放在电子秤上的软铁块P有吸引力。
当电流越大时,电磁铁的磁性就越强,对软铁块的吸引力就越大,那么软铁块对电子秤的作用力就越小,则电子秤的示数就越小。
(3)[3]实验探究的是“电磁铁磁性强弱与电流大小的关系”,所以在实验时需记录电流的大小,而磁性的强弱是通过电子秤的示数来反映的,所以还需要记录电子秤的示数。
故实验表格如下:实验次数电流I/A电子秤的示数/g123……2.如图所示是课本上“通电导线在磁场中受力”的实验示意图。
小谦同学实际探究时,在下表记录了实验情况。
实验序号磁场方向ab中电流方向ab运动方向1向下无电流静止不动2向下由a向b向左运动3向上由a向b向右运动4向下由b向a向右运动(1)比较实验2和3,说明通电导线在磁场中受力方向与________有关;比较实验__________和____________,说明通电导线在磁场中受力方向与电流方向有关。
九年级物理下册电与磁检测题(Word版含答案)一、三物理电与磁易错压轴题(难)1.小刚学习了电磁铁的知识后,想知道电磁铁周围的磁场强弱与通入电磁铁的电流大小和距电磁铁的距离是否有关。
查阅资料知道,磁场强弱即磁感应强度(用B表示)的单位是T(特斯拉)。
图甲和图乙中电源电压均为6 V且恒定不变,图乙中R是磁敏电阻,其阻值随磁感应强度B的变化关系如图丙所示。
(1)由图丙可知,磁感应强度越大,R阻值越_____;小刚设计的图甲、乙组成的实验装置是通过________来判断R所处位置的磁感应强度。
(2)利用图甲、乙装置,保持_________相同时,闭合S1、S2后移动滑动变阻器的滑片,发现滑片P向左滑动时,灵敏电流计的示数不断变小,说明R所处位置的磁感应强度不断________(选填“增大”或“减小”)。
(3)当闭合S1、S2,保持滑片位置不变,沿电磁铁轴线方向移动R,测出R距离电磁铁的距离L和灵敏电流计的示数I,结合图丙计算出磁感应强度B的数值如下表.L/cm12345I/mA1015203050B/T0.680.6___0.360.14①当L=3 cm时,将此时磁感应强度B数值填在上表中对应位置。
②分析以上数据可以得出,通入电磁铁的电流一定时,距电磁铁越远,磁感应强度B越______.③综合(2)和(3)的实验结论可知,电磁铁周围的磁感应强度B与通入电磁铁的电流大小和距电磁铁的距离________(选填“有关”或“无关”)。
【答案】大灵敏电流计示数R距电磁铁的距离增大0.5小有关【解析】【分析】【详解】(1)[1]由图丙可知,磁感应强度越大,R阻值越大。
[2]图乙中R 是磁敏电阻,其阻值随磁感应强度B 的变化而变化,磁敏电阻的变化引起电路中电流的变化,实验中根据灵敏电流计示数判断R 所处位置的磁感应强度的强弱。
(2)[3]研究电磁铁周围的磁场强弱与通入电磁铁的电流大小是否有关,控制磁敏电阻R 到电磁铁的距离。
九年级下册物理电与磁检测题(WORD版含答案)一、三物理电与磁易错压轴题(难)1.小谦在探究“磁体间相互作用规律”时发现:磁体间的距离不同,作用力大小也不同。
他想:磁体间作用力的大小与磁极间的距离有什么关系呢?(1)小谦用如图所示的实验进行探究。
由于磁体间作用力的大小不便测量,他通过观察细线与竖直方向的夹角 的变化,来判断磁体间力的变化,用到的科学方法是________法。
(2)小谦分析三次实验现象,得出结论:两磁铁磁极间的________,相互作用力越大,小月认为:这个结论还需要进一步实验论证,联想到磁体间的相互作用规律,还须研究甲、乙两块磁铁相互________时,磁体间作用力与距离的关系。
【答案】转化(或转换)距离越小排斥【解析】【分析】【详解】(1)[1]由题意可知,磁体间作用力越大,细线与竖直方向的夹角也越大,那么可以通过观察这个夹角的大小得知磁体间力的变化,用到的科学方法是转换法。
(2)[2]从三次实验可看到,夹角越大时,相互作用力越大,这时两磁铁磁极间的距离越小,可得出结论:两磁铁磁极间的距离越小,相互作用力越大。
[3]磁体间的相互作用规律有吸引也有排斥,所以还须研究甲、乙两块磁铁相互排斥时,磁体间作用力与距离的关系。
2.李明用天然磁石仿制图甲所示的勺状的指南针﹣﹣司南.(1)他用的材料是图乙所示的天然磁石,该磁石的D端为________(选填“北极”或“南极”).(2)他用该磁石的D端磨成勺柄,打磨成勺状指南针(即“司南”),再用细线将其悬挂,如图丙所示,司南静止时,勺柄指向地球的________(3)将该司南悬挂在电磁铁正上方,闭合开关S,司南静止时的指向如图丁所示,则电磁铁左端是_____(选填“北极”或“南极”)极,则电源M端是________(选填“正极”或“负极”).(4)为增强司南的磁性,可用图丁所示装置,通过________(填字母序号),来增强电磁铁对司南磁化的效果.A.改变电源的正负极 B.让司南垂直放置在AB中点的正上方 C.增加电源的电压.【答案】南极南极北极负极 C【解析】【分析】【详解】(1)人们规定磁场的方向由北极出发到南极,由图可知,在磁体外部磁感线由B端到D 端,因此,磁石的D端为该磁体S极,即南极;(2)地磁的北极在地理的南极附近,由于异名磁极相互吸引,因此,司南静止时,勺柄指向地球的南极;(3)因为异名磁极相互吸引,所以通电螺线管的左端是N极;再用安培定则,右手大母指向左握住螺线管,可判断通电螺线管中的电流方向为:右端电流向上,左端向下;再根据电流方向是从电源正极出发通过用电器回到负极,所以电源左端,即M端为电源的负极;(4)为了增强司南的磁化效果,可以增加电源电压,使线圈中电流增大,则线圈磁性增强,磁化效果更好.故选C.【点睛】牢记磁场方向的规定,即磁体周围的磁感线,都是从磁体的N极出发,回到S极;磁极间的作用规律是:同名磁极相互排斥,异名磁极相互吸引,再结合安培定则判断电源的正负极3.如图所示是老师设计的一个实验装置,用来探究“影响电磁铁磁性强弱因素”,它是由电源、滑动变阻器、开关、带铁芯的螺线管(线圈电阻忽略不计)和自制的针式刻度板组成,通过观察指针偏转角度的大小,来判断电磁铁磁性的强弱.用竹片削制的指针下方加装固定一物体E,导线 a 与接线柱 2 相连.(1)为了使指针在受磁场力的作用在能绕 O 点转动,需在 E 处加装铁块,加装物体后,为了确保指针能正确指示且具有一定的灵敏度,老师在 O 点转轴处涂抹润滑油,目的是_____,使指针转动更灵活.(2)按如图所示连接好电路,闭合开关,调节滑动变阻器滑片 P 到某一位置,记下此时指针偏转的角度,保持滑片 P 位置不变,导线 a 改为与接线柱 1 相连,可以探究电磁铁磁性强弱与_____的关系;保持接线方式不变,移动变阻器滑片 P,可以探究电磁铁磁性强弱与另外一个因素的关系.(3)当滑动变阻器的滑片 P 向左滑动时,指针偏转的角度将会______(选填“增大”或“减小”).(4)细心观察的小锋同学发现在实验过程中该自制装置的指针均向右偏转,只是偏转角度不同,该同学向老师提出能否让指针向左偏转,老师马上将一块小磁铁换装在如图 E 处,且让磁铁的右端为_____极,闭合开关后,同学们发现指针果然向左偏转.(5)你认为该装置中指针的偏转角度大小可能还与哪些因素有关?______(只写出一个即可)【答案】减小摩擦线圈匝数减小 N 铁芯大小【解析】【分析】(1)根据减小摩擦的方法解答;(2)根据1、2位置比较接入电路线圈匝数多少可知答案;(3)当滑动变阻器的滑片 P 向左滑动时,电阻变大,电流变小,磁场减弱;(4)首先判断电磁铁的N、S极,然后利用电磁铁与所放磁铁的磁极相互作用做出判断;(5)该装置中指针的偏转角度大小要受磁力大小、竹片削制的指针质量、电磁铁距离指针的距离等因素影响.【详解】(1)在O点转轴处涂抹润滑油可以使接触面变光滑,从而减小了摩擦;(2)保持滑片P位置不变,忽略线圈电阻,则电流不变,导线a改为与接线柱1相连,增加了线圈匝数,因此可以探究电磁铁磁性强弱与线圈匝数的关系;保持接线方式不变,移动变阻器滑片P,改变电流大小,可以探究电磁铁磁性强弱与电流大小的关系.(3)当滑动变阻器的滑片P向左滑动时,接入电路电阻增大,电流减小,磁性减弱,所以指针偏转的角度将会减小;(4)由图中通电线圈电流流入方向,利用右手螺旋定则可以判断出通电线圈左端为N极,右端为S极,在E处放小磁铁让磁铁的右端为N极、左端为S极时,则通电线圈右端S极与小磁铁左端为S极就会相互排斥,指针就会向左偏转;(5)该装置中指针的偏转角度大小要受磁力大小、竹片削制的指针质量、电磁铁距离指针的距离等因素影响;所以指针的偏转角度大小还与铁芯大小有关,也与竹片削制的指针质量有关.4.课堂上,老师做了如图甲所示的演示实验,给直导线(铝棒)通电,观察到直导线运动起来。
九年级物理电与磁检测题(Word版含答案)一、三物理电与磁易错压轴题(难)1.在探究“影响电磁铁磁性强弱的因素”的实验中,实验室准备的器材有:电源、开关、导线、滑动变阻器、两根完全相同的铁钉、表面绝缘的铜线、大头针若干。
利用上述器材,制成简易电磁铁甲和乙,并设计了如图所示的电路。
请你回答下列问题:(1)根据图示的情况可知,________(填“甲”或“乙”)的磁性强,依据是___________,说明电流一定时,________________电磁铁的磁性越强。
(2)当滑片P向左移动时,电磁铁甲、乙吸引大头针的个数________(填“增加”或“减少”)说明__________________电磁铁的磁性越强。
(3)电磁铁甲的上端是电磁铁的______极(填“N”或“S”)。
(4)电磁铁在生活和实际中有着广泛的应用。
以下利用电磁铁的特点工作的是________(填写序号)。
A.电热水壶B.模型电动机C.电磁继电器D.手摇发电机【答案】乙吸引的大头针个数多线圈匝数越多增加电流越大S C【解析】(1)根据图示的情境可知,甲乙串联在一起,电流相等,乙电磁铁吸引大头针比甲多,所以乙电磁铁磁性强,所以在电流一定时,线圈匝数越多,电磁铁磁性越强;(2)当滑动变阻器滑片向左移动时,线圈匝数不变,电流变大,电磁铁甲、乙吸引大头针的个数都增加,所以在线圈匝数一定时,电流越大,电磁铁磁性越强;(3)根据安培定则,右手握住螺线管,四指指向电流的方向,大拇指所指的方向是通电螺线管的N极,故下端是N极,上端是S极;(4)电热水壶利用的是电流的热效应,不符合题意;模型电动机是根据通电线圈在磁场中受力转动的原理制成的,不符合题意;电磁继电器的主要组成部分是电磁铁,是利用电磁铁通电时有磁性,断电时无磁性的原理工作的,符合题意;手摇发电机是根据电磁感应原理制成的,不符合题意,故选C。
2.如图所示是老师设计的一个实验装置,用来探究“影响电磁铁磁性强弱因素”,它是由电源、滑动变阻器、开关、带铁芯的螺线管(线圈电阻忽略不计)和自制的针式刻度板组成,通过观察指针偏转角度的大小,来判断电磁铁磁性的强弱.用竹片削制的指针下方加装固定一物体E,导线 a 与接线柱 2 相连.(1)为了使指针在受磁场力的作用在能绕 O 点转动,需在 E 处加装铁块,加装物体后,为了确保指针能正确指示且具有一定的灵敏度,老师在 O 点转轴处涂抹润滑油,目的是_____,使指针转动更灵活.(2)按如图所示连接好电路,闭合开关,调节滑动变阻器滑片 P 到某一位置,记下此时指针偏转的角度,保持滑片 P 位置不变,导线 a 改为与接线柱 1 相连,可以探究电磁铁磁性强弱与_____的关系;保持接线方式不变,移动变阻器滑片 P,可以探究电磁铁磁性强弱与另外一个因素的关系.(3)当滑动变阻器的滑片 P 向左滑动时,指针偏转的角度将会______(选填“增大”或“减小”).(4)细心观察的小锋同学发现在实验过程中该自制装置的指针均向右偏转,只是偏转角度不同,该同学向老师提出能否让指针向左偏转,老师马上将一块小磁铁换装在如图 E 处,且让磁铁的右端为_____极,闭合开关后,同学们发现指针果然向左偏转.(5)你认为该装置中指针的偏转角度大小可能还与哪些因素有关?______(只写出一个即可)【答案】减小摩擦线圈匝数减小 N 铁芯大小【解析】【分析】(1)根据减小摩擦的方法解答;(2)根据1、2位置比较接入电路线圈匝数多少可知答案;(3)当滑动变阻器的滑片 P 向左滑动时,电阻变大,电流变小,磁场减弱;(4)首先判断电磁铁的N、S极,然后利用电磁铁与所放磁铁的磁极相互作用做出判断;(5)该装置中指针的偏转角度大小要受磁力大小、竹片削制的指针质量、电磁铁距离指针的距离等因素影响.【详解】(1)在O点转轴处涂抹润滑油可以使接触面变光滑,从而减小了摩擦;(2)保持滑片P位置不变,忽略线圈电阻,则电流不变,导线a改为与接线柱1相连,增加了线圈匝数,因此可以探究电磁铁磁性强弱与线圈匝数的关系;保持接线方式不变,移动变阻器滑片P,改变电流大小,可以探究电磁铁磁性强弱与电流大小的关系.(3)当滑动变阻器的滑片P向左滑动时,接入电路电阻增大,电流减小,磁性减弱,所以指针偏转的角度将会减小;(4)由图中通电线圈电流流入方向,利用右手螺旋定则可以判断出通电线圈左端为N极,右端为S极,在E处放小磁铁让磁铁的右端为N极、左端为S极时,则通电线圈右端S极与小磁铁左端为S极就会相互排斥,指针就会向左偏转;(5)该装置中指针的偏转角度大小要受磁力大小、竹片削制的指针质量、电磁铁距离指针的距离等因素影响;所以指针的偏转角度大小还与铁芯大小有关,也与竹片削制的指针质量有关.3.磁体具有吸引铁、钴、镍等物质的性质。
九年级物理下册电与磁检测题(Word版含答案)一、三物理电与磁易错压轴题(难)1.小明学会了测小灯泡的功率后,在老师的启发下,进一步思考:电流一定时,小灯泡功率跟电阻有什么关系呢?于是他利用如图所示的电路,选用分别标有“1.5 V 0.25 A”“2.5 V 0.3 A”和“3.8 V 0.3 A”字样的小灯泡L1、L2、L3,测出它们在电流相同时的电阻和功率,来探究小灯泡功率与电阻的关系.(1)他将灯L1接入图甲电路,请你用笔画线代替导线,帮他将实物电路连接完整.______(2)闭合开关后,他调节滑动变阻器的滑片P,使通过灯L1的电流为0.2 A,再测出L1两端的电压,此时电压表示数如图乙所示,然后计算出此时灯L1的电阻为______Ω,实际功率是____ W.(3)换上灯L2,闭合开关,为保持电流为0.2 A不变,应将滑片P向________(选填“左”或“右”)端移动;再测出L2两端的电压,算出L2的电阻和功率.换上灯L3,做第三次实验,并将实验数据记录在下表中.(4)请根据实验数据,在图丙中作出小灯泡功率与电阻关系的图象.______(5)分析图象可得结论:在电流一定时,小灯泡的实际功率与电阻成________关系.(6)小波认为:为了控制实验条件,小明每次实验要换灯泡还要调节滑动变阻器,这样的操作不够简便.对此你可以如何改进?____.【答案】答案见解析 4 0.16 左答案见解析正比将L1、L2、L3串联在同一电路中,使电流不变【解析】【分析】【详解】(1)如图(2)电压表使用的0~3V,分度值为0.1V,电压为0.8V,电流为0.2A,所以L1电阻为R1=UI=0.840.2VA=Ω,实际功率P实=UI=0.16W;(3) 换上灯L2,电阻增大,总电阻增大,电路电流减小,电流表的示数将变小;要使电路电流增大到0.2A,要减小电路总电阻,滑动变阻器的滑片向左端移动;(4)(5)分析图像可知图线是一条过原点的直线,可知,电流一定时,功率和电阻成正比.(6)实验目的是小灯泡功率与电阻的关系,根据控制变量法,要保证电流不变,则可以将L1、L2、L3串联在同一电路中,分别测各自两端电压即可.【点睛】本题题干很长,给学生的心理压力很大,并且本题涉及到的知识点多,而且和数学联系起来,增大了试题的难度,并且用实验探究功率和电阻关系的题目比较少见,学生不熟悉,更增大了习题的难度.2.在安装直流电动机模型的实验中,小明将组装好的电动机模型、滑动变阻器、电源、开关串联起来如图甲所示:(1)小明闭合开关,发现线圈不转,他用手轻轻转了一下线圈,电动机模型开始正常转动。
九年级下册物理电与磁同步单元检测(Word版含答案)一、三物理电与磁易错压轴题(难)1.在安装直流电动机模型的实验中,小明将组装好的电动机模型、滑动变阻器、电源、开关串联起来如图甲所示:(1)小明闭合开关,发现线圈不转,他用手轻轻转了一下线圈,电动机模型开始正常转动。
线圈原来不转的原因是_______;(2)若要电动机转速加快,小明应将滑动变阻器的滑片向_______移动;(3)接下来,小明把永磁铁换成图乙所示的电磁铁,并将电磁铁线圈的两个接线柱M、N分别与电刷A、B相连,使电磁铁线圈与电动机模型线圈并联后,合用一个电源。
当对调接在电源正、负极上的导线时,电动机线圈转动的方向会不会改变?答:_______,理由是_______;(4)完成以上实验后,小明取下图甲中的电源换上小灯泡,在模型的转轴上绕上细线,如图丙所示,然后快速拉动细线,使线圈转动起来,结果小灯泡发光,此时这模型就相当于_______机。
【答案】线圈刚好处在平衡位置左不会电流方向和磁场方向同时改变发电【解析】【分析】【详解】(1)[1]线圈不转,用手轻轻转了一下线圈,电动机模型开始正常转动,说明线圈原先刚好处在平衡位置。
(2)[2]要使电动机转速变快,就要增大电流,所以滑动变阻器电阻应变小,即滑片要向左移动。
(3)[3][4]电磁铁和线圈共用一个电源,当对调电源正负极时,电磁铁的磁场方向改变,线圈中的电流方向也发生改变,所以电动机的转向不变。
(4)[5]拉动细线,线圈转动,切割磁感线,产生感应电流,所以是发电机的模型。
2.在探究“影响电磁铁磁性强弱的因素”实验中,小明制成简易电磁铁甲、乙,并设计了如图所示的电路。
(1)实验中是通过观察_____________________来比较电磁铁磁性强弱。
这种研究方法称为___________。
(2)把甲、乙两个电磁铁串联,目的是____________相同,以探究电磁铁磁性强弱与____________的关系。
九年级物理下册电与磁检测题(WORD版含答案)一、三物理电与磁易错压轴题(难)1.在探究“影响电磁铁磁性强弱的因素”实验中,小明制成简易电磁铁甲、乙,并设计了如图所示的电路。
(1)实验中是通过观察_____________________来比较电磁铁磁性强弱。
这种研究方法称为___________。
(2)把甲、乙两个电磁铁串联,目的是____________相同,以探究电磁铁磁性强弱与____________的关系。
(3)由现象可得结论:电流一定时,________________,电磁铁磁性越强。
(4)若要使电磁铁甲、乙吸引大头针数目变多,最简单易行的办法是_________【答案】电磁铁吸引大头针的数量转换法控制电流线圈匝数线圈匝数越多将变阻器滑片P向左移动【解析】【详解】(1)[1]磁性的强弱是无法直接观察的.题中就是利用电磁铁吸引大头针数目的不同来反映磁性强弱的不同的;[2]这是转换的方法;(2)[3]串联电流相等,所以串联的目的是控制电流相同;[4] 根据图示可知,电磁铁甲吸引的大头针数目多,说明甲的磁性强;两电磁铁串联,电流相同,甲乙线圈匝数不同,所以探究的是电磁铁磁性强弱与匝数的关系;(3)[5] 由现象可得结论:电流一定时,线圈匝数越多,磁性越强;(4)[6]磁场变强,吸引大头针的数量就多了,所以最简单的方法是向左移动滑动变阻器滑片,使电路中电流变强,磁场就变强了。
2.如图所示是课本上“通电导线在磁场中受力”的实验示意图。
小谦同学实际探究时,在下表记录了实验情况。
实验序号磁场方向ab中电流方向ab运动方向1向下无电流静止不动2向下由a向b向左运动3向上由a向b向右运动4向下由b向a向右运动(1)比较实验2和3,说明通电导线在磁场中受力方向与________有关;比较实验__________和____________,说明通电导线在磁场中受力方向与电流方向有关。
(2)小谦通过观察导线运动方向,来判断导线在磁场中受力方向,用到的物理学方法是____________(选填下列选项对应的符号)。
九年级物理电与磁检测题(WORD版含答案)一、三物理电与磁易错压轴题(难)1.某同学猜想电磁铁磁性强弱与电流大小和线圈匝数有关。
在探究“电磁铁磁性强弱与电流大小是否有关”时,使用的器材有:学生电源、电磁铁、电流表、滑动变阻器、开关、软铁块P、铁架台、电子秤、导线若干。
某同学用绝缘细线将电磁铁M悬挂在铁架台上,并保持它与软铁块P的距离不变:(1)实验时,他_______开关S,组装实验电路如图所示,请将滑动变阻器连入电路中,要求:滑片向左滑动时电路中电流变大;(2)本实验中根据______________比较电磁铁磁性强弱;(3)请设计出记录实验数据的表格,表中要有必要的信息。
(_________)【答案】断开,电子秤的示数实验次数电流I/A电子秤的示数/g123……【解析】【分析】【详解】(1)[1]在连接电路时,开关S应处于断开状态。
由题意知,电路中变阻器调节电路的电流,所以各元件串联;而滑片向左滑动时电路中电流变大,即滑片向左滑动时,变阻器接入电路的电阻变小,所以变阻器下边的接线柱应接左边的;电路所用电源为学生电源,则电流表应用大量程0~3A,故电路连接如下:(2)[2]实验根据电子秤的示数来比较电磁铁磁性强弱。
因为当开关闭合时,电路中有电流通过,电磁铁有磁性,对放在电子秤上的软铁块P有吸引力。
当电流越大时,电磁铁的磁性就越强,对软铁块的吸引力就越大,那么软铁块对电子秤的作用力就越小,则电子秤的示数就越小。
(3)[3]实验探究的是“电磁铁磁性强弱与电流大小的关系”,所以在实验时需记录电流的大小,而磁性的强弱是通过电子秤的示数来反映的,所以还需要记录电子秤的示数。
故实验表格如下:实验次数电流I/A电子秤的示数/g123……2.如图所示是课本上“通电导线在磁场中受力”的实验示意图。
小谦同学实际探究时,在下表记录了实验情况。
实验序号磁场方向ab中电流方向ab运动方向1向下无电流静止不动2向下由a向b向左运动3向上由a向b向右运动4向下由b向a向右运动(1)比较实验2和3,说明通电导线在磁场中受力方向与________有关;比较实验__________和____________,说明通电导线在磁场中受力方向与电流方向有关。
九年级下册电与磁综合测试卷(word含答案)一、三物理电与磁易错压轴题(难)1.两个电磁铁A和B都用粗细相同的漆包线绕制而成,其外形及所用的铁芯都相同,但线圈面数不同(外观上看不出)要比较哪个电磁铁的线匝数多,小明用相同的恒压电源、滑动变阻器、导线、开关,并提供足够多的大头针,连接电路进行了图两个实验。
(1)关于小明的实验:①磁性较强的电磁铁是______ (选填“A”或“B”)。
依据是_____ ;②该实验,无法比较哪个电磁铁的线圆匝数更多,原因是______;(2)利用上述器材设计实验,要求能比较哪个电磁铁的线圈匝数更多(可增加一个器材,或不增加器材):①步骤(可用文字或画图表述)______;②结论分析:______。
【答案】A 吸引大头针的数量较多不能确保流过两个电磁铁的电流相同见解析吸引大头针数量较多的电磁铁,线圈匝数较多【解析】【分析】【详解】(1)[1][2]由图可知电磁铁A吸引的的大头针数量比电磁铁B多,可判断电磁铁A的磁性较强。
[3]影响电磁铁磁性强弱的因素有线圈匝数、电流大小,该实验中无法通过电磁铁磁性强弱来判断谁的线圈匝数多,谁的少,原因在于无法确保流过两个电磁铁的电流相同。
(2)[4]步骤:将电磁铁A、B串联在一个电路中,通过它们的电流相等,是电磁铁A、B上的线圈匝数不同。
[5]结论分析:在电磁铁通过电流相同时,线圈匝数较多的电磁铁,吸引大头针数量较多;线圈匝数较少的吸引大头针数量较少;可判断:吸引大头针数量较多的电磁铁,线圈匝数较多。
2.如图是小明探究“影响电磁铁磁性强弱因素”的装置图(A为指针下方固定的铁块;线圈电阻忽略不计)。
小明通过观察指针B偏转角度的大小来判断电磁铁磁性的强弱。
开始时导线a与接线柱1相连,闭合开关,指针B绕固定点O点发生偏转。
(1)实验前,应将导线b与滑动变阻器的__________(选填“c”或“d”)接线柱连接。
(2)闭合开关,电磁铁的左端为__________极;使滑片P向左移动时,指针的偏转角度变大,说明电磁铁磁性强弱与__________有关。
九年级下册物理电与磁检测题(Word版含答案)一、三物理电与磁易错压轴题(难)1.小刚学习了电磁铁的知识后,想知道电磁铁周围的磁场强弱与通入电磁铁的电流大小和距电磁铁的距离是否有关。
查阅资料知道,磁场强弱即磁感应强度(用B表示)的单位是T(特斯拉)。
图甲和图乙中电源电压均为6 V且恒定不变,图乙中R是磁敏电阻,其阻值随磁感应强度B的变化关系如图丙所示。
(1)由图丙可知,磁感应强度越大,R阻值越_____;小刚设计的图甲、乙组成的实验装置是通过________来判断R所处位置的磁感应强度。
(2)利用图甲、乙装置,保持_________相同时,闭合S1、S2后移动滑动变阻器的滑片,发现滑片P向左滑动时,灵敏电流计的示数不断变小,说明R所处位置的磁感应强度不断________(选填“增大”或“减小”)。
(3)当闭合S1、S2,保持滑片位置不变,沿电磁铁轴线方向移动R,测出R距离电磁铁的距离L和灵敏电流计的示数I,结合图丙计算出磁感应强度B的数值如下表.L/cm12345I/mA1015203050B/T0.680.6___0.360.14①当L=3 cm时,将此时磁感应强度B数值填在上表中对应位置。
②分析以上数据可以得出,通入电磁铁的电流一定时,距电磁铁越远,磁感应强度B越______.③综合(2)和(3)的实验结论可知,电磁铁周围的磁感应强度B与通入电磁铁的电流大小和距电磁铁的距离________(选填“有关”或“无关”)。
【答案】大灵敏电流计示数R距电磁铁的距离增大0.5小有关【解析】【分析】【详解】(1)[1]由图丙可知,磁感应强度越大,R阻值越大。
[2]图乙中R 是磁敏电阻,其阻值随磁感应强度B 的变化而变化,磁敏电阻的变化引起电路中电流的变化,实验中根据灵敏电流计示数判断R 所处位置的磁感应强度的强弱。
(2)[3]研究电磁铁周围的磁场强弱与通入电磁铁的电流大小是否有关,控制磁敏电阻R 到电磁铁的距离。
九年级物理下册电与磁综合测试卷(word含答案)一、三物理电与磁易错压轴题(难)1.小明学会了测小灯泡的功率后,在老师的启发下,进一步思考:电流一定时,小灯泡功率跟电阻有什么关系呢?于是他利用如图所示的电路,选用分别标有“1.5 V 0.25 A”“2.5 V 0.3 A”和“3.8 V 0.3 A”字样的小灯泡L1、L2、L3,测出它们在电流相同时的电阻和功率,来探究小灯泡功率与电阻的关系.(1)他将灯L1接入图甲电路,请你用笔画线代替导线,帮他将实物电路连接完整.______(2)闭合开关后,他调节滑动变阻器的滑片P,使通过灯L1的电流为0.2 A,再测出L1两端的电压,此时电压表示数如图乙所示,然后计算出此时灯L1的电阻为______Ω,实际功率是____ W.(3)换上灯L2,闭合开关,为保持电流为0.2 A不变,应将滑片P向________(选填“左”或“右”)端移动;再测出L2两端的电压,算出L2的电阻和功率.换上灯L3,做第三次实验,并将实验数据记录在下表中.(4)请根据实验数据,在图丙中作出小灯泡功率与电阻关系的图象.______(5)分析图象可得结论:在电流一定时,小灯泡的实际功率与电阻成________关系.(6)小波认为:为了控制实验条件,小明每次实验要换灯泡还要调节滑动变阻器,这样的操作不够简便.对此你可以如何改进?____.【答案】答案见解析 4 0.16 左答案见解析正比将L1、L2、L3串联在同一电路中,使电流不变【解析】【分析】【详解】(1)如图(2)电压表使用的0~3V,分度值为0.1V,电压为0.8V,电流为0.2A,所以L1电阻为R1=UI=0.840.2VA=Ω,实际功率P实=UI=0.16W;(3) 换上灯L2,电阻增大,总电阻增大,电路电流减小,电流表的示数将变小;要使电路电流增大到0.2A,要减小电路总电阻,滑动变阻器的滑片向左端移动;(4)(5)分析图像可知图线是一条过原点的直线,可知,电流一定时,功率和电阻成正比.(6)实验目的是小灯泡功率与电阻的关系,根据控制变量法,要保证电流不变,则可以将L1、L2、L3串联在同一电路中,分别测各自两端电压即可.【点睛】本题题干很长,给学生的心理压力很大,并且本题涉及到的知识点多,而且和数学联系起来,增大了试题的难度,并且用实验探究功率和电阻关系的题目比较少见,学生不熟悉,更增大了习题的难度.2.在探究“影响电磁铁磁性强弱的因素”实验中,小明制成简易电磁铁甲、乙,并设计了如图所示的电路。
物理九年级下册电与磁检测题(WORD版含答案)一、三物理电与磁易错压轴题(难)1.如图是小明“探究导体在磁场中运动时产生感应电流的条件”的实验装置。
(1)闭合开关后,当导体ab向左或向右运动时,电流表指针偏转,当导体ab向上或向下运动时,电流表指针不偏转,说明闭合电路中的部分导体在磁场中做___________运动时导体中会产生感应电流。
(2)实验中发现,当导体ab向左运动时,电流表指针向右,当导体ab向右运动时,电流表指针向左偏转,说明_________________________。
(3)针对这个实验,小明作了进一步的探究,他提出了“感应电流的大小可能与磁场的强弱有关”的猜想,为了验证小明的猜想,请你帮他设计主要的实验步骤:______________。
(4)小明通过上述(3)的实验,发现磁场越强,产生的感应电流越大。
从而小明认为提高发电量的关键在于增强发电机电磁铁的磁性,只要不断增强电磁铁的磁性,就能获得更多的电能,这个观点正确吗?为什么?___________________________。
【答案】切割磁感线感应电流的方向跟导体做切割磁感线运动方向有关主要步骤:改变磁场强弱,让导体AB以相同的速度做切割磁感线运动,观察电流表指针偏转幅度大小不正确。
这个实验中,是将做切割磁感线的导体的机械能转化为电能,增强磁性可以提高能量的转化效率,但并不能使发电机产生多于导体机械能的电能【解析】【详解】(1)如图的实验电路,闭合开关后,当导体ab向左或向右运动时,导体切割磁感线运动,故产生感应电流,电流表指针偏转,当导体ab向上或向下运动时,导体没有做切割磁感线运动,电流表指针不偏转,所以此实验过程说明闭合电路中的部分导体在磁场中做切割磁感线运动时导体中会产生感应电流。
(2)实验中发现,当导体ab向左运动时,电流表指针向右,当导体ab向右运动时,电流表指针向左偏转,可见电流方向的不同与导体切割磁感线运动方向有关,即说明感应电流的方向跟导体做切割磁感线运动方向有关。
九年级物理下册电与磁检测题(WORD版含答案)一、三物理电与磁易错压轴题(难)1.两个电磁铁A和B都用粗细相同的漆包线绕制而成,其外形及所用的铁芯都相同,但线圈面数不同(外观上看不出)要比较哪个电磁铁的线匝数多,小明用相同的恒压电源、滑动变阻器、导线、开关,并提供足够多的大头针,连接电路进行了图两个实验。
(1)关于小明的实验:①磁性较强的电磁铁是______ (选填“A”或“B”)。
依据是_____ ;②该实验,无法比较哪个电磁铁的线圆匝数更多,原因是______;(2)利用上述器材设计实验,要求能比较哪个电磁铁的线圈匝数更多(可增加一个器材,或不增加器材):①步骤(可用文字或画图表述)______;②结论分析:______。
【答案】A 吸引大头针的数量较多不能确保流过两个电磁铁的电流相同见解析吸引大头针数量较多的电磁铁,线圈匝数较多【解析】【分析】【详解】(1)[1][2]由图可知电磁铁A吸引的的大头针数量比电磁铁B多,可判断电磁铁A的磁性较强。
[3]影响电磁铁磁性强弱的因素有线圈匝数、电流大小,该实验中无法通过电磁铁磁性强弱来判断谁的线圈匝数多,谁的少,原因在于无法确保流过两个电磁铁的电流相同。
(2)[4]步骤:将电磁铁A、B串联在一个电路中,通过它们的电流相等,是电磁铁A、B上的线圈匝数不同。
[5]结论分析:在电磁铁通过电流相同时,线圈匝数较多的电磁铁,吸引大头针数量较多;线圈匝数较少的吸引大头针数量较少;可判断:吸引大头针数量较多的电磁铁,线圈匝数较多。
2.如图所示电路,是某学校楼道自动控制照明系统,R3是一光敏电阻,其阻值随“光照度E“的增大而减小,且成反比,其具体关系如下表所示(光照度E的单位是:勒克斯,符号Lx:光越强,光照度越大),光照度E/L x0.51 1.52 2.53光敏电用R3阻值/Ω603020151210(1)根据表格中数据写出光敏电阻的阻值R3与光照度E的函数关系式_________________;(2)当线圈中电流减小至10mA时,电磁继电器衔铁被弹簧拉起,启动照明系统,利用该装置可以实现当光照度低至某一设定值E0 Lx时,照明系统内照明灯自动工作。
九年级下册物理电与磁检测题(WORD版含答案)一、三物理电与磁易错压轴题(难)1.如图是小明探究“影响电磁铁磁性强弱因素”的装置图(A为指针下方固定的铁块;线圈电阻忽略不计)。
小明通过观察指针B偏转角度的大小来判断电磁铁磁性的强弱。
开始时导线a与接线柱1相连,闭合开关,指针B绕固定点O点发生偏转。
(1)实验前,应将导线b与滑动变阻器的__________(选填“c”或“d”)接线柱连接。
(2)闭合开关,电磁铁的左端为__________极;使滑片P向左移动时,指针的偏转角度变大,说明电磁铁磁性强弱与__________有关。
(3)断开开关,将导线a与接线柱1相连改为与接线柱2相连,保持滑动变阻器的滑片P 的位置不变,再闭合开关,此时指针偏转角度__________(选填“变大”、“变小”或“不变”)。
(4)下图所示的装置中应用电磁铁工作的是__________。
(选填序号)【答案】c N 电流大小变小④【解析】【详解】(1)[1]实验前,应将导线b与滑动变阻器的c接线柱连接,这样变阻器的电阻才能进行调节;(2)[2]从图中可以看到,电流从电磁铁的右端流入,左端流出,根据安培定则可知电磁铁的左端为N极;[3]滑片P向左移动时,电路中的总电阻变小,电路的电流变大,而指针的偏转角度也变大,说明电磁铁磁性强弱与电流大小有关;(3)[4]由于线圈的匝数变少,电流强度不变,那么电磁铁磁性变弱,则指针偏转角度减小;(4)[5]手摇发电机是产生电流,利用电磁感应原理工作的;自制电动机是利用通电线圈在磁场中受力转动的原理工作的;动圈式话筒是利用电磁感应工作的;电铃通电时,电磁铁有电流通过,产生了磁性,小锤下方的弹性片被吸过来,小锤打击电铃发出声音,同时电路断开,电磁铁失去磁性,小锤又被弹回,电路闭合,不断重复,电铃会发出连续打击声,这是应用了电磁铁;故选④。
2.在观察“磁场对通电直导线的作用”活动中,小明用导线在固定的接线柱MN下悬挂一根轻质的铝棒ab,然后将其作为通电导线接入电路放在蹄形磁体的磁场里,如图甲所示。
人教版九年级物理下册电与磁检测题(Word版含答案)一、三物理电与磁易错压轴题(难)1.小刚学习了电磁铁的知识后,想知道电磁铁周围的磁场强弱与通入电磁铁的电流大小和距电磁铁的距离是否有关。
查阅资料知道,磁场强弱即磁感应强度(用B表示)的单位是T(特斯拉)。
图甲和图乙中电源电压均为6 V且恒定不变,图乙中R是磁敏电阻,其阻值随磁感应强度B的变化关系如图丙所示。
(1)由图丙可知,磁感应强度越大,R阻值越_____;小刚设计的图甲、乙组成的实验装置是通过________来判断R所处位置的磁感应强度。
(2)利用图甲、乙装置,保持_________相同时,闭合S1、S2后移动滑动变阻器的滑片,发现滑片P向左滑动时,灵敏电流计的示数不断变小,说明R所处位置的磁感应强度不断________(选填“增大”或“减小”)。
(3)当闭合S1、S2,保持滑片位置不变,沿电磁铁轴线方向移动R,测出R距离电磁铁的距离L和灵敏电流计的示数I,结合图丙计算出磁感应强度B的数值如下表.L/cm12345I/mA1015203050B/T0.680.6___0.360.14①当L=3 cm时,将此时磁感应强度B数值填在上表中对应位置。
②分析以上数据可以得出,通入电磁铁的电流一定时,距电磁铁越远,磁感应强度B越______.③综合(2)和(3)的实验结论可知,电磁铁周围的磁感应强度B与通入电磁铁的电流大小和距电磁铁的距离________(选填“有关”或“无关”)。
【答案】大灵敏电流计示数R距电磁铁的距离增大0.5小有关【解析】【分析】【详解】(1)[1]由图丙可知,磁感应强度越大,R阻值越大。
[2]图乙中R 是磁敏电阻,其阻值随磁感应强度B 的变化而变化,磁敏电阻的变化引起电路中电流的变化,实验中根据灵敏电流计示数判断R 所处位置的磁感应强度的强弱。
(2)[3]研究电磁铁周围的磁场强弱与通入电磁铁的电流大小是否有关,控制磁敏电阻R 到电磁铁的距离。
九年级下册物理电与磁检测题(Word版含答案)一、三物理电与磁易错压轴题(难)1.利用如图所示的实验装置探究电动机的工作原理,请你完成下列问题.(1)通电后图甲中ab段导线受磁场力的方向竖直向上,请在图丙中作出ab段导线所受到的磁场力F′的示意图;(_____)(2)当线圈转过图乙所示位置时,通过改变_____的办法使线圈靠磁场力的作用可以继续顺时针转动至少半周;(3)生产实际中,为使直流电动机的转子能持续不停地转动,在此结构的基础上主要是通过加装_____来实现的(填直流电动机的结构名称).【答案】电流方向换向器【解析】【分析】电动机的原理是:通电导线在磁场中受力的作用,其所受力的方向与电流的方向和磁场的方向有关,即只要改变一个量,其所受力的方向就会改变一次;直流电动机工作时,为了让线圈持续的转动下去,即是通过换向器在平衡位置及时的改变线圈中的电流的方向,即改变线圈所受力的反向,使线圈持续的转动下去.【详解】(1)由于电流从电源的正极出发,故此时图1中ab的电流方向是由a到b;在图丙中,由于电流的方向和磁场的方向均没有改变,故此时线圈所受力的方向仍不变,即力的方向仍是向上的,如图所示:(2)据图乙能看出,再向下转动,磁场力会阻碍线圈运动,故此时必须改变线圈中的受力方向,所以可以通过改变线圈中的电流方向使得线圈持续顺时针转动至少半圈;(3)直流电动机的线圈可以持续转动,是因为它加装了换向器,换向器能在线圈刚转过平衡位置时,自动改变线圈中的电流方向.2.在学习了电和磁的知识后,小杰在家里饶有兴趣地做起了小实验.他找了一枚缝衣针,在“吸铁石”上擦了几下,然后用一根细软的棉线将缝表针悬挂起来井保持水平,结果发现静止后针尖总是指向南方,这说明缝衣针已经磁化成了一枚小磁针。
为验证奥斯特实验,小杰把通电的台灯(60 W)导线移到缝衣针的下方,并靠近缝衣针平行放置,结果发现缝衣针并未发生偏转,带着疑问,小杰在科学课堂上与大家展开讨论。
结果出现了两种不同观点,这时,老师让小杰用两节干电池(3 V)和一段电阻丝(15 Ω)重新做这个实验.结果缝衣针发生了偏转。
(1)磁化后,这枚缝衣针的针尖是________极;(填“S ”或“N ”) (2)在课堂实验中,电阻丝中通过的电流大小为________安;(3)下面是同学们在课堂讨论中形成的两种观点,通过小杰的课堂实验可以否定的是______(填“A ”或“B ”)A .台灯线内有两根导线,且电流方向相反,产生的磁性相互抵消B .台灯线内电流太小,产生的磁场太弱,不足以让小磁针偏转 【答案】S 0.2 B 【解析】 【分析】 【详解】(1)[2]缝衣针被悬挂起之后针尖总是指向南方,根据人们对磁极的规定可知,针尖是南极,即S 极。
(2)[2]由欧姆定律公式可得,课堂实验中,电阻丝中通过的电流大小为3V ==0.2A 15ΩU I R =(3)[3]台灯导线中的电流为60W=0.27A 220VP I U 台灯台灯台灯=≈ 可见电阻线中的电流与台灯导线中的电流大小相差不大,所以台灯线不能使缝衣针偏转不是由于电流太小引起的;其真正的原因应该是,台灯是交流电,并行的导线中瞬间的电流方向是相反的,因此产生的磁场相互抵消,不会使缝衣针发生偏转,故B 可以否定。
3.如图所示是同学们安装的直流电动机模型.(1)在某次安装直流电动机模型活动中,小孙、小金、小星各自把安装好的电动机接入电路,闭合开关线圈均不转.若小孙用手轻轻一推转子,线圈就转动起来,则她的线圈不转的原因是_____________;若小金用手轻轻把电刷(铜片)弯曲一下,线圈就转动起来,则她的线圈不转的原因是______________;若小星在原磁体上加一块磁体,线圈就转动起来,则她的线圈不转的原因是________________.(2)线圈正常转动后,若把电源的两极对调一下,观察到线圈转动的________发生变化;若改变线圈中的电流大小,观察到线圈转动的________发生变化.(3)许多家用电器用到电动机,请你列举一种装有电动机的家用电器的名称:__________.【答案】线圈在平衡位置换向器与电刷接触不良(或摩擦过大)磁体磁性太弱方向速度电风扇(或洗衣机等)【解析】【分析】【详解】(1)闭合开关线圈均不转.小孙用手轻轻一推转子,线圈就转动起来,则她的线圈不转的原因是线圈在平衡位置,转动一个角度后,线圈两边受力不平衡,线圈会持续转动;小金用手轻轻把电刷(铜片)弯曲一下,线圈就转动起来,则她的线圈不转的原因是:换向器与电刷接触不良,无电流通过,也可能是摩擦过大,调整后摩擦力小了,线圈转动;若小星在原磁体上加一块磁体,线圈就转动起来,则她的线圈不转的原因是磁体磁性太弱.(2)直流电动机的转动方向与磁场方向和电流方向有关;线圈正常转动后,若把电源的两极对调一下,电流方向改变,所以观察到线圈转动的方向发生变化;若改变线圈中的电流大小,观察到线圈转动的速度发生变化.(3)许多家用电器用到电动机,日常家电中装有电动机的有:电风扇、洗衣机等.4.下列是创新小组对电流磁场的研究.(1)如图甲所示的实验,闭合开关前,小磁针静止且能指向南北,这是因为_____的作用;闭合开关后,导线下方的小磁针偏转,说明通电导体周围存在_____,这一发现是丹麦科学家_____首先完成的.(2)为探究通电直导线周围的磁场分布情况,用小磁针、铁屑、硬纸板等做了如图乙所示的实验,发现了直导线周围的磁场是以导线为圆心的同心圆圈,根据图乙的情景判断图丙中小磁针N极将_____.(选填“转向纸内”、“转向纸外”或“保持不动”).改变电流的方向,小磁针N极的指向_____(选填“不变”或“变化”).(3)在做“探究通电螺旋管外部磁场的方向”的实验时,在螺线管周围摆放了一些小磁针通电后小磁针的指向如图丁所示,由此可看出通电螺线管外部的磁场与_____磁体的磁场相似.改变螺线管中的电流方向,发现小磁针静止时北极所指方向与原来相反,由此可知:通电螺线管外部磁场方向与螺线管的_____方向有关.(4)写出增强通电螺线管周围磁场的一个方法_____.【答案】地磁场磁场奥斯特转向纸外变化条形电流增大电流【解析】解答:(1)如图所示的实验,闭合开关前,小磁针静止且能指向南北,这是因为地磁场的作用;闭合开关后,导线下方的小磁针偏转,说明通电导体周围存在磁场,这一发现是丹麦科学家奥斯特首先完成的;(2)伸出右手,大拇指指向电流的方向,四指的方向为磁场的方向,故导体正下方磁场方向向外,即小磁针静止时N极的指向为纸外;改变电流的方向,小磁针N极的指向改变;(3)如图丁所示,由此可看出通电螺线管外部的磁场与条形磁体的磁场相似.改变螺线管中的电流方向,发现小磁针静止时北极所指方向与原来相反,说明通电螺线管外部磁场方向与螺线管中的电流方向有关;(4)通电螺线管的磁性强弱由三个因素决定:线圈的匝数、线圈中的电流大小、有无铁芯;故若想增强通电螺线管周围磁场,可以增大电流,插入铁芯等均可.点睛:(1)地球周围存在着磁场,即地理的南极是地磁的北极,地理的北极是地磁的南极;奥斯特实验说明通电导线周围存在着磁场,磁场的方向与电流的方向有关;(2)先根据安培定则判断出通电导体下方磁场的方向,然后根据小磁针静止时,北极的指向为磁场方向可知小磁针N极的指向;通电导体周围磁场的方向与电流的方向有关.(3)通电螺线管的磁场分布与条形磁体相似,且磁场的方向与电流的方向有关;(4)通电螺线管的磁性强弱由三个因素决定:线圈的匝数、线圈中的电流大小、有无铁芯.因此要增强通电螺线管的磁性就要从这三个因素入手考虑.5.如图所示是研究电流磁效应的示意图.(1)实验中的直导线是沿_____(填“南北”或“东西”)方向放置在小磁针的上方的.(2)实验结论是_____周围存在磁场,支持此结论的现象是_____.如果移走小磁针,该结论_____(选填“成立”或“不成立”).(3)如果探究磁场方向与电流方向的关系,应进行的实验是_____.(4)首先发生该现象的科学家是_____.(5)为了研究通电螺线管周围的磁场,如图,小明在一块有机玻璃板上安装了一个用导线绕成的螺线管,在板面上均匀撒满铁屑,通电后轻敲玻璃板,铁屑的排列如图所示.下列说法正确的是_____A.如图中P、Q两点相比,P点处的磁场较强B.若只改变螺线管中的电流方向,P、Q两点处的磁场会减弱C.若只改变螺线管中的电流方向,P、Q两点处的磁场方向会改变D.若只增大螺线管中的电流,P、Q两点处的磁场方向会改变.【答案】南北电流导线将通电导体放在小磁针上方时,小磁针会发生偏转成立改变电流方向,观察小磁针的偏转方向奥斯特 C【解析】(1)由于地磁场的作用,小磁针会位于南北方向,要能观察到小磁针由于通电导线产生的磁效应面产生的偏转,通电直导线不能放在东西方向,这样观察到小磁针的偏转,应将放置在平行南北方向,并且在小磁针正上方;(2)实验结论是电流导线周围存在磁场,支持此结论的现象是将通电导体放在小磁针上方时,小磁针会发生偏转.如果移走小磁针,该结论成立.(3)如果探究磁场方向与电流方向的关系,应进行的实验是改变电流方向,观察小磁针的偏转方向.(4)首先发生该现象的科学家是奥斯特.(5)由图可以看出通电螺线管的磁场和条形磁体的磁场一样,并且可以看到Q点铁屑的分布比P点密集,由此可以确定Q点的磁场比P点强;螺线管周围磁场方向与螺线管中的电流方向有关,螺线管周围磁场强弱与螺线管中的电流大小有关,若只改变螺线管中的电流方向, P、Q两点处的磁场方向会改变, P、Q两点处的磁场减弱不变;若只增大螺线管中的电流,P、Q两点处的磁场方向不改变,故C正确.6.归纳式探究—.研究电磁感应现象中的感应电流:磁场的强弱用磁感应强度描述,用符号B表示,单位是特斯拉,符号是T.强弱和方向处处相同的磁场叫做匀强磁场.如图甲所示,电阻R1与圆形金属线圈R2连接成闭合回路,R1和R2的阻值均为R0,导线的电阻不计,在线圈中半径为r的圆形区域内存在垂直于线圈平面向里的匀强磁场,磁感应强度B随时间t变化的关系图象如图乙所示,图线与横、纵坐标的截距分别为t0和B0.则0至t1时间内通过R1的电流I与阻值R0、匀强磁场的半径r、磁感应强度B0和时间t0的关系数据如下表:次数R0/Ωr/m B0/T T0/s I/A1100.11.00.15π×l0-22200.11.00.12.5π×l0-23200.21.00.110π×l0-24100.10.30.11.5π×l 0-25200.10.10.050.5π×l0-2(1)I =_____k ,其中k =________(填上数值和单位)(2)上述装置中,改变R 0的大小,其他条件保持不变,则0至t 1时间内通过R 1的电流I 与R 0的关系可以用图象中的图线____表示.【答案】2000B r R t 25A sT m π⋅Ω⋅⨯ c 【解析】 【分析】 【详解】(1)[1]由图像分析可得2EI R=……………1 E t∆Φ=∆...............2 =?S B ∆Φ∆ (3)120+2R R R R == (4)由1234联立得:22000022B B r r I t R t R ππ∆=⋅=⋅∆由于2π为定值,故 2000B r I k R t =[2]将第一组数据带入上式得:k =25A sT m π⋅Ω⋅⨯(2)[3]若R 0变,其他为定值,则2002B r t π均为定值,可看作0'k I R =,此为反比例函数,故可用图线c 表示.7.用如图所示的实验装置探究“产生感应电流的条件”。