隧道项目车流量、汽车尾气计算
- 格式:xlsx
- 大小:18.30 KB
- 文档页数:2
猴山隧道(南线)通风计算书一、通风量计算 1、是否设置机械通风 根据交通量预测:高峰小时设计交通量为: =33225×10%=3323L ×N=930×3323=3.09×106≥2.0×106故需设置机械通风。
2、通风计算(1)人车混合通行的隧道设计风速不应大于7m/s 。
(2)人车混合通行的隧道CO 设计浓度为150ppm 。
(3)采用纳灯光源时,烟雾设计浓度:0.009。
需风量计算: (1)CO 排放计算当计算行车速度为40Km/h 时:∑=∙∙∙∙∙∙∙∙⨯=nm m m iv h d a co COf N L f f f f q Q 16)(106.31 =6106.31⨯×0.01×1.0×1.5×1.05×1.0×930×(1661.5×5+1661.5×1.0) =0.0406m 3/s取上述计算值0.0406 m 3/s 。
(2)稀释CO 的需风量计算600)(10⨯∙∙=T Tp p Q Q COCO req δ =0.0406/150×1×303/273×106 =300.4 m 3/s (3)烟雾排放量计算当计算行车速度为40Km/h 时:∑=∙∙∙∙∙∙∙∙⨯=nm VI m m VI iv VI h d VI a VI VI f N L f f f f q Q 1)()()()(6)(106.31=6106.31⨯×2.5×1×1.5×1.05×0.958×930×(1661.5×1.5+1661.5×0.4) =4.0477 m 3/s 取上述计算值2.03 (4)稀释烟雾需风量计算KQ Q VI VI erq =)( =2.03/0.009=449.7m 3/s (5)自然风阻力 隧道当量直径:隧道断面周长rr A D ⨯=4=4×79.046/35.0606=9.02m22)1(n r r e m D L p υρλξ∙∙∙++=∆ =(1+0.6+0.02×930/9.02)×1.2/2×9 =19.775N/m 2(6)交通通风力 汽车等效阻抗面积cl cl cs cs m A r A r A ξξ∙⨯+∙∙-=11)1(=0.5×2.13×0.5+0.5×5.37 =3.2175m 2r req r A Q v /==449.7/79.046=5.689 m/s交通风阻力计算: v t =40/3.6=11.111m/s tv LN n ⨯∙=3600=3323×930/(3600×11.111)=77.26辆22)(2)(2r t r m r t r m t v v n A A v v n A A p +∙∙∙--∙∙∙=∆--++ρρ=3.2175/79.046×1.2/2×77.26×(11.111-5.689)2 =55.47N/m 2(7)通风阻抗力22)1(r r r e r D L p υρλξ∙∙∙++=∆=(1+0.6+0.02×930/9.02)×1.2/2×5.6892 =71.11 N/m 2(8)风机数量计算采用SDS90T-4P-18.5型射流风机, 每台射流风机升压力为:=1.2×29.6×29.6×0.635135/79.046×(1-3.204/29.6)×0.85=6.403 N/m2所需风机台数:j tm rp pppi∆∆-∆+∆== (77.11+19.775-55.47)/6.403=6.5台。
基本资料道路等级:高速公路,分离式双向四车道设计时速=100km/h =27.78m/s 右线隧道长度L=1300m 纵坡i = 2.0%L1=1300左线隧道长度L=0m 纵坡-i =-1.5%L2=隧道断面积Ar =68m2隧道当量直径D =8.41m 设计交通量:近期2990中期4004远期7872高峰小时交通量按日交14%交通组成:汽油车:小轿车100%小型客车0%小型货车0%中型货车柴油车:中型货车100%大型客车0%大型货车0%空气密度:ρ=1.2Kg/m3隧道内平均气温:t m =20℃隧址处自然风风速:v n =2m/s隧道沿程摩擦阻力系数λ=0.022进口局部阻力系数ζ=0.600海拔高度H1=92H2=111.50H3=111.50通风方式近期单洞设计高峰小时230辆/h 中期单洞设计高峰小时308辆/h 远期单洞设计高峰小时606辆/hL*N=7.88E+05>2.00E+06定需要机械通风需风量计算co设计浓度δ=250+50+(1300-1000)*(200-250)/(3000-1000)=292.5ppm交通阻滞是co设计浓度:300ppm烟雾设计浓度K=0.10065m-1近期co的sum(Nm*fm)=168*1.0+126*1.0+126*2.5+126*5.0+126+84+84=460.5中期co的sum(Nm*fm)=284*1.0+213*1.0+213*2.5+213*5.0+213+142+142=616.6远期co的sum(Nm*fm)=387*1.0+290*1.0+290*2.5+290*5.0+290+193+193=1212.3近期烟雾的sum(Nm*fm)126*1.0+84*1.5+84*1.5=230.2中期烟雾的sum(Nm*fm)213*1.0+142*1.5+142*1.5=308.3远期烟雾的sum(Nm*fm)290*1.0+193*1.5+193*1.5=606.1co排放量计算qco=0.01fa=1fh1=0.834第一段平均海拔高度=(92+111.49)/2=101.749fh2=0.834第二段平均(92+111.4101.749基本资料道路等级:高速公路,分离式双向四车道设计时速=100km/h=27.78m/s 右线隧道长度L=1300m 纵坡i = 1.5%L1=1300左线隧道长度L=0m 纵坡-i =-1.5%L2=隧道断面积Ar =68m2隧道当量直径D =8.41m 设计交通量:近期2990中期4004远期7872高峰小时交通量按日交14%交通组成:汽油车:小轿车100%小型客车0%小型货车0%中型货车柴油车:中型货车100%大型客车0%大型货车0%空气密度:ρ=1.2Kg/m3隧道内平均气温:t m =20℃隧址处自然风风速:v n =2m/s隧道沿程摩擦阻力系数λ=0.022进口局部阻力系数ζ=0.600海拔高度H1=92H2=111.50H3=111.50通风方式近期单洞设计高峰小时230辆/h 中期单洞设计高峰小时308辆/h 远期单洞设计高峰小时606辆/hL*N=7.88E+05>2.00E+06定需要机械通风需风量计算co设计浓度δ=250+50+(1300-1000)*(200-250)/(3000-1000)=292.5ppm交通阻滞是co设计浓度:300ppm 烟雾设计浓度K=0.10065m-1近期co的sum(Nm*fm)=168*1.0+126*1.0+126*2.5+126*5.0+126+84+84=460.5中期co的sum(Nm*fm)=284*1.0+213*1.0+213*2.5+213*5.0+213+142+142=616.6远期co的sum(Nm*fm)=387*1.0+290*1.0+290*2.5+290*5.0+290+193+193=1212.3近期烟雾的sum(Nm*fm)126*1.0+84*1.5+84*1.5=230.2中期烟雾的sum(Nm*fm)213*1.0+142*1.5+142*1.5=308.3远期烟雾的sum(Nm*fm)290*1.0+193*1.5+193*1.5=606.1co排放量计算qco=0.01fa=1fh1=0.834第一段平均海拔高度=(92+111.49)/2=101.749fh2=0.834第二段平均(92+111.4101.749δ=300Po=101.325To=273T=293P=102.5349Δp=4804004004004004000%0%。
题目摘要:本文首先在归纳总结现有机动车尾气评价模型的基础上,考虑机动车保有量、排放标准、车辆排量、排放因子和交通运行情况等因素,结合居民出行得到城市范围内机动车污染物排放模型。
其次,通过介绍隧道测试试验,推导排放模型中的排放因子表达式。
最后,分析介绍机动车排放污染与隧道通风的关系,并利用实测数据,对隧道内机动车排放污染含量进行建模计算。
关键词:机动车污染尾气排放因子隧道通风Title(College of Civil Engineering and Architecture, Zhejiang University, Hangzhou 310058, China) Abstract:It firstly developed a vehicle pollutant emission model considering various factors combined with resident trip including vehicle possession, emission standard, displacement, emission factors and traffic condition based on a summary of existing vehicle emission evaluation models. Then the expression of emission factors in the model was derived from tunnel tests. Finally, the relationship between vehicle pollutant emission and tunnel ventilation was analyzed and the vehicle pollutant emission level in the tunnel was calculated by the simple model deduced from filed measurement and t he ventilation theory of vehicular tunnel.Key words:vehicle pollution, emission, emission factors, tunnel ventilation0 引言机动车排放污染己成为城市大气污染的重要来源,而机动车保有量高速增长和出行比例的不断提高造成的城市交通拥堵又加剧了机动车排放的污染程度,合理的交通出行结构也可以促进交通环境改善。
2.2 风量计算隧道内所需风量按照以下几种计算方法进行计算,并取计算结果的最大值作为供风的标准。
2.2.1 按洞内同时工作的最多人数计算Q2=qmk(m3/min);q- 每人每分钟呼吸所需空气量q=4m3/min;m- 同时工作人数,正洞取m=50人;k- 风量备用系数,取k=1.2;由此得Q1=qmk=4×50×1.2=240m3/min;2.2.2 按稀释内燃设备废气计算工作面风量Q2=K1K2ΣN内燃机功率使用有效系数K;内燃机功率工作系数K;内燃机功率之和ΣN=623kW;隧道洞内内燃机在出渣时,有ZLC50侧卸式装载机一台〔145KW〕、日立250挖机一台〔功率122〕,以及CQ1261T 自卸汽车4台〔两台满载99KW、两台空载79KW〕。
内燃机每千瓦需要风量3m3/min;Q2=3K1K2ΣN=897m3/min2.2.3 按允许最低平均风速计算Q3=60AV;A- 隧道开挖断面面积,取A=50 m2;V- 允许最小风速,取;Q3=60AV=60×50×0.15=450m3/min;2.2.4 按照爆破后稀释一氧化碳至许可最高浓度计算采用压入式通风:工作面需要风量式中:t- 通风时间,取t=30min;G- 同时爆破炸药用量,按V级围岩考虑,每循环最大进尺取3.5m,正洞炸药用量取kg/m3,则G=50×3.5×=kg;A- 隧道断面积,取A=50m2;L- 掌子面满足下一循环施工的长度,取120m;则采用压入式通风时,工作面需要风量带入公式中:=488m3/min;取上述四种计算中的最大值作为通风设计量,即风量为稀释内燃设备废气计算工作面风量897,外加人员呼吸风量240合计1137m3/min。
根据施工安排单口掘进最大长度按L=1446m。
风管漏风系数Pc=1/〔1-β〕l /10 姨姨 0 ,(β,L=2800m);通风机供风量Q 供=Pc Q4;则Q 供×1137=1842m3/min,取:2000m3/min。
尾气排放数量计算公式尾气排放是指机动车在行驶过程中产生的废气排放,其中包括一氧化碳、氮氧化物、氮氧化合物、非甲烷挥发性有机物等有害物质。
尾气排放的数量直接影响着环境空气质量和人类健康。
因此,对尾气排放数量进行准确的计算和监测显得尤为重要。
尾气排放数量的计算公式可以帮助我们更好地了解尾气排放的情况,从而采取相应的措施来减少尾气排放对环境和健康的影响。
下面我们将介绍尾气排放数量的计算公式及其相关内容。
尾气排放数量计算公式的基本原理是根据车辆的燃料消耗量和燃料的成分来计算尾气排放的数量。
一般来说,尾气排放数量的计算公式可以表示为:E = V × EF。
其中,E代表尾气排放的数量,V代表车辆的行驶里程,EF代表单位行驶里程尾气排放因子。
首先,我们需要确定车辆的行驶里程V。
车辆的行驶里程可以通过车辆的里程表来获取,或者通过GPS定位系统来实时监测车辆的行驶路线和里程。
其次,我们需要确定单位行驶里程的尾气排放因子EF。
尾气排放因子是指车辆在行驶过程中单位里程所排放的尾气排放量。
尾气排放因子的确定需要考虑车辆的类型、使用的燃料、排放标准等因素。
一般来说,不同类型的车辆和不同种类的燃料会有不同的尾气排放因子。
在实际的计算过程中,我们还需要考虑到一些修正因素,如车辆的行驶速度、行驶路况、气候条件等因素,这些因素都会对尾气排放数量的计算产生影响。
除了上述的基本原理和公式外,尾气排放数量的计算还需要考虑到一些特殊情况。
比如,对于混合动力车辆、电动车辆等新型车辆,尾气排放数量的计算需要考虑到不同的动力来源和能源消耗情况。
此外,对于特定的行驶环境和特殊的车辆使用情况,也需要对尾气排放数量的计算进行相应的修正和调整。
尾气排放数量的计算公式可以帮助政府部门、环保机构和企业单位更好地了解车辆尾气排放的情况,从而制定相应的环保政策和措施。
同时,对尾气排放数量进行准确的计算和监测也可以帮助车主和驾驶员更好地了解自己车辆的排放情况,从而采取相应的节能减排措施,减少尾气排放对环境和健康的影响。
第四章 隧道通风计算一、隧道需风量计算1.隧道通风的基本参数:道路等级: 一级公路,单洞双车道; 计算行车速度: 60/t v km h =; 空气密度: 31.20/;kg m ρ= 隧道坡度: 1 2.20%i = 隧道的断面面积: 262.45r A m =; 隧道的轮廓周长: 30.74S m =; 隧道当量直径: 4/8.13;r r D A S m == 设计交通量:近期(2020年):12000辆/日(标准车) 远期(2030年):24000辆/日(标准车)高峰小时交通量按日交通量的14%计算交通组成(上行线)汽油车:小型客车15%,小型货车18%,中型货车24% 柴油车:中型货车24%,大型客车13%,大型货车6% 隧道内平均气温: 020;m t C = 2.确定CO 排放量(1)取CO 基准排放量为(按每年1.5%递减)(1995年30.01/CO q m km =•辆):30.0069/CO q m km =•近辆; 30.0059/CO q m km =•远辆(2)考虑CO 的车况系数:1.0。
(3)依据规范,分别考虑工况车速60 km/h,40 km/h,20 km/h,10 km/h (阻滞)。
不同工况下的速度修正系数iv f 和车密度修正系数d f 如表1-1所示。
不同工况车速iv f 、d f 值 表1-1(平均海拔高度:(1309.781271.72)/21290.75H m =+=, 1.520h f =; (5)考虑CO 的车型系数如表1-2所示。
考虑CO的车型系数 表1-2 2020年:高峰小时交通量为12000×14%×0.5=840(辆•中型车/高峰小时) 其中汽油车:小型客车126,小型货车151,中型货车201。
柴油车:中型货车201,大型客车110,大型货车512030年:高峰小时交通量为24000×14%×0.5=1680(辆•中型车/高峰小时) 其中:汽油车:小型客车252,小型货车302,中型货车403。
车尾气中所含污染物的多少与汽车行驶条件关系很大:汽车在空档时THC和CO浓度最高;低速时THC和CO浓度较高;高速时NOx浓度较高,THC和CO浓度较低.由于汽车在进出停车场时一般是低速行驶,因此THC和CO排放量较大.汽车在不同行驶速度时污染物排放状况见表23:表23汽车尾气中各组分浓度与行驶速度关系表汽车尾气组分空档低速高速NOx 0-500PPm 1000 4000CO2 6.5-8% 7-11% 12-13%H2O 7-10% 9-11% 10-11%O2 1.0-1.5% 0.5-2.0% 0.1-0.4%CO 3-10% 3-8% 1-5%H2 0.5-4.0% 0.2-1.0% 0.1-0.2%THC 300-8000 200-500 100-300汽车尾气污染物的排放按下列公式计算:废气排放量:D=QT<K+1>A/1.29式中:D——废气排放量,m3/h;Q——汽车进出车库流量,辆/h;T——车辆在车库〔场〕内运行时间,min;K——空燃比,12:1;A——燃油耗量,kg/min.污染物排放量:G=DCF式中:G——污染物排放量,kg/h;C——污染物的排放浓度,ppm〔容积比〕;F——容积与质量换算系数该项目共有2个地下车库,其一是居民2号楼、3号楼与配套公建楼共用的,车库出入口设有两个〔称为一地下车库〕;其二是4号楼单独使用〔称为二地下车库〕,车库出入口设有一个,见《图一、平面布置图》.通风机的排风口高度均约5m.根据设计方案与类比资料调查,确定该项目地下停车库汽车尾气计算参数,见表24.表24项目A块地与BCD块地地下停车库汽车尾气计算参数停车泊位〔个〕日进出单车次数〔次/日〕日最大车流量〔辆/日〕高峰进出车辆数〔辆/小时〕一地下车库 394 4 1576 394二地下车库 95 4 380 95以车辆进入车库为空挡怠速状态运行,泊位时行驶时间约为2分钟,空燃比:12:1,平均耗油量为0.0375kg/min.该项目高峰段出入停车坪的汽车尾气排放源强计算结果见表25.表25地下车库大气污染物排放源强计算结果项目排气量〔m3/h〕污染物排放浓度〔mg/m3〕排风竖井污染物排放率〔kg/h〕NOx CO THC NOx CO THC一地下车库 404000 1.50 27.5 0.767 0.606 11.1 0.310二地下车库 101000 1.48 26.9 0.752 0.594 10.8 0.303最高允许排放浓度〔mg/m3〕 - 240 30 120 - - -最高允许排放速率〔kg/h〕 - - - - 16 - 100注:由于我国尚无为停车库制定的排放标准,为了进行环境评价,参照执行GB16297-1996《大气污染物综合排放标准》中NOx、非甲烷总烃限值以与TJ36-1979《工业企业设计卫生标准》中CO的最高允许浓度.方法一车辆进出停车场刹车、怠速与启动时废气污染物排放量大,废气中主要为CO、 NOx.对车库汽车尾气影响预测,采用以下估算模式:C〔mg/m3〕= W*S*B*D*T*C/<H*V>式中:C----车库内污染物预测浓度〔mg/m3〕;Ci----尾气中某污染物多年平均浓度〔mg/m3〕;V----地下车库容积〔m3〕;T----汽车在车库内发动机工作时间〔min〕,取T=2min;S----车位平均利用率〔%〕;B----各类车辆比例〔%〕;W----停车位〔个〕;D----单车排气量〔m3/min〕;H----单位时间换气次数,〔次/h〕.<4> 估算参数拟采用集中式送、排风系统排烟换气,各估算参数的具体取值见表7-3.表7-3估算参数限值一览表方法二停车场的汽车尾气排放量与汽车在停车场内的运行时间和车流量有关.一般汽车出入停车场的行驶速度要求不大于5km/h,出入口到泊位的平均距离如按照50m计算,汽车从出入口到泊位的运行时间约为36 s;从汽车停在泊位至关闭发动机一般在1s~3s;而汽车从泊位启动至出车一般在3s~3min,平均约1.5min,故汽车出入停车场与在停车场内的运行时间约为2min.根据调查,车辆进出停车场的平均耗油速率为0.2升/分钟,即0.15公斤/分钟.地下车库建筑面积19498m2,共619个停车位,两层高度10.8米,估算地下车库体积约为210578.4立方米.根据《环境保护实用数据手册》,汽车废气主要污染物浓度参见下表:表机动车怠速和正常行驶时主要污染物排放系数〔部分〕汽车废气主要污染物体积浓度与质量一体积浓度换算系数分别为CO1.25,HC3.21,NO22.05.汽车耗油量与汽车状态有关,根据统计资料与类比调查,车辆进出车库<车速小于5公里/时>平均耗油量为.当汽车进出停车库时,平均空燃比约为12∶1.汽车尾气污染物的排放按下列公式计算:废气排放量:D=QT<K+1>A/1.29污染物排放量:G=DCF式中: G——污染物排放量,kg/hC——污染物的排放浓度,ppm〔容积比〕F——容积与质量换算系数Q——汽车车流量,辆/hT——车辆在车库运行时间k——空燃比A——燃油耗量,kg/min根据《汽车库建筑设计规X》〔JGJ100—98〕中要求每小时通风次数不小于6次,按停车库体积与单位时间换气次数,计算单位时间废气排放量,再按照污染排放速率,计算各停车库的污染排放浓度,计算公式如下:式中:n——单位时间换气次数;取八次V—一停车库体积G——污染物排放速率,kg /h;C——污染排放浓度,mg/m3根据以上公式和参数计算的结果如下表:地下停车库高峰时期废气源强与排放速度。
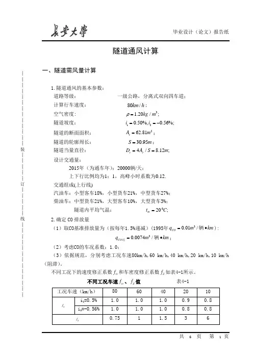
┊┊┊┊┊┊┊┊┊┊┊┊┊装┊┊┊┊┊订┊┊┊┊┊线┊┊┊┊┊┊┊┊┊┊┊┊┊隧道通风计算一、隧道需风量计算1.隧道通风的基本参数:道路等级:一级公路,分离式双向四车道;计算行车速度:80/km h;空气密度: 31.20/;kg mρ=隧道坡度:120.50%,0.56%;i i==-隧道的断面面积:262.81rA m=;隧道的轮廓周长:30.95S m=;隧道当量直径:4/8.12;r rD A S m==设计交通量:2015年(为通车年):20000辆/天;上下行比例均为1:1,高峰小时系数为0.12.交通组成(上行线)汽油车:小型客车18%,小型货车21%,中型货车27%;柴油车:中型货车21%,大型客车10%,大型货车3%;隧道内平均气温:020;mt C=2.确定CO排放量(1)取CO基准排放量为(按每年1.5%递减)(1995年30.01/COq m km=∙辆):30.0074/COq m km=∙近辆;(2)考虑CO的车况系数:1.0;(3)依据规范,分别考虑工况车速80km/h,60 km/h,40 km/h,20 km/h,10 km/h (阻滞)。
不同工况下的速度修正系数ivf和车密度修正系数df如表4-1所示。
不同工况车速ivf、df值表4-1┊┊┊┊┊┊┊┊┊┊┊┊┊装┊┊┊┊┊订┊┊┊┊┊线┊┊┊┊┊┊┊┊┊┊┊┊┊(4)考虑CO的海拔高度修正系数:第一段平均海拔高度:1(1320.01330.0)/21325.0H m=+=,11.5139hf=;第二段平均海拔高度:2(1330.01320.37)/21325.185H m=+=,21.5140hf=;(5)考虑CO的车型系数如表4-2所示。
考虑CO的车型系数表4-22015年:单洞高峰小时交通量: 20000×50%×0.12=1200辆/h;汽油车:小型客车216辆/h,小型货车252辆/h,中型货车324辆/h;柴油车:中型货车252辆/h, 大型客车120辆/h,大型货车36辆/h;(7)计算各工况车速下隧道CO排放量:80/tv km h=时,611()3.610nCO CO a d h iv m mmQ q f f f f L N f==⨯⨯⨯⨯⨯⨯⨯⨯⨯∑()610.0074 1.00.75(1.5139 1.02000 1.5140 1.01736)3.61025212036 1.0216 1.0252 2.5324 5.0=⨯⨯⨯⨯⨯⨯+⨯⨯⨯⨯++⨯+⨯+⨯+⨯⎡⎤⎣⎦232.50610/m s-=⨯同样可以计算其他各工况下CO排放量如表5-3所示:各工况车速下CO排放量(单位:10-2m3/s)表4-3(8)最大CO排放量:由上述计算可以看出,在工况车速为20km/h时,CO排放量最大;238.55610/COQ m s-=⨯+3.稀释CO的需风量(1)根据规范,取CO设计浓度为:250ppmδ=。
隧道项目车流量、汽车尾气计算表3-1 交通量预测表特征年2014年2025年2033年车型小型车日交通量375846455193构成比例(%)90PCU(标准小客车数)=车流量*小车比例*小车折算系数+车流量*中车比例*中车折算系数+车流车型小型车中型车大型车比例(%)1 1.52高峰小时车流量按全天24小时交通量的8%,昼间按16小时,夜间按8小时,夜间交通量按全天交路段名称时间2014年2025年2033年昼间平均(辆/h )199246276夜间平均(辆/h )4455612014年(近期)日平均(辆/d )3545438248992025年(中期)高峰小时(辆/h )2843513922033年(远期)总计小型车中型车大型车CO 2014年2842552360.0582025年3513162870.0422033年3923533180.047小型车中型车大型车CO 0.6 1.2 4.8NO x 0.6 2.2 5.4HC 0.20.9 1.8CO 0.310.92 3.96NO x 0.29 1.55 3.8HC 0.110.63 1.23路段全长(585m )隧道内各时段高峰期空气车辆构成情况表4-6 国III和国IV标准的机动车排放限值单位:mg/m?辆各时段高峰期空气污染物源强估算单位:mg/m?s道路交通量年份路段年份车流量(辆/h )(高峰期)污染双向合计车型国Ⅲ国IV 各种车型换算系数中客车大型车82数+车流量*大车比例*大车折算系数时,夜间交通量按全天交通量的10%计算。
总车流量小中大总车流量小中大199179164444041246222205554941276248226615551NO 2HC 0.0650.0230.0450.0170.0500.019CO NO X HC 2014年0.1210.1370.0482025年0.0890.0950.0362033年0.0990.1060.040年份污染物隧道内各时段高峰期空气污染物排放源强单位:kg/h成情况表表3-11 各年限不同车型流量昼间车流量(辆/h )夜间车流量(辆/h )污染物∑=-=3113600i iji j E A Q。
汽车尾气排放系数核算
汽车尾气排放系数核算
▲以平均每天进出检测站80辆汽车,平均每辆车运行用汽油0.1L 计算,汽车尾气污染物排放量约为CO:0.608t/a,NO2:0.076t/a,烃类:0.120t/a。
▲根据《环境保护实用数据手册》,汽车燃油排放的污染物种类主要是NO2、烃类,其各种污染物排放系数如表12所示:表12 汽车燃油污染物排放系数
汽车尾气排放量与汽车在车间内的运行时间和车流量有关。
据调查一般汽车在简易工况法检测尾气时共在车间内运行约230s,据调查其平均耗油量为0.20L/km,则每辆汽车进出停车场产生的废气污染物的量可由下式计算:
g= f·M
式中:f—大气污染物排放系数(g/L汽油),具体见表12;
M—汽车耗油量(L);
项目年检测机动车2万辆,则检测车间废气排放量约为NO2:27.0kg/a,烃类:42.6kg/a。
由于项目检测车间进出口为敞开式,空气对流性强,在检测车间设置排风装置,污染物排放满足《大气污染物综合排放标准》(GB16297-2012)中相关规定。
公路整车排放量计算公式
公路整车排放量的计算涉及多个因素,包括车辆类型、燃料类型、行驶里程等。
一般来说,公路整车排放量的计算公式可以分为
两部分,尾气排放和燃料蒸发排放。
首先,我们来看尾气排放的计算。
尾气排放量通常由车辆的燃
料消耗量和燃料的碳含量来计算。
一般的计算公式为:
尾气排放量 = 车辆燃料消耗量× 燃料的碳含量× 排放系数。
其中,车辆燃料消耗量可以根据车辆的实际行驶里程和燃料消
耗率来计算;燃料的碳含量是指燃料中碳元素的含量,不同类型的
燃料其碳含量也不同;排放系数则是指针对特定车辆和燃料类型的
标准排放系数,通常由相关标准或测试得出。
其次,燃料蒸发排放的计算也需要考虑。
燃料蒸发排放量通常
由燃料的挥发性和温度等因素来计算。
一般的计算公式为:燃料蒸发排放量 = 燃料挥发量× (1 燃料完全燃烧率)。
燃料挥发量是指燃料在特定温度下的挥发量,而燃料完全燃烧率则是指燃料在车辆行驶过程中完全燃烧的比率。
综合考虑尾气排放和燃料蒸发排放,可以得出公路整车排放量的综合计算结果。
需要注意的是,不同地区、不同国家对于公路整车排放量的计算方法和标准可能会有所不同,因此在实际应用中需要结合当地的相关规定和标准进行计算。
根据统计资料及类⽐调查,车辆进出车库(怠速<5km/h)平均耗油量为0.10L/min(90号⽆铅汽油的密度为0.713kg/L),正常⾏驶(车速>5km/h)平均耗油量为0.10L/km。
根据对其它同类型车库的类⽐调查和有关资料,车库产⽣的主要污染物为汽车所排放的废⽓中所含的CO、HC和NO2,汽车尾⽓主要污染因⼦及排放的浓度范围参见表4-2。
表4-2 汽车废⽓主要污染物浓度(容积⽐)污染物单位汽油车CO % <2HC ppm <1000NO2 ppm <2500 汽车库废⽓主要由风机抽送,另有部分废⽓经车库出⼊⼝向外扩散,属⽆组织排放。
另⼀⽅⾯,在相同耗油量的情况下,汽车尾⽓污染物排放量还与空燃⽐有关。
空燃⽐指汽车发动机⼯作时,&考试⼤&空⽓与燃油的体积⽐。
当空燃⽐较⼤时(>14.5),燃油完全燃烧,产⽣CO2及H2O,当空燃⽐较低时(<14.5),燃油不充分燃烧,将产⽣CO、HC和NO2等污染物。
据调查,当汽车进出停车库时,平均空燃⽐约为12:1。
汽车尾⽓中CO、HC和NO2浓度随汽车⾏驶状况不同⽽有较⼤差别,根据汽车尾⽓监测数据统计及有关资料,汽车在怠速与正常⾏驶时所排放的各污染物浓度见表4-3。
表4-3 汽车废⽓中各污染物浓度(容积⽐)污染物单位怠速正常⾏驶CO % 4.07 2HC ppm 1200 400NO2 ppm 600 1000 ①汽车废⽓中污染物源强计算公式废⽓排放量按下式计算式中: D—废⽓排放量,m3/h; Q—汽车车流量,v/h; T—车辆在车库运⾏的时间,min; k—空燃⽐; A—燃油耗量,kg/min; 污染物排放量按下式计算式中: G—污染物排放量,kg/h; C—污染物的排放浓度,容积⽐,ppm; f—容积与质量换算系数。
②汽车尾⽓污染物排放源强计算结果按上述有关参数和计算公式,并设车库每天开放时间为12h,则计算得到地下车库废⽓排放源强见表4-4。
表3-1 交通量预测表
特征年2014年2025年2033年车型小型车
日交通量375846455193构成比例
(%)90PCU(标准小客车数)=车流量*小车比例*小车折算系数+车流量*中车比例*中车折算系数+车流
车型小型车中型车大型车
比例(%)
1 1.52高峰小时车流量按全天24小时交通量的8%,昼间按16小时,夜间按8小时,夜间交通量按全天交
路段名称
时间2014年2025年2033年昼间平均(辆/h )199246276夜间平均(辆/h )4455612014年(近期)日平均(辆/d )3545438248992025年(中期)高峰小时(辆/h )
284
351
392
2033年(远期)
总计小型车中型车大型车
CO 2014年
2842552360.0582025年
3513162870.0422033年
3923533180.047小型车中型车大型车
CO 0.6 1.2 4.8NO x 0.6 2.2 5.4HC 0.20.9 1.8CO 0.310.92 3.96NO x 0.29 1.55 3.8HC 0.110.63 1.23
路段全长
(585m )
隧道内各时段高峰期空气
车辆构成情况
表4-6 国III和国IV标准的机动车排放限值 单位:mg/m•辆
各时段高峰期空气污染物源强估算 单位:mg/m•s
道路交通量
年份路段年份
车流量(辆/h )(高峰期)
污染
双向合计
车型国Ⅲ
国IV 各种车型换算系数
中客车大型车82
数+车流量*大车比例*大车折算系数
时,夜间交通量按全天交通量的10%计算。
总车流量小中大总车流量小中大199179164444041246222205554941276
248
22
6
61
55
5
1
NO 2HC 0.0650.0230.0450.0170.050
0.019
CO NO X HC 2014年0.1210.1370.0482025年0.0890.0950.0362033年
0.099
0.106
0.040
年份污染物
隧道内各时段高峰期空气污染物排放源强 单位:kg/h
成情况表
表3-11 各年限不同车型流量
昼间车流量(辆/h )
夜间车流量(辆/h )污染物
∑=-=3
1
13600i ij
i j E A Q。