汽车尾气源强估算
- 格式:xls
- 大小:27.50 KB
- 文档页数:1
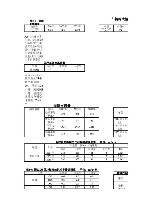
表3-1 交通量预测表特征年2014年2025年2033年车型小型车日交通量375846455193构成比例(%)90PCU(标准小客车数)=车流量*小车比例*小车折算系数+车流量*中车比例*中车折算系数+车流车型小型车中型车大型车比例(%)1 1.52高峰小时车流量按全天24小时交通量的8%,昼间按16小时,夜间按8小时,夜间交通量按全天交路段名称时间2014年2025年2033年昼间平均(辆/h )199246276夜间平均(辆/h )4455612014年(近期)日平均(辆/d )3545438248992025年(中期)高峰小时(辆/h )2843513922033年(远期)总计小型车中型车大型车CO 2014年2842552360.0582025年3513162870.0422033年3923533180.047小型车中型车大型车CO 0.6 1.2 4.8NO x 0.6 2.2 5.4HC 0.20.9 1.8CO 0.310.92 3.96NO x 0.29 1.55 3.8HC 0.110.63 1.23路段全长(585m )隧道内各时段高峰期空气车辆构成情况表4-6 国III和国IV标准的机动车排放限值 单位:mg/m•辆各时段高峰期空气污染物源强估算 单位:mg/m•s道路交通量年份路段年份车流量(辆/h )(高峰期)污染双向合计车型国Ⅲ国IV 各种车型换算系数中客车大型车82数+车流量*大车比例*大车折算系数时,夜间交通量按全天交通量的10%计算。
总车流量小中大总车流量小中大199179164444041246222205554941276248226615551NO 2HC 0.0650.0230.0450.0170.0500.019CO NO X HC 2014年0.1210.1370.0482025年0.0890.0950.0362033年0.0990.1060.040年份污染物隧道内各时段高峰期空气污染物排放源强 单位:kg/h成情况表表3-11 各年限不同车型流量昼间车流量(辆/h )夜间车流量(辆/h )污染物∑=-=3113600i iji j E A Q。
城市机动车排放空气污染测算方法一、排放因子法排放因子法是目前常用的机动车排放空气污染测算方法之一、该方法通过测定车辆在实际行驶中的排放物浓度和相应的行驶工况,计算出单位行驶里程(车辆排放物浓度与行驶工况的乘积)的排放量。
首先,需要确定测量的目标污染物和测量方法。
常见的目标污染物包括二氧化碳、氮氧化物和颗粒物等。
其次,需要选择适当的测量工况。
根据车辆的使用情况和道路条件,通常可以选择城市道路行驶工况、高速公路行驶工况和停车等待工况等。
然后,选取一定数量的样本车辆进行实地测量。
通过测量车辆尾气中的污染物浓度和行驶工况,计算出排放因子。
最后,根据城市机动车数量和行驶里程,计算出机动车的排放量。
排放因子法的优点是测量结果准确度较高,可以对不同类型的机动车实际排放情况进行测算。
缺点是测算过程复杂,需要大量的实地测量和数据处理,费用较高。
二、车流量法车流量法是另一种常用的机动车排放空气污染测算方法。
该方法通过测量城市道路上的车流量和车辆类型,结合排放因子和行驶里程,计算出机动车的排放量。
首先,需要选择一定数量的测量点和测量时段进行车流量的实地测量。
通过视频监控或人工观测,记录每辆车的类型和行驶速度等信息。
然后,根据测得的车流量和车辆类型,计算出不同类型车辆的行驶里程。
最后,结合排放因子,计算出机动车的排放量。
车流量法的优点是测量过程相对简单,只需要对车流量和车辆类型进行测量即可。
缺点是排放因子的准确性对测算结果有较大影响,测算结果可能存在一定的误差。
三、模型法模型法是一种基于统计模型的机动车排放空气污染测算方法。
该方法通过对城市机动车数量、行驶里程和车辆类型等数据进行建模,预测出机动车排放空气污染的情况。
首先,需要收集和整理城市机动车的相关数据,包括车辆注册信息、年度行驶里程、车辆类型和车辆年限等。
然后,根据数据建立预测模型。
模型可以采用线性回归、多元回归或神经网络等方法进行建模。
最后,根据模型的结果,计算出机动车的排放量。
车辆尾气检测标准值车辆尾气排放是环境保护和空气质量监测的重要指标之一。
为了保障公众健康和环境质量,各国都制定了相应的车辆尾气排放标准值。
车辆尾气检测标准值是指车辆在运行过程中排放的有害气体和颗粒物的浓度限制值,通过检测车辆尾气排放情况,可以评估车辆的环保性能,及时发现和整改高排放车辆,保障空气质量。
一般来说,车辆尾气排放主要包括一氧化碳(CO)、氮氧化物(NOx)、非甲烷总烃(NMHC)、颗粒物(PM)等污染物。
根据不同国家和地区的环保标准,车辆尾气检测标准值也会有所不同。
以中国为例,中国国家标准《汽车污染物排放限值及测量方法(GB 18352.5-2013)》规定了车辆尾气排放的限值要求,其中规定了不同车辆类型和使用性质的排放标准,如轻型汽油车、重型柴油车等。
在欧洲,欧盟委员会制定了《欧盟车辆尾气排放标准》(EURO标准),该标准对车辆尾气排放进行了严格的限制和管理,分别规定了不同阶段的车辆尾气排放标准值,如EURO 1、EURO 2、EURO 3等,逐步提高了车辆尾气排放的限值要求。
为了保障车辆尾气排放的合规性和环保性能,各国都建立了相应的车辆尾气检测制度和监管机构。
通过定期对车辆进行尾气排放检测,可以及时发现高排放车辆并进行整改,保障空气质量和公众健康。
同时,车辆尾气检测标准值的制定和执行也促进了汽车制造商加大对环保技术的研发和应用,推动了车辆尾气排放的持续改善和减排工作。
总的来说,车辆尾气检测标准值是保障空气质量和公众健康的重要环节,各国都在不断完善和提高车辆尾气排放标准值,加强对车辆尾气排放的监管和管理,推动汽车工业向环保、低碳的方向发展,为建设清洁、美丽的环境做出了积极的贡献。
尾气排放数量计算公式尾气排放是指机动车在行驶过程中产生的废气排放,其中包括一氧化碳、氮氧化物、氮氧化合物、非甲烷挥发性有机物等有害物质。
尾气排放的数量直接影响着环境空气质量和人类健康。
因此,对尾气排放数量进行准确的计算和监测显得尤为重要。
尾气排放数量的计算公式可以帮助我们更好地了解尾气排放的情况,从而采取相应的措施来减少尾气排放对环境和健康的影响。
下面我们将介绍尾气排放数量的计算公式及其相关内容。
尾气排放数量计算公式的基本原理是根据车辆的燃料消耗量和燃料的成分来计算尾气排放的数量。
一般来说,尾气排放数量的计算公式可以表示为:E = V × EF。
其中,E代表尾气排放的数量,V代表车辆的行驶里程,EF代表单位行驶里程尾气排放因子。
首先,我们需要确定车辆的行驶里程V。
车辆的行驶里程可以通过车辆的里程表来获取,或者通过GPS定位系统来实时监测车辆的行驶路线和里程。
其次,我们需要确定单位行驶里程的尾气排放因子EF。
尾气排放因子是指车辆在行驶过程中单位里程所排放的尾气排放量。
尾气排放因子的确定需要考虑车辆的类型、使用的燃料、排放标准等因素。
一般来说,不同类型的车辆和不同种类的燃料会有不同的尾气排放因子。
在实际的计算过程中,我们还需要考虑到一些修正因素,如车辆的行驶速度、行驶路况、气候条件等因素,这些因素都会对尾气排放数量的计算产生影响。
除了上述的基本原理和公式外,尾气排放数量的计算还需要考虑到一些特殊情况。
比如,对于混合动力车辆、电动车辆等新型车辆,尾气排放数量的计算需要考虑到不同的动力来源和能源消耗情况。
此外,对于特定的行驶环境和特殊的车辆使用情况,也需要对尾气排放数量的计算进行相应的修正和调整。
尾气排放数量的计算公式可以帮助政府部门、环保机构和企业单位更好地了解车辆尾气排放的情况,从而制定相应的环保政策和措施。
同时,对尾气排放数量进行准确的计算和监测也可以帮助车主和驾驶员更好地了解自己车辆的排放情况,从而采取相应的节能减排措施,减少尾气排放对环境和健康的影响。
车辆尾气检测标准数据车辆尾气检测是指对汽车尾气中的污染物进行监测和检测,以评估汽车是否符合国家或地区的排放标准。
尾气排放是交通运输领域主要的大气污染源之一,因此对车辆尾气排放进行监测和管理具有重要的意义。
车辆尾气检测标准数据是指车辆尾气排放检测所需的相关标准和数据,下面将对车辆尾气检测标准数据进行详细介绍。
一、车辆尾气排放监测标准。
车辆尾气排放监测标准是指对车辆尾气排放进行监测时所需遵循的相关标准。
我国对车辆尾气排放进行监测的标准主要包括《汽车污染物排放限值及测量方法(第Ⅵ阶段)》和《汽车污染物排放限值及测量方法(第Ⅴ阶段)》等相关标准。
这些标准主要包括对尾气中CO、HC、NOx、PM等污染物的排放限值要求,以及排放测量方法、监测设备要求等内容。
二、车辆尾气排放监测数据。
车辆尾气排放监测数据是指车辆尾气排放监测过程中所得到的相关数据。
监测数据主要包括车辆尾气中CO、HC、NOx、PM等污染物的浓度数据,以及监测设备的运行状态、环境条件等相关数据。
这些数据是对车辆尾气排放进行评估和监测的重要依据,也是对车辆是否符合排放标准的重要参考。
三、车辆尾气排放监测方法。
车辆尾气排放监测方法是指对车辆尾气排放进行监测时所采用的具体方法和技术。
常见的车辆尾气排放监测方法包括不透光烟度法、五气分析法、烟度法、光吸收法等。
这些方法各有特点,可以对不同类型的车辆尾气排放进行监测和评估,确保车辆排放达标。
四、车辆尾气排放监测设备。
车辆尾气排放监测设备是指用于对车辆尾气排放进行监测和检测的相关设备和仪器。
常见的车辆尾气排放监测设备包括尾气分析仪、烟度计、废气分析仪等。
这些设备可以对车辆尾气中的污染物进行快速、准确的监测和分析,为车辆尾气排放的管理和监测提供技术支持。
结语。
车辆尾气检测标准数据是保障车辆尾气排放达标的重要依据,对于减少交通运输领域的大气污染具有重要的意义。
通过遵循相关的监测标准,获取准确的监测数据,采用科学的监测方法和设备,可以有效地监测和管理车辆尾气排放,保护环境,减少大气污染,促进交通运输行业的可持续发展。
机动车尾气检测标准机动车尾气检测标准是指对机动车尾气排放进行监测和评估的技术规范和标准。
尾气排放是机动车污染的主要来源之一,对环境和人体健康造成了严重影响。
因此,建立科学合理的机动车尾气检测标准,对于控制大气污染,保护环境,维护人民健康具有重要意义。
机动车尾气检测标准通常包括以下几个方面的内容,一是排放气体的种类和浓度限值;二是检测方法和设备要求;三是检测过程的操作规范;四是检测结果的评价标准。
其中,排放气体的种类和浓度限值是机动车尾气检测标准的核心内容,也是最直接的反映车辆排放污染物情况的指标。
常见的尾气污染物包括一氧化碳(CO)、氮氧化物(NOx)、非甲烷总烃(NMHC)和颗粒物(PM)等。
针对不同类型的车辆和不同使用环境,排放限值会有所不同。
在检测方法和设备要求方面,通常包括了检测设备的精度、准确性、稳定性等方面的要求,以及检测人员的资质和操作规范。
这些要求的制定,可以保证尾气检测的科学性和公正性,也可以保证检测结果的准确性和可靠性。
在检测过程的操作规范方面,主要包括了检测前的准备工作、检测中的操作流程、检测后的数据处理和报告生成等内容。
操作规范的制定,可以保证尾气检测的规范化和标准化,减少人为因素对检测结果的影响,提高检测的可比性和可信度。
最后,检测结果的评价标准是机动车尾气检测标准的落脚点。
根据检测结果,对车辆的排放情况进行评价,通常会有合格、不合格和超标等不同评价结果。
对于不合格和超标的车辆,需要进行相应的整改和维修,直至达到排放标准要求。
总的来说,机动车尾气检测标准的制定和实施,对于减少机动车尾气污染,改善空气质量,保护环境和人体健康具有重要意义。
只有严格执行尾气检测标准,才能有效地控制机动车尾气排放,减少环境污染,建设美丽中国。
在实际操作中,各级交通管理部门要加强对尾气检测机构和人员的监督和管理,确保检测工作的公正、公平和准确。
同时,也需要加大对机动车尾气排放标准的宣传和培训力度,提高社会公众对尾气排放标准的认识和重视程度。
停车场汽车尾气计算停车场汽车尾气计算项目共设357个停车位,其中地上停车位162个,地下停车位195个。
汽车尾气中主要含有CO、NMHC(非甲烷总烃)和NO2等有害成分,主要在汽车怠速状态或启动时产生,对周围空气质量会产生一定的影响。
地面停车场废气根据类比调查资料,取单车排放因子NO2为0.014g/min,CO为0.480g/min,NMHC为0.207g/min。
按每辆车位每天停车4次,每次5分钟计算。
地面停车场尾气污染物排放情况见表1。
表1 地面停车场排放尾气污染物产生量项目停车位(个)NO2(t/a)CO(t/a)NMHC(t/a)地面停车场162 0.0165 0.5676 0.2448汽车在地下车库内要经过怠速、慢速行速过程,这两种工况恰恰是汽车尾气中污染物排放量较高的状况。
地下停车场汽车尾气污染物排放量按以下公式计算。
Q=S·H·M·C×10-6式中:Q—车库中某污染物排放量,kg/h;S—车库面积,m2;H—车库高度,m;M—换气频次,次/h,根据《汽车库设计规范》要求换气率为6次/h;C—车库某污染早晚高峰浓度,mg/m3。
C值取于《环境保护》杂志2003年第8期《公共地下车库空气质量调查与评价》中住宅类车库空气污染物NO X监测浓度均值0.457 mg/m3,CO监测浓度均值13.1 mg/m3,总碳氢化合物(非甲烷总烃)监测浓度均值3.4mg/m3。
本项目地下车库汽车尾气污染物排放量见表2。
表2 地下车库汽车尾气污染物产生量车库面积车库高度换气频次污染物产生量(kg/h) 浓度(mg/m3)2000m25m 6次/hNOx 0.0274 0.457 CO 0.7860 13.1 非甲烷总烃0.2040 3.4本项目地面、地下停车场排放尾气污染物量汇总见表3。
表3停车场排放尾气污染物产生量项目停车位(个)NO2(t/a)CO(t/a)NMHC(t/a)项目全部停车场357 0.0765 2.2889 0.6915 备注地下停车场按照每天早晨、中午、晚上3次使用高峰时间计,共6h地下停车场设置独立的送风、排风系统,换气次数不应小于6次/h,送入新鲜空气的进风口宜设在主要通道上。
本项目共有机动车停车位2158个,其中地上停车位664个,地下停车位1494个。
地上停车位较分散,启动时间较短,因此废气产生量小,在露天空旷条件下很容易扩散,对周围环境影响较小;本评价重点对地下地下车库废气排放情况进行分析。
➢ 计算公式 ✧ 废气排放量29.1)1(Ak QT D +=式中:D —废气排放量,m 3/h ; Q —汽车车流量,v/h ;T —车辆在车库运行的时间,min ,本项目取1.5; k —空燃比,本项目取12;A —燃油耗量,kg/min ,本项目取0.07; ✧ 污染物排放量DCf G =式中:G —污染物排放量,kg/h ;C —污染物的排放浓度,容积比,ppm ; f —容积与质量换算系数。
➢ 计算参数的确定 ✧ 地下车库车流量的估算按在满负荷工况下的车流量进行计算。
停车库内车辆达到总泊位数,酒店式公寓地下地下车库以每辆车在库内平均停放8h 计,则出入口每小时单程车流量为总泊位数的四分之一。
✧ 运行时间地下车库内的车辆运行情况为怠速(车速为5km/h),根据地下车库的基本情况、运行状况,考虑导车、停车发动等因素,从汽车怠速到停车点的距离平均为1.5min;✧汽车耗油量汽车耗油量与汽车行驶状况有关,根据统计资料及类比调查,车辆进出车库(怠速<5km/h)平均耗油量为0.1L/min(90号无铅汽油的密度为0.713kg/L)。
✧空燃比指汽车发动机工作时,空气与燃油之比,当空燃比大于14.5,则燃油完全燃烧,得到CO2和水;当空燃比小于14.5,燃油不完全燃烧,产生得到CO、HC等污染物,经调查,当车辆处于怠速状态时,空燃比一般为12;✧汽车耗油量及废气污染物监测数据统计及有关资料,汽车在怠速与正常行驶时所排放的各污染物浓度见表1。
表1 汽车废气中各污染物浓度(容积比)➢汽车尾气污染物排放源强计算结果按上述有关参数和计算公式,并设车库每天开放时间为8h,则计算得到地下车库废气排放源强见表2。