基坑计算表(支锚刚度)
- 格式:xls
- 大小:36.00 KB
- 文档页数:2
基坑支护的原始数据本工程基坑深7m ,坑外地下水在地面下0.8m ,坑内地下水在坑底面,坑边满布地面超载q=15kN/m ²,锚杆位于地面下2.5m ,土锚的倾角13°,间距=2桩距,设计桩身直径d=800mm ,桩中心距1000mm ,钢铰线f py =1170Mpa , f rb =50kpa ,fb=2.95Mpa ,10=γ。
等值梁法求桩设计嵌入深度、m ax M ,设计土锚的钢筋截面积、锚固段长、自由段长;桩配筋。
基坑支护设计参数表 层号 岩土层名土的 重度 直剪固快 渗透系数 土层厚度γ c Φ Kv Kh (KN/m 3)(KPa) (度) ×10-6(cm/s ) ×10-6(cm/s ) (m) 1 杂填土 (18.0) 0 0 (40) (40) 0.8 2 粉质粘土 19 21 19 0.716 32.6 3.8 3 粉质粘土夹粉土2123 19 67.1 3.98 9.8 4粉质粘土夹粉砂19.921.014.055.131.812.0注:()内为经验值,重度为平均值,直剪固快为标准值。
1.采用水土合算法的荷载坑外地下水位以上主动土压力:=18*h 0=18h 0设临界深度在坑外地下水位以下x(m),令0=aik e ,(1830.8+19x)·tan 2 (45°-19°/2)—2*21* tan(45°-19°/2) =0x=2.33m地面下深度3.13m <z ≤4.6m 处土所产生的主动土压力=[18*0.8+19(z-0.8)]tan2 (45°-19°/2)-2*21*tan(45°-19°/2)= 9.67z-30.23kPa地面下深度4.6m <z≤14.4m处土所产生的主动土压力=[18*0.8+19*3.8+21*(z-4.6)]tan2 (45°-19°/2)-2*23*tan(45°-19°/2)= 10.68z-37.90kPa地面超载所产生的主动土压力:坑外深度0~0.8m,qK ai=15* tan2 (45°-0°/2)=15Kpa;坑外深度0.8m~4.6m, qK ai=15* tan2 (45°-19°/2)=7.63 Kpa;坑外深度4.6m~14.4m, qK ai=15* tan2 (45°-19°/2)=7.63Kpa;坑内坑底下深度y处被动土压力:=21y tan2 (45°+19°/2)+ 2*23*tan(45°+19°/2)=41.27 y+64.49 kPa图2-1支护结构的荷载标准分布2.求反弯点位置设反弯点在坑内坑底深度0y 处 41.270y +64.49=10.68z-37.9+7.63 z=0y +70 y ,所以反弯点位置即坑底处。
表1 常用混凝土、钢材料力学参数简表表2-2 常用型钢几何参数简表注:表中设计轴力、设计弯矩均为纯压或纯弯构件,作为型钢位檩使用时,双拼其值均乘2。
表2-4 常用型钢立柱、钢管支撑几何参数简表说明:1、灌注桩强度为水下C25、C30(表中计算按水下C25);2、采用均匀配筋;3、钢筋建议优先采用Ⅲ级钢,表中所列为Ⅱ级钢,保护层厚度为50mm;4、弯矩值为灌注桩单根分担的弯矩配筋计算;注:启明星灌注桩计算所得弯矩为单根灌注桩弯矩的标准值。
5、含钢量约为110~130kg/m3。
注:表格中上排为计算配筋面积,下排为建议配筋;说明:1、混凝土强度为C30、C35(实际计算按C30);2、采用双面均匀配筋;3、钢筋建议优先采用Ⅲ级钢,表中所列为Ⅱ级钢,,保护层厚度为35mm;4、配筋弯矩为①、②中大者。
①按受弯构件计算:β×=计算弯矩弯矩 (1)式(1)中:计算弯矩为支撑平面计算弯矩的最大值;β,支撑体系为开口时取1.13,其余按下式计算, β=0.85(计算长度/实际长度)×1.25(荷载分项系数)=1.0625(实际计算时不得低于1.1);②按压弯构件计算:弯距=计算弯矩×1.25,压力=计算弯距x0.55、含钢量约为120~140kg/m3。
6、钢筋最小净间距不宜小于1.5d(d为主筋直径)。
说明:1、混凝土强度为C30、C35(实际计算按C30);2、采用对称均匀配筋;3、钢筋采用Ⅱ级,保护层厚度为35mm;4、轴力值为支撑的计算值;(除按抗弯构件验算外,按纯压构件及压弯构件双向控制进行设计,计算弯矩的偏心矩按支撑宽度的10%,配筋率按0.8~1.2%,含钢量80~115Kg/m3考虑)。
(稳定系数为0.75考虑,整体安全度大于2.3)。
5、表中()内数值表示该种截面支撑所能承担的轴力标准值。
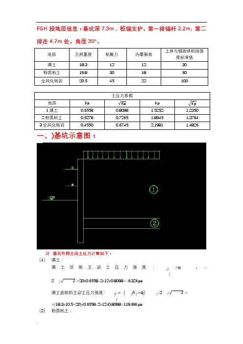
FGH段地层信息:基坑深7.3m , 桩锚支护,第一排锚杆2。
2m,第二排在4。
7m处,角度30°。
地层天然重度粘聚力内摩擦角土体与锚固体粘结强度标准值填土18.3 12 12 30粉质粘土19。
8 30 18 60全风化砾岩20.5 45 22 100土压力系数地层Ka Kp1填土0.6558 0。
8098 1.5252 1。
2350 2粉质粘土0.5278 0.7265 1.8945 1。
37643全风化砾岩0.4550 0。
6745 2.1981 1.4826 一、)基坑示意图:1)基坑外侧主动土压力计算如下:(1)填土:填土顶部主动土压力强度:=q—2=20x0。
6558-2x12x0。
8098=—6.32Kpa填土底部的主动土压力强度:=(+q)-2==(18.3x10。
5+20)x0。
6558—2x12x0。
8098=119.69kpa(2)粉质粘土:粉质粘土顶部的主动土压力强度:= (*+q)-2==(18.3x10.5+20)x0。
5278—2x12x0。
7265=94.54kpa粉质粘土底部的主动土压力强度:=(*+*+q)-2= =(18.3x10.5+19。
8x1。
8+20)x0.5278—2x12x0.7265=113.35kpa(3)临界深度:=2/– q/=2x12/18。
3x0。
8098-20/18。
3=0.53m2)第一层锚杆计算:基坑开挖到5。
2m,设置第一排锚杆的水平分力为T1。
1)此时基坑开挖深度为,基坑外侧底部的主动土压力强度:=(*+q)-2=(18。
3x5。
2+20)x0。
6558—2x12x0.8098=56.09kpa基坑内侧的被动土压力强度:= 2=2x12x1.2350=29。
64kpa.=(—)+2= 18。
3x(10。
5-5.2)x1.5252+2x12x1.2350=177.57kpa. 知:< ,<知铰点位于坑底与填土层间:设铰点为o,距离坑底y m。
桩锚基坑支护结构设计计算书1、支护结构计算(一)AB段支护结构计算地面标高为-0.6米,地下水位位于-3.3米,基坑开挖至-13.35米,基坑实际开挖深度为12.75米,地表附加荷载取为q=20.0KPa。
采用人工挖孔桩加三道锚索进行支护,基坑侧壁安全等级为一级,基坑重要性系数为1.1。
----------------------------------------------------------------------[ 支护方案 ]----------------------------------------------------------------------排桩支护----------------------------------------------------------------------[ 基本信息 ]-------------------------------------------------------------------------------------------------------------------------------------------- [ 放坡信息 ]-------------------------------------------------------------------------------------------------------------------------------------------- [ 超载信息 ]-------------------------------------------------------------------------------------------------------------------------------------------- [ 土层信息 ]-------------------------------------------------------------------------------------------------------------------------------------------- [ 土层参数 ]-------------------------------------------------------------------------------------------------------------------------------------------- [ 支锚信息 ]-------------------------------------------------------------------------------------------------------------------------------------------- [ 土压力模型及系数调整 ]----------------------------------------------------------------------弹性法土压力模型: 经典法土压力模型:---------------------------------------------------------------------- [ 设计结果 ]---------------------------------------------------------------------- ---------------------------------------------------------------------- [ 结构计算 ]---------------------------------------------------------------------- 各工况:内力位移包络图:地表沉降图:---------------------------------------------------------------------- [ 截面计算 ]---------------------------------------------------------------------- [ 截面参数 ][ 内力取值 ]---------------------------------------------------------------------- [ 锚杆计算 ]---------------------------------------------------------------------- [ 锚杆参数 ][ 锚杆内力 ][ 锚杆自由段长度计算简图 ]---------------------------------------------------------------------- [ 整体稳定验算 ]----------------------------------------------------------------------计算方法:瑞典条分法应力状态:总应力法条分法中的土条宽度: 1.00m滑裂面数据整体稳定安全系数 K s = 2.268圆弧半径(m) R = 22.096圆心坐标X(m) X = -1.074圆心坐标Y(m) Y = 11.749----------------------------------------------------------------------[ 抗倾覆稳定性验算 ]----------------------------------------------------------------------抗倾覆安全系数:M p——被动土压力及支点力对桩底的弯矩, 对于内支撑支点力由内支撑抗压力决定;对于锚杆或锚索,支点力为锚杆或锚索的锚固力和抗拉力的较小值。
FGH段地层信息:基坑深7.3m , 桩锚支护,第一排锚杆2.2m, 第二排在4.7m处,角度30°。
地层天然重度粘聚力内摩擦角土体与锚固体粘结强度标准值填土18.3 12 12 30粉质粘土19.8 30 18 60全风化砾岩20.5 45 22 100土压力系数地层Ka Kp1填土0.6558 0.8098 1.5252 1.23502粉质粘土0.5278 0.7265 1.8945 1.37643全风化砾岩0.4550 0.6745 2.1981 1.4826 一、)基坑示意图:1)基坑外侧主动土压力计算如下:(1)填土:填土顶部主动土压力强度:=q- 2=20x0.6558-2x12x0.8098=-6.32Kpa填土底部的主动土压力强度:=(+q)-2==(18.3x10.5+20)x0.6558-2x12x0.8098=119.69kpa(2)粉质粘土:粉质粘土顶部的主动土压力强度:= (*+q)-2= =(18.3x10.5+20)x0.5278-2x12x0.7265=94.54kpa粉质粘土底部的主动土压力强度:=(*+*+q)-2= =(18.3x10.5+19.8x1.8+20)x0.5278-2x12x0.7265=113.35kpa(3)临界深度:=2/– q/=2x12/18.3x0.8098-20/18.3=0.53m2)第一层锚杆计算:基坑开挖到5.2m,设置第一排锚杆的水平分力为T1。
1)此时基坑开挖深度为,基坑外侧底部的主动土压力强度:=(*+q)-2=(18.3x5.2+20)x0.6558-2x12x0.8098=56.09kpa基坑内侧的被动土压力强度:= 2=2x12x1.2350=29.64kpa.=(-)+2= 18.3x(10.5-5.2)x1.5252+2x12x1.2350=177.57kpa. 知:< , <知铰点位于坑底与填土层间:设铰点为o, 距离坑底y m.== y +2= y18.3x1.5252+2x12x1.2350=27.91y+29.64= [q+(h+y)]-2= [20+18.3(5.2+y)]x0.6558-2x12x0.8098=12y+56.08解得:y=1.66m2)设置第一排锚杆的水平分力为T1,铰点以上土层及锚杆力对铰点起矩平衡。
深基坑支护设计 1设计单位:X X X 设计院设计人:X X X设计时间:2014-04-03 16:39:41----------------------------------------------------------------------[ 支护方案 ]----------------------------------------------------------------------排桩支护----------------------------------------------------------------------[ 基本信息 ]----------------------------------------------------------------------规范与规程《建筑基坑支护技术规程》 JGJ 120-2012内力计算方法增量法支护结构安全等级一级支护结构重要性系数γ0 1.10基坑深度H(m)10.900嵌固深度(m) 4.100桩顶标高(m)-5.000桩材料类型钢筋混凝土混凝土强度等级C25桩截面类型圆形└桩直径(m)0.800桩间距(m) 2.400有无冠梁有├冠梁宽度(m) 0.800├冠梁高度(m) 0.600└水平侧向刚度(MN/m) 34.406放坡级数1超载个数1支护结构上的水平集中力0----------------------------------------------------------------------[ 放坡信息 ]----------------------------------------------------------------------坡号台宽(m)坡高(m)坡度系数1 2.000 5.000 1.000----------------------------------------------------------------------[ 超载信息 ]----------------------------------------------------------------------超载类型超载值作用深度作用宽度距坑边距形式长度序号(kPa,kN/m)(m)(m)(m)(m)120.000-------------------------------------------------------------------------------------[ 附加水平力信息 ]---------------------------------------------------------------------- 作用类型水平力值作用深度是否参与是否参与水平力序号(kN)(m)倾覆稳定整体稳定----------------------------------------------------------------------[ 土层信息 ]----------------------------------------------------------------------土层数3坑内加固土否内侧降水最终深度(m)18.000外侧水位深度(m)18.000内侧水位是否随开挖过程变化否内侧水位距开挖面距离(m)---弹性计算方法按土层指定ㄨ弹性法计算方法m法基坑外侧土压力计算方法主动----------------------------------------------------------------------[ 土层参数 ]----------------------------------------------------------------------层号土类名称层厚重度浮重度粘聚力内摩擦角(m)(kN/m3)(kN/m3)(kPa)(度)1杂填土10.8018.0---10.0015.002粘性土 2.2020.0---25.0020.003粘性土12.0020.010.025.0020.00层号与锚固体摩粘聚力内摩擦角水土计算方法m,c,K值抗剪强度擦阻力(kPa)水下(kPa)水下(度)(kPa)140.0---------m法30.00---260.0---------m法30.00---360.025.0020.00合算m法35.00-------------------------------------------------------------------------[ 支锚信息 ]----------------------------------------------------------------------支锚道数2支锚支锚类型水平间距竖向间距入射角总长锚固段道号(m)(m)(°)(m)长度(m)1锚索 1.2007.00025.0015.5010.502锚索 1.200 2.50025.0011.00 6.00支锚预加力支锚刚度锚固体工况锚固力材料抗力材料抗力道号(kN)(MN/m)直径(mm)号调整系数(kN)调整系数1250.00 3.611502~ 1.00520.80 1.00 2300.00 3.611504~ 1.00260.40 1.00----------------------------------------------------------------------[ 土压力模型及系数调整 ]----------------------------------------------------------------------弹性法土压力模型: 经典法土压力模型:层号土类水土水压力外侧土压力外侧土压力内侧土压内侧土压力力名称调整系数调整系数1调整系数2调整系数最大值(kPa) 1杂填土分算 1.000 1.0000.000 1.00010000.000 2粘性土合算 1.000 1.0000.000 1.00010000.000 3粘性土合算 1.000 1.0000.000 1.00010000.000----------------------------------------------------------------------[ 工况信息 ]----------------------------------------------------------------------工况工况深度支锚号类型(m)道号1开挖7.500---2加撑--- 1.锚索3开挖10.000---4加撑--- 2.锚索5开挖10.900-------------------------------------------------------------------------[ 设计结果 ]--------------------------------------------------------------------------------------------------------------------------------------------[ 结构计算 ]----------------------------------------------------------------------各工况:内力位移包络图:地表沉降图:---------------------------------------------------------------------- [ 冠梁选筋结果 ]----------------------------------------------------------------------钢筋级别选筋As1HRB4004E16As2HRB4002E16As3HRB335D8@200----------------------------------------------------------------------[ 环梁选筋结果 ]----------------------------------------------------------------------钢筋级别选筋As1HPB3001d12As2HPB3001d12As3HPB300d12@1----------------------------------------------------------------------[ 截面计算 ]----------------------------------------------------------------------钢筋类型对应关系:d-HPB300,D-HRB335,E-HRB400,F-RRB400,G-HRB500,P-HRBF335,Q-HRBF400,R-HRBF500[ 截面参数 ]桩是否均匀配筋是混凝土保护层厚度(mm)35桩的纵筋级别HRB400桩的螺旋箍筋级别HRB335桩的螺旋箍筋间距(mm)200弯矩折减系数0.75剪力折减系数 1.00荷载分项系数 1.25配筋分段数一段各分段长度(m)10.00[ 内力取值 ]段内力类型弹性法经典法内力内力号计算值计算值设计值实用值基坑内侧最大弯矩(kN.m)406.68265.45419.39419.39 1基坑外侧最大弯矩(kN.m)139.70619.57144.06144.06最大剪力(kN)412.61327.36567.33567.33段选筋类型级别钢筋实配[计算]面积号实配值(mm2或mm2/m)1纵筋HRB40010E254909[3649]箍筋HRB335D8@200503[869]加强箍筋HRB400E16@2000201----------------------------------------------------------------------[ 锚杆计算 ]----------------------------------------------------------------------[ 锚杆参数 ]锚杆钢筋级别HRBF500锚索材料强度设计值(MPa)1320.000锚索材料强度标准值(MPa)1860.000锚索采用钢绞线种类 1 × 7锚杆材料弹性模量(×105 MPa) 2.000锚索材料弹性模量(×105 MPa) 1.950注浆体弹性模量(×104MPa) 3.000锚杆抗拔安全系数 1.600锚杆荷载分项系数 1.250[ 锚杆水平方向内力 ]支锚道号最大内力最大内力内力内力弹性法(kN)经典法(kN)标准值(kN)设计值(kN) 1271.43140.94140.94193.79 2311.1222.4122.4130.81[ 锚杆轴向内力 ]支锚道号最大内力最大内力内力内力弹性法(kN)经典法(kN)标准值(kN)设计值(kN) 1299.49155.51155.51213.83 2343.2824.7224.7233.99[ 锚杆自由段长度计算简图 ]支锚道号支锚类型钢筋或自由段长度锚固段长度实配[计算]面积锚杆刚度钢绞线配筋实用值(m)实用值(m)(mm2)(MN/m)1锚索2s15.2 5.010.5280.0[162.0]8.41 2锚索1s15.2 5.0 6.0140.0[25.8] 4.40----------------------------------------------------------------------[ 整体稳定验算 ]----------------------------------------------------------------------计算方法:瑞典条分法应力状态:总应力法条分法中的土条宽度: 0.40m滑裂面数据整体稳定安全系数 K s = 1.479圆弧半径(m) R = 17.007圆心坐标X(m) X = -0.091圆心坐标Y(m) Y = 12.884---------------------------------------------------------------------- [ 抗倾覆稳定性验算 ]---------------------------------------------------------------------- 抗倾覆安全系数:= K s M p M aM p——被动土压力及支点力对桩底的抗倾覆弯矩, 对于内支撑支点力由内支撑抗压力决定;对于锚杆或锚索,支点力为锚杆或锚索的锚固力和抗拉力的较小值。
FGH段地层信息:基坑深7.3m , 桩锚支护,第一排锚杆2.2m, 第二排在4.7m处,角度30°。
一、)基坑示意图:1)基坑外侧主动土压力计算如下:(1)填土:=q p p1- 填土顶部主动土压力强度:p上p12p1√pp1=20x0.6558-2x12x0.8098=-6.32Kpa=(p1ℎ1+q)p p1-2p1√pp1= 填土底部的主动土压力强度:p下p1=(18.3x10.5+20)x0.6558-2x12x0.8098=119.69kpa(2)粉质粘土:粉质粘土顶部的主动土压力强度:p p2上= (p 1*ℎ1+q )p p2 -2p 2√pp2 = =(18.3x10.5+20)x0.5278-2x12x0.7265=94.54kpa粉质粘土底部的主动土压力强度:p p2下=(p 1*ℎ1 +p 2*ℎ2+q )p p2-2p 2√pp2 ==(18.3x10.5+19.8x1.8+20)x0.5278-2x12x0.7265=113.35kpa (3) 临界深度:Z p =2p 1/ p 1√pp1 – q/p 1=2x12/18.3x0.8098-20/18.3=0.53m2)第一层锚杆计算:基坑开挖到5.2m ,设置第一排锚杆的水平分力为T1。
1) 此时基坑开挖深度为h =h .hh , 基坑外侧底部的主动土压力强度:p p1坑底=(p 1*ℎ+q )p p1-2p 1√pp1 =(18.3x5.2+20)x0.6558-2x12x0.8098=56.09kpa基坑内侧的被动土压力强度:p p1坑底= 2p 1√pp1=2x12x1.2350=29.64kpa.p p1下=p 1(ℎ1- ℎ)p p1+2p 1√pp1= 18.3x(10.5-5.2)x1.5252+2x12x1.2350=177.57kpa.知:p p1下 < p p1下 , p p1坑底 < p p1坑底知铰点位于坑底与填土层间:设铰点为o, 距离坑底y m.h hh =h hhh hh = p 1y p p1+2p 1√pp1 = y18.3x1.5252+2x12x1.2350=27.91y+29.64 h hh=[q+p 1(h+y)]p p1-2p 1√pp1=[20+18.3(5.2+y)]x0.6558-2x12x0.8098=12y+56.08解得: y=1.66m2)设置第一排锚杆的水平分力为T1,铰点以上土层及锚杆力对铰点起矩平衡。
外径:D=609mm 矩形高h:壁厚:t=16mm 矩形宽b 计算长度l=17900mm 计算长度钢材抗压强度设计值fy 210N/mm2混凝土抗压强度设计值内径d=577mm 截面面积截面面积A=29807.4mm 2截面抵抗矩截面抵抗矩W=4305987mm 3截面惯性矩钢材弹性模量E=206000N/mm 2长细比截面惯性矩I=1311173005mm 4轴心受压构件稳定系数长细比λ=l/√(I/A)85.35与工程有关的调整系数与工程有关的调整系数ξ 1.00轴心受压构件稳定系数φ=0.74内撑材料抗力T=ФξAfy4632.074793kN内撑材料抗力外径:D=609mm 矩形高h 壁厚:t=14mm 矩形宽b 计算长度l=17900mm计算长度松弛系数α=0.8松弛系数内径d=581mm 截面面积A=26169.5mm 2截面面积弹性模量E=206000N/mm 2弹性模量支锚刚度kt=2αEA/l 481.8690647MN/m 支锚刚度钢支撑混凝钢支撑混凝h=800mm b=800mm l=17900mm 材料fc 14.3N/mm2钢材抗压强度设计值A=640000.0mm 2直径W=21333333mm 3截面面积I=34133333333mm 4l=l/b 22.38φ=0.7405ξ1.00与工程有关的调整系数T=ФξAfc6777.056kN锚杆(锚索)材料抗力h=800mm 锚固体直径b=800mm 锚固体面积L=17900mm杆体面积α=0.8杆体直径杆体模量A=640000.0mm 2注浆体模量组合模量E=30000N/mm 2锚杆倾角自由长度锚固长度kt=2αEA/l 1716.201117MN/m 支锚刚度材料抗力混凝土支撑支锚刚度混凝土支撑钢绞线预应力螺纹钢筋fy1110N/mm2钢绞线d=22mm普通钢筋A=380.1mm2ξ 1.00T=ξAfy421.9473093kND=150mmAc=17671.45868mm2A=706.8583471mm2D=30mmEs=200000N/mm2Em=30000N/mm2Ec=36800N/mm2θ=15度0.261666667转化弧度Lf=5000mmLa=15000mmkt=3AEsEcAc/(3lfEcAc+EsAla)cos2θ21.67108343MN/m锚杆(锚索)锚杆(锚索)。