友声pos秤232通讯协议与设置(2013-03-28)
- 格式:doc
- 大小:44.50 KB
- 文档页数:5
rs232通讯协议RS232通讯协议是一种用于串行通信的标准协议,它定义了数据通信的电气特性和信号传输的协议。
RS232通讯协议广泛应用于计算机、工业控制、通信设备等领域,是一种非常重要的通讯标准。
首先,我们来了解一下RS232通讯协议的基本特性。
RS232通讯协议使用串行通信,即一次只能发送一个比特。
它采用了一对差分信号线(TXD和RXD)进行数据传输,其中TXD用于发送数据,RXD用于接收数据。
此外,RS232还定义了数据传输的时序和波特率等参数,确保数据能够准确可靠地传输。
在RS232通讯中,数据是以ASCII码的形式进行传输的。
ASCII码是一种使用7位或8位二进制编码的字符集,它包括了数字、字母、标点符号等字符。
在RS232通讯中,数据通过TXD线发送出去,接收方通过RXD线接收数据,并将其转换为ASCII码进行解析。
除了数据传输外,RS232通讯协议还定义了一些控制信号,用于控制数据传输的流程。
其中,RTS(Ready to Send)和CTS(Clear to Send)信号用于控制发送方和接收方之间的数据流控制,DSR(Data Set Ready)和DTR(Data Terminal Ready)信号用于表示设备的就绪状态,而RI(Ring Indicator)和CD(Carrier Detect)信号则用于表示通讯线路的状态。
在实际应用中,RS232通讯协议需要使用特定的硬件接口来实现数据的传输。
常见的RS232接口包括DB9和DB25两种类型,它们分别使用9针和25针连接器进行数据传输。
此外,为了提高数据传输的可靠性,通常还会使用一些线缆和转换器来适配不同设备之间的接口。
总结一下,RS232通讯协议是一种重要的串行通信标准,它定义了数据通信的电气特性和信号传输的协议。
通过了解RS232通讯协议的基本特性和硬件接口,我们可以更好地理解和应用这一通讯标准,为各种设备之间的数据传输提供可靠的支持。
232串口通信调试步骤串口通信调试是指通过串口进行数据传输时,对串口通信过程进行排错和优化的过程。
串口通信调试可以帮助解决串口通信中的问题,提高通信的可靠性和稳定性。
下面是详细的串口通信调试步骤:1.确定串口参数:在开始调试之前,首先要确定串口的参数,如波特率、数据位、停止位和奇偶校验位等。
这些参数应该与目标设备中配置的参数一致,才能正确地进行数据传输。
2.确定串口硬件连接:确认串口线正确连接,并确保没有松动的连接。
检查串口连接线的焊接是否牢固,无虚焊、短路等问题。
确保串口的接地是可靠的。
3.检查串口驱动:在计算机系统中,确保串口驱动程序已正确安装,并且是最新版本。
检查设备管理器中是否存在串口,如果不存在,则需要安装对应的驱动程序。
4. 使用串口调试工具:使用串口调试工具(如Tera Term、SecureCRT等)对串口进行调试。
打开串口调试工具并选择相应的串口号、波特率等参数,然后打开串口。
如果无法打开串口,可能是由于驱动程序的问题或者设备被占用的原因,需要进行相应的排错处理。
5.发送数据:在串口调试工具中,可以发送数据给目标设备。
发送的数据可以是命令、控制指令、配置参数等内容。
通过发送数据,可以测试串口通信是否正常。
确认数据发送是否成功,可以通过查看串口调试工具的发送状态、接收状态等来进行判断。
6.接收数据:在串口调试工具中,可以接收目标设备发送回来的数据。
通过接收数据,可以确认目标设备是否正常接收到指令,并且返回了正确的响应。
可以通过查看串口调试工具中的接收状态、接收数据的内容等来进行判断。
7.数据分析和处理:接收到的数据可能是二进制数据、ASCII字符等形式。
对于二进制数据,可以通过解析数据包的格式,提取出相应的字段信息。
对于ASCII字符,可以通过查表和字符串处理函数进行解析和处理。
根据具体的要求和应用场景,对数据进行适当的分析和处理。
8.错误处理与优化:如果在串口通信过程中出现错误,需要逐步进行排错处理。
〔声明:尊重原创,允许,时请务必以超形式标明文章原始出处,否则将追究法律责任〕带通讯台式电子称:电子秤连接电脑功能适用于金属、五金、电子、化工、医药、纺织、印染、食品、印刷、科研、等各种需要称重的行业使用。
使用该功能可以提高企业物料收发、产品包装、配料、盘点等计量管理质量,从而降低生产本钱,提高工作效率。
,电子称带RS232串口连接电脑称重原理,小编全方面为你解答。
RS232传输数据电子称电脑端设置方法:1〕通讯接口一般电脑上都带R232数据接口,在电脑硬件显示口〔1~99〕,连接电脑时候,软件端口选择跟电脑上硬件端口是一致。
2〕通讯方式电子秤与计算机采用RS232串口通讯的方式。
软件系统里如有给出的电子秤直接选用,如没有就要自己设置。
电子秤应设置成连续通讯方式,在工作中保持始终向计算机发送数据的状态。
3〕电子秤的波特率一般有1200,2400,4800,9600,19200等多种,通常常用为9600。
市场上带RS232串口电子称琳琅满目,很多产品不同的通讯格式,导致用户选购难度大,不易找到恰当的产品,下面,为大家讲解一下台式电子秤,带RS232串口通讯功能操作方法,希望能帮用户选择到适合使用的电子秤。
JAYNES电子秤带RS232串口通讯格式说明本电子秤/电子天平/台秤/称重仪表传输数据结果一样,可采用有线RS232、RS485、无线蓝牙传输、无线WIFI透传等。
下面列出的仅其中一组常用格式,本电子秤置十多组其他通讯格式,可兼容市场主流软件及ERP,并可根据用户需求进展二次开发定制特殊格式。
小品牌及其他山寨小厂电子秤因采用廉价劣质存储传输芯片,无法存储大容量容,劣质芯片在传输过程会丧失数据和造成电脑蓝屏死机等,用户购置时要认准大的品牌和厂家。
1.传送模式传送模式有4种,1:连续传送,即是称重数据不连续传输。
2:稳定传输,放上物品稳定后发送一组数据,取下产品等待电子秤回零后进展下一次操作。
,3:应答模式,即由上位机发送命令,电子秤根据命令回送不同的数据,上位机可以是PLC、电脑、手机平板。
通讯参数串口通信最重要的参数是波特率、数据位、停止位和校验位。
对于两个进行通讯的端口,这些参数必须匹配。
1) 波特率(又叫比特率):这是一个衡量通信速度的参数。
它表示每秒钟传送的bit的个数。
例如300波特表示每秒钟发送300个bit。
2) 数据位:这是衡量通信中实际数据位的参数。
当计算机发送一个信息包,实际的数据不会是8位的,标准的值是5、7和8位。
如何设置取决于你想传送的信息。
比如,标准的ASCII码是0~127(7位)。
扩展的ASCII码是0~255(8位)。
如果数据使用简单的文本(标准ASCII码),那么每个数据包使用7位数据。
每个包是指一个字节,包括开始/停止位,数据位和奇偶校验位。
由于实际数据位取决于通信协议的选取,术语“包”指任何通信的情况。
3) 停止位:用于表示单个数据包的最后一位。
典型的值为1、1.5或2位。
停止位不仅表示传输的结束,并且提供计算机校正时钟同步的机会。
停止位的位数越多,不同时钟同步的容错程度越大,但同时数据传输率也越慢。
4) 校验位:在串口通信中一种简单的检错方式。
有三种检错方式:偶(E)、奇(O)、无(N)。
对于偶和奇校验的情况,串口会设置校验位(数据位后面的一位),用一个值确保传输的数据有偶个或者奇个逻辑高位。
这样使得接收设备能够知道一个位的状态,有机会判断是否有噪声干扰了通信或者是否传输和接收数据不同步。
校验类型校验其实是一种加密技术,用于对文件内容进行审核。
如果校验正确的话说明该数据帧正确,可以用来解析;反之说明该数据帧有问题,应该作废。
常用的有异或校验、和校验、CRC-16校验和LRC校验。
请注意,这里说的校验和上面说的校验位是不同的:校验位针对的是单个字节,校验类型针对的是单个数据帧。
此外,有些PLC在与人机界面进行串口通讯时还要进行站号的选择,例如丰炜,站号也需要匹配,否则也无法联通。
RS232通讯协议说明:下列表述中,H仅代表数据是十六进制和空格是分隔符。
波特率9600 bit / s,8bit ,1位停止位,无校验位格式EBH,地址,命令,数据长度,数据1,...数据n,冗余EBH:为帧起始位,以二进制表示为:1110 1011地址:设备的通讯代号,出厂时已设定好,用户不能修改,同一型号的所有设备共用一个相同的地址。
命令:用十六进制数据代表的操作。
数据长度:发送或接收的信息字节数,它只包括数据1到数据n的个数。
冗余:用来判断发送或接收是否正确的信息,在发送时由发送端计算,在回送信息中由设备自动计算。
计算方法为:冗余 = 地址 + 命令 + 数据长度 + 数1 +…数N如果冗余= EBH,则发送反码,即冗余= 14H;若冗余有进位,则将进位取消只取低八位即可。
例:冗余=2AH+01H+01H+F3H=11FH 则将进位取消即为冗余=1FH。
在随设备配套的测试程序(CTCOM)中,冗余是由测试程序自动计算出。
回送信息当转换器接收命令正确但无此命令时,回送信息为:EBH, 地址,命令,01H,F1H,冗余。
当转换器接收命令正确但数据超界时,回送信息为:EBH,地址,命令,01H,F2H,冗余。
且不执行命令。
当转换器接收命令正确但有按键时,回送信息为:EBH,地址,命令,01H,F3H,冗余。
且不执行命令。
当转换器接收缓冲区数据溢出时,回送信息为:EBH, 地址,命令,01H,F4H,冗余。
当转换器接收命令的冗余不正确时,回送信息为:EBH, 地址,命令,01H,F5H,冗余。
当转换器接收命令正确但数据长度超过协议规定时,回送信息为:EBH,地址,命令,01H,F7H,冗余。
且不执行命令。
当转换器接收命令正确且设备在允许远程控制时,回送信息为:EBH, 地址,命令,01H,FAH,冗余。
并执行命令。
当转换器接收地址不正确时,不回送任何信息。
设备地址VFT-2*2转换器的地址是59H。
rs232串口通信协议详解篇一:RS232通讯协议RS232通讯协议基本结构波特率 9600 bit/s,8bit,,位停止,无校验位格式0EBH,地址,命令,长度(,),数据1,---数据,,冗余说明:0EBH为帧起始位长度小于输出端口数冗余=地址+命令+长度+数1+---+数,如果冗余=0EBH,为防止与帧起始位相同,则发送反码,即冗余=14H当接收正确时,1) 在命令1,2,5,6时,回送 0EBH,地址,命令,01H,0FAH,冗余,并执行命令。
2) 在命令3,4,7时,回送相应信息。
当接收不正确时,1) 地址正确,冗余不正确,回送0EBH,地址,命令,101H,0F5H,冗余。
2) 地址不正确,不回送任何信息。
串口通讯—通信协议所谓通信协议是指通信双方的一种约定。
约定包括对数据格式、同步方式、传送速度、传送步骤、检纠错方式以及控制字符定义等问题做出统一规定,通信双方必须共同遵守。
因此,也叫做通信控制规程,或称传输控制规程,它属于ISO'S OSI七层参考模型中的数据链路层。
目前,采用的通信协议有两类:异步协议和同步协议。
同步协议又有面向字符和面向比特以及面向字节计数三种。
其中,面向字节计数的同步协议主要用于DEC 公司的网络体系结构中。
一、物理接口标准1.串行通信接口的基本任务(1)实现数据格式化:因为来自CPU的是普通的并行数据,所以,接口电路应具有实现不同串行通信方式下的数据格式化的任务。
在异步通信方式下,接口自动生成起止式的帧数据格式。
在面向字符的同步方式下,接口要在待传送的数据块前加上同步字符。
(2)进行串,并转换:串行传送,数据是一位一位串行传送的,而计算机处理数据是并行数据。
所以当数据由计算机送至数据发送器时,首先把串行数据转换为并行数才能送2入计算机处理。
因此串并转换是串行接口电路的重要任务。
(3)控制数据传输速率:串行通信接口电路应具有对数据传输速率——波特率进行选择和控制的能力。
232工作原理和使用方法232是一种工作原理和使用方法,它在信息传输方面起着重要作用。
下面将详细介绍232的工作原理和使用方法。
一、工作原理232是一种串行通信协议,它通过将数据以位的形式进行传输来实现信息的交换。
232采用的是异步通信方式,即发送方和接收方的时钟不同步。
在传输数据时,发送方将数据按照一定的速率进行发送,接收方则按照相同的速率进行接收。
由于发送和接收的时钟不同步,所以需要在数据中添加一些同步信息,以便接收方能够正确地解析数据。
232的工作原理可以简单描述为以下几个步骤:1. 发送方将要传输的数据转换为二进制形式,并添加起始位和停止位,以便接收方正确解析数据。
2. 发送方将数据以一定的速率发送出去,接收方按照相同的速率进行接收。
3. 接收方接收数据,并根据起始位和停止位解析数据。
4. 接收方接收到数据后,可以进行进一步的处理,比如将数据显示在屏幕上或进行其他操作。
二、使用方法在实际应用中,232通信常用于连接计算机与外部设备,比如打印机、传感器、控制器等。
以下是232的使用方法的一般步骤:1. 准备连接线缆:根据设备的接口类型,选择合适的连接线缆。
常见的连接线缆有DB9、DB25等。
2. 连接设备:将一端连接到计算机的串口接口,将另一端连接到外部设备的串口接口。
3. 配置串口参数:打开计算机的设备管理器,找到对应的串口,并配置波特率、数据位、停止位等参数。
4. 编写程序或使用软件:根据实际需求,编写程序或使用相应的软件来实现数据的发送和接收。
可以使用编程语言如C、C++、Python 等,也可以使用现成的串口通信软件。
5. 测试与调试:在发送和接收数据之前,进行测试与调试,确保通信正常。
可以发送一些测试数据,并观察接收方是否能正确解析数据。
6. 实际应用:在通信正常的情况下,可以将232应用到实际的项目中。
根据具体需求,可以进行数据的采集、控制等操作。
总结:232作为一种串行通信协议,具有简单、稳定等特点,被广泛应用于计算机与外部设备之间的数据交换。
rs232通信协议RS232通信协议是一种标准的串行通信协议,最初由美国电子工业协会制定,广泛应用于计算机和外部设备之间的数据传输。
RS232通信协议规定了数据传输的电气和物理特征,包括数据位、停止位、波特率等。
其中,数据位用于表示每个数据字节中的位数,通常为8;停止位用于表示一个数据字节传输结束的标志位,通常为1;波特率则表示每秒传输的位数。
通过这些规定,RS232通信协议确保了数据在发送和接收端之间的正确传输。
在RS232通信协议中,数据通信的一方称为“主机”,另一方称为“从机”。
主机负责发送数据,从机负责接收数据。
数据的传输通过串行通信线进行,其中TX(传输)线由主机使用,RX(接收)线由从机使用。
为了确保数据的正确传输,RS232通信协议还定义了一些控制信号。
其中,RTS(请求发送)信号由主机使用,表示主机准备好发送数据并请求从机接收;CTS(清除发送)信号由从机使用,表示从机准备好接收数据;DTR(数据终端就绪)信号由主机使用,表示主机处于就绪状态;DSR(数据终端准备好)信号由从机使用,表示从机处于就绪状态;RI(振铃指示)信号表示来电指示;CD(载波检测)信号表示载波检测。
在进行RS232通信时,主机和从机之间需要进行握手协议。
最简单的握手协议是“无握手协议”,主机直接发送数据给从机,从机直接接收数据。
另一种常用的握手协议是“软件握手协议”,主机在发送数据之前先向从机发送RTS信号,从机在接收数据之前先向主机发送CTS信号,以确保主机和从机之间的状态同步。
在实际应用中,RS232通信协议广泛用于计算机和打印机、调制解调器、条码扫描枪等外部设备之间的数据传输,以及计算机和单片机、嵌入式系统等之间的数据传输。
它不仅具有稳定性和可靠性,还能够在不同的硬件平台上实现互操作。
总结起来,RS232通信协议是一种标准的串行通信协议,通过定义数据传输的电气和物理特征以及控制信号,确保了数据在主机和从机之间正确传输。
电脑RS232与工业电子秤如何相连接
电子秤RS232传输接口是什么呢?所谓的RS232接口也就是我们常说的串口,是计算机和计算机终端之间实现数据传输的接口,有了它电子秤就可以与计算机联接,从而下载各种称重软件以实现操作界面和功能的更新。
之所以采用这种接口主要是因为这种通讯方式使用线路少、成本低。
在电子称重系统中,对称重显示仪表的要求是很严格的,首先是稳定性和显示精确度/显示速度要好,其次是电子秤仪表的人性化操作和输出接口的功能和适应性要强。
最典型的就是RS232异步串行输出功能,它的技术成熟,可以连接电脑,大屏幕显示器,支持RS232串口的打印机,而且大部分的电子产品都支持RS232界面卡。
所以大部分的电子衡器产品都增加了RS232接口。
大部分厂家电子秤的RS232接口输出形式都是相似的,比如:
Stream连续输出信号——连接计算机称重软件记录数据,连接大屏幕重量数据显示器。
Auto重量数据稳定后再输出——连接打印机,使之自动打印重量数据。
Kpc电子秤命令输出——连接计算机或打印机,人工控制重量数据的传输。
Cmd计算机命令输出——连接上位机、PLC等系统,实现称重管理自动化控制。
施耐德M218系列(SoMachine V4.1)PLC与第三方电子天平的RS232通讯
工控班长2014年10月于山东济南
本教程的主要讲解的是施耐德M218系列PLC与第三方的电子天平通讯进行重量的测量
我们需要使用的物理原件:1,RS232转RS485接口
2,施耐德M218系列PLC一台
3,电子天平一台(品牌不限,这里以友声为例)
我们需要使用的变成软件:SoMachine V4.1
硬件的连接
1,串口接头的焊接:2—3
3—2
5—5
2,转换卡和PLC之间的连接
T/R+—D1
T/R-—D2
3,整体连接(注意因为RS232与483接头的物理性质决定了连接天平和PLC时最少应该有一方断电,建议全部断电后进行接头的拔插)
软件的编程;
打开SoMachine V4.1
程序如下:
以下为通讯的主要程序,有不懂的朋友可以选定后按F1帮助,
里面有详细的说明和案例
我们需要的重量信息都储存在HELLOINBYTES这个字符串中,里面有很多天平的其他信息,我们只需要提取重量信息进行了,程序段落5的作用就是提起字符串中从第7位开始的连续5个字符,存入一个新的字符串ABC中,下面在将字符串转换成浮点数
下面我们下载程序进行测试:
程序会自动下载到PLC中
监视如下:。
RS232通信协议简介RS232是一种串行通信协议,它是由美国电子工业协会制定的一套标准,用于在计算机和外部设备之间传输数据。
它是一种经典的通信协议,常被用于串口通信。
RS232特点•点对点通信:RS232协议是一种点对点通信协议,即只能在两个设备之间进行通信,不能实现多个设备同时通信。
•串行传输:RS232协议采用串行传输方式,即数据位逐位地传输,与并行传输相比,串行传输只需使用一根线缆,因此更加节省成本。
•异步通信:RS232协议采用异步通信方式,即数据传输的时钟信号由发送方和接收方的时钟不同步产生,发送端按照一定的协议将数据逐位地发送,接收端则根据协议进行解码。
RS232通信流程RS232通信的流程大致可以分为三个步骤:建立连接、数据传输和断开连接。
1. 建立连接在RS232通信中,建立连接需要确保以下几点:•串口设置:发送方和接收方的串口设置(波特率、数据位、停止位、校验位等)必须一致,以保证数据能够正确传输。
•物理连接:发送方的串口输出引脚(TX)连接到接收方的串口输入引脚(RX),同时发送方的串口输入引脚(RX)连接到接收方的串口输出引脚(TX)。
2. 数据传输一旦建立连接,数据传输可以开始。
数据传输的基本单位是字节,发送方将数据按照一定的顺序和协议逐字节地发送给接收方。
在RS232通信中,数据传输的顺序是由发送方控制的。
发送方按照一定的协议将数据逐字节地发送给接收方,接收方则根据协议进行解码。
3. 断开连接当数据传输完成后,需要断开连接。
断开连接的方式可以是发送一个特定的断开连接指令,或者直接关闭串口。
RS232常见应用RS232通信协议广泛应用于各种领域,如工业控制、通信设备、计算机外设等。
以下是一些常见的RS232应用场景:•串口调试:RS232通信协议可以用于串口调试,通过串口连接计算机和调试工具,可以实现对设备的配置、数据传输和调试等功能。
•数据采集:RS232通信协议可以用于数据采集,通过串口连接采集器和计算机,可以实现对各种传感器数据的采集和处理。
RS232串口通信协议
RS232协议中的数据是以字符为单位进行传输的,每个字符由1个起
始位、5-9个数据位、可选的奇偶校验位和1-2个停止位组成。
起始位用
于标识字符的开始,停止位用于标识字符的结束。
奇偶校验位用于检测数
据传输过程中的错误。
RS232协议还定义了一些控制信号,用于进行数据流控制和设备控制。
其中,RTS(Request to Send)信号用于通知外部设备数据准备就绪,CTS(Clear to Send)信号用于通知计算机外部设备准备好接收数据。
DTR(Data Terminal Ready)信号用于通知外部设备计算机准备好进行通信,DSR(Data Set Ready)信号用于通知计算机外部设备准备好进行通信。
1.简单可靠:RS232协议的物理层和数据链路层设计简单,易于实现
和维护,并且具有较高的可靠性;
2.点对点通信:每条RS232连接只能由两个设备进行通信,其中一个
设备充当主机,另一个设备充当从机;
3.通信距离短:由于RS232协议使用的是差分信号和串行传输方式,
因此通信距离较短,通常不超过50英尺;
4.通信速率灵活:RS232协议支持多种通信速率的调整,以满足不同
应用的需求;
5.数据格式简单:RS232协议中的数据格式简单明确,包括起始位、
数据位、奇偶校验位和停止位,易于编程和解析。
总之,RS232协议是一种简单可靠的串口通信协议,被广泛应用于各个领域。
它的设计简单,易于实现和维护,同时具有灵活的通信速率和简单明确的数据格式,能够满足不同应用的需求。
C-104ACS-A系列新壳电子计重/计数/百分比秤使用说明书(RS232可选)一、技术指标:1.内置可充电蓄电池,充电时可以开机使用。
2.开机自动置零。
3.零点自动跟踪。
4.具有计重、计数、百分比切换功能;计重时具有重量分选功能。
5.电源:交流220V/110V(±10%)/ 50Hz; 直流6V/4Ah (内置可充电蓄电池)6.工作温度范围:0℃~ +40℃。
7.相对工作湿度: ≤85% RH。
二、键盘功能说明:1.【标定】键:由于使用地点不同等原因造成称量不准时进行重量重新标定。
2.【模式】键:功能模式选择,选择计重、计数、百分比三种工作模式。
3.【单位】键:单位选择,有公斤、磅两种单位供选择。
4.【设定】键:在计重模式用于进入设定上下限报警范围;计数和百分比模式用来重量取样。
5.【置零】键:秤台上没有任何物品,但显示出现微小重量出现,按此键使重量归零。
连续按此键2-4秒,背光被打开或关闭。
6.【去皮】键:用来去除皮重,在去皮状态下用来消除皮重。
7.【↑】键:数字输入键,用来输入数字或选择数字。
8.【确认】键:确认当前的操作。
三、操作说明:电子秤应置于稳定平整的台面上。
调整四个底脚螺钉使秤处于水平位置,然后开启电源(如果需要则应先放上专用秤盘)。
开机笔画显示结束后进入计重模式,“零位”标志和“公斤”指示标志出现,可按“模式”键循环选择计重、计数、百分比三种功能模式电子秤不能长期在去皮状态下使用,否则零位自动跟踪功能消失,零位会产生漂移。
背光开/关:按【置零】键2-4秒,背光被打开或关闭。
【计重模式】单位选择:按【单位】键,用来在公斤和磅之间选择计重单位,显示屏上出现相应的指示标志。
去皮功能:将容器放在秤盘上,重量稳定后,按【去皮】键,重量显示为零, “去皮”标志出现,此时显示的重量为净重;将秤盘上的物品取下,重量显示为负值,再按【去皮】键,称重复零,“去皮”标志消失。
(去皮范围≤1/3满量程)置零功能:在使用过程中,如果出现零点漂移现象(秤盘上无任何物品,但有重量显示),按【置零】键,重量归零。
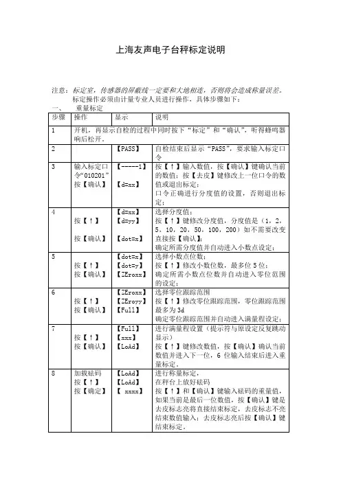
POS秤232通讯协议与设置(2013-03-28)
设定方法:
开机进入称重状态后,同时按下数字键【1】和【找钱】(24键)或数字键【1】和【总计】(16键)进入RS232设定状态。
1.金额窗口显示“CLOSE”或“SER”,按【去皮】键进行选择,“CLOSE”为串口关闭,SER为串口打开。
按【累清/设定】键确认并进入下一步。
2.金额窗显示“B ****”,按【去皮】键选择串口波特率,共有1200,2400,4800,9600共4种。
按【累清/设定】键确认并进入下一步。
3.金额窗显示“P **”,按【去皮】键选择通讯协议,可选为1-9,。
按【累清/设定】键确认并进入下一步。
4.如果通讯协议选择为1,则进行地址设定,否则直接结束串口设定。
金额窗显示“A ***”按数字键输入机器地址(0-254),按【累清/设定】键确认并结束串口设定。
协议选择列表
通讯协议:
串口协议:8位数据位,1位停止位,无校验位。
数据格式:
协议A(共14字节)
字节1:0xFF起始位
字节2:D0~D2 —重量小数点位置(1-4,1表示无小数点,4为3个小数点)
D3 —1表示重量为负,0表示重量为正
D4 —1表示重量稳定,0表示重量不稳定
D5 —1表示重量溢出,0表示重量未溢出
D6 —1表示金额累计或查看总金额,所发送的重量数为零,0表示所发送的数据是当前的重量;
D7 —1表示计量单位不是公斤,0表示计量单位是公斤
字节3:D0~D7 —BCD1(显示净重的最低两位BCD码)
字节4:D0~D7 —BCD2(显示净重的中间两位BCD码)
字节5:D0~D7 —BCD3(显示净重的最高两位BCD码)
字节6:D0~D2 —单价小数点位置(1-4,1表示无小数点,4为3个小数点)D3 —1表示金额累计或查看总金额,所发送的单价数为累计次数,单价小数点位置为1,0表示所发送的数据是当前的单价;
D4~D7 —保留
字节7:D0~D7 —BCD4(显示单价或累计次数的最低两位BCD码)
字节8:D0~D7 —BCD5(显示单价或累计次数的中间两位BCD码)
字节9:D0~D7 —BCD6(显示单价或累计次数的最高两位BCD码)
字节10:D0~D2 —金额小数点位置(1-4,1表示无小数点,4为3个小数点)D3 —1表示金额累计或查看总金额,所发送的金额数为累计金额,0表示所发送的数据是当前的金额;
D4 —1表示金额溢出,0表示金额没有溢出;
D5 —1表示重量为负数,当前金额数为无效数据;
D6~D7 —保留
字节11:D0~D7 —BCD7(显示金额的最低两位BCD码)
字节12:D0~D7 —BCD8(显示金额的中间两位BCD码)
字节13:D0~D7 —BCD9(显示金额的最高两位BCD码)
字节14:D0~D7 —机器地址,0-254
举例:
净重为2.365;单价为5.62;金额为13.29,当前重量稳定,机器地址为200,发送数据如下(16进制):
FF 14 65 23 00 03 62 05 00 03 29 13 00 C8
协议B(共6字节)
字节1:0xFF起始位
字节2:D0~D2 —重量小数点位置(1-4,1表示无小数点,4为3个小数点)D3~D4 —保持为0
D5 —1表示重量为负,0表示重量为正
D6 —1表示重量稳定,0表示重量不稳定
D7 —1表示重量溢出,0表示重量未溢出
字节3:D0~D7 —BCD1(显示净重的最低两位BCD码)
字节4:D0~D7 —BCD2(显示净重的中间两位BCD码)
字节5:D0~D7 —BCD3(显示净重的最高两位BCD码)
字节6:D0~D7 —1表示单位不是公斤,0表示单位是公斤;
举例:
净重为2.365,当前重量稳定,发送数据如下(16进制):
FF 44 65 23 00 00
协议C(共18字节)
字节1-2(ASCII):WT
字节3-4(ASCII):重量稳定发送ST,重量不稳定发送US,超重发送OL
字节5(ASCII):重量为正发送+,重量为负发送-
字节6-12(ASCII):重量数据,如1.235;不足部分用空格补足
字节13-16(ASCII):重量单位,不足用空格不足,如kg
字节17(16进制):0x0D
字节18(16进制):0x0A
举例:
净重为2.365,当前重量稳定,发送数据如下:
协议D(共8字节)
字节1(ASCII):= 起始位
字节2-8(ASCII):按先低后高的顺序发送6位重量数据,最后发送符号位,其中“-”表示负数,空格表示正数,不满8个数据则用空格填满。
举例:
净重为2.365,发送数据如下:
30 30 20 2E 30
协议E(共12字节)
0.075
字节1(16进制):0x02 起始位
字节2(ASCII):重量为正发送+,重量为负发送-
字节3-8(ASCII):重量数据,不足部分用0补足
字节9(ASCII):小数位数(0~4)
字节10(ASCII):异或校验,高四位(0-9,A-F)
字节11(ASCII):异或校验,低四位(0-9,A-F)
字节12(16进制):0x03
异或=2⊕3⊕……8⊕9
举例:
净重为2.365,发送数据如下:
异或=2B⊕30⊕30⊕32⊕33⊕36⊕35⊕33=1A
协议F(共22字节)
字节1(16进制):0x0A
字节2(16进制):0x0D
字节3-7(ASCII):重量数据,不足部分用空格补足,不包括小数点。
字节8,9(ASCII):空格
字节10-14(ASCII):单价数据,不足部分用空格补足,不包括小数点。
字节15,16(ASCII):空格
字节17-22(ASCII):金额数据,不足部分用空格补足,不包括小数点。
举例:
如果净重为2.365;单价为5.62;金额为13.29,发送的数据如下:
0A0D2032333635202020203536322020202031333239
如果净重为0.000;单价为0.00;金额为0.00,发送的数据如下:
0A0D2020202030202020202020302020202020202030
如果净重为负,则直接发送
0A0D2020202020202020202020202020202020202020。