梁、板、柱配筋规范最牛总结
- 格式:xls
- 大小:85.00 KB
- 文档页数:18
《混凝土结构设计规范》9.2.1条钢筋混凝土梁纵向受力钢筋的直径,当梁高h≥300mm时,不应小于10mm;当梁高h<300mm 时,不应小于8mm.一.《建筑抗震设计规范》6.3.4.1条沿梁全长顶面和底面应至少各配置两根纵向配筋,一、二级抗震设计时钢筋直径不应小于14mm,且分别不小于梁两端顶面和底面纵向钢筋中较大截面面积的1/4;三、四级抗震设计和非抗震设计时钢筋直径不应小于12mm.二.《高层建筑混凝土结构技术规程》10.2.8.2条偏心受拉的框支梁,其支座上部纵向钢筋至少应有50%沿梁全长贯通,下部纵向钢筋应全部直通到柱内.一.《混凝土结构设计规范》11.3.1条梁正截面受弯承载力计算中,计入纵向受压钢筋的梁端混凝土受压区高度应符合下列要求: 一级抗震等级:x≤0.25*ho,二、三级抗震等级:x≤0.35ho二.《混凝土结构设计规范》6.2.7条混凝土受压区高度尚应符合下列条件: x≤ξb*h0;钢筋等级为HPB300时,ξb =0.576钢筋等级为HRB335/HRBF335时,ξb =0.550钢筋等级为HRB400/HRBF400/RRB400时,ξb =0.518钢筋等级为HRB500/HRBF500时,ξb =0.482三.《建筑抗震设计规范》6.3.4.1条梁端纵向受拉钢筋的配筋率不宜大于2.5%一.《混凝土结构设计规范》11.3.6第1条纵向拉钢筋的配筋率不应小于表11.3.6-1规定的数值;表11.3.6-1 框架梁纵向受拉钢筋的最小配筋百分率(%)┏━━━━━━┳━━━━━━━━━━━━━━━━━━━┓┃┃位置┃┃抗震等级┣━━━━━━━━━┳━━━━━━━━━┫┃┃支座(取较大值) ┃跨中(取较大值) ┃┣━━━━━━╋━━━━━━━━━╋━━━━━━━━━┫┃一级┃0.40,80ft/fy ┃0.30,65ft/fy ┃┣━━━━━━╋━━━━━━━━━╋━━━━━━━━━┫┃二级┃0.30,65ft/fy ┃0.25,55ft/fy ┃┣━━━━━━╋━━━━━━━━━╋━━━━━━━━━┫┃三、四级┃0.25,55ft/fy ┃0.20,45ft/fy ┃┗━━━━━━┻━━━━━━━━━┻━━━━━━━━━┛二.《混凝土结构设计规范》8.5.1条钢筋混凝土结构构件中纵向受力钢筋的最小配筋百分率(%),受弯构件不应小于0.2和45ft/fy 的较大值.三.《高层建筑混凝土结构技术规程》10.2.8.1条梁上、下部纵向钢筋的最小配筋率,非抗震设计时分别不应小于0.30%;特一、一和二级分别不应小于0.6%.0.5%和0.4%.《混凝土结构设计规范》11.3.6第2条抗震设计时,梁端截面的底面和顶面纵向钢筋截面面积的比值,除按计算确定外,一级不应小于0.5,二、三级不应小于0.3.《混凝土结构设计规范》3.4.3条受弯构件的最大挠度应按荷载效应的标准组合并考虑荷载长期作用影响进行计算,其计算值不应超过表3.4.3规定的挠度限值.表3.4.3 受弯构件的挠度限值┏━━━━━━━━━━━┳━━━━━━━━━━━┓┃构件类型┃挠度限值┃┣━━━━━━━━━━━╋━━━━━━━━━━━┫┃吊车梁: 手动吊车┃lo/500 ┃┃自动吊车┃lo/600 ┃┣━━━━━━━━━━━╋━━━━━━━━━━━┫┃屋盖楼盖及楼梯构件┃┃┃当lo<7m时┃lo/200(lo/250) ┃┃当7m≤lo≤9m时┃lo/250(lo/300) ┃┃当lo>9m时┃lo/300(lo/400) ┃┗━━━━━━━━━━━┻━━━━━━━━━━━┛注:1.表中lo为构件的计算跨度;2.表中括号内的数值适用于使用上对挠度有较高要求的构件;3.如果构件制作时预先起拱,且使用上也允许,则在验算挠度时,可将计算所得的挠度值减去起拱值;对预应力混凝土构件,尚可减去预加力所产生的反拱值;4.计算悬臂构件的挠度限值时,其计算跨度lo按实际悬臂长度的2倍取用.一.《混凝土结构设计规范》3.4.4条结构构件正截面的裂缝控制等级分为三级、裂缝控制等级的划分应符合下列规定:一级---严格要求不出现裂缝的构件,按荷载效应标准组合计算时,构件受拉边缘混凝土不应产生拉应力;二级---一般要求不出现裂缝的构件,按荷载效应标准组合计算时,构件受拉边缘混凝土拉应力不应大于混凝土轴心抗拉强度标准值;按荷载效应准永久组合计算时,构件受拉边缘混凝土不宜产生拉应力,当有可靠经验时可适当放松;三级---允许出现裂缝的构件,按荷载准永久组合并考虑长期作用影响计算时,构件的最大裂缝宽度不应超过表3.4.5规定的最大裂缝宽度限值.二.《混凝土结构设计规范》3.4.5条结构构件应根据结构类别和本规范表3.5.2规定的环境类别,按表3.4.5的规定选用不同的裂缝控制等级及最大裂缝宽度限值Wlim.表3.4.5 结构构件的裂缝控制等级及最大裂缝宽度限值┏━━━━━━┳━━━━━━━━━━━━━━┳━━━━━━━━━━━━━━┓┃┃钢筋混凝土结构┃预应力混凝土结构┃┃环境类别┣━━━━━━━━┳━━━━━╋━━━━━━━━┳━━━━━┫┃┃裂缝控制等级┃Wlim(mm)┃裂缝控制等级┃Wlim(mm) ┃┣━━━━━━╋━━━━━━━━╋━━━━━╋━━━━━━━━╋━━━━━┫┃一┃┃0.3(0.4) ┃┃0.2 ┃┣━━━━━━┫┣━━━━━┫三级┣━━━━━┫┃二a ┃┃┃┃0.1 ┃┣━━━━━━┫三┃┣━━━━━━━━╋━━━━━┫┃二b ┃┃0.2 ┃二级┃━┃┣━━━━━━┫┃┣━━━━━━━━╋━━━━━┫┃三a、三b ┃┃┃一级┃━┃┗━━━━━━┻━━━━━━━━┻━━━━━┻━━━━━━━━┻━━━━━┛注:1.表中的规定适用于采用热轧钢筋的钢筋混凝土构件和采用预应力钢丝、钢绞线及热处理钢筋的预应力混凝土构件;当采用其他类别的钢丝或钢筋时,其裂缝控制要求可按专门标准确定;2.对处于年平均相对湿度小于60%地区一类环境下的受弯构件,其最大裂缝宽度限值可采用括号内的数值;3.在一类环境下,对钢筋混凝土屋架、托架及需作疲劳验算的吊车梁,其最大裂缝宽度限值应取为0.2mm;对钢筋混凝土屋面梁和托梁,其最大裂缝宽度限值应取为0.3mm;4.在一类环境下,对预应力混凝土屋面梁、托梁、屋架、托架、屋面板和楼板,应按二级裂缝控制等级进行验算;在一类和二类环境下,对需作疲劳验算的须应力混凝土吊车梁,应按一级裂缝控制等级进行验算;5.表中规定的预应力混凝土构件的裂缝控制等级和最大裂缝宽度限值仅适用于正截面的验算;预应力混凝土构件的斜截面裂缝控制验算应符合本规范第8章的要求;6.对于烟囱、筒仓和处于液体压力下的结构构件,其裂缝控制要求应符合专门标准的有关规定;7.对于处于四、五类环境下的结构构件,其裂缝控制要求应符合专门标准的有关规定;8.表中的最大裂缝宽度限值用于验算荷载作用引起的最大裂缝宽度.一.《建筑抗震设计规范》6.3.3.3条梁端箍筋加密区的长度.箍筋的最大间距和最小直径应按表6.3.3采用,当梁端纵向钢筋配筋率大于2%时,表中箍筋最小直径应加大2mm.表6.3.3 梁端箍筋加密区的长度.箍筋的最大间距和最小直径┃抗震等级┃加密区长度(mm) ┃箍筋最大间距(mm) ┃箍筋最小直径(mm)┃┃┃(取较大值) ┃(取较小值) ┃┃┣━━━━╋━━━━━━━━━━╋━━━━━━━━━━━╋━━━━━━━━┫┃一┃2*hb,500 ┃hb/4,6d,100 ┃10 ┃┣━━━━╋━━━━━━━━━━╋━━━━━━━━━━━╋━━━━━━━━┫┃二┃┃hb/4,8d,100 ┃8 ┃┣━━━━┫┣━━━━━━━━━━━╋━━━━━━━━┫┃三┃ 1.5*hb,500 ┃┃8 ┃┣━━━━┫┃hb/4,8d,150 ┣━━━━━━━━┫┃四┃┃┃ 6 ┃┗━━━━┻━━━━━━━━━━┻━━━━━━━━━━━┻━━━━━━━━┛注:1.d为纵筋直径,hb为梁截面高度.2.梁高不小于1m 时,梁端箍加密区箍筋的最大间距应允许为hb/6,但不应大于200mm二.《混凝土结构设计规范》9.2.9.2条对截面高度h>800mm的梁,其箍筋直径不宜小于8mm;对截面高度h≤800mm的梁,其箍筋直径不宜小于6mm.梁中配有计算需要的纵向受压钢筋时,箍筋直径尚不应小于纵向受压钢筋最大直径的0.25倍.三.《高层建筑混凝土结构技术规程》10.2.8.3条框支梁支座处(离柱边1.5倍梁截面高度范围为)箍筋应加密,加密区箍筋直径不应小于10mm,间距不应大于100mm.一.《混凝土结构设计规范》11.3.7条在非加密区的箍筋间距≤2倍的加密区箍筋间距.二.《混凝土结构设计规范》表9.2.9┏━━━━━━┳━━━━━━━━━┳━━━━━━━━━┓┃梁高h(mm) ┃V>0.7*ft*b*h0 ┃V<=0.7*ft*b*h0 ┃┣━━━━━━╋━━━━━━━━━╋━━━━━━━━━┫┃≤300 ┃150 ┃200 ┃┣━━━━━━╋━━━━━━━━━╋━━━━━━━━━┫┃300<h≤500┃200 ┃300 ┃┣━━━━━━╋━━━━━━━━━╋━━━━━━━━━┫┃500<h≤800┃250 ┃350 ┃┣━━━━━━╋━━━━━━━━━╋━━━━━━━━━┫┃h>800 ┃300 ┃400 ┃┗━━━━━━┻━━━━━━━━━┻━━━━━━━━━┛一.《建筑抗震设计规范》表6.3.3 梁端箍筋加密区的长度.箍筋的最大间距和最小直径┃抗震等级┃加密区长度(mm) ┃箍筋最大间距(mm) ┃箍筋最小直径(mm)┃┃┃(取较大值) ┃(取较小值) ┃┃┣━━━━╋━━━━━━━━━━╋━━━━━━━━━━━╋━━━━━━━━┫┃一┃2*hb,500 ┃hb/4,6d,100 ┃10 ┃┣━━━━╋━━━━━━━━━━╋━━━━━━━━━━━╋━━━━━━━━┫┃二┃┃hb/4,8d,100 ┃8 ┃┣━━━━┫┣━━━━━━━━━━━╋━━━━━━━━┫┃三┃ 1.5*hb,500 ┃┃8 ┃┣━━━━┫┃hb/4,8d,150 ┣━━━━━━━━┫┃四┃┃┃ 6 ┃┗━━━━┻━━━━━━━━━━┻━━━━━━━━━━━┻━━━━━━━━┛注:1.d为纵筋直径,hb为梁截面高度.2.梁高不小于1m 时,梁端箍加密区箍筋的最大间距应允许为hb/6,但不应大于200mm.二.《高层建筑混凝土结构技术规程》10.2.8.3条框支梁支座处(离柱边1.5倍梁截面高度范围为)箍筋应加密,加密区箍筋直径不应小于10mm,间距不应大于100mm.三.《混凝土结构设计规范》表9.2.9 梁中箍筋的最大间距(mm)┏━━━━━━┳━━━━━━━━━┳━━━━━━━━━┓┃梁高h(mm) ┃V>0.7*ft*b*h0 ┃V<=0.7*ft*b*h0 ┃┣━━━━━━╋━━━━━━━━━╋━━━━━━━━━┫┃≤300 ┃150 ┃200 ┃┣━━━━━━╋━━━━━━━━━╋━━━━━━━━━┫┃300<h≤500┃200 ┃300 ┃┣━━━━━━╋━━━━━━━━━╋━━━━━━━━━┫┃500<h≤800┃250 ┃350 ┃┣━━━━━━╋━━━━━━━━━╋━━━━━━━━━┫《混凝土构造手册》图3.3.2当梁宽<400 n=2, ≥400 n=4一.《混凝土结构设计规范》11.3.8条梁箍筋加密区长度内的箍筋肢距:一级抗震等级不宜大于200mm和20倍箍筋直径的较大值二、三级抗震等级不宜大于250mm和20倍箍筋直径的较大值四级抗震等级不宜大于300mm二.《混凝土构造手册》图3.3.2当梁宽<400 n=2, ≥400 n=4一.《混凝土结构设计规范》11.3.9条一级:ρsv≥0.3ft/fyv二级:ρsv≥0.28ft/fyv三、四级:ρsv≥0.26ft/fyv二.《混凝土结构设计规范》9.2.9.3条当V>0.7ft*b*ho时,箍筋的配箍率ρsv(ρsv=Asv/(b*s)尚不应小于0.24ft/fyv.三.《高层建筑混凝土技术规程》10.2.7条框支梁最小配箍率:特一级:ρsv≥1.3ft/fyv一级:ρsv≥1.2ft/fyv二级:ρsv≥1.1ft/fyv非抗震区:ρsv≥0.9ft/fyv一.《混凝土结构设计规范》9.2.13条当梁的腹板高度hw≥450mm时,在梁的两个侧面应沿高度配置纵向构造钢筋,每侧纵向构造钢筋(不包括梁上、下部受力钢筋及架立钢筋)的截面面积不应小于腹板截面面积bhw的0.1%,且其间距不宜大于200mm.二.《高层建筑混凝土结构技术规程》10.2.8.2条沿梁高应配置间距不大于200.直径不小于16mm的腰筋.一.《混凝土结构设计规范》9.2.13条当梁的腹板高度hw≥450mm时,在梁的两个侧面应沿高度配置纵向构造钢筋,每侧纵向构造钢筋(不包括梁上、下部受力钢筋及架立钢筋)的截面面积不应小于腹板截面面积bhw的0.1%,且其间距不宜大于200mm.二.《高层建筑混凝土结构技术规程》10.2.8.2条沿梁高应配置间距不大于200.直径不小于16mm的腰筋.。
梁板柱配筋规范最牛总结随着建筑工程的发展,结构设计规范也在不断完善和更新。
梁板柱结构作为建筑结构中常见的组合形式,在设计和构造方面要求相对较高。
本文将从规范的角度出发,总结一下梁板柱配筋规范的要点和注意事项。
一、梁的配筋规范1.梁的受力特点:梁一般承受弯矩和剪力,因此在配筋时需要考虑受力特点和力的传递路径。
2.梁截面布置要求:梁的截面应该布置合理,能够满足受力要求,同时尽量减小截面尺寸,提高材料利用率。
3.配筋率:梁的配筋率是指钢筋面积与截面面积的比值,一般在0.01~0.08之间。
配筋率过小会导致截面受力不均匀,配筋率过大则会浪费材料。
4. 钢筋直径和数量:梁的钢筋直径和数量应根据受力计算确定,一般采用直径为12mm、16mm、20mm等。
5.最小配筋率:梁的最小配筋率是指在弯矩和剪力作用下,截面中钢筋的最小面积占截面面积的比例。
一般按规范规定的数值计算。
6.钢筋的保护层:钢筋应该与混凝土表面保持一定的间距,以提供足够的保护层厚度,防止钢筋锈蚀。
二、板的配筋规范1.板的受力特点:板一般承受弯矩和剪力,因此在配筋时需要考虑受力特点和力的传递路径。
2.板的厚度和配筋率:板的厚度和配筋率应根据受力计算确定,一般来说,板的厚度越大,配筋率越小。
3. 钢筋直径和数量:板的钢筋直径和数量应根据受力计算确定,一般采用直径为6mm、8mm、10mm等。
4.面筋和肋筋:板的配筋主要有面筋和肋筋两种形式。
面筋一般平行于板的一侧,用于抵抗板的弯矩。
肋筋一般垂直于面筋,用于增加板的刚度和强度。
5.钢筋的保护层:与梁相同,板的钢筋也应该与混凝土表面保持一定的间距,以提供足够的保护层厚度。
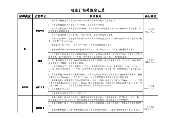
三、柱的配筋规范1.柱的受力特点:柱一般主要承受压力,因此在配筋时需要考虑受力特点和力的传递路径。
2.柱的截面尺寸:柱的截面尺寸应根据受力计算确定,一般来说,柱的截面尺寸越大,承载能力越大。
3.配筋率:柱的配筋率是指钢筋面积与截面面积的比值,一般在0.01~0.08之间。
梁配筋中易错问题总结1.梁截面是否和模型中一致(注意变截面位置)。
2. 梁配筋是否满足计算结果。
3. 梁上部钢筋水平方向的净间距不应小于30mm和1.5d;梁下部钢筋水平方向的净间距不应小于25mm和d。
当下部钢筋多于2层时,2层以上钢筋水平方向的中距应比下面2层的中距增大一倍;各层钢筋之间的净间距不应小于25mm和d,d为钢筋的最大直径。
《混凝土结构设计规范》GB 50010-2010 9.2.1.3条4.当梁端按简支计算但实际受到部分约束时,应在支座区上部设置纵向构造钢筋。
其截面面积不应小于梁跨中下部纵向受力钢筋计算所需截面面积的1/4,且不应少于2根。
对架立钢筋,当梁的跨度小于4m时,直径不宜小于8mm;当梁的跨度为4m~6m时,直径不应小于10mm;当梁的跨度大于6m时,直径不宜小于12mm。
《混凝土结构设计规范》GB 50010-2010 9.2.6条5.梁的腹板高度hw不小于450mm时,在梁的两个侧面应沿高度配置纵向构造钢筋。
每侧纵向构造钢筋(不包括梁上、下部受力钢筋及架立钢筋)的间距不宜大于200mm,截面面积不应小于腹板截面面积(bhw)的0.1%,但当梁宽较大时可以适当放松。
《混凝土结构设计规范》GB 50010-2010 9.2.13条6.框架梁的钢筋配置,应符合下列各项要求:1 梁端计入受压钢筋的混凝土受压区高度和有效高度之比,一级不应大于0.25,二、三级不应大于0.35。
2 梁端截面的底面和顶面纵向钢筋配筋量的比值,除按计算确定外,一级不应小于0.5,二、三级不应小于0.3(当XL考虑竖向地震作用时也需满足此条)。
3 梁端箍筋加密区的长度、箍筋最大间距和最小直径应按表6.3.3采用,当梁端纵向受拉钢筋配筋率大于2%时,表中箍筋最小直径数值应增大2mm。
《建筑抗震设计规范》GB 50011-2010 6.3.3条(强条)7.梁的钢筋配置,尚应符合下列规定:1 梁端纵向受拉钢筋的配筋率不宜大于2.5%。
梁配筋框架梁的有关规定抗震结构截面要求纵向钢筋计算要求目的:通过“强柱弱梁”措施引导框架中的塑性铰首先在梁端形成,控制梁端塑性铰具有较大的塑性转动能力,以保证框架梁端截面具有足够的曲率延性。
在确定混凝土受压区高度时,可把截面内的受压钢筋计算在内。
构造要求【配筋面积】《混规》、《抗规》条文2【钢筋间距、直径要求】《混规》注:条文说明【框架梁钢筋选筋直径要求】(1)应考虑在边柱内的水平端锚固长度不小于l ae,例如:边柱的边长为300,则梁上下纵筋的最大直径为16mm(2)本着经济性原则,框架梁上部贯穿钢筋尽量用小直径钢筋,例如:支座处计算值贯通筋可采用<10cm2C14;10~12 cm2C16;12~15 cm2C18;15~18 cm2C20;配筋率要求1、非抗震2、《混规》有抗震要求《混规》《混规》《混规》适用于框架梁、次梁、连梁等形式的梁特别注意点铰接的次梁应当满足!!!!受扭纵筋《混规》注:构造要求1、通长钢筋注:通长钢筋指直径不一定相同,但不同直径的钢筋连接至少是搭接,且两端需受拉锚固的直线钢筋。
2、钢筋直径要求《抗规》柱截面为400*400时,钢筋直径应小于20原柱布置时应居中布置3、架立钢筋(一般次梁需用)《混规》4、图集06G901 1-1图集06G901 2-23、腰筋《混规》受扭腰筋:《混规》箍筋1、配置要求《混规》梁高在150~300区间时,箍筋间距宜取150mm。
第1条第2条第3条次梁没有抗震要求,最低要求满足本条即可。
2、加密区要求《混规》注:(1)对于300的框架梁,工程默认不论抗震等级为一级、二级、一般取两肢箍,对于梁宽大于300的梁,一般用四肢箍。
(2)当框架等级为一级时,如梁纵筋选用C16或C14,则加密箍筋间距分别不大于84mm及96mm。
(≤6d)3、非加密区注意点梁非加密区箍筋间距不易小于加密区的50%,但箍筋直径可以取不同值。
例如:某三级框架梁端配筋率大于2%,则加密区箍筋为C10@100(2),非加密区在满足计算要求的情况下可配C8@200(2),图中配筋方式为C10@200(2)/ C8@200(2)”。
超详细的梁、板设计规范整理梁设计1.截面:宽度不宜小于200,高宽比不宜大于4,跨高比不宜小于4;宽扁梁及深梁详规范。
2.梁截面控制指标A. 纵筋配筋率:最小配筋率按《混凝土规范》表11.3.6-1中数值取用,一般模型计算会考虑,不用管;最大配筋率不宜大于2.5%;B.纵筋净距:顶筋不应小于30mm和1.5d,底筋不应小于25mm 和1.0d。
钢筋多余2层时,2层以上钢筋中距应比下面2层中距增大1倍。
各层钢筋间距不小于25mm和d(d为纵筋最大直径)。
C. 纵筋面积比:一级不应小于0.5,二三级不应小于0.3,四级规范无要求,一般取0.25。
D. 箍筋直径及肢数:当截面高度大于800时,箍筋直径不宜小于8mm;截面高度小于800时,箍筋直径不应小于6mm;一级不小于10mm,二三级不小于8mm,四级不小于6mm,当纵筋配筋率大于2%时,箍筋直径加大(按规范的表中最小直径来加大);箍筋肢数:梁宽小于350mm用双肢箍,350~600时四肢箍,650~800时六肢箍。
E. 箍筋加密区最大间距:一级不大于hb/4、6d、100的较小者;二级不大于hb/4、8d、100的较小者;三四级不大于hb/4、8d、150的较小者。
F. 箍筋加密区长度:一级不小于2hb、500的较大者;二三四级不小于1.5hb、500的较大者。
3.梁配筋构造A. 架立筋:一般用12mm,但是《混凝土规范》9.2.6中指出,跨度小于4m是不宜小于8mm,跨度4~6m不应小于10mm,大于6m时不应小于12mm。
B. 梁侧构造筋:梁腹板高度hw(梁高-板厚)不小于450mm时,梁两侧沿高度配置纵向构造钢筋,间距不宜大于200mm,单侧配筋率不小于腹板面积(bhw)的0.1%;注意,扭筋构造是按照全高布置构造筋,间距不宜大于200mmC. 悬臂梁构造:应有至少2根钢筋伸至悬臂梁外端,并向下弯折不少于12d,其余钢筋不应截断,应在《混凝土规范》9.2.8条规定的弯起点弯折。
配筋率汇总(2010混凝⼟规范)作者:MR⼀QI⼀、⾮抗震梁、板、柱纵筋(%):《混凝⼟结构设计规范》《混凝⼟结构设计规范》8.5.11、纵向受⼒钢筋的最⼩配筋百分率(%)受⼒类型最⼩配筋百分率受压构件全部纵向钢筋强度等级500MPa0.50强度等级400MPa0.55强度等级300、335MPa0.60⼀侧纵向钢筋0.20受弯构件、偏⼼构件、轴⼼受拉构件⼀侧的受拉钢筋0.2和45ft/fy(0.178)注1受压构件全部纵向钢筋最⼩配筋百分率,当采⽤C60以上强度等级的混凝⼟时,应按表中规定增加0.10;2 板类受弯构件(不包括悬臂板)的受拉钢筋,当采⽤强度等级400 MPa、500 MPa的筋时,其最⼩配筋百分率应允许采⽤0.15和45ft/fy中的较⼤值;3偏⼼受拉构件中的受压钢筋,应按受压构件⼀侧纵向钢筋考虑;4 受压构件的全部纵向钢筋和⼀侧纵向钢筋的配筋率以及轴⼼受拉构件和⼩偏⼼受拉构件⼀侧受拉钢筋的配筋率均应按构件的全截⾯⾯积计算;5 受弯构件、⼤偏⼼受拉构件⼀侧受拉钢筋的配筋率应按全截⾯⾯积扣除受压翼缘⾯积(bf'-b)hf'后的截⾯⾯积计算;6 当钢筋沿构件截⾯周边布置时,“⼀侧纵向钢筋”系指沿受⼒⽅向两个对边中⼀边布置的纵向钢筋。
7 括号内数值为混凝⼟强度C30,钢筋采⽤HRB400。
(有括号中数值可观察到,C30,HRB400的最⼩配筋率不由材料强度控制)。
2、纵向受⼒钢筋的最⼤配筋率对于梁跨中:x≤§b·h0 §b由混凝⼟规范6.2节具体计算公式计算得来。
(C≤50,HRB400时,计算的§b为0.518 )将上式带⼊混凝⼟基本计算公式α1·fc·b·x=fy·As中,可得到混凝⼟的最⼤配筋率公式:α1·fc·b·§b·h0=fy·As,maxρmax=As,max/ b·h0=(§b·α1·fc)/ fy (公式1)(C30,HRB400时,计算的ρmax为2.06﹪《详见⼤学教材》)重要说明:以上计算公式按照单筋矩形截⾯推导,但实际⼯程中的梁上部⼀般有架⽴钢筋(抗震时有通长筋或者通长筋+架⽴筋),此时从理论上来说最⼤配筋率的计算按照双筋矩形截⾯推导更加合理,但计算较复杂,且对超筋控制更松。
梁板柱配筋要求一、梁的配筋要求1.弯矩和剪力配筋:根据梁的受力情况,主筋主要承担弯矩作用,剪力筋则主要承担剪力作用。
根据受力计算,确定梁主筋和剪力筋的截面积和间距。
2.肋筋和箍筋:梁的承载力不仅与主筋有关,还与肋筋和箍筋的设置有关。
肋筋的主要作用是增加梁的抗弯刚度和抗剪承载力,而箍筋则主要起到约束主筋和肋筋,提高梁的整体受力性能。
3.钢筋的保护层厚度:钢筋的保护层是指钢筋到混凝土表面的距离。
保护层的厚度应满足设计图纸和规范的要求,一般为梁宽的最小值。
4.钢筋的间距和直径:梁的钢筋间距和直径应根据设计要求确定,一般要求间距不大于梁高的1/4,直径不大于梁宽的1/85.钢筋的连接和锚固:梁的钢筋连接应满足牢固可靠的要求,一般采用焊接、钢筋束或者机械连接等方式。
二、板的配筋要求1.弯矩和剪力配筋:板在竖向的弯曲和剪切力作用下,需要设置主筋来承担弯矩,剪力筋来承担剪力。
2.钢筋的间距和直径:板的钢筋间距和直径应根据设计要求确定,一般要求间距不大于板厚的1/3,直径不大于板厚的1/83.钢筋的保护层厚度:钢筋的保护层同样要满足设计图纸和规范要求,一般为板厚的最小值。
4.钢筋的连接和锚固:板的钢筋连接应保证牢固可靠,一般采用焊接、钢筋束或者机械连接等方式。
5.钢筋的受力构造:板的钢筋设置需要满足承载力和变形限度的要求,一般采用等距或等间距分布的方式。
三、柱的配筋要求1.纵向钢筋:柱的纵向钢筋一般采用螺旋绕筋和直筋两种形式。
根据设计要求,确定纵向钢筋的间距、直径和弯起长度。
2.箍筋:柱的箍筋主要作用是约束纵向钢筋、提高柱的受力性能和抗震性能。
箍筋的间距和直径应根据设计要求确定。
3.钢筋的保护层厚度:柱的钢筋保护层厚度一般为柱宽的最小值,根据设计要求确定。
4.钢筋的连接和锚固:柱的钢筋连接应满足牢固可靠的要求,一般采用搭接、焊接和机械连接等方式。
5.装配式柱的配筋要求:对于装配式柱,除了以上的要求外,还需要满足模数和连接配筋的要求。
新规范梁板柱配筋要求汇总梁板柱配筋是建筑结构中关键的一环,配筋的合理性直接影响到结构的安全性和稳定性。
为此,各国都制定了相应的规范和标准,用于指导和规范梁板柱配筋的设计与施工。
本文将介绍一些常见的新规范要求,以帮助读者更好地了解和应用配筋规范。
一、梁板配筋要求:1.梁的最小配筋率:新规范中规定了梁的最小配筋率,该值是指梁截面钢筋面积与混凝土截面面积的比值。
梁的最小配筋率要根据结构的类型和使用条件来确定,通常在1%~3%之间。
2.梁的最大配筋率:新规范中也规定了梁的最大配筋率,该值是指梁截面钢筋面积与混凝土截面面积的最大比值。
梁的最大配筋率要根据构件尺寸和受力要求来确定,一般不超过5%。
3.钢筋的最小间距:梁截面的受力性能与钢筋的间距密切相关。
新规范规定了梁中钢筋的最小间距,以确保钢筋的作用能够有效地传递到混凝土中。
最小间距根据钢筋直径和梁的尺寸来确定。
4.钢筋的最大间距:为了充分利用钢筋的作用,梁截面中的钢筋应尽可能均匀地分布。
新规范规定了梁中钢筋的最大间距,以避免出现钢筋过于稀疏或过于密集的情况。
最大间距要根据受力要求和混凝土质量等因素来确定。
二、柱配筋要求:1.柱截面尺寸:新规范规定了柱截面的尺寸范围,以确保柱的受力性能和稳定性。
柱截面的尺寸要根据受力要求和建筑结构的使用条件来确定,一般要求柱的宽度和高度比不得超过1:52.柱的配筋率:柱的配筋率是指钢筋的面积与柱截面混凝土面积的比值。
新规范中规定了柱的最小配筋率和最大配筋率。
最小配筋率要根据柱的受力要求和混凝土强度等因素来确定,通常在0.8%~1.5%之间。
最大配筋率要根据结构形式和受力条件来确定,一般不超过4%。
3.钢筋的直径和间距:新规范中规定了柱中钢筋的直径和间距范围。
钢筋的直径要根据受力要求和柱截面尺寸来确定。
柱截面中钢筋的最小间距要保证钢筋的作用能够有效地传递到混凝土中,而最大间距要避免钢筋过于稀疏或过于密集。
综上所述,新规范对于梁板柱配筋提出了一系列要求,以确保建筑结构的安全性和稳定性。
板0.4%一0.8%,矩形粱0.6%~1.5%,T形梁0.9%一1.8%,如取其平均值.则板为0.6%,矩形梁为1.05%,T形粱为1.35%一般情况下,粱板的配筋率应尽可能用其经济配筋率的平均值、但由于各种原因,不可能都如愿以偿、故经济配筋率的核心范围,建义扳取0.5%~0.7%,矩形粱取0.85%~1.25%,T形粱取1.1%~1.6%。
为了不使截面配筋过于拥挤,全部纵筋配筋率不宜超过0.05。
对于仓库、贮仓、料斗等贮料荷载经常占总荷载较大部分的结构物,若柱中纵向配筋率过大,在长期贮料突然卸载时,会使柱中混凝土出现拉应力甚至开裂。
若柱中的纵筋和混凝土之间有很强的黏结应力时,则能同时产生纵向裂缝,这种裂缝更为危险。
为了防止出现这种情况,要控制柱的配筋率,对于筒仓柱的全部配筋率不应大于0.02。
从经济和施工方面来考虑,一般常用的配筋率范围为0.005~0.02。
常用框架结构设计板、梁、柱的经济取值一、单向板肋梁楼板。
1、主梁:经济跨度一般为6~9米,截面高度为跨度的1/14~1/8,宽度为梁高的1/3~1/2;2、次梁:经济跨度(即主梁的间距)一般为4~7米,截面高度为次梁跨度的1/28~1/12,宽度为梁高的1/3~1/2。
3、板:经济跨度(即次梁的间距)一般为1.8~3.0米,板厚不小于其跨度的1/40,一般为70~100㎜。
二、井字梁楼板(正交式或斜交式)。
井字梁楼板梁的跨度可达30米,板的跨度一般为3米左右。
三、经济配筋率:1:板:0.4%一0.8%,如取其平均值.则板为0.6%;2:矩形粱:0.6%~1.5%,矩形梁平均值为1.05%,T形梁0.9%一1.8%,T形粱平均值为1.35%。
一般情况下,粱板的配筋率应尽可能用其经济配筋率的平均值、但由于各种原因,不可能都如愿以偿、故经济配筋率的核心范围,建义扳取0.5%~0.7%,矩形粱取0.85%~1.25%,T形粱取1.1%~1.6%。
16G101基础、柱、梁、板、楼梯、剪力墙钢筋绑扎要点大汇总案例工程简介:1、基础结构形式:人工挖孔桩、长螺旋挖孔桩、独立基础、条形基础、承台基础。
2、主体结构形式:框架结构、钢混结构。
3、孔桩部分:长螺旋桩及人工挖孔桩桩身钢筋采用焊接。
4、基础及主体部分:φ16及以上的钢筋使用机械连接,直径小于16的使用绑扎搭接。
01基础底板钢筋绑扎1、基础底板钢筋绑扎施工流程:1)在底板钢筋绑扎前,先按照设计要求钢筋间距,算出底板需用的钢筋,根数,在垫层上放出底板钢筋摆放的位置线,(包括地梁钢筋位置线)和墙柱插筋位置线。
2)承台钢筋绑扎先铺底板下层钢筋。
根据设计和规范要求,决定下层钢筋哪个方向钢筋在下面,参照16G101-1第66-70页安装,绑完下层钢筋后,按间距0.8m 左右设置钢筋马凳,马凳及附加钢筋应支设在下层钢筋网上,不得直接落在保护层,在马凳上摆放纵横两个方向定位钢筋,钢筋上下次序及绑扣方法同底板下层钢筋。
马凳高度H=承台高—混凝土保护层厚—上层双向钢筋直径—下部钢筋单向钢筋直径,桩承台采用下图的钢筋马凳)间距800mm 左右设置,马镫使用14的钢筋进行加工2、基础底板绑扎方法在绑底板的同时做好底板梁的绑扎,即先先绑东西向后绑南北向的方法排列钢筋。
其接头位置“下层铁在跨中,上层铁在支座”。
梁板式基础部位钢筋接头必须按50%错开,要严格按照配料单的顺序及位置准确排放基础底板下铁保护层为40(50)㎜,上铁为30mm。
板上、下铁中间用马凳铁支起,间距800mm,马凳高度=底板厚-上下保护层-上层双向钢筋直径-下层单向钢筋直径。
马镫使用14的钢筋进行加工3、底板钢筋的施工要求:钢筋绑扎要满扣绑扎且相邻绑扣为“八”字扣,扣头应向结构板内侧弯入。
在绑扎钢筋前要用墨线弹出钢筋摆放间距线,按线绑扎。
上层钢筋绑扎前要摆设好马凳铁,再绑上铁。
4、本工程基础底板(防潮板)厚度为350mm。
02、柱子钢筋绑扎工艺流程:弹柱子线→ 剔凿柱混凝土表面浮浆→ 修理柱子筋→ 套柱箍筋→ 安装竖向受力筋→画箍筋间距线→ 绑箍筋→安装垫块。
钢筋混凝土梁纵向受力钢筋的直径,当梁高h≥300mm时,不应小于10mm;当梁高h<300mm时,不应小于8mm.沿梁全长顶面和底面应至少各配置两根纵向配筋,一、二级抗震设计时钢筋直径不应小于14mm,且分别不小于梁两端顶面和底面纵向钢筋中较大截面面积的1/4;三、四级抗震设计和非抗震设计时钢筋直径不应小于12mm.偏心受拉的框支梁,其支座上部纵向钢筋至少应有50%沿梁全长贯通,下部纵向钢筋应全部直通到柱内.梁正截面受弯承载力计算中,计入纵向受压钢筋的梁端混凝土受压区高度应符合下列要求:的较大┏━━━━━━━━━━━┳━━━━━━━━━━━┓┃构件类型┃挠度限值┃┣━━━━━━━━━━━╋━━━━━━━━━━━┫┃吊车梁:手动吊车┃lo/500┃┃自动吊车┃lo/600┃┣━━━━━━━━━━━╋━━━━━━━━━━━┫┃屋盖楼盖及楼梯构件┃┃┃当lo<7m时┃lo/200(lo/250)┃┃当7m≤lo≤9m时┃lo/250(lo/300)┃┃当lo>9m时┃lo/300(lo/400)┃┗━━━━━━━━━━━┻━━━━━━━━━━━┛注:1.表中lo为构件的计算跨度;2.表中括号内的数值适用于使用上对挠度有较高要求的构件;3.如果构件制作时预先起拱,且使用上也允许,则在验算挠度时,可将计算所得的挠度值减去起拱值;对预应力混凝土构件,尚可减去预加力所产生的反拱值;4.计算悬臂构件的挠度限值时,其计算跨度lo按实际悬臂长度的2倍取用.结构构件正截面的裂缝控制等级分为三级、裂缝控制等级的划分应符合下列规定:一级---严格要求不出现裂缝的构件,按荷载效应标准组合计算时,构件受拉边缘混凝土不应产生拉应力;;1.2.3.在一类环境下,对钢筋混凝土屋架、托架及需作疲劳验算的吊车梁,其最大裂缝宽度限值应取为0.2mm;对钢筋混凝土屋面梁和托梁,其最大裂缝宽度限值应取为0.3mm;4.在一类环境下,对预应力混凝土屋面梁、托梁、屋架、托架、屋面板和楼板,应按二级裂缝控制等级进行验算;在一类和二类环境下,对需作疲劳验算的须应力混凝土吊车梁,应按一级裂缝控制等级进行验算;5.表中规定的预应力混凝土构件的裂缝控制等级和最大裂缝宽度限值仅适用于正截面的验算;预应力混凝土构件的斜截面裂缝控制验算应符合本规范第8章的要求;6.对于烟囱、筒仓和处于液体压力下的结构构件,其裂缝控制要求应符合专门标准的有关规定;7.对于处于四、五类环境下的结构构件,其裂缝控制要求应符合专门标准的有关规定;8.表中的最大裂缝宽度限值用于验算荷载作用引起的最大裂缝宽度.箍筋加密区的长度.箍筋的最大间距和最小直径表6.3.3梁端箍筋加密区的长度.箍筋的最大间距和最小直径┏━━━━┳━━━━━━━━━━┳━━━━━━━━━━━┳━━━━━━━━┓┃抗震等级┃加密区长度(mm)┃箍筋最大间距(mm)┃箍筋最小直径(mm)┃┃┃(取较大值)┃(取较小值)┃┃┣━━━━╋━━━━━━━━━━╋━━━━━━━━━━━╋━━━━━━━━┫┃一┃2*hb,500┃hb/4,6d,100┃10┃┣━━━━╋━━━━━━━━━━╋━━━━━━━━━━━╋━━━━━━━━┫┃二┃┃hb/4,8d,100┃8┃┣━━━━┫┣━━━━━━━━━━━╋━━━━━━━━┫2.倍.一.《建筑抗震设计规范》表6.3.3梁端箍筋加密区的长度.箍筋的最大间距和最小直径┏━━━━┳━━━━━━━━━━┳━━━━━━━━━━━┳━━━━━━━━┓┃抗震等级┃加密区长度(mm)┃箍筋最大间距(mm)┃箍筋最小直径(mm)┃┃┃(取较大值)┃(取较小值)┃┃┣━━━━╋━━━━━━━━━━╋━━━━━━━━━━━╋━━━━━━━━┫┃一┃2*hb,500┃hb/4,6d,100┃10┃┣━━━━╋━━━━━━━━━━╋━━━━━━━━━━━╋━━━━━━━━┫┃二┃┃hb/4,8d,100┃8┃┣━━━━┫┣━━━━━━━━━━━╋━━━━━━━━┫┃三┃1.5*hb,500┃┃8┃┣━━━━┫┃hb/4,8d,150┣━━━━━━━━┫┃四┃┃┃6┃┗━━━━┻━━━━━━━━━━┻━━━━━━━━━━━┻━━━━━━━━┛注:1.d为纵筋直径,hb为梁截面高度.2.梁高不小于1m时,梁端箍加密区箍筋的最大间距应允许为hb/6,但不应大于200mm.框支梁支座处(离柱边1.5倍梁截面高度范围为)箍筋应加密,加密区箍筋直径不应小于10mm,间距不应大于100mm.三.《混凝土结构设计规范》表9.2.9梁中箍筋的最大间距(mm)┏━━━━━━┳━━━━━━━━━┳━━━━━━━━━┓┃梁高h(mm)┃V>0.7*ft*b*h0┃V<=0.7*ft*b*h0┃向构造钢筋(不包括梁上、下部受力钢筋及架立钢筋)的截面面积不应小于腹板截面面积bhw的0.1%,且其间距不宜大于200mm.沿梁高应配置间距不大于200.直径不小于16mm的腰筋.当梁的腹板高度hw≥450mm时,在梁的两个侧面应沿高度配置纵向构造钢筋,每侧纵向构造钢筋(不包括梁上、下部受力钢筋及架立钢筋)的截面面积不应小于腹板截面面积bhw的0.1%,且其间距不宜大于200mm.沿梁高应配置间距不大于200.直径不小于16mm的腰筋.。