实验一 数字逻辑门电路逻辑功能与测试实验报告东湖学院
- 格式:docx
- 大小:176.79 KB
- 文档页数:4
门电路逻辑功能与测试实验报告一、引言门电路是数字电子电路中常见的逻辑电路,用于实现布尔逻辑运算和控制功能。
门电路有与门、或门、非门、异或门等多种类型,通过它们的组合可以实现复杂的数字运算和逻辑控制。
本实验旨在通过实际操作和测试,深入了解门电路的逻辑功能和工作原理。
二、实验内容1.与门的测试:使用与门芯片(74LS08),接入两个输入A和B,并将结果输出连接到一个LED灯。
通过手动给输入引脚加高或低电平,观察LED灯的亮灭情况,并记录输入输出的真值表。
2.或门的测试:使用或门芯片(74LS32),接入两个输入A和B,并将结果输出连接到一个LED灯。
通过手动给输入引脚加高或低电平,观察LED灯的亮灭情况,并记录输入输出的真值表。
3.非门的测试:使用非门芯片(74LS04),接入一个输入A,并将结果输出连接到一个LED灯。
通过手动给输入引脚加高或低电平,观察LED灯的亮灭情况,并记录输入输出的真值表。
4.异或门的测试:使用异或门芯片(74LS86),接入两个输入A和B,并将结果输出连接到一个LED灯。
通过手动给输入引脚加高或低电平,观察LED灯的亮灭情况,并记录输入输出的真值表。
三、实验结果与分析1.与门测试结果分析:根据与门输入两个高电平时才输出高电平的特性,可以得到与门的真值表如下:A ,B , Outpu:---:,:---:,:------low , low , lolow , high, lohigh, low , lohigh, high, hig实验测试结果与理论一致,说明与门的逻辑功能正常。
2.或门测试结果分析:根据或门输入两个低电平时才输出低电平的特性,可以得到或门的真值表如下:A ,B , Outpu:---:,:---:,:------low , low , lolow , high, highigh, low , highigh, high, hig实验测试结果与理论一致,说明或门的逻辑功能正常。
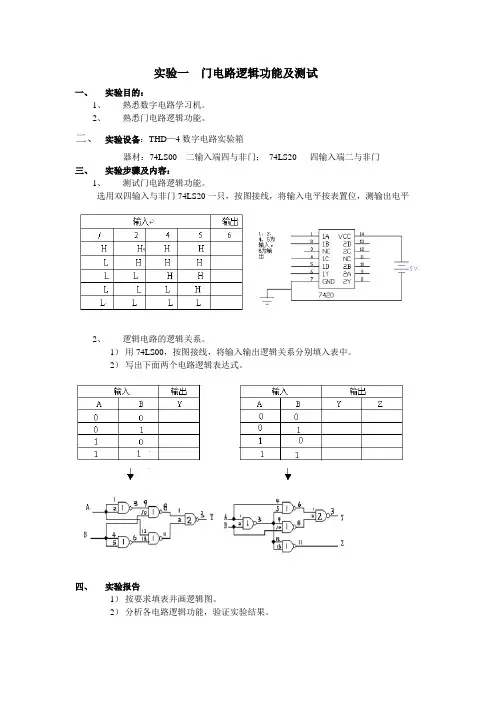
实验一门电路逻辑功能及测试
一、实验目的:
1、熟悉数字电路学习机。
2、熟悉门电路逻辑功能。
二、实验设备:THD—4数字电路实验箱
器材:74LS00 二输入端四与非门;74LS20 四输入端二与非门
三、实验步骤及内容:
1、测试门电路逻辑功能。
选用双四输入与非门74LS20一只,按图接线,将输入电平按表置位,测输出电平
2、逻辑电路的逻辑关系。
1)用74LS00,按图接线,将输入输出逻辑关系分别填入表中。
2)写出下面两个电路逻辑表达式。
四、实验报告
1)按要求填表并画逻辑图。
2)分析各电路逻辑功能,验证实验结果。
门电路逻辑功能及测试实验报告记录(有数据)————————————————————————————————作者:————————————————————————————————日期:实验一 门电路逻辑功能及测试一、实验目的1、熟悉门电路逻辑功能。
2、熟悉数字电路实验箱及示波器使用方法。
二、实验仪器及器件1、示波器;2、实验用元器件:74LS00 二输入端四与非门 2 片 74LS20 四输入端双与非门 1 片 74LS86 二输入端四异或门 1 片 74LS04 六反相器 1 片三、实验内容及结果分析实验前检查实验箱电源是否正常。
然后选择实验用的集成电路,按自己设计的实验接线图接好连线,特别注意Vcc 及地线不能接错(Vcc=+5v ,地线实验箱上备有)。
实验中改动接线须先断开电源,接好后再通电实验。
1、测试门电路逻辑功能⑴ 选用双四输入与非门74LS20 一只,插入面包板(注意集成电路应摆正放平),按图1.1接线,输入端接S1~S4(实验箱左下角的逻辑电平开关的输出插口),输出端接实验箱上方的LED 电平指示二极管输入插口D1~D8 中的任意一个。
⑵ 将逻辑电平开关按表1.1 状态转换,测出输出逻辑状态值及电压值填表。
表 1.1A 表1.1B 表1.1 A B C D LV A (V) V B (V) V C (V) V D (V) V L (V) A B C DL 0 X X X 1 0.024 5.020 5.020 5.020 4.163 0 1 1 1 1 X 0 X X 1 5.020 0.010 5.020 5.020 4.163 1 0 1 1 1 X X 0 X 1 5.020 5.020 0.001 5.020 4.163 1 1 0 1 1 X X X 0 1 5.020 5.020 5.020 0.009 4.163 1 1 1 0 1 1 1 1 1 05.0205.0205.0205.0200.18411 1 1将逻辑电平开关按表1.1A 要求加入到IC 的输入端,采用数字万用表直流电压档测得输入输出的电平值如表1.1B 所示,转换为真值表如表1.1。
门电路逻辑功能及测试实验报告门电路逻辑功能及测试实验报告一、实验目的与要求熟悉门电路逻辑功能,并掌握常用的逻辑电路功能测试方法。
熟悉RXS-1B数字电路实验箱。
二、方法、步骤1. 实验仪器及材料1) RXS-1B数字电路实验箱 2) 万用表 3) 器件74LS00 四2输入与非门1片 74LS86 四2输入异或门1片2. 预习要求1) 阅读数字电子技术实验指南,懂得数字电子技术实验要求和实验方法。
2) 复习门电路工作原理及相应逻辑表达式。
3) 熟悉所用集成电路的外引线排列图,了解各引出脚的功能。
4) 学习RXB-1B数字电路实验箱使用方法。
3. 说明用以实现基本逻辑关系的电子电路通称为门电路。
常用的门电路在逻辑功能上有非门、与门、或门、与非门、或非门、与或非门、异或门等几种。
非逻辑关系:Y=A 与逻辑关系:Y=AB 或逻辑关系:Y=AB 与非逻辑关系:Y=AB 或非逻辑关系:Y=AB 与或非逻辑关系:Y=ABCD 异或逻辑关系:Y=AB三、实验过程及内容任务一:异或门逻辑功能测试集成电路74LS86是一片四2输入异或门电路,逻辑关系式为1Y=1A⊕1B,2Y=2A⊕2B,3Y=3A⊕3B,4Y=4A⊕4B,其外引线排列图如图1.3.1所示。
它的1、2、4、5、9、10、12、13号引脚为输入端1A、1B、2A、2B、3A、3B、4A、4B,3、6、8、11号引脚为输出端1Y、2Y、3Y、4Y,7号引脚为地,14号引脚为电源+5V。
(1)将一片四2输入异或门芯片74LS86插入RXB-1B数字电路实验箱的任意14引脚的IC空插座中。
(2)按图1.3.2接线测试其逻辑功能。
芯片74LS86的输入端1、2、4、5号引脚分别接至数字电路实验箱的任意4个电平开关的插孔,输出端3、6、8分别接至数字电路实验箱的电平显示器的任意3个发光二极管的插孔。
14号引脚+5V接至数字电路实验箱的+5V电源的'“+5V”插孔,7号引脚接至数字电路实验箱的+5V电源的“⊥”插孔。
实验一门电路逻辑功能与测试一、实验目的:1.了解与熟悉基本门电路逻辑功能;2.掌握门电路逻辑功能的测试方法,验证与加深对门电路逻辑功能的认识;3.熟悉门电路的外形和管脚排列,以及其使用方法。
二、实验仪器、设备、元器件:1.智能数字逻辑实验仪DE2-115 1台2.四2输入与门74LS08芯片 1片3.四2输入或门74LS32芯片 1片4.六反向器74LS04芯片 1片5.四2输入与非门74LS00芯片 1片6.四2输入或非门74LS02芯片 1片7.四2输入异或门74LS86芯片 1片8.万用表、逻辑笔9.导线若干三、预习要求:1.了解数字电路实验箱的结构和使用方法;2.复习门电路工作原理及相应逻辑表达式;3.熟悉所用门电路的管脚排列及相应管脚的功能;4.熟悉数字万用表、逻辑笔的使用方法。
5.使用Proteus软件对上述门电路进行设计。
四、实验内容和步骤:实验前按实验仪使用说明检查实验仪是否正常。
然后选择实验用的IC,按设计的实验接线图接好线,特别注意Vcc及地线不能接错。
线接好后仔细检查无误后方可通电实验。
实验中需要改动接线时,必须先断开电源,接好后再通电实验。
1、与门、或门、非门的逻辑功能测试(任选一个逻辑门)①与门的逻辑功能测试按图1.1所示要求连接电路,输入端接逻辑开关A、B,输出端接指示器。
改变输入状态的高低电平,将A、B输入端依次接成0-0,0-1,1-0,1-1状态,进行电路仿真,观察输出端电平指示器的显示状态(亮为“1”,灭为“0”),并填写实验结果。
实验结果填入表1.1的逻辑真值表中,并写出输出端Y的逻辑表达式和电路的逻辑功能。
图1.1 电路与仿真表1.1 逻辑真值表输入输出A B Y0 00 11 01 1逻辑表达式Y =______________逻辑功能:_______________②或门的逻辑功能测试按图1.2所示要求连接电路,将A、B输入端依次接成0-0,0-1,1-0,1-1状态,观察输出端电平指示器的显示状态(亮为“1”,灭为“0”),并填写实验结果。
门电路逻辑功能及其测试实验报告一、实验目的1、掌握门电路的逻辑功能。
2、学会使用实验仪器对门电路进行逻辑功能测试。
3、深入理解逻辑运算的基本原理和应用。
二、实验设备1、数字电路实验箱。
2、示波器。
3、集成电路芯片:74LS00(四 2 输入与非门)、74LS04(六反相器)、74LS08(四 2 输入与门)、74LS32(四 2 输入或门)等。
4、若干导线。
三、实验原理门电路是数字电路的基本单元,具有实现逻辑运算的功能。
常见的门电路有与门、或门、非门、与非门、或非门等。
与门的逻辑功能是:当且仅当所有输入都为高电平时,输出才为高电平;否则,输出为低电平。
或门的逻辑功能是:只要有一个输入为高电平,输出就为高电平;只有当所有输入都为低电平时,输出才为低电平。
非门的逻辑功能是:输入为高电平时,输出为低电平;输入为低电平时,输出为高电平。
与非门的逻辑功能是:先进行与运算,然后将结果取反。
或非门的逻辑功能是:先进行或运算,然后将结果取反。
四、实验内容及步骤1、测试与门(74LS08)的逻辑功能将 74LS08 芯片插入实验箱的插座中。
用导线将两个输入引脚分别连接到逻辑电平开关,输出引脚连接到逻辑电平指示灯。
改变输入电平的组合(00、01、10、11),观察并记录输出电平的状态。
2、测试或门(74LS32)的逻辑功能按照与测试与门相同的方法,将 74LS32 芯片插入插座并连接好线路。
改变输入电平,记录输出电平。
3、测试非门(74LS04)的逻辑功能插入 74LS04 芯片,连接线路。
改变输入电平,观察输出。
4、测试与非门(74LS00)的逻辑功能重复上述步骤,测试 74LS00 的逻辑功能。
5、用示波器观察门电路的输入输出波形将示波器的探头分别连接到门电路的输入和输出引脚。
改变输入信号的频率和幅度,观察输入输出波形的变化。
五、实验数据及分析1、与门(74LS08)|输入 A |输入 B |输出 Y |||||| 0 | 0 | 0 || 0 | 1 | 0 || 1 | 0 | 0 || 1 | 1 | 1 |从数据可以看出,与门只有在两个输入都为 1 时,输出才为 1,符合与门的逻辑功能。
最新实验1逻辑门电路功能测试-实验报告实验目的:1. 理解并掌握基本逻辑门电路的工作原理。
2. 学习如何使用实验设备测试逻辑门电路的功能。
3. 验证不同逻辑门电路的真值表。
实验设备:1. 数字逻辑实验板2. 逻辑门电路元件(如与门、或门、非门等)3. 示波器4. 电源5. 连接线实验步骤:1. 准备实验设备,确保所有设备正常工作。
2. 根据实验要求,设计逻辑门电路,并在实验板上搭建。
3. 连接电源,确保电压稳定且符合逻辑门电路的要求。
4. 使用示波器探头连接到逻辑门的输入和输出端,观察并记录波形。
5. 根据真值表,改变输入信号,逐一测试逻辑门的所有可能输入组合。
6. 记录每个输入组合下的输出结果,并与理论值进行对比,验证电路功能。
实验结果:1. 列出所有测试的逻辑门类型及其对应的真值表。
2. 展示每个逻辑门在不同输入下的输出波形图。
3. 对比实验结果与理论真值表,总结实验中发现的任何偏差及其可能的原因。
实验分析:1. 分析实验中观察到的波形,解释其与逻辑门功能的关系。
2. 讨论实验中出现的任何异常情况及其解决方案。
3. 探讨如何通过改进电路设计来提高逻辑门的性能。
实验结论:1. 总结实验结果,确认逻辑门电路是否符合预期的功能。
2. 评估实验过程的有效性和准确性。
3. 提出可能的改进措施,以优化未来的实验设计和执行。
注意事项:1. 在操作实验设备时,务必遵守实验室安全规则。
2. 在连接电路前,仔细检查电路设计是否正确,避免短路或错误连接。
3. 记录数据时要准确无误,以确保实验结果的可靠性。
门电路逻辑功能及测试实验报告实验目的:1、理解门电路逻辑功能的基本知识和实现方法;2、掌握门电路逻辑功能测试实验的方法和步骤;3、培养实验操作能力和实验数据处理能力。
实验原理:门电路是逻辑电路的基础,其逻辑功能有常用的与门、或门、非门等。
门电路具有输入端和输出端,输入端接受信号,输出端输出运算结果。
门电路由电子器件组成,一般常用的是晶体管。
门电路的测试方法主要是通过检测输入和输出的电平状态,以及关键节点其它信号状态变化。
可以通过观察电压电流示波图、结合实测数据进行逻辑功能的验证。
实验器材和连接图:1、集成电路芯片:7400 门电路。
2、直流电源。
3、万用表。
4、示波器。
5、面包板、电缆、电阻等辅助器材。
实验步骤:1、按照连接图搭建门电路实验线路;2、开启直流电源,测试电路各个节点的电压、电流值,并记录数据;3、输入不同的高低电平信号,观察输出端的电平状态变化;4、观察电压电流示波图,验证门电路的逻辑功能;5、根据实测数据,分析电路中可能出现的故障原因和处理办法。
实验结果:在本次门电路测试实验中,我们按照实验步骤搭建好了门电路实验线路,开启直流电源,测试了电路各节点的电压、电流值,并记录了数据。
在输入不同的高低电平信号时,观察输出端的电平状态变化,发现门电路具有良好的逻辑功能。
通过观察电压电流示波图,验证了门电路的逻辑功能。
在实验中,我们还发现电路中可能存在的故障原因和处理办法。
实验结论:本次门电路测试实验,通过搭建门电路实验线路、开启直流电源、测试电路各节点的电压、电流值、记录数据,验证了门电路的逻辑功能。
本次实验对我们加深了对门电路逻辑功能和测试实验的认识和理解,提高了我们的实验操作能力和实验数据处理能力。
门电路的逻辑功能测试实验报告一、实验目的本次实验的主要目的是深入理解门电路的逻辑功能,通过实际测试和观察,掌握与门、或门、非门、与非门、或非门和异或门等基本逻辑门的工作原理和特性。
同时,培养我们的实验操作能力、数据分析能力以及对逻辑电路的综合应用能力。
二、实验设备与器材1、数字电路实验箱2、 74LS00(四 2 输入与非门)芯片3、 74LS08(四 2 输入与门)芯片4、 74LS32(四 2 输入或门)芯片5、 74LS04(六反相器)芯片6、 74LS20(双 4 输入与非门)芯片7、 74LS28(四或非门)芯片8、 74LS86(四 2 输入异或门)芯片9、数字万用表10、导线若干三、实验原理1、与门(AND Gate)逻辑表达式:Y = A · B功能:只有当输入 A 和 B 都为 1 时,输出 Y 才为 1;否则,输出为 0。
2、或门(OR Gate)逻辑表达式:Y = A + B功能:只要输入 A 或 B 中有一个为 1,输出 Y 就为 1;只有当 A 和 B 都为 0 时,输出为 0。
3、非门(NOT Gate)逻辑表达式:Y = ¬A功能:输入为 1 时,输出为 0;输入为 0 时,输出为 1。
4、与非门(NAND Gate)逻辑表达式:Y = ¬(A · B)功能:当输入 A 和 B 都为 1 时,输出 Y 为 0;否则,输出为 1。
5、或非门(NOR Gate)逻辑表达式:Y = ¬(A + B)功能:当输入 A 或 B 中有一个为 1 时,输出 Y 为 0;只有当 A 和B 都为 0 时,输出为 1。
6、异或门(Exclusive OR Gate)逻辑表达式:Y = A ⊕ B = A · ¬B + ¬A · B功能:当输入 A 和 B 不同时,输出 Y 为 1;当 A 和 B 相同时,输出为 0。
《数字电路》门电路逻辑功能及测试实验报告一、实验目的1、熟悉门电路逻辑功能。
2、熟悉数字电路箱及示波器使用方法。
二、实验设备74LS00 二输入端四与非门 2片74LS20 四输入端双与非门 1片74LS86 二输入端四异或门 1片74LS04 六反相器 1片数字电子技术试验箱三、实验内容及步骤实验前按实验箱的使用说明先检查实验箱电源是否正常。
然后选择实验用的集成电路。
按自已设计的实验接线图连线,特别注意Vcc及地线不能接错。
线接好后经实验指导教师检查无误后方可通电实验。
实验中改动接线须先断开电源,接好线后再通电实验。
1、测试门电路逻辑功能(1)选用双四输入与非门74LS20一只,插入实验板上的IC插座,按图4-1接线,输入端A、B、C、D分别接K1~K4(电平开关输出插口),输出端接电平显示发光二极管(L1~L16任意一个)。
(2)将电平开关按表4-1置位,分别测出输出电压及逻辑状态。
表4-1与非门输出电压及逻辑状态2、异或门逻辑功能测试图4-4 异或门逻辑功能测试(1)选取二输入四异或门电路74LS86,按图4-4接线,输入端1、2、4、5接电平开关,输出端A、B、Y接电平显示发光二极管。
(2)将电平开关按表4-2置位,将结果填入表中表4-2 异或门输出电压及逻辑状态3、逻辑电路的逻辑关系(1)用74LS00,按图4-5、4-6接线,输入输出逻辑关系分别填入表4-3表4-4中;图4-5 图4-6表4-3表4-4(2)写出上面两个电路逻辑表达式。
图4-5:Y=A’B+AB’图4-6:Y=AB’+A’BZ=AB四、实验心得(1)怎样判断门电路逻辑功能是否正常?1.按照门电路功能,根据输入和输出,列出真值表。
2.按真值表输入电平,查看输出是否符合真值表。
所有真值表输入状态时,输出都是符合真值表,则门电路功能正常;否则门电路功能不正常。
(2)与非门一个输入接连续脉冲,其余端什么状态时允许脉冲通过?什么状态时禁止脉冲通过?其余输入端为高电平“1”时,允许脉冲通过,而有一个输入端为低电平“0”时,将“与非”门封锁,不允许脉冲通过。
实验一门电路逻辑功能及测试一、实验目的1、熟悉门电路逻辑功能。
2、熟悉数字电路实验箱及示波器使用方法。
二、实验仪器及器件1、示波器;2、实验用元器件:74LS00二输入端四与非门2片74LS20四输入端双与非门1片74LS86二输入端四异或门1片74LS04六反相器1片三、实验内容及结果分析实验前检查实验箱电源是否正常。
然后选择实验用的集成电路,按自己设计的实验接线图接好连线,特别注意Vcc及地线不能接错(Vcc=+5v,地线实验箱上备有)。
实验中改动接线须先断开电源,接好后再通电实验。
1、测试门电路逻辑功能⑴选用双四输入与非门74LS20一只,插入面包板(注意集成电路应摆正放平),按图1.1接线,输入端接S1~S4(实验箱左下角的逻辑电平开关的输出插口),输出端接实验箱上方的LED电平指示二极管输入插口D1~D8中的任意一个。
⑵将逻辑电平开关按表1.1状态转换,测出输出逻辑状态值及电压值填表。
1.1B所示,转换为真值表如表1.1。
结论:根据实际测试的到的真值表,该电路完成了所设计的逻辑功能。
2、逻辑电路的逻辑关系⑴用74LS00双输入四与非门电路,按图1.2、图1.3接线,将输入输出逻辑关系分别填入表1.2,表1.3中。
⑵写出两个电路的逻辑表达式。
图1.2的逻辑电路表达式=Y A A B B B A 图1.3的逻辑电路表达式=Y A B A A B BZ A B A B将逻辑电平开关按表1.2A 和表1.3A 的要求分别加入到IC 的输入端,采用数字万用表直流电压档测得输入输出的电平值如表1.2B 和表1.3B 所示,转换为真值表如表1.2和表1.3。
结论:根据实际测试的到的真值表,该电路完成了所设计的逻辑功能。
3、利用与非门控制输出用一片74LS00按图1.4接线。
S 分别接高、低电平开关,用示波器观察S 对输出脉冲的控制作用。
(1)高电平:低电平:(2)高电平:低电平:4、用与非门组成其它门电路并测试验证=+,画出电路图,测试并填表1.4。
门电路逻辑功能及测试实验报告总结
门电路是数字电路中最基本的逻辑电路之一,其主要功能是实现逻辑运算。
本次实验旨在探究门电路的逻辑功能及测试方法。
实验一:与门电路
与门电路是一种逻辑电路,其输出信号仅在所有输入信号均为高电平时才为高电平。
实验中,我们使用了CD4081芯片,通过连接输入端和输出端,观察输出信号的变化,验证了与门电路的逻辑功能。
实验二:或门电路
或门电路是一种逻辑电路,其输出信号在任意一个输入信号为高电平时即为高电平。
实验中,我们使用了CD4071芯片,通过连接输入端和输出端,观察输出信号的变化,验证了或门电路的逻辑功能。
实验三:非门电路
非门电路是一种逻辑电路,其输出信号与输入信号相反。
实验中,我们使用了CD4069芯片,通过连接输入端和输出端,观察输出信号的变化,验证了非门电路的逻辑功能。
实验四:与非门电路
与非门电路是一种逻辑电路,其输出信号仅在所有输入信号均为高电平时才为低电平。
实验中,我们使用了CD4081芯片,通过连接输入端和输出端,观察输出信号的变化,验证了与非门电路的逻辑功能。
实验五:或非门电路
或非门电路是一种逻辑电路,其输出信号在任意一个输入信号为高电平时即为低电平。
实验中,我们使用了CD4071芯片,通过连接输入端和输出端,观察输出信号的变化,验证了或非门电路的逻辑功能。
通过以上实验,我们深入了解了门电路的逻辑功能及测试方法。
在实验中,我们使用了数字电路实验箱和相应的芯片,通过连接输入端和输出端,观察输出信号的变化,验证了门电路的逻辑功能。
这些实验不仅加深了我们对门电路的理解,也提高了我们的实验技能。
一、实验目的1. 熟悉门电路的基本逻辑功能,包括与门、或门、非门、与非门、或非门、异或门等。
2. 掌握门电路逻辑功能的测试方法,包括输入信号的选择、输出信号的观测等。
3. 通过实验加深对数字电路原理的理解,提高动手实践能力。
二、实验原理门电路是数字电路的基本单元,它根据输入信号的逻辑关系产生相应的输出信号。
常见的门电路包括与门、或门、非门、与非门、或非门、异或门等。
本实验主要测试以下几种门电路的逻辑功能:1. 与门(AND):当所有输入信号都为高电平时,输出信号才为高电平。
2. 或门(OR):当至少有一个输入信号为高电平时,输出信号就为高电平。
3. 非门(NOT):将输入信号的逻辑值取反,即高电平变为低电平,低电平变为高电平。
4. 与非门(NAND):与门输出信号取反,即当所有输入信号都为高电平时,输出信号为低电平。
5. 或非门(NOR):或门输出信号取反,即当至少有一个输入信号为高电平时,输出信号为低电平。
6. 异或门(XOR):当输入信号不同时,输出信号为高电平;当输入信号相同时,输出信号为低电平。
三、实验仪器与设备1. 数字电路实验箱2. 万用表3. 74LS00(2输入端四与非门)4. 74LS32(2输入端四或门)5. 74LS20(4输入端双与非门)6. 74LS86(2输入端四异或门)7. 示波器四、实验内容与步骤1. 与门测试(1)将74LS00芯片插入实验箱,按照电路图连接好与门电路。
(2)使用万用表测量输入端A和B以及输出端F的电压。
(3)分别将A和B端设置为高电平和低电平,观察F端的输出电压是否符合与门逻辑功能。
2. 或门测试(1)将74LS32芯片插入实验箱,按照电路图连接好或门电路。
(2)使用万用表测量输入端A和B以及输出端F的电压。
(3)分别将A和B端设置为高电平和低电平,观察F端的输出电压是否符合或门逻辑功能。
3. 非门测试(1)将74LS04芯片插入实验箱,按照电路图连接好非门电路。
门电路逻辑功能与测试实验报告门电路逻辑功能与测试实验报告一、实验目的本实验旨在通过学习和实践,掌握基本门电路(与门、或门、非门、与非门、或非门、异或门等)的逻辑功能及实际应用,并通过对门电路的测试,加深对数字逻辑电路的理解。
二、实验器材1.实验箱或面包板2.电源适配器3.逻辑门电路芯片(如74LS83A)4.连接线若干5.万用表6.实验程序(可选)三、实验原理门电路是数字逻辑电路的基本组成部分,可分为基本门电路和复合门电路。
基本门电路包括与门、或门、非门、与非门、或非门、异或门等,它们分别具有相应的逻辑功能。
例如,与门只会在所有输入均为高电平时输出高电平,否则输出低电平;或门则只需一个输入为高电平就会输出高电平,等等。
通过这些基本门电路的不同组合,可以实现复杂的逻辑功能。
本次实验将以74LS83A四路与非门电路为例,进行门电路的逻辑功能与测试。
74LS83A是一种TTL(Transistor-Transistor Logic)型四路与非门电路,其特点为功耗低、速度快、体积小等。
四个独立的与非门具有相同的输入和输出端,可单独控制。
当A、B、C和D任一输入端为0时,输出Y为1;只有当所有输入端都为1时,输出Y才为0。
四、实验步骤1.准备器材并检查完好。
2.根据实验原理,连接电源、输入和输出端口,保证电源极性正确。
3.使用万用表检查各输入端口电平状态,并记录。
4.逐个改变输入端口的状态,观察输出端口的电平变化,并记录。
5.分析实验数据,了解74LS83A四路与非门电路的逻辑功能。
6.断电,结束实验。
五、实验数据分析与结论通过对74LS83A四路与非门电路的测试,我们验证了其逻辑功能。
在输入端口状态改变时,输出端口电平变化符合与非门的逻辑功能。
当任一输入端口为0时,输出端口为1;只有当所有输入端口都为1时,输出端口才为0。
这表明该门电路功能正常,可以用于实际应用中。
通过本次实验,我们深入了解了基本门电路的逻辑功能和实际应用,并学会了如何使用万用表进行电路测试。
实验1 逻辑门电路功能测试实验报告一、实验目的1.熟悉常用逻辑门电路的功能。
2.了解集成电路引脚排列的规律及其使用方法。
二、实验仪器与设备1.数字电路实验箱。
2.数字万用表。
3.集成电路芯片74LS08、74LS32、74LS04、74LS00及74LS86各一片。
三、实验原理1. 三种基本逻辑运算(1)与运算与运算逻辑表达式可以写成Y = A·B、Y= A·B·C、……,与运算的逻辑关系也就是与逻辑。
与逻辑可以用图1-1所示开关电路来理解,它的状态组合见表1-1。
(2)或运算或运算逻辑表达式可以写成Y = A+B、Y = A+B+C、……,或运算的逻辑关系也就是或逻辑。
或逻辑可以用图1-3所示开关电路来理解,它的状态组合见表1-3。
同样,或逻辑开关电路的几种状态组合也可以用真值表来表示其逻辑关系。
在数字电路中,或逻辑的电路符号见图1-4所示。
(3)非运算逻辑表达式是Y=A,非运算的逻辑关系也就是非逻辑。
非逻辑开关电路只有表1-5所示两种状态组合。
同样,非逻辑的真值表和逻辑电路符号如表1-6和图1-6所示。
2. 常用复合逻辑运算几种常用的复合逻辑运算见表1-7所示。
表1-7 常用复合逻辑运算及其电路符号四、实验内容与步骤1.与逻辑功能测试图1-7所示芯片74LS08为四2输入与门。
图中管脚7为接地端,管脚14为电源端,管脚1、2为两个与输入端,它的输出端是管脚3,同样管脚4、5为输入端,管脚6为它的输出端,以此类推。
图1-7 74LS08管脚图(1)打开数字电路试验箱,选择芯片74LS08并按图1-7所示接线,将其中任一门电路的输入端接逻辑开关,它的输出端接发光二极管。
(2)按表1-8要求完成实验,每改变一次输入开关状态,观察并记录输出端的状态。
注意:芯片输入引脚悬空时,输入端为高电平。
输入状态输出状态U A U B Y0 0 00 1 01 0 01 1 10 悬空01 悬空 1悬空0 0悬空 1 1悬空悬空 1表1-8 74LS08功能测试图1-8所示芯片74LS32为四2输入或门。
实验一门电路逻辑功能及测试一、实验目的1、熟悉门电路逻辑功能。
2、熟悉数字电路实验箱及示波器使用方法。
二、实验仪器及器件1、示波器;2、实验用元器件:74LS00 二输入端四与非门2片74LS20四输入端双与非门1片74LS86二输入端四异或门1片74LS04六反相器 1 片三、实验内容及结果分析实验前检查实验箱电源是否正常。
然后选择实验用的集成电路,按自己设计的实验接线图接好连线,特别注意 Vcc 及地线不能接错(Vcc=+5v ,地线实验箱上备有) 。
实验中改动接线须先断开电源,接好后再通电实验。
1、测试门电路逻辑功能⑴ 选用双四输入与非门74LS20 一只,插入面包板(注意集成电路应摆正放平),按图 1.1 接线,输入端接S1~ S4( 实验箱左下角的逻辑电平开关的输出插口) ,输出端接实验箱上方的 LED 电平指示二极管输入插口D1~D8 中的任意一个。
⑵将逻辑电平开关按表 1.1状态转换,测出输出逻辑状态值及电压值填表。
表 1.1A表 1.1B表1.1A B C D L A B C D L A B C D LV (V)V (V)V (V)V (V)V (V)0X X X10.024 5.020 5.020 5.020 4.16301111 X0X X1 5.0200.010 5.020 5.020 4.16310111 X X0X1 5.020 5.0200.001 5.020 4.16311011 X X X01 5.020 5.020 5.0200.009 4.16311101 11110 5.020 5.020 5.020 5.0200.18411110将逻辑电平开关按表 1.1A 要求加入到 IC 的输入端,采用数字万用表直流电压档测得输入输出的电平值如表 1.1B 所示,转换为真值表如表 1.1 。
结论:根据实际测试的到的真值表,该电路完成了所设计的逻辑功能。
2、逻辑电路的逻辑关系⑴用 74LS00 双输入四与非门电路,按图 1.2 、图 1.3接线,将输入输出逻辑关系分别填入表 1.2 ,表 1.3中。
门电路逻辑功能及测试实验报告
门电路逻辑功能:
门电路是现代电子学中最基本的逻辑元件。
它可以把输入信号处理成输出信号,根据不同的输入信号情况,采取不同的逻辑处理方式。
常见的门电路有与门、或门、非门、异或门、NAND门、NOR门等等,它们都是由晶体管、反相器或其它电子器件组成的一种特殊的电路。
测试实验报告:
1.实验目的:
本实验旨在验证和研究门电路的基本原理和功能,掌握用于判断门电路的正确性的方法,并掌握制作门电路的方法。
2.实验材料:
晶体管、反相器、电阻、电容、电感、继电器、电池、面包板等。
3.实验过程:
(1)绘制电路图:根据门电路的功能要求,绘制电路图,指明所用元件型号,确定输入输出端口;
(2)调试电路:根据电路图,将每个元件安装到面包板上,接好电池,接通电源,然后按照输入的控制电路,对门电路进行调试;
(3)测试电路:根据调试的情况,调整电路,使之达到所需要的功能,然后进行各种可能的输入情况下的测试,记录输入输出的结果;
(4)编写实验报告:根据实验过程,编写实验报告,描述实验过程,分析实验结果,得出结论。
4.实验结果:
实验结果表明,门电路可以按照预定的功能,在不同输入情况下,正确的输出信号,实现了预定的逻辑功能。