如何填写债权申报表-债权申报登记表怎么填写
- 格式:docx
- 大小:33.03 KB
- 文档页数:2
破产债权申报表尊敬的债权人:感谢您对我们公司的支持与关注。
根据我司破产程序的要求,我们需要您填写一份破产债权申报表,以便我们清楚了解您的债权情况,并采取相应措施进行债务处理。
请您详细填写以下信息:一、债权人基本信息:1. 债权人名称:2. 统一社会信用代码(或个人身份证号码):3. 所在地及联系地址:4. 联系电话:5. 电子邮箱:二、债务人(破产方)基本信息:1. 公司名称(或个人姓名):2. 统一社会信用代码(或个人身份证号码):3. 注册地址:4. 联系电话:5. 电子邮箱:三、债务情况填报:请分类填报您的债权情况。
债权类别包括但不限于货款、服务费、租金、劳动报酬、利息、罚金、违约金、赔偿金等。
请务必将债权情况详细列举,并注明以下要素:1. 债权主张的基础事实;2. 债权金额;3. 债权产生的日期;4. 债权的优先级(如有);5. 债权的担保措施;6. 如有需求,请附上相关证明文件及合同。
四、其他信息:请您补充填写以下信息:1. 您是否参与过与债务人的诉讼或仲裁程序?如是,请提供相关案号及结果;2. 您是否有其他债权申报的需求?请您务必如实填写以上信息,并附上相关的证明文件及合同。
为了确保申报表的准确性与完整性,请您仔细核对并签字确认。
感谢您对整个破产程序的配合与支持。
您填写完毕后,请将申报表以邮件方式发送至我司指定邮箱(请勿邮寄纸质文件)。
如您对填写过程中有任何疑问或需要进一步帮助,请随时与我们联系。
再次感谢您的配合与支持!此致,________________(债务人名称)日期:____ 年 __ 月 __ 日。
债权登记申报表填写范文怎样填写债权申报表破产重整债权申请表?一般就是债权申请表而已.应当填写你的身份信息,如果是自然人,填写详细的身份信息及住址\ ___,如果是单位,填写单位名称,地址及 ___等.然后说明债权的数额,产生时间.如果有抵押权,同时予以声明.如果不会填写,可代书一份.参考资料:更多请查看法邦网法律咨询按照《债权申报表》(后附)的要求填写申报的债权金额、有无担保、有无诉讼、裁定或裁决以及债权形成基本情况等事项。
在“债权形成基本情况”一栏中可以详细说明:债权人、债务人、保证人、连带权利人、连带义务人等的具体情况及债权的发生、变更、担保及保证、转移、履行、抵销、清偿或部分清偿、诉讼、仲裁、调解、保全、执行的时间和发生数额(包括债权原始数额、余额、各种利息、罚息、违约金、案件受理费、保全费、执行费等构成事项)等全部情况。
机构债权,须法定代表人签字并加盖单位公章;个人债权,须由债权人本人或其代理人签名。
2、证明债权申报人主体资格的材料 (1)机构债权人须提交的材料:有效的企业法人营业执照、事业和社团法人登记证书等原件(核对后归还)及复印件(加盖单位公章及骑缝章)、法定代表人或负责人 ___明;如发生单位名称变更或法定代表人变更的,必须提交变更的法律文件和证明文件。
(2)个人债权人须提交的材料:债权人 ___等个人有效证件原件(核对后归还)及复印件。
(3)委托代理申报还须提交的材料:机构债权人委托代理申报的,还须提交法定代表人或负责人的授权委托书(法定代表人或负责人签字并加盖单位公章)、代理人的 ___等个人有效证件原件(核对后归还)及复印件;个人债权人委托他人申报的,还需提交授权委托书和代理人的 ___等个人有效证件原件(核对后归还)及复印件。
3、证明债权发生事实及其数额的材料 (1)各类合同书等债权原始材料及票据、转账单、对账单等原始履行凭证原件(核对后归还)和复印件; (2)债权如有担保的,还须提交抵押合同、质押合同、保证合同等相关合同及相关的登记证件(包括但不限于他项权利证)等担保原始材料原件(核对后归还)和复印件;(3)债权的发生及变更(包括但不限于债权转移、债务承担、合同转让、债权债务重组、抵销、清偿)等原始材料原件(核对后归还)和复印件; (4)债权如涉及诉讼、仲裁、调解、保全、执行,则须提交诉讼、仲裁、调解、保全、执行有关的文件(包括但不限于已经判决正在执行或正在进行中的案件的起诉书、仲裁申请书、诉讼保全申请书、保全裁定书、生效 ___、调解书、裁决书、执行申请书、法院执行裁定书、法院执行案件通知书等)原件(核对后归还)及复印件; (5)债权人主张债权的相关证明资料,如催款、催收通知等;(6)能够证明债权发生、变更、存续、诉讼时效中止、中断、延长及其金额等情况的其他材料原件(核对后归还)及复印件。
债权登记申报表填写范本
债权登记申报表填写范本如下:
债权人(申请人):
姓名/公司名称:
联系地址:
联系电话:
Email:
债务人:
姓名/公司名称:
居住地址/注册地址:
联系电话:
Email:
债权登记信息:
1. 债权种类:(例如借款、合同款、赔偿款等)
2. 债权金额:
3. 债权产生时间:
4. 债权到期日(若有):
5. 债权担保情况:(若有)
6. 债务人还款情况:
7. 其他相关情况:(例如债务人是否存在其他债权等)
申报依据:
1. 相关合同、协议、凭证等文件的编号及日期:
2. 相关证据的描述:
3. 相关法律依据:
申报附件:
1. 相关合同、协议、凭证的复印件:
2. 相关证据的复印件:
3. 其他相关材料:(如有)
声明:
1. 本人(申请人)保证上述申报内容真实、准确,并拥有合法的债权;
2. 债权登记申报表的填写和提供的文件、材料的真实性由本人(申请人)自行负责;
3. 如有虚假陈述或提供虚假文件、材料,本人(申请人)愿意承担相应的法律责任。
申请人签名:日期:。
债权申报表的范本(第一篇)此文档协议是通用版本,可以直接使用,符号*表示空白。
申报人:********公司地址:************法定代表人:********被申报人:********公司(破产企业)申报债权数额:人民币********万元申报的事实和理由:**********年****月****日,申报人与被申报人签订********合同。
申报人依约完全履行了合同,但被申报人严峻违约,至今只履行一部分,绝大部分没有履行。
至****年****月****日,共欠申报人人民币本金****万元,利息****万元,共计****万元。
其中,被申报人于****年****月****日的还款已经扣除。
申报人计息依据为双方签订的合同(或人民法院判决书、调解书)。
申报人计息公式是:********。
假如被申报人破产,申报人将追加申报日至破产宣告日期间的利息。
特此申报。
此致*******人民法院(受理破产案件人民法院)申报人:*******公司****年****月****日债权申报表的范本(第二篇)合同范本摘要:本合同是一份债权申报表的范本,旨在提供简洁明了的文件格式和内容要点,以便于申报债权信息。
本范本包含中文和摘要,并注重合同排版的注意事项。
债权申报表甲方(债权人):________________________(以下简称“甲方”)乙方(债务人):________________________(以下简称“乙方”)根据甲方与乙方之间的协议以及相关法律法规的规定,甲方特此向乙方宣称其对乙方持有的债权如下:一、债权信息1. 债权名称:________________________2. 债权金额:________________________3. 债权性质:________________________4. 债权起始日期:________________________5. 债权到期日期:________________________二、债权申报人申报人姓名:________________________申报人身份证号码:________________________联系电话:________________________电子邮箱:________________________三、债权申报方式请申报人将债权申报表填写完成后,通过以下任一方式提交给乙方:1. 邮寄地址:________________________2. 电子邮件:________________________3. 传真:________________________四、附件请申报人将与债权相关的以下文件一并提交:1. 债权证明文件复印件;2. 其他支持文件(可选)。
债权申报表(精选3篇)债权申报表篇11、甲方已合法受让_______________资产管理公司_____________办事处转让的债权包(见甲方与_______________资产管理公司__________办事处的债权转让及附件),取得了该债权包中债权人的地位;2、甲方对该债权包中的债权享有法律意义上的完全的处置权;3、在甲方上述受让的债权包中有对_______________公司的债权,共计_____笔,其中_____笔债权本金共计__________元,利息__________元,拟对外转让;4、甲方受让的债权包中享有的对_______________公司的_____笔债权、共计本金__________元、利息__________元之部分,乙方有意受让。
甲乙双方就甲方债权转让事项,达成初步意向,签订本约定:_________________一、在此《债权转让》签署后,甲方保证其对_______________公司__________笔债权共计__________元(其中本金__________元,利息__________元)享有完全的债权。
该部分债权不存在:_________________(1)设定质押、抵押;(2)该债权的债务人可向甲方主张抵销或抗辩;(3)或任何其他第三人对该债权享有权利——等瑕疵。
二、上述债权存在担保的,甲方应保证该担保不存在瑕疵,即包括但不限于担保合法有效、担保物存在、可实现担保权等。
三、上述债权不存在可能影响到债权转让的诉讼、仲裁或行政处罚,或存在此种诉讼、仲裁或行政处罚的可能性。
四、甲方将按照诚实信用的原则,如实向乙方披露该债权情况。
五、甲方应保证其向乙方所提供的与该转让债权有关的任何文件和资料为真实、准确、完整、有效的,不存在误导、虚假陈述或重大遗漏等情形,如因甲方违反上述承诺导致乙方遭受损失的,甲方应负赔偿责任。
六、债权申报表范本乙方承诺对甲方提供的所有债权文书,包括但不限于债权凭证、合同、转让协议等书面材料及电子文档等副本资料等承担保密义务。
债权申报表
申报日期:年月日
浙江越韩科技透气材料有限公司破产重整案
债权申报材料清单
债权申报人:
浙江越韩科技透气材料有限公司破产重整案
法定代表人身份证明书
兹先生(女士)在本公司任职务,系本公司法定代表人。
特此证明。
单位全称(盖章)
二○一五年月日
授权委托书
委托人:
受托人:
因浙江越韩科技透气材料有限公司破产重整一案,现委托下列人员作为我方(本人或单位)的代理人。
代理权限如下:
1、代为申报债权、与管理人核对债权(代为承认、变更、放弃债权);
2、代为签署、签收各项文书;
3、代为出席债权人会议,行使异议权和表决权;
4、代为领受分配款项;
6、代为行使债权人的其他权利,代为履行债权人的其他义务。
代理期限:
委托日起至破产案件终结之日止。
代理人姓名、工作单位、联系地址及方式如下:
委托人(签字或盖章):
法定代表人(签字):
受托人(签字):
年月日。
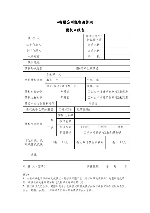
债权申报表
备注:1、自然人应提交身份证原件;
2、公司、其他单位应提交营业执照、组织机构代码证、法定代表人身份证明;
3、借款类债权提供:借款/担保合同、转账、支付等凭证、对账单、还款清单等;
4、货款类债权提供:买卖合同、发货凭证、验收证明、已收款清单、税务发票等;
5、商品房买卖合同类债权:买卖合同、转账/付款凭证、收款收据、税务发票等;
6、工程类债权:施工合同、已完工证明、工程签证单、决算表、税务发票等;
7、诉讼案件:民事起诉状、证据材料、民事上诉状、立案受理通知书、民事判决书、申请执行书、(执行)受理通知书等;
8、仲裁案件:仲裁申请书、裁决书、申请执行书、(执行)受理通知书等。
9、咨询方式:破产管理人、XXXXXX。
债权申报表填写范例
一、基本情况
1.申报人姓名:李**
2.申报人性别:女
3.申报人年龄:38岁
4.申报人住址:北京市**********
5.申请人联系方式:***********
6.申报人与债务人的关系:个位债权人
7.债务人名称:上海宝钢实业有限公司
8.债务金额:人民币50万元
9.期限:2019年8月至2020年8月
二、债权标的描述
1.债权标的:由上海宝钢实业有限公司出具的货款50000元,编号为*********,用于购买商品。
2.期限:2019年8月至2020年8月
3.偿还方式:一次性支付(具体偿还日期可根据申请人实际情况制定)。
三、其他补充材料
1.凭证:申请人提供的上海宝钢实业有限公司出具的货款编号为*********的凭证,作为债权标的的证明文件。
2.其他:申请人提供的购买供货的合同文件、交易凭证、发票、收货清单等有关凭证文件。
债权申报表
申报人(盖章):
申报日期:年
浙江越韩科技透气材料有限公司破产重
整案
债权申报材料清单
债权申报人:
提交人声明:本次提交的所有申报债权文件与原件相一致,不存在变造、伪造等情形,否则愿意承担由此产生的法律责任。
签收人声明:本次申报债权文件的签收并不代表签收人对其申报债权以及提交文件资料真实性、合法性及关联性的确认。
提交人(签字):签收人(签字):
提交日期:年月日签收日期:年月日
浙江越韩科技透气材料有限公司破产重整案
债权人地址及联系方式确认书
法定代表人身份证明书
兹 __________ 先生(女士)在本公司任_____________ 职务,系本公
司法定代表人
特此证明。
单位全称(盖章)
二O—五年月日
授权委托书
委托人:____________________________________
受托人:____________________________________
因浙江越韩科技透气材料有限公司破产重整一案,现委托下列人员作为我方(本人或单位)的代理人。
代理权限如下:
1、代为申报债权、与管理人核对债权(代为承认、变更、放弃债权)
2、代为签署、签收各项文书;
3、代为出席债权人会议,行使异议权和表决权;
4、代为领受分配款项;
6、代为行使债权人的其他权利,代为履行债权人的其他义务。
代理期限:
委托日起至破产案件终结之日止。
代理人姓名、工作单位、联系地址及方式如下:
委托人(签字或盖章):
法定代表人(签字):
受托人(签字):
年月日。
债权登记申报表填写说明一、申报人和填写人对新华信托享有到期或未到期债权的自然人、法人或其他组织,均可申报债权,并按要求如实、准确填写本表。
持有新华信托管理的信托产品的投资者,请另行填写信托产品份额登记表。
二、填报方式申报人从新华信托网站下载本表填写并签字盖章后,以扫描件形式发送至新华信托邮箱。
三、报表填写申报人是非自然人的,请填写法定机构名称;如聘请委托代理人的,请填写代理人的法定名称。
申报债权金额包括债权本金、利息、罚息(如有)、滞纳金(如有),并提供计算明细,同时将债权形成的事项缘由及相关情况做出说明(如需)。
对于本表填写内容未尽事项,请填写本表中的“其他(如有)”。
四、其他本表主要是收集涉及新华国际信托股份有限公司的债权信息,不具备据此确认债权关系及金额等的确权法律效力。
信托产品份额登记申报表(自然人)填写说明(一个产品对应填写一份申报表)一、受益人信息:受益人姓名:登记申报时信托份额持有人的名字;证件类型:受益人身份证或护照等有效证件;证件号码:身份证或其中证件号码;证件有效期:身份证或其中证件的有效期;联系电话:受益人目前使用的联系电话;通讯地址:受益人目前使用的的通讯地址;邮政编码:受益人目前通讯地址所在地邮政编码;电子邮箱:受益人目前使用的电子邮箱;购买资金来源:根据实际情况勾选购买产品时的资金来源。
二、信托份额信息:产品名称:受益人持有的信托产品名称全称;合同编号:受益人签署的信托合同的编号;合同认购份额:信托合同签署时初始购买的信托份额;存续信托份额:受益人申报仍时持有的信托份额(本金)。
三、信托利益分配账户:开户姓名:受益人银行卡开户姓名;开户行:银行卡开户银行全称;开户行所在城市:银行卡开户行所在的城市全称;开户账号:银行卡账号。
信托产品份额登记申报表(机构)填写说明(一个产品对应填写一份申报表)一、受益人信息:受益人姓名:登记申报时信托份额受益人公司全称;证件类型:勾选营业执照或者其他证件;证件号码:营业执照或其他证件编码;证件有效期:营业执照或其他证件的有效期;资金来源:根据实际情况勾选购买产品时的资金来源;通讯地址:受益人办公地址或者可以收取邮件的地址;邮政编码:受益人目前通讯地址所在地邮政编码;电子邮箱:授权办理业务人员的电子邮箱;法定代表人(负责人信息):受益人法定代表人或负责人身份信息;授权办理业务人员信息:办理本次信托份额登记经办人员身份信息;联系电话:授权办理业务人员的联系电话。
债权申报文书的格式
债权申报文书是指债权人向债务人或者破产管理人提交的一种书面申请,申报其所持有的债权。
债权申报文书通常是由债权人自行编写,并注明相关的事实和证明材料,以证明其在债务人破产清算中的债权地位和财产状况。
下面是一份债权申报文书的格式范例:
债权申报登记表
编号:
债权人名称:
联系人:
联系地址:
联系电话:
电子邮箱:
申报债权人所持有的所有债权情况:
序号债权性质债权种类原币种面值(元)被拖欠的本金(元)利息(元)其他(元)累计金额(元)费用、担保等其他事项
注:若为合同债权,需注明合同编号及签订日期。
申报人签字:
日期:
以上是一份简单的债权申报文书格式,申报人可以根据自身情况进行修改和完善。
在填写时,申报人应尽可能详细地填写债务人的相关信息,并附上支持其所持有债权的证明材料。
例如,若为合同债权,应附上合同复印件;若为货款债权,需提供发票、收据等证明材料。
此外,申报人还需要注明债权性质和种类。
债权性质包括股权、债券、贷款等,债权种类包括信用债权、担保债权、合同债权等。
这些信息有助于破产管理人分清各种债权的性质和先后顺序,从而便于进行破产清算。
最后,申报人还需注明费用、担保等其他事项。
例如,若债权人在债务人破产清算过程中进行过代位追偿或其他实现方式的行动,则需要注明相应的费用及相关担保情况。
总之,债权申报文书应包含债权人的基本信息、持有的所有债权情况、所需的证明材料以及其他事项等内容,以便于破产管理人在清算过程中进行判定和处理。
债权申报表
备注:1、自然人应提交身份证原件;
2、公司、其他单位应提交营业执照、组织机构代码证、法定代表人身份证明;
3、借款类债权提供:借款/担保合同、转账、支付等凭证、对账单、还款清单等;
4、货款类债权提供:买卖合同、发货凭证、验收证明、已收款清单、税务发票等;
5、商品房买卖合同类债权:买卖合同、转账/付款凭证、收款收据、税务发票等;
6、工程类债权:施工合同、已完工证明、工程签证单、决算表、税务发票等;
7、诉讼案件:民事起诉状、证据材料、民事上诉状、立案受理通知书、民事判决书、申请执行书、(执行)受理通知书等;
8、仲裁案件:仲裁申请书、裁决书、申请执行书、(执行)受理通知书等。
9、咨询方式:破产管理人、XXXXXX。