常用公制螺纹规格
- 格式:docx
- 大小:3.31 KB
- 文档页数:3
尺寸偏差±T PL 尺寸偏差±T PL /2磨损下限尺寸M1.4 1.4 1.2050.260.300.002####0.0070.00950.0075 1.4020.0070 1.20720.0035 1.1977 1.349M1.7 1.7 1.4730.30.3500.006####0.0090.01250.0095 1.7060.0090 1.47870.0045 1.4662 1.638M22 1.7400.350.400.006####0.0090.01250.0095 2.0060.0090 1.74620.0045 1.7337 1.921M2.5 2.5 2.2080.390.4500.006####0.0090.01250.0095 2.5060.0090 2.21370.0045 2.2012 2.405M2.6 2.6 2.3080.390.4500.006####0.0090.01250.0095 2.6060.0090 2.31370.0045 2.3012 2.505M33 2.6750.430.500.006####0.0090.01250.0095 3.0060.0090 2.68130.0045 2.6688 2.888M44 3.5450.610.700.006####0.0090.01250.0095 4.0060.0090 3.55140.0045 3.5389 3.819M4*0.54 3.6750.430.500.006####0.0090.01250.0095 4.0060.0090 3.68130.0045 3.6688 3.888M55 4.4800.690.800.006####0.0090.01250.0095 5.0060.0090 4.48640.0045 4.4739 4.783M5*0.55 4.6750.430.500.006####0.0090.01250.0095 5.0060.0090 4.68130.0045 4.6688 4.888M66 5.3510.87100.012####0.0110.01750.0115 6.0120.0110 5.36250.0055 5.3450 5.723M6*0.756 5.5130.650.7500.012####0.0110.01750.0115 6.0120.0110 5.52490.0055 5.5074 5.813M7*0.757 6.5130.650.7500.012####0.0110.01750.01157.0120.0110 6.52490.0055 6.5074 6.813M887.188 1.08 1.2500.012####0.0110.01750.01158.0120.01107.20010.00557.18267.624M8*0.587.6750.430.500.006####0.0090.01250.00958.0060.00907.68130.00457.66887.900M8*0.7587.5130.650.7500.012####0.0110.01750.01158.0120.01107.52490.00557.50747.813M8*187.3510.87100.012####0.0110.01750.01158.0120.01107.36250.00557.34507.723M9*0.598.6750.430.500.006####0.0090.01250.00959.0060.00908.68130.00458.66888.900W GOW NGHPEIZ PLTD 2T PL通规T大径D+EI+Z PL 中径D 2+EI+Z PL大径D 2+EI+TD 2+T PL /2+2F 1螺纹规格(6H )公称尺寸D 中径尺寸D 2尺寸偏差±T PL尺寸偏差±T PL/2磨损下限尺寸W GO W NG H P EI Z PL TD2T PL通规T大径D+EI+Z PL中径D2+EI+Z PL大径D2+EI+TD2+T PL/2+2F1螺纹规格(6H)公称尺寸D中径尺寸D2M10109.026 1.3 1.500.012####0.0110.01750.011510.0120.01109.03780.00559.02039.536 M10*0.5109.6750.430.500.006####0.0090.01250.009510.0060.00909.68130.00459.66889.900 M10*0.75109.5130.650.7500.012####0.0110.01750.011510.0120.01109.52490.00559.50749.813 M10*1109.3510.87100.012####0.0110.01750.011510.0120.01109.36250.00559.34509.723 M10*1.25109.188 1.08 1.2500.012####0.0110.01750.011510.0120.01109.20010.00559.18269.624 M121210.863 1.52 1.7500.012####0.0110.01750.011512.0120.011010.87540.005510.857911.448 M12*0.51211.6750.430.500.006####0.0090.01250.009512.0060.009011.68130.004511.668811.906 M12*11211.3510.87100.012####0.0110.01750.011512.0120.011011.36250.005511.345011.733 M12*1.51211.026 1.3 1.500.012####0.0110.01750.011512.0120.011011.03780.005511.020311.546 M141412.701 1.73200.016####0.0140.01750.011514.0160.014012.71700.007012.699513.353 M14*11413.3510.87100.012####0.0110.01750.011514.0120.011013.36250.005513.345013.733 M14*1.251413.188 1.08 1.2500.012####0.0110.01750.011514.0120.011013.20010.005513.182613.644 M14*1.51413.026 1.3 1.500.012####0.0110.01750.011514.0120.011013.03780.005513.020313.546 M14*21412.701 1.73200.016####0.0140.0210.01514.0160.014012.71700.007012.696013.353 M15*0.51514.6750.430.500.006####0.0090.01250.009515.0060.009014.68130.004514.668814.906 M15*11514.3510.87100.012####0.0110.01750.011515.0120.011014.36250.005514.345014.733 M161614.701 1.73200.016####0.0140.0210.01516.0160.014014.71700.007014.696015.353 M16*0.51615.6750.430.500.006####0.0090.01250.009516.0060.009015.68130.004515.668815.906尺寸偏差±T PL尺寸偏差±T PL/2磨损下限尺寸W GO W NG H P EI Z PL TD2T PL通规T大径D+EI+Z PL中径D2+EI+Z PL大径D2+EI+TD2+T PL/2+2F1螺纹规格(6H)公称尺寸D中径尺寸D2M16*1.51615.026 1.3 1.500.012####0.0110.01750.011516.0120.011015.03780.005515.020315.546 M18*0.51817.6750.430.500.006####0.0090.01250.009518.0060.009017.68130.004517.668817.906 M18*11817.3510.87100.012####0.0110.01750.011518.0120.011017.36250.005517.345017.733 M18*21816.701 1.73200.016####0.0140.0210.01518.0160.014016.71700.007016.696017.353 M20*0.52019.6750.430.500.006####0.0090.01250.009520.0060.009019.68130.004519.668819.906 M20*12019.3510.87100.012####0.0110.01750.011520.0120.011019.36250.005519.345019.733 M20*1.52019.026 1.3 1.500.012####0.0110.01750.011520.0120.011019.03780.005519.020319.546 M22*0.52221.6750.430.500.006####0.0090.01250.009522.0060.009021.68130.004521.668821.906 M22*12221.3510.87100.012####0.0110.01750.011522.0120.011021.36250.005521.345021.733 M22*1.52221.026 1.3 1.500.012####0.0110.01750.011522.0120.011021.03780.005521.020321.546 M24*12423.3510.87100.012####0.0110.01750.011524.0120.011023.36250.005523.345023.743 M24*1.52423.026 1.3 1.500.012####0.0110.01750.011524.0120.011023.03780.005523.020323.556 M25*1.52524.026 1.3 1.500.012####0.0110.01750.011525.0120.011024.03780.005524.020324.556 M26*1.52625.026 1.3 1.500.012####0.0110.01750.011526.0120.011025.03780.005525.020325.556 M30*0.753029.5130.650.7500.012####0.0110.01750.011530.0120.011029.52490.005529.507429.831 M30*13029.3510.87100.012####0.0110.01750.011530.0120.011029.36250.005529.345029.743 M30*1.53029.026 1.3 1.500.012####0.0110.01750.011530.0120.011029.03780.005529.020329.556 M30*23028.701 1.73200.016####0.0140.0210.01530.0160.014028.71700.007028.696029.365尺寸偏差±T PL尺寸偏差±T PL/2磨损下限尺寸W GO W NG H P EI Z PL TD2T PL通规T大径D+EI+Z PL中径D2+EI+Z PL大径D2+EI+TD2+T PL/2+2F1螺纹规格(6H)公称尺寸D中径尺寸D2M33*1.53332.026 1.3 1.500.012####0.0110.01750.011533.0120.011032.03780.005532.020332.556 M35*1.53534.026 1.3 1.500.012####0.0110.01750.011535.0120.011034.03780.005534.020334.556 M36*1.53635.026 1.3 1.500.012####0.0110.01750.011536.0120.011035.03780.005535.020335.556 M42*24240.701 1.73200.016####0.0140.0210.01542.0160.014040.71700.007040.696041.365 M45*1.54544.026 1.3 1.500.012####0.0110.01750.011545.0120.011044.03780.005544.020344.556 M50*1.55049.026 1.3 1.500.016####0.0140.0210.01550.0160.014049.04180.007049.020849.570 M52*35250.052 2.6300.016####0.0140.0210.01552.0160.014050.06750.007050.046550.988 M58*1.55857.026 1.3 1.500.016####0.0140.0210.01558.0160.014057.04180.007057.020857.570 M64*16463.3510.87100.012####0.0110.01750.011564.0120.011063.36250.005563.345063.753偏差±T PL 尺寸偏差±T PL /2磨损下限0.0070 1.28370.0035 1.27620.0090 1.56220.0045 1.55270.0090 1.83470.0045 1.82520.0090 2.30720.0045 2.29770.0090 2.40720.0045 2.39770.0090 2.77980.0045 2.77030.0090 3.66790.0045 3.65840.0090 3.77980.0045 3.77030.0090 4.60990.0045 4.60040.0090 4.77980.0045 4.77030.0110 5.50600.0055 5.49450.0110 5.65040.0055 5.63890.0110 6.65040.0055 6.63890.01107.35360.00557.34210.00907.79180.00457.78230.01107.65040.00557.63890.01107.50600.00557.49450.00908.79180.00458.7823止规Z大径EI+TD 2+T PL /2+2F 1中径D 2+EI+TD 2+T PL /2偏差±T PL尺寸偏差±T PL/2磨损下限止规Z大径EI+TD2+T PL/2+2F1中径D2+EI+TD2+T PL/20.01109.21130.00559.1998 0.00909.79180.00459.7823 0.01109.65040.00559.6389 0.01109.50600.00559.4945 0.01109.35360.00559.3421 0.011011.06890.005511.0574 0.009011.79780.004511.7883 0.011011.51600.005511.5045 0.011011.22130.005511.2098 0.014012.92000.007012.9085 0.011013.51600.005513.5045 0.011013.37360.005513.3621 0.011013.22130.005513.2098 0.014012.92000.007012.9050 0.009014.79780.004514.7883 0.011014.51600.005514.5045 0.014014.92000.007014.9050 0.009015.79780.004515.7883偏差±T PL尺寸偏差±T PL/2磨损下限止规Z大径EI+TD2+T PL/2+2F1中径D2+EI+TD2+T PL/20.011015.22130.005515.2098 0.009017.79780.004517.7883 0.011017.51600.005517.5045 0.014016.92000.007016.9050 0.009019.79780.004519.7883 0.011019.51600.005519.5045 0.011019.22130.005519.2098 0.009021.79780.004521.7883 0.011021.51600.005521.5045 0.011021.22130.005521.2098 0.011023.52600.005523.5145 0.011023.23130.005523.2198 0.011024.23130.005524.2198 0.011025.23130.005525.2198 0.011029.66840.005529.6569 0.011029.52600.005529.5145 0.011029.23130.005529.2198 0.014028.93200.007028.9170偏差±T PL尺寸偏差±T PL/2磨损下限止规Z大径EI+TD2+T PL/2+2F1中径D2+EI+TD2+T PL/20.011032.23130.005532.2198 0.011034.23130.005534.2198 0.011035.23130.005535.2198 0.014040.93200.007040.9170 0.011044.23130.005544.2198 0.014049.24480.007049.2298 0.014050.33850.007050.3235 0.014057.24480.007057.2298 0.011063.53600.005563.5245。
公制细螺纹规格对照表公制细螺纹规格是一种常见的螺纹连接方式,广泛应用于机械装置、自动化设备、汽车工业、航空航天等领域。
本文将介绍公制细螺纹规格的对照表,不涉及链接,内容不少于500字。
公制细螺纹规格是根据国际标准ISO 965制定的,主要规定了螺纹的尺寸、螺距和公差等参数。
下面是一份公制细螺纹规格对照表,以便于使用者选择合适的螺纹规格。
1. M1~M2的螺纹规格如下:螺纹规格直径(mm)螺距(mm)M1 1.0 0.25M1.2 1.2 0.25M1.4 1.4 0.3M1.6 1.6 0.35M1.8 1.8 0.35M2 2.0 0.42. M2.5~M4的螺纹规格如下:螺纹规格直径(mm)螺距(mm)M2.5 2.5 0.45M3 3.0 0.5M3.5 3.5 0.6M4 4.0 0.73. M5~M10的螺纹规格如下:螺纹规格直径(mm)螺距(mm) M5 5.0 0.8M6 6.0 1.0M7 7.0 1.0M8 8.0 1.25M10 10.0 1.54. M12~M20的螺纹规格如下:螺纹规格直径(mm)螺距(mm) M12 12.0 1.75M14 14.0 2.0M16 16.0 2.0M18 18.0 2.5M20 20.0 2.55. M22~M30的螺纹规格如下:螺纹规格直径(mm)螺距(mm) M22 22.0 2.5M24 24.0 3.0M27 27.0 3.0M30 30.0 3.56. M33~M48的螺纹规格如下:螺纹规格直径(mm)螺距(mm) M33 33.0 3.5M36 36.0 4.0M39 39.0 4.0M42 42.0 4.5M45 45.0 4.5M48 48.0 5.0此外,还有更大尺寸的螺纹规格,如M52、M56等,但由于篇幅有限,无法一一列举。
使用公制细螺纹连接时,可根据不同的应用需求选择合适的规格。
在螺纹连接过程中,还需要注意螺纹的牙型和公差要求,以确保连接质量和稳定性。
公制粗牙(普通)螺纹基本尺寸表公制细牙螺纹基本尺寸表企业安全生产费用提取和使用管理办法(全文)关于印发《企业安全生产费用提取和使用管理办法》的通知财企〔2012〕16号各省、自治区、直辖市、计划单列市财政厅(局)、安全生产监督管理局,新疆生产建设兵团财务局、安全生产监督管理局,有关中央管理企业:为了建立企业安全生产投入长效机制,加强安全生产费用管理,保障企业安全生产资金投入,维护企业、职工以及社会公共利益,根据《中华人民共和国安全生产法》等有关法律法规和国务院有关决定,财政部、国家安全生产监督管理总局联合制定了《企业安全生产费用提取和使用管理办法》。
现印发给你们,请遵照执行。
附件:企业安全生产费用提取和使用管理办法财政部安全监管总局二○一二年二月十四日附件:企业安全生产费用提取和使用管理办法第一章总则第一条为了建立企业安全生产投入长效机制,加强安全生产费用管理,保障企业安全生产资金投入,维护企业、职工以及社会公共利益,依据《中华人民共和国安全生产法》等有关法律法规和《国务院关于加强安全生产工作的决定》(国发〔2004〕2号)和《国务院关于进一步加强企业安全生产工作的通知》(国发〔2010〕23号),制定本办法。
第二条在中华人民共和国境内直接从事煤炭生产、非煤矿山开采、建设工程施工、危险品生产与储存、交通运输、烟花爆竹生产、冶金、机械制造、武器装备研制生产与试验(含民用航空及核燃料)的企业以及其他经济组织(以下简称企业)适用本办法。
第三条本办法所称安全生产费用(以下简称安全费用)是指企业按照规定标准提取在成本中列支,专门用于完善和改进企业或者项目安全生产条件的资金。
安全费用按照“企业提取、政府监管、确保需要、规范使用”的原则进行管理。
第四条本办法下列用语的含义是:煤炭生产是指煤炭资源开采作业有关活动。
非煤矿山开采是指石油和天然气、煤层气(地面开采)、金属矿、非金属矿及其他矿产资源的勘探作业和生产、选矿、闭坑及尾矿库运行、闭库等有关活动。
公制细螺纹规格对照表摘要:1.公制细螺纹概述2.公制细螺纹规格对照表3.公制细螺纹的选用原则4.公制细螺纹的应用范围5.公制细螺纹的螺纹公差带表示方法6.公制细螺纹的旋合长度规定7.美制统一螺纹简介8.螺丝规格型号表正文:一、公制细螺纹概述公制细螺纹是一种用于连接两个零件的螺纹,其特点是螺距较小,螺纹精度较高,适用于精密仪器、仪表和航天航空等领域。
二、公制细螺纹规格对照表公制细螺纹的规格对照表包括以下几种:M1.60.35, M20.4, M2.50.45, M30.5, M40.4, M50.8, M61.0, M81.25, M101.5, M121.75, M142.0, M162.0, M182.5, M202.5, M222., M243.0, M273.0, M303.5, M333.5, M364.0.三、公制细螺纹的选用原则在选择公制细螺纹时,应优先选用系列,其次第二系列,第三系列尽可能不用。
四、公制细螺纹的应用范围公制细螺纹广泛应用于各种机械设备的连接和固定,如汽车、摩托车、机床、电器等。
五、公制细螺纹的螺纹公差带表示方法公制细螺纹的螺纹公差带表示方法为:7H、6g 等,其中7H 表示螺纹公差为7,6g 表示螺纹公差为6。
六、公制细螺纹的旋合长度规定公制细螺纹的旋合长度规定为短(用S 表示)、中(用N 表示)、长(用L 表示)三种。
一般情况下,不标注螺纹旋合长度,其螺纹公差带按中等旋合长度(N)确定。
必要时,可加注旋合长度代号S 或L,如M20-5g6g-L。
七、美制统一螺纹简介美制统一螺纹是指14-36UNS-2A,即14 英寸螺纹,每英寸36 牙,UNS 表示UN 系列标准螺距以外的特殊系列。
螺纹精度2A 的外螺纹。
八、螺丝规格型号表螺丝的常用规格分别是直径4 毫米、5 毫米、6 毫米、8 毫米、10 毫米、12 毫米、14 毫米、16 毫米、18 毫米。
常用螺纹规格尺寸表全螺纹是工程中常用的连接方式之一,具有承载能力强、拆装方便等优点。
在实际应用中,我们常用到的螺纹规格尺寸较为固定,下面将为大家整理一份常用螺纹规格尺寸表,以供参考。
1. 公制螺纹:公制螺纹是指使用公制计量单位进行测量和计数的螺纹,主要分为M、MF和MJ三种类型。
M表示普通螺纹,MF表示精密螺纹,MJ表示特殊螺纹。
1.1 M螺纹:M螺纹是最常见的公制螺纹,也是普通应用最广泛的一种。
其尺寸按直径和螺距进行表达,如M8×1.25,表示螺纹直径为8mm,螺距为1.25mm。
以下为部分M螺纹的规格尺寸表:M1.6 0.35M2 0.4M2.5 0.45M3 0.5M4 0.7M5 0.8M6 1M8 1.25M10 1.5M12 1.75这仅为常用规格的一部分,根据具体需求还可选择其他尺寸。
1.2 MF螺纹:MF螺纹是比M螺纹更精密的公制螺纹,主要应用于装配间隙较小且要求更高的场合。
其尺寸表达方式与M螺纹相同,例如MF8×1.25。
以下为部分MF螺纹的规格尺寸表:MF2 0.4MF3 0.5MF4 0.7MF5 0.8MF6 1MF8 1.25MF10 1.5MF12 1.751.3 MJ螺纹:MJ螺纹是一种特殊的公制螺纹,常用于航空航天和军工领域。
其尺寸表达方式为直径和线数,例如MJ1.6×8表示螺纹直径为1.6mm,线数为8。
以下为部分MJ螺纹的规格尺寸表:MJ1.6 8MJ2 10MJ2.5 12MJ3 142. 英制螺纹:英制螺纹是指使用英制计量单位进行测量和计数的螺纹,根据其分为UNC、UNF、BSW、BSF和BA等不同类型。
下面重点介绍UNC 和UNF两种类型。
2.1 UNC螺纹:UNC螺纹是美国统一粗牙螺纹,常用于一般连接中。
其尺寸表达方式为直径和螺距,例如1/4-20表示螺纹直径为1/4英寸,每英寸螺距20个螺纹。
以下为部分UNC螺纹的规格尺寸表:1/4-205/16-183/8-167/16-141/2-135/8-113/4-102.2 UNF螺纹:UNF螺纹是美国统一细牙螺纹,常用于高要求配合中。
常用螺纹规格尺寸表螺纹规格尺寸通常以国际单位制(SI)的单位表示,包括直径、螺距等参数。
以下是一些常见的螺纹规格尺寸表,这些规格通常应用于螺钉、螺母等机械连接部件。
请注意,这里仅列举了一些常见的标准,实际应用中可能有其他特定的螺纹规格。
1、公制螺纹规格(Metric Thread)粗螺距螺纹:M1.6、M2、M2.5、M3、M4、M5、M6、M8、M10、M12、M16、M20 等。
细螺距螺纹:M1.6x0.35、M2x0.4、M2.5x0.45、M3x0.5、M4x0.7、M5x0.8、M6x1.0、M8x1.25、M10x1.5、M12x1.75、M16x2.0 等。
2、英制螺纹规格(Imperial Thread)UNC(Unified Coarse Thread):1/4-20、5/16-18、3/8-16、1/2-13、5/8-11、3/4-10 等。
UNF(Unified Fine Thread):1/4-28、5/16-24、3/8-24、1/2-20、5/8-18、3/4-16 等。
3、空心螺纹规格(Pipe Thread)NPT(National Pipe Thread):1/8 NPT、1/4 NPT、3/8 NPT、1/2 NPT、3/4 NPT、1 NPT 等。
BSP(British Standard Pipe):1/8 BSP、1/4 BSP、3/8 BSP、1/2 BSP、3/4 BSP、1 BSP 等。
4、螺栓标准ISO 螺栓标准:.ISO 4014(类似DIN 931)、ISO 4017(类似DIN 933)等。
ASTM 螺栓标准:ASTM A325、ASTM A490(用于高强度结构)。
这只是一小部分常见的螺纹规格尺寸,实际应用中可能涉及到更多的标准和规格。
在选择螺纹时,需要考虑具体的工程要求,包括承受的载荷、使用环境、连接部件的特性等。
常用规格(公制)M1.2×0.25 M2.5×0.45 M6×0.75 M10×0.75 M1.4×0.3 M2.6×0.45 M6×1 M10×1 M1.6×0.35 M3×0.5 M7×0.75 M10×1.25 M1.7×0.25 M3×0.6 M7×1 M10×1.5 M1.7×0.35 M3.5×0.6 M8×0.75 M11×1 M1.8×0.35 M4×0.5 M8×1 M11×1.5 M2×0.4 M4×0.7 M8×1.25 M12×1 M2.2×0.45 M5×0.5 M9×1 M12×1.25 M2.3×0.45 M5×0.8 M9×1.25 M12×1.5常用规格(美制)0-80UNF 5-40UNC 10-32UNF 5/16〃-32UNEF 1-64UNC 5-44UNV 12-24UNC 3/8〃-16UNC 1-72UNF 6-32UNC 12-28UNF 3/8〃-24UNF 2-56UNC 6-40UNF 12-32UNEF 3/8〃-32UNEF 2-64UNF 5/32〃-32UNC 1/4〃-20UNC 7/16〃-14UNC 3-48UNC 8-32UNC 1/4〃-28UNF 7/16〃-20UNF 3-56UNF 8-36UNF 1/4〃-32UNEF 7/16〃-28UNEF 4-40UNC 3/16〃-24UNC 5/16〃-18UNC 1/2〃-13UNC 4-48UNF 10-24UNC 5/16〃-24UNF 1/2〃-20UNF常用规格(英制)1/8〃-40 1/2〃-12 1〃-8 2〃-4.5 5/32〃-32 9/16〃-12 1-1/8〃-7 2-1/8〃-4 3/16〃-24 5/8〃-11 1-1/4〃-7 2-1/4〃-4 7/32〃-24 11/16〃-11 1-3/8〃-6 2-1/2〃-4 1/4〃-20 3/4〃-16 1-1/2〃-6 2-3/4〃-4 5/16〃-18 13/16〃-10 1-5/8〃-5 3-1/4〃-4 3/8〃-16 7/8〃-9 1-1/4〃-5 3-1/2〃-4 7/16〃-14 15/16〃-9 1-7/8〃-4.5 3-3/4〃-4 4〃-4英制管螺纹对照表英制锥管螺纹对照表公称直径螺距底孔直径底孔深度公称直径螺距底孔直径底孔深度G1/4 1.337 11.4 20 (19) ZG1/8 0.907 8.1 15 (28) G3/8 1.337 14.9 24 (19) ZG1/4 1.337 10.8 20 (19) G3/4 1.814 24.1 31 (14) ZG1/2 1.814 17.9 29 (14) G1 2.309 30.3 37 (11) ZG3/4 1.814 23.2 31 (14) G1-1/4 2.309 38.9 40 (11) G1 2.309 29.2 37 (11) G1-1/2 2.309 44.8 42 (11) 1-1/4 2.309 37.7 40 (11) G2 2.309 56.6 44 (11) ZG1-1/2 2.309 43.5 42 (11) ZG2 2.309 55.0 44 (11)1.螺胚直径指滚丝前的尺寸,数值为依经验公式计算而得,在实践中需验证。
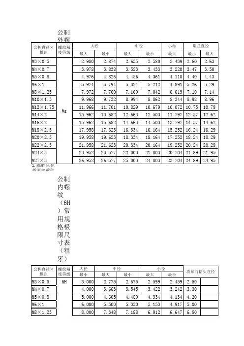
常用公制螺纹规格
常用公制螺纹规格包括M1.6、M2、M2.5、M3、M4、M5、M6、M8、M10、M12、M16、M20、M24等。
下面将对这些螺纹规格进行详细介绍。
M1.6螺纹规格是指螺纹直径为1.6mm的螺纹规格。
这种螺纹适用于一些小型设备或零部件的组装,如眼镜、手表等。
由于直径较小,所以在使用时需要特别小心,以免损坏或丢失。
M2螺纹规格是指螺纹直径为2mm的螺纹规格。
这种螺纹广泛应用于电子设备、小型机械设备等领域。
在组装过程中,需要注意选择合适的螺栓或螺母来进行固定。
M2.5螺纹规格是指螺纹直径为2.5mm的螺纹规格。
这种螺纹适用于一些需要承受较大力的场合,如汽车、自行车等。
在选择螺纹连接件时,要根据实际情况选择合适的材质和强度等级。
M3螺纹规格是指螺纹直径为3mm的螺纹规格。
这种螺纹在机械设备、家具等领域广泛使用。
在安装过程中,要注意螺纹连接件的紧固力度,以确保连接的牢固性。
M4螺纹规格是指螺纹直径为4mm的螺纹规格。
这种螺纹常用于一些较大的机械设备、汽车等领域。
在使用时,要选择合适的螺纹螺母或螺纹螺栓进行连接。
M5螺纹规格是指螺纹直径为5mm的螺纹规格。
这种螺纹适用于一些大型机械设备、建筑材料等领域。
在选择螺纹连接件时,要考虑到所承受的力度和重量等因素,选择合适的规格和强度等级。
M6螺纹规格是指螺纹直径为6mm的螺纹规格。
这种螺纹广泛应用于建筑、机械设备等领域。
在安装过程中,要注意选择合适的螺栓或螺母,并根据实际情况进行紧固。
M8螺纹规格是指螺纹直径为8mm的螺纹规格。
这种螺纹常用于汽车、摩托车等领域。
在使用时,要选择合适的螺纹连接件,并注意螺纹的紧固力度,以确保连接的牢固性。
M10螺纹规格是指螺纹直径为10mm的螺纹规格。
这种螺纹适用于一些大型机械设备、建筑材料等领域。
在选择螺纹连接件时,要考虑到所承受的力度和重量等因素,选择合适的规格和强度等级。
M12螺纹规格是指螺纹直径为12mm的螺纹规格。
这种螺纹广泛应用于建筑、机械设备等领域。
在安装过程中,要注意选择合适的螺栓或螺母,并根据实际情况进行紧固。
M16螺纹规格是指螺纹直径为16mm的螺纹规格。
这种螺纹常用于大型机械设备、桥梁等领域。
在使用时,要选择合适的螺纹连接件,并注意螺纹的紧固力度,以确保连接的牢固性。
M20螺纹规格是指螺纹直径为20mm的螺纹规格。
这种螺纹适用
于一些较大的建筑结构、重型机械设备等领域。
在选择螺纹连接件时,要考虑到所承受的力度和重量等因素,选择合适的规格和强度等级。
M24螺纹规格是指螺纹直径为24mm的螺纹规格。
这种螺纹广泛应用于大型建筑、桥梁等领域。
在安装过程中,要注意选择合适的螺栓或螺母,并根据实际情况进行紧固。
常用公制螺纹规格包括M1.6、M2、M2.5、M3、M4、M5、M6、M8、M10、M12、M16、M20、M24等。
不同规格的螺纹适用于不同的领域和场合,选择合适的螺纹连接件对于保证连接的牢固性和安全性至关重要。
在使用螺纹连接件时,要注意选择合适的规格和强度等级,并根据实际情况进行紧固,以确保连接的可靠性。