材料力学_考试题集(含答案)
- 格式:doc
- 大小:342.00 KB
- 文档页数:29
精心整理江苏科技大学学年第二学期材料力学试题(A 卷)1、图示刚性梁 AB 由杆 1 和杆 2 支承,已知两杆的材料相同,长度不等,横截面积分别为 A 2,若载荷 P 使刚梁平行下移,则其横截面面积()题号一二三四五六总分得分、 选择题 ( 20A 1 和A 、 A 1〈A 2 题答准不内线封密------------------------------B 、C 、 A 1〉A 2A 1=A 2D 、A 1、A 2 为任意2、建立圆周的扭转应力公式τ ρ=M ρρ/I ρ时需考虑下列题因素一中、的1哪几个?答: 扭矩 M T 与剪应力τ ρ的关系 M T =∫A τρρdA ρρ 1) 2) 3) 4) 变形的几何关系(即变形协调条件) 剪切虎克定律极惯性矩的关系式 I T =∫A ρ2dAA 、(1)B 、(1)(2)C 、(1)(2)(3)D 、 全部 3、 A 、 B 、 C 、 D 、 二向应力状态如图所示,其最大主应力σ 1=() 2σ 3σ 4σ题一、3图4、高度等于宽度两倍 (h=2b )的矩形截面梁, 承受垂直方向的载荷, 若仅将竖放截面改为平放截面, 其它条件都不变,则梁的强度()A 、提高到原来的 2 倍B 、提高到原来的 4 倍、降低到原来的倍题一、 4二题图、如图所示直径为 d 的圆截面轴,其两端承受扭转力偶矩 m 的作用。
设由实验测的轴表面上与 轴线成 450 方向的正应变,试求力偶矩 m 之值、材料的弹性常数 E 、μ均为已知。
(15 分) 精心整理D 、降低到原来的 1/4 倍 5.已知图示二梁的抗弯截面刚度EI 相同,若二者自由端的挠度相 等,则 P 1/P 2=()A 、2B 、4C 、8D 、16、作图示梁的剪力图、弯矩图 15分)题答准不内线封四、电动机功率为 9kW ,转速为 715r/min ,皮带轮直径 D=250mm , 轴外伸部分长度为l=120mm , 主轴直径 d=40mm ,〔σ〕 =60MPa ,用第三强三题图 三题图五、重量为 Q 的重物自由下落 的垂直位移。
江 苏 科 技 大 学学年第二学期材料力学试题(A 卷)一、 选择题(20分)1、图示刚性梁AB 由杆1和杆2支承,已知两杆的材料相同,长度不等,横截面积分别为A 1和A 2,若载荷P 使刚梁平行下移,则其横截面面积( )。
A 、A 1〈A 2B 、A 1 〉A 2C 、A 1=A 2D 、A 1、A 2为任意2、建立圆周的扭转应力公式τρ=M ρρ/I ρ时需考虑下列因素中的哪几个答:( )(1)扭矩M T 与剪应力τρ的关系M T =∫A τρρdA (2)变形的几何关系(即变形协调条件) (3)剪切虎克定律(4)极惯性矩的关系式I T =∫A ρ2dAA 、(1)B 、(1)(2)C 、(1)(2)(3)D 、全部 3、二向应力状态如图所示,其最大主应力σ1=( ) A 、σ B 、2σ C 、3σ D 、4σ题 号 一 二 三四五六总分得 分题一、3图工程技术学院 _______________专业 班级 姓名____________ 学号---------------------------------------------------密 封 线 内 不 准 答 题-------------------------------------------------------------题一、14、高度等于宽度两倍(h=2b)的矩形截面梁,承受垂直方向的载荷,若仅将竖放截面改为平放截面,其它条件都不变,则梁的强度( ) A 、提高到原来的2倍 B 、提高到原来的4倍 C 、降低到原来的1/2倍 D 、降低到原来的1/4倍5. 已知图示二梁的抗弯截面刚度EI 相同,若二者自由端的挠度相等,则P 1/P 2=( ) A 、2 B 、4C 、8D 、16二、作图示梁的剪力图、弯矩图。
(15分)三、如图所示直径为d 的圆截面轴,其两端承受扭转力偶矩m 的作用。
设由实验测的轴表面上与轴线成450方向的正应变,试求力偶矩m 之值、材料的弹性常数E 、μ均为已知。
材料力学I期末考试题及答案一、选择题(每题2分,共20分)1. 材料力学中,下列哪一项不是基本假设?A. 均匀性假设B. 连续性假设C. 各向同性假设D. 各向异性假设答案:D2. 在拉伸试验中,材料的屈服强度是指:A. 弹性极限B. 屈服极限C. 强度极限D. 断裂强度答案:B3. 影响材料弹性模量的因素不包括:A. 材料种类B. 温度C. 材料的几何形状D. 加载速度答案:C4. 梁的弯曲应力公式为:A. σ = My/IB. σ = Mx/IC. σ = VQ/ID. σ = Vx/I答案:A5. 材料力学中,下列哪一项不是应力状态的描述?A. 正应力B. 剪应力C. 应力集中D. 应力梯度答案:D6. 材料的疲劳破坏通常发生在:A. 最大应力处B. 最小应力处C. 应力集中处D. 应力均匀处答案:C7. 根据材料力学理论,下列哪一项不是材料的强度理论?A. 最大正应力理论B. 最大剪应力理论C. 最大应变理论D. 能量理论答案:D8. 梁的弯曲变形公式为:A. v = (Mx/EI)(1 - x^2/L^2)B. v = (Mx/EI)(1 - x^3/L^3)C. v = (Mx/EI)(1 - x/L)D. v = (Mx/EI)(1 - x^2/L^3)答案:B9. 材料的塑性变形是指:A. 弹性变形B. 永久变形C. 可逆变形D. 弹性和塑性变形的总和答案:B10. 在拉伸试验中,材料的弹性模量可以通过下列哪一项来确定?A. 弹性阶段的斜率B. 屈服阶段的斜率C. 断裂阶段的斜率D. 塑性变形阶段的斜率答案:A二、填空题(每题2分,共20分)1. 材料力学中,__________是指材料在外力作用下发生形变,但当外力移除后,形变能够完全恢复的性质。
答案:弹性2. 当材料受到拉伸时,其内部产生的__________应力称为正应力。
答案:垂直3. 材料力学中,__________是指材料在外力作用下发生形变,但当外力移除后,形变不能完全恢复的性质。
材料⼒学试题和答案解析7套材料⼒学试卷1⼀、绘制该梁的剪⼒、弯矩图。
(15分)⼆、梁的受⼒如图,截⾯为T 字型,材料的许⽤拉应⼒[σ+]=40MPa ,许⽤压应⼒[σ-]=100MPa 。
试按正应⼒强度条件校核梁的强度。
(20分)m8m 2m2M三、求图⽰单元体的主应⼒及其⽅位,画出主单元体和应⼒圆。
(15分)四、图⽰偏⼼受压柱,已知截⾯为矩形,荷载的作⽤位置在A 点,试计算截⾯上的最⼤压应⼒并标出其在截⾯上的位置,画出截⾯核⼼的形状。
(15分) 30170302002m3m1m30五、结构⽤低碳钢A 3制成,A 端固定,B 、C 为球型铰⽀,求:允许荷载[P]。
已知:E=205GPa ,σs =275MPa ,σcr=338-1.12λ,,λp =90,λs =50,强度安全系数n=2,稳定安全系数n st =3,AB 梁为N 016⼯字钢,I z =1130cm 4,W z =141cm 3,BC 杆为圆形截⾯,直径d=60mm 。
(20分)六、结构如图所⽰。
已知各杆的EI 相同,不考虑剪⼒和轴⼒的影响,试求:D 截⾯的线位移和⾓位移。
(15分)材料⼒学2⼀、回答下列各题(共4题,每题4分,共16分)1、已知低碳钢拉伸试件,标距mm l 1000=,直径mm d 10=,拉断后标距的长度变为mm l 1251=,断⼝处的直径为mm d 0.61=,试计算其延伸率和断⾯收缩率。
2、试画出图⽰截⾯弯曲中⼼的位置。
aa3、梁弯曲剪应⼒的计算公式zzQS =τ,若要计算图⽰矩形截⾯A 点的剪应⼒,试计算z S 。
4、试定性画出图⽰截⾯截⾯核⼼的形状(不⽤计算)。
4/h矩形圆形矩形截⾯中间挖掉圆形圆形截⾯中间挖掉正⽅形⼆、绘制该梁的剪⼒、弯矩图。
(15分)三、图⽰⽊梁的右端由钢拉杆⽀承。
已知梁的横截⾯为边长等于0.20m 的正⽅形,q=4OKN/m,弹性模量E 1=10GPa ;钢拉杆的横截⾯⾯积A 2=250mm 2,弹性模量E 2=210GPa 。
材料力学试题A成绩班 级 姓名 学号 一、单选题(每小题2分,共10小题,20分)1、 工程构件要正常安全的工作,必须满足一定的条件。
下列除( )项,其他各项是必须满足的条件。
A 、强度条件B 、刚度条件C 、稳定性条件D 、硬度条件 2、内力和应力的关系是( )A 、内力大于应力B 、内力等于应力的代数和C 、内力是矢量,应力是标量D 、应力是分布内力的集度 3、根据圆轴扭转时的平面假设,可以认为圆轴扭转时横截面( )。
A 、形状尺寸不变,直径线仍为直线。
B 、形状尺寸改变,直径线仍为直线。
C 、形状尺寸不变,直径线不保持直线。
D 、形状尺寸改变,直径线不保持直线。
4、建立平面弯曲正应力公式zI My =σ,需要考虑的关系有( )。
A 、平衡关系,物理关系,变形几何关系;B 、变形几何关系,物理关系,静力关系;C 、变形几何关系,平衡关系,静力关系;D 、平衡关系, 物理关系,静力关系; 5、利用积分法求梁的变形,不需要用到下面那类条件( )来确定积分常数。
A 、平衡条件。
B 、边界条件。
C 、连续性条件。
D 、光滑性条件。
6、图示交变应力的循环特征r 、平均应力m σ、应力幅度a σ分别为( )。
A -10、20、10;B 30、10、20; C31-、20、10; D 31-、10、20 。
7、一点的应力状态如下图所示,则其主应力1σ、2σ、3σ分别为( )。
A 30MPa 、100 MPa 、50 MPaB 50 MPa 、30MPa 、-50MPaC 50 MPa 、0、-50Mpa 、D -50 MPa 、30MPa 、50MPa8、对于突加载的情形,系统的动荷系数为( )。
A 、2 B 、3 C 、4 D 、5 9、压杆临界力的大小,( )。
A 与压杆所承受的轴向压力大小有关;B 与压杆的柔度大小有关;C 与压杆材料无关;D 与压杆的柔度大小无关。
10、利用图乘法计算弹性梁或者刚架的位移,要求结构满足三个条件。
学年第二学期材料力学试题(A 卷)一、 选择题(20分)1、图示刚性梁AB 由杆1和杆2支承,已知两杆的材料相同,长度不等,横截面积分别为A 1和A 2,若载荷P 使刚梁平行下移,则其横截面面积( )。
A 、A 1〈A 2B 、A 1 〉A 2C 、A 1=A 2D 、A 1、A 2为任意2、建立圆轴的扭转应力公式τρ=M ρρ/I ρ时需考虑下列因素中的哪几个?答:( )(1)扭矩M T 与剪应力τρ的关系M T =∫A τρρdA (2)变形的几何关系(即变形协调条件) (3)剪切虎克定律(4)极惯性矩的关系式I T =∫A ρ2dAA 、(1)B 、(1)(2)C 、(1)(2)(3)D 、全部 3、二向应力状态如图所示,其最大主应力σ1=( ) A 、σ B 、2σ C 、3σ D 、4σ4、高度等于宽度两倍(h=2b)的矩形截面题 号 一 二 三 四 五 六 总分 得 分题一、3图题一、1图梁,承受垂直方向的载荷,若仅将竖放截面改为平放截面,其它条件都不变,则梁的强度()A、提高到原来的2倍B、提高到原来的4倍C、降低到原来的1/2倍D、降低到原来的1/4倍5. 已知图示二梁的抗弯截面刚度EI相同,若二者自由端的挠度相等,则P1/P2=()A、2B、4C、8题一、5图D、16二、作图示梁的剪力图、弯矩图。
(15分)二题图三、如图所示直径为d的圆截面轴,其两端承受扭转力偶矩m的作用。
设由实验测的轴表面上与轴线成450方向的正应变,试求力偶矩m之值、材料的弹性常数E、μ均为已知。
(15分)三题图四、电动机功率为9kW ,转速为715r/min ,皮带轮直径D =250mm ,主轴外伸部分长度为l =120mm ,主轴直径d =40mm ,〔σ〕=60MPa ,用第三强度理论校核轴的强度。
(15分)五、重量为Q 的重物自由下落在图示刚架C 点,设刚架的抗弯刚度为EI ,试求冲击时刚架D 处的垂直位移。
材料力学考试题一、选择题1. 下列哪个是金属材料的力学性质?A. 电导率B. 弹性模量C. 熔点D. 透明度2. 材料的屈服强度是指材料在受到一定应力作用下发生塑性变形的最大应力值,以下哪种情况会对材料的屈服强度产生影响?A. 温度升高B. 施加的应力增大C. 变形速率增加D. 材料的形状3. 下列关于弹性力学性质的描述中,不正确的是:A. 弹性模量越大,材料的刚度越大B. 剪切模量越小,材料的刚度越大C. 泊松比越小,材料在受力时的体积变化越小D. 拉伸模量越大,材料的抗拉强度越大4. 材料的蠕变是指在持续受力的情况下,材料会慢慢发生变形,以下哪个因素对材料的蠕变影响较大?A. 温度B. 应变率C. 外部环境D. 施加的应力5. 对于各向同性材料,以下哪个描述是正确的?A. 在任何方向上的应变率相同B. 在任何方向上的弹性模量相同C. 在任何方向上的弯曲强度相同D. 在任何方向上的断裂韧性相同二、简答题1. 请简要说明弹性模量的定义及其在材料力学中的作用。
2. 什么是材料的疲劳破坏?请列举出疲劳破坏的几种典型模式。
3. 解释一下应力、应变、弹性极限和屈服点之间的关系。
4. 材料的断裂性能是指材料在受到高应力下发生破裂的抗力,简要说明影响材料断裂性能的因素。
5. 介绍一下蠕变现象在材料中的表现及其产生的原因。
三、计算题1. 一根长为2m、直径为20mm的钢棒,受到1000N的拉力时的应力是多少?2. 一种橡胶材料的拉伸模量为2MPa,某件产品长度为10cm,外力作用下拉伸到长度为10.5cm,求橡胶的应变量。
3. 一个材料的弯曲弹性模量为100GPa,横向应变为0.2%,求该材料的泊松比。
4. 一块金属材料的屈服强度为300MPa,受到的拉力为4000N,求该金属材料的截面积。
5. 一种塑料材料的剪切模量为1GPa,受到的剪切力为500N,求该材料的剪切应变。
以上就是材料力学考试题的内容,希望能够帮助大家复习相关知识。
***学院期末考试试卷一、填空题(总分20分,每题2分)1、杆件在外力作用下,其内部各部分间产生的,称为内力。
2、杆件在轴向拉压时强度条件的表达式是。
3、低碳钢拉伸时,其应力与应变曲线的四个特征阶段为阶段,阶段,阶段,阶段。
4、线应变指的是的改变,而切应变指的是的改变。
5•梁截面上弯矩正负号规定,当截面上的弯矩使其所在的微段梁凹向下时为。
6•梁必须满足强度和刚度条件。
在建筑中,起控制做用的一般是条件。
7、第一和第二强度理论适用于材料,第三和第四强度理论适用于材料。
8、求解组合变形的基本方法是。
9、力作用于杆端方式的不同,只会使与杆端距离在较小的范围内受到影响,该原理被称为O10、欧拉公式是用来计算拉(压)杆的,它只适用于杆。
二、单项选择(总分20分,每题2分)1、用截面法可求出图示轴向拉压杆a-a截面的内力N二P-P,下面说法正确的是()12A.N其实是应力B.N是拉力C.N是压力D.N的作用线与杆件轴线重合2、构件的强度是指()A.在外力作用下构件抵抗变形的能力B.在外力作用下构件保持原有平衡态的能力C.在外力作用下构件抵抗破坏的能力D.在外力作用下构件保持原有平稳态的能力3、现有钢、铸铁两种杆材,其直径相同。
从承载能力与经济效益两个方面考虑,图示结构中两种合理选择方案是()A.1杆为钢,2杆为铸铁B.1杆为铸铁,2杆为钢C.2杆均为钢D.2杆均为铸铁4、从拉压杆轴向伸长(缩短)量的计算公式A l =可以看出,E 和A 值越大,A l 越小,故()。
EAA.E 为杆的抗拉(压)刚度。
B •乘积EA 表示材料抵抗拉伸(压缩)变形的能力。
C.乘积EA 为杆的抗拉(压)刚度D.以上说法都不正确。
5、空心圆轴的外径为D ,内径为d ,«二d/D 。
其抗扭截面系数为()。
兀D 3冗D 3A W P =-D-(1-a )B W P =-D-(1-a 2)C W P (1-a 3)D W P (1-a 4)P16(P 166、在没有荷载作用的一段梁上,()A.剪力图为一水平直线B.剪力图为一斜直线C.没有内力D.内力不确定7、在平行移轴公式I 二I +a 2A 中,其中Z 轴和轴Z 轴互相平行,则()。
大学材料力学考试题及答案一、选择题(每题2分,共10分)1. 材料力学中,下列哪一项不是基本假设?A. 连续性假设B. 均匀性假设C. 各向同性假设D. 非线性假设答案:D2. 在拉伸试验中,弹性模量E是指:A. 屈服强度B. 抗拉强度C. 应力与应变比值D. 断后伸长率答案:C3. 根据第四强度理论,材料的脆性断裂是由于:A. 最大正应力达到临界值B. 最大切应力达到临界值C. 最大拉应力达到临界值D. 最大剪切能密度达到临界值答案:D4. 在扭转试验中,圆轴的扭转角θ与扭矩T和极惯性矩J之间的关系是:A. θ ∝ T/JB. θ ∝ TJC. θ ∝ J/TD. θ ∝ 1/(TJ)答案:A5. 下列哪一项不是影响材料疲劳寿命的因素?A. 应力幅B. 循环加载频率C. 材料的微观结构D. 环境温度答案:D二、填空题(每题2分,共10分)6. 材料在拉伸过程中,当应力达到_________时,称为屈服点。
答案:材料的屈服强度7. 根据材料力学的_________假设,材料内部各点的应力状态是相同的。
答案:均匀性8. 在纯弯曲情况下,梁的横截面上的正应力分布规律是_________。
答案:线性分布9. 剪切模量G是指材料在剪切作用下,剪切应力与剪切应变的比值,其单位是_________。
答案:帕斯卡(Pa)10. 复合应力状态下,最大剪应力τ_max与主应力σ1和σ2之间的关系是τ_max = √_________。
答案:(σ1 - σ2)^2 / 2三、简答题(每题10分,共20分)11. 简述材料力学中的强度和刚度的概念,并说明它们在工程设计中的重要性。
答案:强度是指材料在外力作用下抵抗破坏的能力,通常与材料的屈服强度或抗拉强度相关。
刚度是指材料在受力后抵抗变形的能力,与弹性模量有关。
在工程设计中,强度和刚度是确保结构安全和功能的关键参数,它们决定了结构在受力后的性能表现和耐久性。
12. 描述纯弯曲梁的正应力分布规律,并说明如何利用这一规律进行梁的设计。
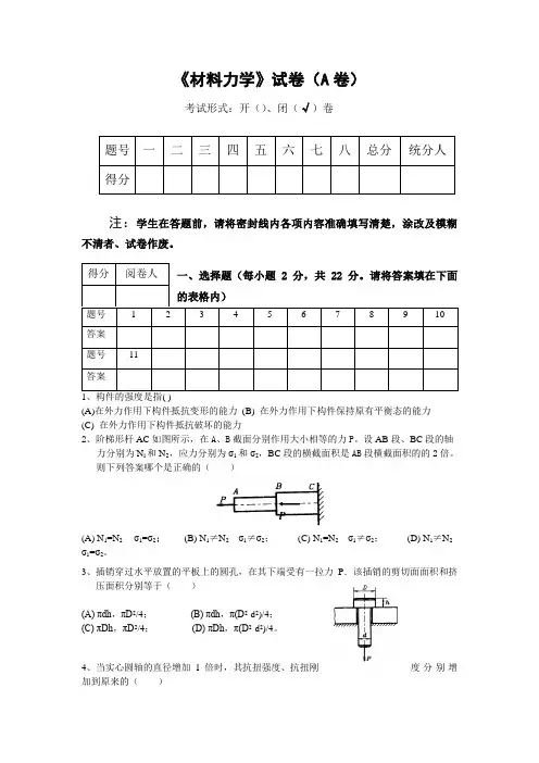
《材料力学》试卷(A 卷)考试形式:开()、闭(√)卷注:学生在答题前,请将密封线内各项内容准确填写清楚,涂改及模糊不清者、试卷作废。
1、构件的强度是指( )(A)在外力作用下构件抵抗变形的能力 (B) 在外力作用下构件保持原有平衡态的能力 (C) 在外力作用下构件抵抗破坏的能力2、阶梯形杆AC 如图所示,在A 、B 截面分别作用大小相等的力P 。
设AB 段、BC 段的轴力分别为N l 和N 2,应力分别为σ1和σ2,BC 段的横截面积是AB 段横截面积的的2倍。
则下列答案哪个是正确的( )(A) N 1=N 2 σ1=σ2; (B) N 1≠N 2 σ1≠σ2; (C) N 1=N 2 σ1≠σ2; (D) N 1≠N 2 σ1=σ2。
3、插销穿过水平放置的平板上的圆孔,在其下端受有一拉力P .该插销的剪切面面积和挤压面积分别等于( )(A) πdh ,πD 2/4; (B) πdh ,π(D 2-d 2)/4; (C) πDh ,πD 2/4; (D) πDh ,π(D 2-d 2)/4。
4、当实心圆轴的直径增加1倍时,其抗扭强度、抗扭刚度分别增加到原来的( )P(A) 8和16倍;(B) 16和8倍;(C) 8和8倍;(D) 16和16倍。
5、图示任意形状截面,它的一个形心轴z c把截面分成I和II两部分。
在以下各式中哪一个一定成立()(A) I I zc+ I II zc=0 ;(B) I I zc- I II zc=0 ;(C) S I zc+S II zc=0 ;(D) A I = A II 。
6、T形截面铸铁梁,设各个截面的弯矩均为正值。
则将其截面按哪个所示的方式布置,梁的强度最高?( )7、图示变截面梁,用积分法求挠曲线方程时()(A) 应分2段,通常有2个积分常数;(B) 应分2段,通常有4个积分常数;(C) 应分3段,通常有6个积分常数;(D) 应分4段,通常有8个积分常数。
材料力学考试试题及答案一、选择题(每题2分,共20分)1. 材料力学中,下列哪一项不是材料的基本力学性能?A. 弹性B. 塑性C. 韧性D. 硬度2. 材料在拉伸过程中,若应力超过屈服点后继续增加,材料将进入:A. 弹性阶段B. 塑性阶段C. 断裂阶段D. 疲劳阶段3. 材料的弹性模量E表示的是:A. 材料的硬度B. 材料的韧性C. 材料的弹性程度D. 材料的屈服强度4. 根据材料力学理论,下列哪一项不是材料的疲劳破坏特点?A. 疲劳破坏是局部的B. 疲劳破坏是突然的C. 疲劳破坏是可预测的D. 疲劳破坏是累积的5. 在材料力学中,下列哪一项不是材料的失效模式?A. 屈服B. 断裂C. 腐蚀D. 疲劳6. 材料的屈服强度和抗拉强度之间的关系是:A. 屈服强度总是大于抗拉强度B. 屈服强度总是小于抗拉强度C. 屈服强度等于抗拉强度D. 两者之间没有固定关系7. 材料的疲劳寿命与下列哪一项无关?A. 应力水平B. 材料的微观结构C. 环境温度D. 材料的密度8. 材料的冲击韧性通常用下列哪一项来表示?A. 抗拉强度B. 屈服强度C. 硬度D. 冲击吸收能量9. 材料的疲劳寿命与加载频率的关系是:A. 正相关B. 负相关C. 无关D. 先正相关后负相关10. 在材料力学中,下列哪一项不是材料的应力-应变曲线的特点?A. 弹性阶段B. 屈服阶段C. 塑性阶段D. 线性阶段二、简答题(每题10分,共20分)1. 请简述材料的弹性模量和屈服强度的区别和联系。
2. 材料的疲劳破坏与静载下的破坏有何不同?三、计算题(每题15分,共30分)1. 已知一材料的弹性模量E=200 GPa,泊松比ν=0.3。
若材料受到拉伸力F=10 kN,试计算材料的应变ε和应力σ。
2. 某材料的疲劳寿命S-N曲线已知,当应力水平为σ=200 MPa时,疲劳寿命N=1000次。
若应力水平降低到150 MPa,根据Basis Goodman关系,计算新的疲劳寿命。
轴向拉压1. 等截面直杆CD 位于两块夹板之间,如图示。
杆件与夹板间的摩擦力与杆件自重保持平衡。
设杆CD 两侧的摩擦力沿轴线方向均匀分布,且两侧摩擦力的集度均为q 正确的?(A) q =(B) (C) (D)2. (A) (C)3. 在A 图示。
点][σ(A) 0;(B) 30(C) 45(D) 604. (A) 2][A σ(C) A ][σ5. (A) (C)6. 三杆结构如图所示。
今欲使杆3的轴力减小,问应采取以下哪一种措施? (A) 加大杆3的横截面面积; (B) 减小杆3的横截面面积;b (C) 三杆的横截面面积一起加大; (D) 增大α角。
7. 别表示杆1(A) α2sin 21l l ∆=∆(B) α2cos 21l l ∆=∆(C) β2sin 21l l ∆=∆(D) β2cos 21l l ∆=∆8. 图示结构,AC (A) (B) (C) 杆1(D) 杆19. (A) (B) (C) (D)10. 点A 的铅垂位移Ay Δ11.12. 一长为l ,横截面面积为A 的等截面直杆,质量密度为ρ,弹性模量为E ,该杆铅垂悬挂时由自重引起的最大应力=m ax σ ,杆的总伸长=∆l 。
13. 图示杆1和杆2的材料和长度都相同,但横截面面积1A >2A 。
若两杆温度都下降T ∆,则两杆轴力之间的关系是N1F N2F ,正应力之间的关系是1σ____2σ。
(填入符号<,=,>)题1-13答案:1. D2. D3. C4. B5. B6. B7. C8. C9. B10. EA Fl EA Fl 3; 11. ba;椭圆形 12. E gl gl 22ρρ, 13. >,= 14. 试证明受轴向拉伸的圆截面杆,其横截面沿圆周方向的线应变s ε等于直径的相对改变量d ε。
证:()d s πππεε=∆=-∆+=ddd d d d 证毕。
15. 如图所示,一实心圆杆1在其外表面紧套空心圆管2。
材料力学期末考试选择填空参考题及答案一、选择题(每题2分,共40分)1. 材料力学是研究材料在外力作用下的()的学科。
A. 变形B. 破坏C. 变形和破坏D. 稳定性答案:C2. 下列哪种材料属于塑性材料?A. 钢材B. 铸铁C. 铝D. 玻璃答案:C3. 在弹性范围内,材料的应力与应变之间的关系符合()定律。
A. 胡克B. 摩尔C. 帕斯卡D. 牛顿答案:A4. 下列哪个选项描述了梁的弯曲正应力?A. σ = F y / IB. σ = F L / AC. σ = M y / ID. σ = M L / A答案:C5. 梁的剪力图和弯矩图是描述梁在受力时的()情况。
A. 应力B. 应变C. 变形答案:C6. 下列哪种情况下,梁会发生扭转?A. 梁受到垂直于轴线的力B. 梁受到平行于轴线的力C. 梁受到垂直于轴线的力偶D. 梁受到平行于轴线的力偶答案:C7. 圆轴的扭转正应力公式为()。
A. τ = T r / IB. τ = T r / WC. τ = T L / ID. τ = T L / W答案:B8. 在弹性范围内,下列哪种材料具有较大的弹性模量?A. 钢材B. 铸铁D. 塑料答案:A9. 下列哪种情况属于稳定问题?A. 压杆B. 梁的弯曲C. 扭转D. 拉伸答案:A10. 在下列材料中,哪种材料的泊松比最大?A. 钢材B. 铸铁C. 铝D. 塑料答案:D11. 材料的屈服极限是指材料在()状态下达到的最大应力。
A. 弹性B. 塑性C. 断裂D. 疲劳答案:B12. 下列哪种情况下,梁的变形最大?A. 悬臂梁B. 简支梁C. 外伸梁D. 桁架答案:A13. 在下列材料中,哪种材料的抗拉强度最高?A. 钢材B. 铸铁C. 铝D. 塑料答案:A14. 下列哪种材料具有较好的抗磨损性能?A. 钢材B. 铸铁C. 铝D. 碳化硅答案:D15. 下列哪种材料具有较好的耐腐蚀性能?A. 钢材B. 铸铁C. 铝D. 不锈钢答案:D16. 在下列材料中,哪种材料的疲劳极限最高?A. 钢材B. 铸铁C. 铝D. 塑料答案:A17. 下列哪种材料具有较好的抗冲击性能?A. 钢材B. 铸铁C. 铝D. 玻璃答案:C18. 下列哪种材料具有较好的焊接性能?A. 钢材B. 铸铁C. 铝D. 塑料答案:A19. 下列哪种材料具有较好的成形性能?A. 钢材B. 铸铁C. 铝D. 塑料答案:C20. 下列哪种材料具有较好的导电性能?A. 钢材B. 铸铁C. 铝D. 塑料答案:C二、填空题(每题2分,共40分)1. 材料力学的任务是研究在外力作用下,杆件的________、________和________。
材料力学一、填空题(每空4分,共40分)1.一长,横截面面积为A 的等截面直杆,其密度为ρ,弹性模量为E ,则杆自由悬挂时由自重引起的最大应力=m ax σ;杆的总伸长=。
2.对图中铆钉进行强度计算时,,=bs σ。
3.矩形截面梁的F smax 、M max 及截面宽度不变,若将截面高度增加一倍,则最大弯曲正应力为原来的倍,最大弯曲切应力为原来的倍.4.图示两梁的材料相同,最小截面面积相同,在相同的冲击载荷作用下,图所示梁的最大正应力较大。
5.图示等截面梁AC 段的挠曲线方程为)2/(20EI x M w -=,则该段的转角方程为;截面B 的转角和挠度分别为和.二、选择题(每题4分共20分)1.矩形截面细长压杆,b/h = 1/2。
如果将b 改为 h 后仍为细长压杆,临界压力是原来的多少倍?( )(A)2倍;(B) 4倍;(C ) 8倍;(D )16倍。
2. 图示应力状态,用第三强度理论校核时,其相当应力为:( )(A )τσ=3r ; (B )τσ=3r ;(C )τσ33=r ;(D )τσ23=r 。
第2题图第3题图3.一空间折杆受力如图,则AB 杆的变形:( )(A) 纵横弯曲;(B ) 弯扭组合;(C ) 偏心拉伸; (D) 拉、弯、扭组合。
4.一内外直径之比D d /=α的空心圆轴,当两端受力偶矩作用产生扭转变形时,横截面的最大切应力为,则横截面的最小切应力:( ) (A) ; (B) ατ; (C) ()τα31-; (D) ()τα41-。
5.对于图示交变应力,它是:(A )对称循环交变应力;(B)脉动循环交变应力;(C )静循环交变应力。
( )三、图示杆系结构中AB 杆为刚性杆,①、②杆刚度为 EA ,外加载荷为 P,求①、②杆的轴力。
(40分)σmtσminσmaxσo材料力学参考答案一、填空题1.g l ρσ=max ,El g 22ρ2.22d P π,dtP3.0.25,0.54.(a )5.EI x M 0-,EI a M 0-,)tan()(2020EI aM a l EI a M ---二、选择题1.(B) 2.(D ) 3.(C ) 4.(B ) 5.(B)三、解:(1)静力平衡方程如图b 所示,F N1,F N2为①,②杆的内力;Fx 、F Y 为A 处的约束力,未知力个数为4,静力平衡方程个数为3(平面力系),故为一次超静定问题. 由0=∑A M 得Pa aF a F N N 3221=+即 P F F N N 3221=+ (a) (2分)(2)变形协调方程,或 (b)(2分)(3)物理方程 EA l F l N 11=∆, EA lF l N 22=∆ (c )(2分)由(c)(d)得补充方程122N N F F = (d ) (2分)(4)由(a)和(d)式得P F N 531=,(拉力) (2。
一.是非题:(正确的在括号中打“√”、错误的打“×”) (60小题)1.材料力学研究的主要问题是微小弹性变形问题,因此在研究构件的平衡与运动时,可不计构件的变形。
( √ )2.构件的强度、刚度、稳定性与其所用材料的力学性质有关,而材料的力学性质又是通过试验测定的。
( √ )3.在载荷作用下,构件截面上某点处分布内力的集度,称为该点的应力。
(√ ) 4.在载荷作用下,构件所发生的形状和尺寸改变,均称为变形。
( √ )5.截面上某点处的总应力p 可分解为垂直于该截面的正应力σ和与该截面相切的剪应力τ,它们的单位相同。
( √ )6.线应变ε和剪应变γ都是度量构件内一点处变形程度的两个基本量,它们都是无量纲的量。
( √ ) 7.材料力学性质是指材料在外力作用下在强度方面表现出来的性能。
( )8.在强度计算中,塑性材料的极限应力是指比例极限p σ,而脆性材料的极限应力是指强度极限b σ。
( ) 9.低碳钢在常温静载下拉伸,若应力不超过屈服极限s σ,则正应力σ与线应变ε成正比,称这一关系为拉伸(或压缩)的虎克定律。
( )10.当应力不超过比例极限时,直杆的轴向变形与其轴力、杆的原长成正比,而与横截面面积成反比。
( √ )11.铸铁试件压缩时破坏断面与轴线大致成450,这是由压应力引起的缘故。
( )12.低碳钢拉伸时,当进入屈服阶段时,试件表面上出现与轴线成45o的滑移线,这是由最大剪应力max τ引起的,但拉断时截面仍为横截面,这是由最大拉应力max σ引起的。
( √ )13.杆件在拉伸或压缩时,任意截面上的剪应力均为零。
( ) 14.EA 称为材料的截面抗拉(或抗压)刚度。
( √ )15.解决超静定问题的关键是建立补充方程,而要建立的补充方程就必须研究构件的变形几何关系,称这种关系为变形协调关系。
( √ )16.因截面的骤然改变而使最小横截面上的应力有局部陡增的现象,称为应力集中。
(√ )17.对于剪切变形,在工程计算中通常只计算剪应力,并假设剪应力在剪切面内是均匀分布的。
《材料力学》考试题集一、单选题1.构件的强度、刚度和稳定性________。
(A)只与材料的力学性质有关(B)只与构件的形状尺寸有关(C)与二者都有关(D)与二者都无关2.一直拉杆如图所示,在P力作用下。
(A) 横截面a上的轴力最大(B) 横截面b上的轴力最大(C) 横截面c上的轴力最大(D) 三个截面上的轴力一样大3.在杆件的某一截面上,各点的剪应力。
(A)大小一定相等(B)方向一定平行(C)均作用在同一平面内(D)—定为零4.在下列杆件中,图所示杆是轴向拉伸杆。
P (A) (B)(C) (D)5.图示拉杆承受轴向拉力P的作用,斜截面m-m的面积为A,则σ=P/A为。
(A)横截面上的正应力(B)斜截面上的剪应力(C)斜截面上的正应力(D)斜截面上的应力6.解除外力后,消失的变形和遗留的变形。
(A)分别称为弹性变形、塑性变形(B)通称为塑性变形(C)分别称为塑性变形、弹性变形(D)通称为弹性变形7.一圆截面轴向拉、压杆若其直径增加—倍,则抗拉。
(A)强度和刚度分别是原来的2倍、4倍(B)强度和刚度分别是原来的4倍、2倍(C)强度和刚度均是原来的2倍(D)强度和刚度均是原来的4倍8.图中接头处的挤压面积等于。
P(A)ab (B)cb (C)lb (D)lc9.微单元体的受力状态如下图所示,已知上下两面的剪应力为τ则左右侧面上的剪应力为。
(A)τ/2(B)τ(C)2τ(D)010.下图是矩形截面,则m—m线以上部分和以下部分对形心轴的两个静矩的。
(A)绝对值相等,正负号相同(B)绝对值相等,正负号不同(C)绝对值不等,正负号相同(D)绝对值不等,正负号不同11.平面弯曲变形的特征是。
(A)弯曲时横截面仍保持为平面(B)弯曲载荷均作用在同—平面内;(C)弯曲变形后的轴线是一条平面曲线(D)弯曲变形后的轴线与载荷作用面同在—个平面内12.图示悬臂梁的AC段上,各个截面上的。
(A)剪力相同,弯矩不同(B)剪力不同,弯矩相同(C)剪力和弯矩均相同(D)剪力和弯矩均不同13.当横向力作用于杆件的纵向对称面内时,关于杆件横截面上的内力与应力有以下四个结论。
材料力学期末考试题及答案AB卷一、选择题(每题2分,共20分)1. 材料力学中,以下哪个参数不是应力的类型?A. 正应力B. 剪应力C. 拉应力D. 扭应力答案:C2. 根据胡克定律,弹性材料在弹性限度内,应力与应变成正比,比例常数称为:A. 弹性模量B. 泊松比C. 剪切模量D. 屈服强度答案:A3. 在拉伸试验中,材料的屈服点是指:A. 材料开始发生塑性变形的应力值B. 材料发生断裂的应力值C. 材料弹性极限的应力值D. 材料开始发生断裂的应力值答案:A4. 材料力学中,以下哪个参数不是应变的类型?A. 正应变B. 剪应变C. 拉应变D. 扭应变答案:C5. 根据材料力学的基本原理,以下哪个公式表示了应力与应变的关系?A. σ = EεB. ε = σ/EC. σ = EτD. τ = Gγ答案:B6. 在材料力学中,以下哪个参数不是材料的基本力学性能?A. 弹性模量B. 屈服强度C. 硬度D. 密度答案:D7. 材料力学中,以下哪个公式表示了梁的弯曲应力公式?A. σ = M/IB. σ = M/WC. σ = M/ZD. σ = M/J答案:C8. 在材料力学中,以下哪个参数不是梁的截面特性?A. 惯性矩B. 截面模量C. 弹性模量D. 剪心答案:C9. 材料力学中,以下哪个参数不是影响材料疲劳寿命的因素?A. 应力幅B. 材料表面粗糙度C. 材料的塑性D. 材料的密度答案:D10. 根据材料力学的基本原理,以下哪个公式表示了梁的挠度公式?A. δ = M/EIB. δ = M/GJC. δ = M/KD. δ = M/A答案:A二、填空题(每空1分,共20分)1. 材料力学中,正应力的符号是____,剪应力的符号是____。
答案:σ、τ2. 材料力学中,弹性模量E的单位是____,泊松比ν的单位是____。
答案:Pa、无单位3. 材料力学中,梁在受到弯矩作用时,其截面上的最大正应力出现在____,最大剪应力出现在____。
《材料力学》考试题集一、单选题1.构件的强度、刚度和稳定性________。
(A)只与材料的力学性质有关(B)只与构件的形状尺寸有关(C)与二者都有关(D)与二者都无关2.一直拉杆如图所示,在P力作用下。
(A) 横截面a上的轴力最大(B) 横截面b上的轴力最大(C) 横截面c上的轴力最大(D) 三个截面上的轴力一样大3.在杆件的某一截面上,各点的剪应力。
(A)大小一定相等(B)方向一定平行(C)均作用在同一平面内(D)—定为零4.在下列杆件中,图所示杆是轴向拉伸杆。
(A) (B)(C) (D)5.图示拉杆承受轴向拉力P的作用,斜截面m-m的面积为A,则σ=P/A为。
(A)横截面上的正应力(B)斜截面上的剪应力(C)斜截面上的正应力(D)斜截面上的应力P6.解除外力后,消失的变形和遗留的变形。
(A)分别称为弹性变形、塑性变形(B)通称为塑性变形(C)分别称为塑性变形、弹性变形(D)通称为弹性变形7.一圆截面轴向拉、压杆若其直径增加—倍,则抗拉。
(A)强度和刚度分别是原来的2倍、4倍(B)强度和刚度分别是原来的4倍、2倍(C)强度和刚度均是原来的2倍(D)强度和刚度均是原来的4倍8.图中接头处的挤压面积等于。
(A)ab (B)cb (C)lb (D)lc9.微单元体的受力状态如下图所示,已知上下两面的剪应力为τ则左右侧面上的剪应力为。
(A)τ/2(B)τ(C)2τ(D)010.下图是矩形截面,则m—m线以上部分和以下部分对形心轴的两个静矩的。
(A)绝对值相等,正负号相同(B)绝对值相等,正负号不同(C)绝对值不等,正负号相同(D)绝对值不等,正负号不同11.平面弯曲变形的特征是。
(A)弯曲时横截面仍保持为平面(B)弯曲载荷均作用在同—平面内;(C)弯曲变形后的轴线是一条平面曲线(D)弯曲变形后的轴线与载荷作用面同在—个平面内12.图示悬臂梁的AC段上,各个截面上的。
P(A)剪力相同,弯矩不同(B)剪力不同,弯矩相同(C)剪力和弯矩均相同(D)剪力和弯矩均不同13.当横向力作用于杆件的纵向对称面内时,关于杆件横截面上的内力与应力有以下四个结论。
其中是错误的。
(A)若有弯矩M,则必有正应力σ(B)若有正应力σ,则必有弯矩M(C)若有弯矩M,则必有剪应力τ(D)若有剪力G,则必有剪应力τ14.矩形截面梁,若截面高度和宽度都增加1倍,则其强度将提高到原来的倍。
(A)2 (B)4 (C)8 (D)1615.等截面直梁在弯曲变形时,挠曲线曲率在最大处一定最大。
(A)挠度(B)转角(C)剪力(D)弯矩16.均匀性假设认为,材料内部各点的是相同的。
(A)应力(B)应变(C)位移(D)力学性质17.用截面法只能确定杆横截面上的内力。
(A)等直(B)弹性(C)静定(D)基本变形18.在下列说法中是错误的。
(A)位移可分为线位移和角位移(B)质点的位移包括线位移和角位移(C)质点只能发生线位移,不存在角位移(D)—个线(面)元素可能同时发生线位移和角位移19.图示杆沿其轴线作用着三个集中力.其中m—m截面上的轴力为。
(A)N=-5P (B) N=-2P (C) N=-7P (D) N=-P20.轴向拉伸杆,正应力最大的截面和剪应力最大的截面。
(A)分别是横截面、45o斜截面(B)都是横截面(C)分别是45o斜截面,横截面(D) 都是45o斜截面21.某材料从开始受力到最终断开的完整应力应变曲线如图所示,该材料的变形过程无。
(A)弹性阶段和屈服阶段(B)强化阶段和颈缩阶段(C)屈服阶段和强化阶段(D)屈服阶段和颈缩阶段22.图示杆件受到大小相等的四个方向力的作用。
其中段的变形为零。
(A)AB (B)AC (C)AD (D)BC23.在连接件剪切强度的实用计算中,剪切许用应力是由得到的。
(A)精确计算(B)拉伸试验(C)剪切试验(D)扭转试验24.剪切虎克定律的表达式是。
(A)τ=Eγ(B)τ=Εg(C)τ=Gγ(D)τ=G/A25.在平面图形的几何性质中,的值可正、可负、也可为零.(A)静矩和惯性矩(B)极惯性矩和惯性矩(C)惯性矩和惯性积(D)静矩和惯性积26.图示梁(c为中间铰)是。
(A)静定梁(B)外伸梁(C)悬臂梁(D)简支梁27.图示两悬臂梁和简支梁的长度相等,则它们的。
(A)Q图相同,M图不同(B)Q图不同,M图相同(C)Q、M图都相同(D)Q、M图都不同28.在下列四种情况中,称为纯弯曲。
(A)载荷作用在梁的纵向对称面内(B)载荷仅有集中力偶,无集中力和分布载荷(C)梁只发生弯曲,不发生扭转和拉压变形(D)梁的各个截面上均无剪力,且弯矩为常量29.下列四种截面梁,材料和假截面面积相等.从强度观点考虑,图所示截面梁在铅直面内所能够承担的最大弯矩最大。
30.在下面这些关于梁的弯矩与变形间关系的说法中,是正确的。
(A)弯矩为正的截面转角为正(B)弯矩最大的截面挠度最大(C)弯矩突变的截面转角也有突变(D)弯矩为零的截面曲率必为零31.各向同性假设认为,材料沿各个方向具有相同的。
(A)力学性质(B)外力(C)变形(D)位移32.用截面法确定某截面的内力时,是对建立平衡方程的。
(A)该截面左段(B)该截面右段(C)该截面左段或右段(D)整个杆33.图示受扭圆轴上,点AB段。
(A)有变形,无位移(B)有位移,无变形(C)既有变形,又有位移(D)既无变形,也无位移34.一等直杆的横截面形状为任意三角形,当轴力作用线通过该三角形的时其横截面上的正应力均匀分布。
(A)垂心(B)重心(C)内切圆心(D)外切圆心35.设轴向拉伸杆横截面上的正应力为σ,则450斜截面上的正应力和剪应力。
(A)分别为σ/2和σ(B)均为σ(C)分别为σ和σ/2 (D)均为σ/236.关于铸铁力学性能有以下两个结论:①抗剪能力比抗拉能力差;②压缩强度比拉伸强度高。
其中。
(A)①正确,②不正确(B) ②正确,①不正确(C)①、②都正确(D) ①、②都不正确37.直杆的两端固定,如图所示.当温度发生变化时,杆。
(A)横截面上的正应力为零,轴向应变不为零(B)横截面上的正应力和轴向应变均不为零(C)横截面上的正应力不为零,轴向应变为零(D)横截面上的正应力和轴向应变均为零38.在以下四个单元体的应力状态中,是正确的纯剪切状态。
39.根据圆轴扭转的平面假设.可以认为圆轴扭转时其横截面。
(A)形状尺寸不变,直径仍为直线(B)形状尺寸改变,直径仍为直线(C)形状尺寸不变,直径不保持直线(D)形状尺寸改变,直径不保持直线40.若截面图形有对称轴,则该图形对其对称铀的。
(A)静矩为零,惯性矩不为零(B)静矩不为零,惯性矩为零(C)静矩和惯性矩均为零(D)静矩和惯性矩均不为零41.图示四种情况中,截面上弯矩值为正,剪力Q为负的是。
42.梁在集中力作用的截面处。
(A)Q图有突变,M图光滑连续(B)Q图有突变,M图连续但不光滑(C)M图有突变,Q图光滑连续(D)M图有凸变,Q凸有折角43.梁剪切弯曲时,其横截面上。
(A)只有正应力,无剪应力(B)只有剪应力,无正应力(C)既有正应力,又有剪应力(D)既无正应力,也无剪应力44.梁的挠度是。
(A)挠曲面上任一点沿梁轴垂直方向的线位移(B)横截面形心沿梁轴垂直方向的线位移(C)横截面形心沿梁轴方向的线位移(D)横截面形心的位移45.应用叠加原理求位移对应满足的条件是。
(A)线弹性小变形(B)静定结构或构件(C)平面弯曲变形(D)等截面直梁46.根据小变形条件,可以认为。
(A)构件不变形(B)构件不破坏(C)构件仅发生弹性变形(D)构件的变形远小于其原始尺寸47.在下列关于内力与应力的讨论中,说法是正确的。
(A)内力是应力的代数和(B)内力是应力的矢量和(C)应力是内力的平均值(D)应力是内力的分布集度48.在轴向拉压杆和受扭圆轴的横截面上分别产生。
(A)线位移、线位移(B)角位移、角位移(C)线位移、角位移(D)角位移、线位移49.拉压杆横截面上的正应力公式σ=N/A 的主要应用条件是。
(A)应力在比例极限以内(B)外力合力作用线必须重合于轴线(C)轴力沿杆轴为常数(D)杆件必须为实心截面直杆50.轴向拉压杆,在与其轴线平行的纵向截面上。
(A)正应力为零,剪应力不为零(B)正应力不为零,剪应力为零(C)正应力和剪应力均不为零(D)正应力和剪应力均为零51.设一阶梯形杆的轴力沿杆轴是变化的,则在发生破坏的截面上。
(A)外力一定最大,且面积—定最小(B)外力不一定最大,但面积一定最小(C)轴力不一定最大,但面积一定最小(D)轴力与面积之比一定最大52.在连接件上,剪切面和挤压面分别于外力方向。
(A)垂直,平行(B)平行、垂直(C)平行(D)垂直53.剪应力互等定理是由单元体的导出的。
(A)静力平衡关系(B)几何关系(C)物理关系(D)强度条件54.直径为D的实心圆轴,两端受扭转力矩作用,轴内最大剪应力为τ,若轴的直径改为D/2,则轴内的最大剪应力变为。
(A)2τ(B)4τ(C)8τ(D)16τ55.下图所示圆截面,当其圆心沿z轴向右移动时,惯性矩。
(A)Iy不变,I Z增大(B)Iy不变,I Z减小(C)Iy增大.I Z不变(D)I Y减小,I Z不变56.选取不同的坐标系时,弯曲内力的符号情况是。
(A)弯矩不同,剪力相同(B)弯矩相同,剪力不同(C)弯矩和剪力均相同(D)弯矩和剪力都不同57.梁在某截面处,若剪力=0,则该截面处弯矩—定为。
(A)极值(B)零值〔C〕最大值(D)最小值58.悬臂粱受力如图所示,其中。
(A)AB段是纯弯曲,BC段是剪切弯曲(B)AB段是剪切弯曲,BC段是纯弯曲(C)全梁均是纯弯曲(D)全梁均为剪切弯曲59.在下列关于梁转角的说法中,是错误的。
(A)转角是横截面绕中性轴转过的角位移(B)转角是变形前后同一横截面间的夹角(C)转角是挠曲线之切线与横坐标轴间的夹角(D)转角是横截面绕梁轴线转过的角度60.在下列关于单元体的说法中,是正确的。
(A)单元体的形状必须是正六面体(B)单元体的各个面必须包含—对横截面(C)单元体的各个面中必须有—对平行面(D)单元体的三维尺寸必须为无穷小61.外力包括。
(A)集中载荷和分布载荷(B)静载荷和动载荷(C)所有作用在物体外部的力(D)载荷和支反力62.在一截面上的任意点处,正应力与剪应力的夹角。
(A)90o(B)45o(C) 0o(D)为任意角63.杆件发生弯曲变形时,横截面通常。
(A)只发生线位移(B)只发生角位移(C)发生线位移和角位移(D)不发生位移64.图示阶梯形杆受三个集中力P作用.设AB、BC、CD段的横截面面积为A、2A、3A,则三段杆的横截面上。
(A)内力不相同,应力相同(B)内力相同,应力不相同(C)内力和应力均相同(D)内力和应力均不相同65.对于低碳钢,当单向拉伸应力不大于时,虎克定律σ=εE成立。