钣金折弯加工工艺(编著手册)
- 格式:docx
- 大小:2.20 MB
- 文档页数:20
珍藏版《钣金工艺手册》(总7页)-CAL-FENGHAI.-(YICAI)-Company One1-CAL-本页仅作为文档封面,使用请直接删除1主题内容与适用范围本手册规定了我公司所有机柜、机箱在加工过程中应达到的基本要求。
本手册适用于公司的钣金机柜、机箱。
2引用标准和文件GB/T 1804--92 一般公差线性尺寸的未注公差WI-T00-008 钣金机械制造工艺基本术语所有相关《企业钣金工艺技术规范》3基本要求3.1在生产中,每个员工、每道工序都必须按图纸、工艺、标准进行加工;当图纸与工艺不符合时以工艺为准。
3.2图纸、工艺有公差标注要求时,按公差要求加工。
3.3图纸、工艺未注公差时,按 GB/T 1804m级加工。
3.4当图纸标注尺寸及公差与工艺要求尺寸及公差不一致时,按工艺要求加工。
3.6门的外形按允许公差的负公差加工,严禁出现正公差。
3.7未注公差要求的孔,按GB/T 1804-92 m级的正公差并偏上加工。
3.8所有产品因电镀或热浸锌必须开工艺孔时,所开工艺孔应在产品正面不可见的位置。
3.8各种铝合金面板,外形未注公差时,按GB/T 1804-92 f级的负差且偏下加工。
3.9对于压铆后折弯的工艺顺序,在编排工艺时要特别小心,太小的折边压铆后折弯会发生干涉。
3.10板材厚折边又太小的情况,必须把无法折到位的局部尺寸留多点余量,折弯后在冲掉或铣掉多余量的工艺顺序。
3.11除特殊说明外毛刺方向必须在折弯内边,所以在工艺编排用折弯图或文字加以叙述。
4下料补充要求4.1冷轧薄板、电解板、剪料对角线允差(每批一致性好)4.1.1立柱用料<1000mm≤0.3≥1000mm≤0.54.12门板用料<1000mm≤0.5≥1000mm≤0.84.1.3其它结构件≤0.54.2铝型材长度允差<500mm≤0.3≥500~1000mm≤0.5≥1000~1500mm≤0.8≥1500~2000mm≤1.0≥2000mm≤1.2。
12主题内容与适用范围本手册规定了我公司所有机柜、机箱在加工过程中应达到的基本要求.本手册适用于公司的钣金机柜、机箱。
3引用标准和文件GB/T1804—-92 一般公差线性尺寸的未注公差WI—T00-008 钣金机械制造工艺基本术语所有相关《企业钣金工艺技术规范》4基本要求3.1在生产中,每个员工、每道工序都必须按图纸、工艺、标准进行加工;当图纸与工艺不符合时以工艺为准。
3。
2图纸、工艺有公差标注要求时,按公差要求加工.3。
3图纸、工艺未注公差时,按GB/T1804m级加工。
3。
4当图纸标注尺寸及公差与工艺要求尺寸及公差不一致时,按工艺要求加工。
3。
6门的外形按允许公差的负公差加工,严禁出现正公差。
3。
7未注公差要求的孔,按GB/T1804—92 m级的正公差并偏上加工。
3.8所有产品因电镀或热浸锌必须开工艺孔时,所开工艺孔应在产品正面不可见的位置。
3。
8各种铝合金面板,外形未注公差时,按GB/T 1804-92 f级的负差且偏下加工。
3.9对于压铆后折弯的工艺顺序,在编排工艺时要特别小心,太小的折边压铆后折弯会发生干涉。
3。
10板材厚折边又太小的情况,必须把无法折到位的局部尺寸留多点余量,折弯后在冲掉或铣掉多余量的工艺顺序。
3。
11除特殊说明外毛刺方向必须在折弯内边,所以在工艺编排用折弯图或文字加以叙述.5下料补充要求4.1冷轧薄板、电解板、剪料对角线允差(每批一致性好)4.1。
1立柱用料<1000mm≤0。
3≥1000mm≤0。
54.12门板用料<1000mm≤0。
5≥1000mm≤0.84.1。
3其它结构件≤0.54.2铝型材长度允差<500mm≤0.3≥500~1000mm≤0.5≥1000~1500mm≤0。
8≥1500~2000mm≤1.0≥2000mm≤1。
2。
6、展开工艺6.1 展开的计算法板料在弯曲过程中外层受到拉应力,内层受到压应力,从拉到压之间有一既不受拉力又不受压力的过渡层—-中性层,中性层在弯曲过程中的长度和弯曲前一样,保持不变,所以中性层是计算弯曲件展开长度的基准。
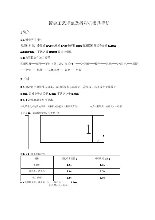
钣金工艺规范及折弯机模具手册1简介1.1钣金所用材料常用材料有:冷轧板SPCC、热轧板SPHC、电解板SECC、普通铝板及铝合金板AL1050、AL5052-H32,不锈钢板SUS304、覆铝锌钢板.1.2典型钣金件加工流程图面展开---编程---下料(剪、冲、割)----冲网孔----校平----拉丝----冲凸包----压铆----折弯-----焊接----立体拉丝----表处----组装2下料2.1数冲是用数控冲床加工,板材厚度加工范围为:冷扎板、热扎板小于或等于3.0mm;铝板小于或等于4.0mm;不锈钢小于2.0mm。
2.1.1 冲孔有最小尺寸要求冲孔最小尺寸与孔的形状、材料机械性能和材料厚度有关。
t为材料厚度,冲孔尺寸一般不小于1.5t。
如遇特殊情况,可参照下表:图2.1.1 冲孔形状示例* t为材料厚度,冲孔最小尺寸一般不小于1.2mm。
冲孔最小尺寸列表2.1.2 数冲的孔间距与孔边距零件的冲孔边缘离外形的最小距离随零件与孔的形状不同有一定的限制,见图2.1.2。
当冲应不小于1.5t。
2.1.3 折弯件及拉深件不可选用数冲下料,可选用二次激光切割。
2.1.4 螺钉、螺栓的过孔和沉头座螺钉、螺栓过孔和沉头座的结构尺寸按下表选取取。
对于沉头螺钉的沉头座,如果板材太薄难以同时保证过孔d2和沉孔D,应优先保证过孔d2。
用于螺钉、螺栓的过孔*要求钣材厚度t≥h。
用于沉头螺钉的沉头座及过孔*要求钣材厚度t≥h。
用于沉头铆钉的沉头座及过孔激光切割是用激光机飞行切割加工,板材厚度加工范围为冷扎板、热扎板小于或等于8.0mm;不锈钢小于或等于4.0mm ;铝板小于等于5.0mm。
其优点是加工板材厚度大,切割工件外形速度快,加工灵活.缺点是会产生热变型,网孔件不宜用此方式加工,加工成本高!折弯折弯件的最小弯曲半径材料弯曲时,其圆角区上,外层收到拉伸,内层则受到压缩。
当材料厚度一定时,内r越小,材料的拉伸和压缩就越严重;当外层圆角的拉伸应力超过材料的极限强度时,就会产生裂缝和折断,因此,弯曲零件的结构设计,应避免过小的弯曲圆角半径。
钣金折弯作业指导书1、与图纸核对板号、尺寸、形状是否相符。
2、必要时,折弯机底模上垫薄膜或布条等,避免工件折弯处有折痕。
3、折板时,抬板力度,速度,必须保持同折弯速度一致,不能由工件自动上、下,导致板块弯曲变形。
4、不能在板上进行转头或拖拉,产生擦、划伤。
5、批量、折弯难度较大的工件必须做首件,检验(自检、专检)合格后,方可批量加工,过程中必须抽检。
特殊异形件、单件必须全部检验(自检、专检)。
6、幕墙板加工标准要求:6.1.长宽≤1500mm,尺寸偏差<±1mm,对角线尺寸互差<1.5mm。
6.2.长宽>1500mm,尺寸偏差<±1.5mm,对角线尺寸互差<2mm。
6.3.折边<50mm,角度偏差<±1.0°,折边50-200mm,角度偏差<±0.5°,折边200mm以上,角度偏差<±0.5°,但两端角度必须保证一致。
6.4.安装角码折边高度,高低差±1mm6.5.角码折弯角度<-1°7、天花板加工标准要求7.1.长宽<1500mm,尺寸偏差<± mm,对角线尺寸偏差<1m。
7.2.长宽>1500mm ,尺寸偏差<±1mm,对角线尺寸偏差<1.5mm,7.3.折边<30mm,角度偏差<±,折边30-100mm,角度偏差<±10,折边100mm以上,角度偏差<±0.5°(必要时,以配合良好为准)。
8、不合格品分置摆放,作好标识、标记,并及时返工、返修等。
9、不同工程的半成品,必须分置摆放,并作好标识。
10、摆放有序,避免因摆放不当引起变形。
+0° -1° +0.5 -1.0编写:日期:审批:日期:。
钣金加工-折弯作业指导书1、目的和适用范围为了规范作业程序,保证产品质量,确保操作者人身安全和设备安全。
特制订本作业指导书。
2、作业前的准备2.1 开机前必须对设备检查,注油润滑,检查防护装置是否正常;2.2 认真阅读图纸,确保关键尺寸以便确定折弯顺序;3、操作过程及要求3.1 开机后,确认运转状况良好后才可以开始工作;3.2 装拆折弯刀模时,必须在关机状态下进行;3.3 折弯板厚与下槽的比例为1:8,如1.5mm板厚,应用口径12mm的下槽;3.4 不可将滑块行程调得过下,否则将损坏机器及刀槽;3.5 定位或划线折弯时,首件必须自检合格后经巡检检验OK后才能批量折弯;注意事项 4、操作4.1 机器运转时,不可将手放在刀槽上,调定位时脚不可放在脚踏开关上;4.2 折大件时要2人同时操作,一人指挥,扶工件的手随着上刀模往下移动时,把工件向上随之移动,以保证折弯角度的正确;4.3 折弯压力不可大于机器额定的压力。
4.4 附《折弯系数一览表》单位:mm厚 1.5 2.0 2.5 3.0 简图备注角度6-1.4 -1.9 090.5 0.6 0.8 1.0 T,1.5,4道弯以上为0.4。
10.5 0.66 0.83 1.0 2010.38 0.5 0.63 0.75 353、以上系数针对钢板,铝板系数在钢板基础上对应加多0.2展开尺寸,a,b,系数。
当尺寸标注包含料厚应减去料厚(角度为90度)。
下面是赠送的保安部制度范本,不需要的可以编辑删除!!!!谢谢!保安部工作制度一、认真贯彻党的路线、方针政策和国家的法津法觃,按照####年度目标的要求,做好####的安全保卫工作,保护全体人员和公私财物的安全,保持####正常的经营秩序和工作秩序。
二、做好消防安全工作,认真贯彻“预防为主”的方针,教育提高全体人员的消防意识和防火知识,配备、配齐####各个楼层的消防器材,管好用好各种电器设备,确保####各通道畅通,严防各种灾害事故的发生。
12主题内容与适用范围本手册规定了我公司所有机柜、机箱在加工过程中应达到的基本要求。
本手册适用于公司的钣金机柜、机箱。
3引用标准和文件GB/T 1804--92 一般公差线性尺寸的未注公差WI-T00-008 钣金机械制造工艺基本术语所有相关《企业钣金工艺技术规范》4基本要求3.1在生产中,每个员工、每道工序都必须按图纸、工艺、标准进行加工;当图纸与工艺不符合时以工艺为准。
3.2图纸、工艺有公差标注要求时,按公差要求加工。
3.3图纸、工艺未注公差时,按GB/T 级加工。
3.4当图纸标注尺寸及公差与工艺要求尺寸及公差不一致时,按工艺要求加工。
3.6门的外形按允许公差的负公差加工,严禁出现正公差。
3.7未注公差要求的孔,按GB/T 1804级的正公差并偏上加工。
3.8所有产品因电镀或热浸锌必须开工艺孔时,所开工艺孔应在产品正面不可见的位置。
3.8各种铝合金面板,外形未注公差时,按GB/T 1804级的负差且偏下加工。
3.9对于压铆后折弯的工艺顺序,在编排工艺时要特别小心,太小的折边压铆后折弯会发生干涉。
3.10板材厚折边又太小的情况,必须把无法折到位的局部尺寸留多点余量,折弯后在冲掉或铣掉多余量的工艺顺序。
3.11除特殊说明外毛刺方向必须在折弯内边,所以在工艺编排用折弯图或文字加以叙述。
5下料补充要求4.1冷轧薄板、电解板、剪料对角线允差(每批一致性好)立柱用料<≤0.3≥1000mm≤0.54.12门板用料<≤0.5≥≤0.8其它结构件≤0.54.2铝型材长度允差<≤0.3≥500~≤0.5≥1000~≤0.8≥1500~≤1.0≥≤1.2。
6、6.1 展开的计算法板料在弯曲过程中外层受到拉应力,内层受到压应力,从拉到压之间有一既不受拉力又不受压力的过渡层--中性层,中性层在弯曲过程中的长度和弯曲前一样,保持不变,所以中性层是计算弯曲件展开长度的基准.中性层位置与变形程度有关, 当弯曲半径较大,折弯角度较小时,变形程度较小,中性层位置靠近板料厚度的中心处,当弯曲半径变小, 折弯角度增大时,变形程度随之增大,中性层位置逐渐向弯曲中心的内侧移动.中性层到板料内侧的距离用λ表示。
钣金工艺规范及折弯机模具手册1简介钣金所用材料常用材料有 :冷轧板 SPCC、热轧板 SPHC、电解板 SECC、普通铝板及铝合金板AL1050、 AL5052-H32,不锈钢板 SUS304、覆铝锌钢板 .典型钣金件加工流程图面展开 ---编程 ---下料(剪、冲、割) ----冲网孔 ----校平 ----拉丝 ----冲凸包 ----压铆----折弯 -----焊接 ----立体拉丝 ----表处 ----组装2 下料2.1 数冲是用数控冲床加工,板材厚度加工范围为:冷扎板、热扎板小于或等于;铝板小于或等于;不锈钢小于。
冲孔有最小尺寸要求t 为材料厚度,冲孔尺寸一般不冲孔最小尺寸与孔的形状、材料机械性能和材料厚度有关。
小于。
如遇特殊情况,可参照下表:图冲孔形状示例b 矩形孔短边宽 b材料圆孔最小直径不锈钢冷扎板、热扎板铝、黄铜*t 为材料厚度,冲孔最小尺寸一般不小于。
冲孔最小尺寸列表数冲的孔间距与孔边距零件的冲孔边缘离外形的最小距离随零件与孔的形状不同有一定的限制,见图。
当冲孔边缘与零件外形边缘不平行时,该最小距离应不小于材料厚度t;平行时,应不小于。
(图 1.4 )图冲裁件孔边距、孔间距示意图折弯件及拉深件不可选用数冲下料,可选用二次激光切割。
螺钉、螺栓的过孔和沉头座螺钉、螺栓过孔和沉头座的结构尺寸按下表选取取。
对于沉头螺钉的沉头座,如果板材太薄难以同时保证过孔 d2和沉孔 D,应优先保证过孔 d2。
用于螺钉、螺栓的过孔*要求钣材厚度 t≥ h。
用于沉头螺钉的沉头座及过孔*要求钣材厚度 t≥ h。
用于沉头铆钉的沉头座及过孔激光切割是用激光机飞行切割加工,板材厚度加工范围为冷扎板、热扎板小于或等于;不锈钢小于或等于;铝板小于等于。
其优点是加工板材厚度大,切割工件外形速度快,加工灵活.缺点是会产生热变型,网孔件不宜用此方式加工,加工成本高!折弯折弯件的最小弯曲半径材料弯曲时,其圆角区上,外层收到拉伸,内层则受到压缩。
钣金工艺手册[1]6.3.2. 折床的加工工艺参数:折床使用的下模V槽通常为5TV,如果使用5T-1V则折弯系数也要相应加大, 如果使用5T+1V则折弯系数也要相应减小.(T表示料厚,具体系数参见折床折弯系数一览表)折弯系数一览表6.3.3 折弯的加工范围:6.3.3.1折弯线到边缘的距离大于V槽的一半.如1.0mm的材料使用4V的下模则最小距离为2mm.下表为不同料厚的最小折边:注:①如折边料内尺寸小于上表中最小折边尺寸时,折床无法以正常方式加工,此时可将折边补长至最小折边尺寸,折弯后再修边,或考虑模具加工。
②当靠近折弯线的孔距小于表中所列最小距离时,折弯后会发生变形:6.3.3.2反折压平:当凸包与反折压平方向相反,且距折弯线距离L≦2.5t,压平会使凸包变形,工艺处理:在压平前,将一个治具套在工件下面,治具厚度略大于或等于凸包高度,然后再用压平模压平。
6.3.3.3电镀工件的折弯必须注意压痕及镀层的脱落(在图纸上应作特别说明)。
6.3.3.4段差用正。
焊缝尺寸符号是表示坡口和焊缝各特征尺寸的符号。
国标GB324-88中规定的16个尺寸符号见表7-6。
表7-5:焊缝补充符号表7-6﹕焊缝尺寸符号a7.4﹑焊接符号在图面上的位置7.4.1 基本要求﹕完整的焊缝表示方法除了上述基本符号﹐辅助符号﹐补充符号以外﹐还包括指引线﹐一些尺寸符号及数据。
焊缝符号和焊接方法代号必须通过指引线及有关规定才能准确的表示焊缝。
指引线一般由带有箭头的指引线(简称箭头线)和两条基准线(一条为实线﹐另一条为虚线)两部分组成。
7.4.2 箭头和接头的关系﹕下图实例给出接头的箭头侧和非箭头侧的含义﹕7.4.3箭头线的位置箭头线相对焊缝的位置一般没有特殊要求﹐但标注V﹑单边V﹐J 形焊缝时﹐箭头线应指向带有坡口一侧的工件。
必要时允许箭头线弯折一次。
7.4.4 基准线的位置基准线的虚线可以画在基准线的实在线侧或下侧﹐基准线一般应与图样的底边平行﹐但在特殊条件下也可与底边垂直。
钣金件折弯手册钣金的折弯是指改变板材或板件角度的加工。
如将板材弯成V形,U形等。
一般情况下,钣金折弯有两种方法:一种方法是模具折弯,用于结构比较复杂,体积较小、大批量加工的钣金结构;另一种是折弯机折弯,用于加工结构尺寸比较大的或产量不是太大的钣金结构。
这两种折弯方式有各自的原理,特点以及适用性。
模具折弯:对于年加工量在5000件以上,零件尺寸不是太大的结构件(一般情况为300X300),加工厂家一般考虑开冲压模具加工。
1常用折弯模具常用折弯模具,如下图。
为了延长模具的寿命,零件设计时,尽可能采用圆角。
过小的弯边高度,即使用折弯模具也不利于成形,一般弯边高度L≥3t(包括壁厚)。
台阶的加工处理办法一些高度较低的钣金Z形台阶折弯,加工厂家往往采用简易模具在冲床或者油压机上加工,批量不大也可在折弯机上用段差模加工,如下图所示。
但是,其高度H不能太高,一般应该在(0~1.0)t,如果高度为(1.0~4.0)t,要根据实际情况考虑使用加卸料结构的模具形式。
这种模具台阶高度可以通过加垫片进行调整,所以,高度H是任意调节的,但是,也有一个缺点,就是长度L尺寸不易保证,竖边的垂直度不易保证。
如果高度H尺寸很大,就要考虑在折弯机上折弯。
折弯机分普通折弯机和数控折弯机两种。
由于精度要求较高,折弯形状不规则,通信设备的钣金折弯一般用数控折弯机折弯,其基本原理就是利用折弯机的折弯刀(上模)、V形槽(下模),对钣金件进行折弯和成形。
优点:装夹方便,定位准确,加工速度快;缺点:压力小,只能加工简单的成形,效率较低。
成形基本原理成形基本原理下图所示:折弯刀(上模)折弯刀的形式如下图所示,加工时主要是根据工件的形状需要选用,一般加工厂家的折弯刀形状较多,特别是专业化程度很高的厂家,为了加工各种复杂的折弯,定做很多形状、规格的折弯刀。
下模一般用V=6t(t为料厚)模。
影响折弯加工的因素有许多,主要有上模圆弧半径、材质、料厚、下模强度、下模的模口尺寸等因素。
钣金工艺规范及折弯机模具手册1简介1.1钣金所用材料常用材料有:冷轧板SPCC热轧板SPHC电解板SECC普通铝板及铝合金板AL1O50AL5052-H32,不锈钢板SUS304覆铝锌钢板.1.2典型钣金件加工流程图面展开---编程---下料(剪、冲、害【J) ----冲网孔----校平----拉丝----冲凸包----压铆----折弯——焊接----立体拉丝----表处----组装2下料2.1数冲是用数控冲床加工,板材厚度加工范围为:冷扎板、热扎板小于或等于3.0mm 铝板小于或等于4.0mm 不锈钢小于2.0mm2.1.1冲孔有最小尺寸要求冲孔最小尺寸与孔的形状、材料机械性能和材料厚度有关。
t为材料厚度,冲孔尺寸一般不冲孔最小尺寸列表2.1.2数冲的孔间距与孔边距零件的冲孔边缘离外形的最小距离随零件与孔的形状不同有一定的限制,见图 2.1.2。
当冲孔边缘与零件外形边缘不平行时,该最小距离应不小于材料厚度t ;平行时,应不小于1.5t。
图2.1.2 冲裁件孔边距、孔间距示意图2.1.3折弯件及拉深件不可选用数冲下料,可选用二次激光切割。
2.1.4螺钉、螺栓的过孔和沉头座螺钉、螺栓过孔和沉头座的结构尺寸按下表选取取。
对于沉头螺钉的沉头座,如果板材太薄难以同时保证过孔d2和沉孔D,应优先保证过孔d2。
用于沉头螺钉的沉头座及过孔用于沉头铆钉的沉头座及过孔激光切割是用激光机飞行切割加工,板材厚度加工范围为冷扎板、热扎板小于或等于8.0mm不锈钢小于或等于4.0mm ;铝板小于等于5.0mm其优点是加工板材厚度大,切割工件外形速度快,加工灵活.缺点是会产生热变型,网孔件不宜用此方式加工,加工成本高!折弯折弯件的最小弯曲半径材料弯曲时,其圆角区上,外层收到拉伸,内层则受到压缩。
当材料厚度一定时,内r越小,材料的拉伸和压缩就越严重;当外层圆角的拉伸应力超过材料的极限强度时,就会产生裂缝和折断,因此,弯曲零件的结构设计,应避免过小的弯曲圆角半径。
钣金件的折弯工艺钣金的折弯,是指改变板材或板件角度的加工。
如将板材弯成V形,U形等。
一般情况下,钣金折弯有两种方法:一种方法是模具折弯,用于结构比较复杂,体积较小、大批量加工的钣金结构;另一种是折弯机折弯,用于加工结构尺寸比较大的或产量不是太大的钣金结构。
目前公司产品的折弯主要采用折弯机加工。
这两种折弯方式有各自的原理,特点以及适用性。
模具折弯:对于年加工量在5000件以上,零件尺寸不是太大的结构件(一般情况为300X300),加工厂家一般考虑开冲压模具加工。
常用折弯模具常用折弯模具,如图1-17所示:为了延长模具的寿命,零件设计时,尽可能采用圆角。
图1-17 专用的成形模具过小的弯边高度,即使用折弯模具也不利于成形,一般弯边高度L≥3t(包括壁厚)。
台阶的加工处理办法一些高度较低的钣金Z形台阶折弯,加工厂家往往采用简易模具在冲床或者油压机上加工,批量不大也可在折弯机上用段差模加工,如图1-18所示。
但是,其高度H不能太高,一般应该在(0~1.0)t ,如果高度为(1.0~4.0)t,要根据实际情况考虑使用加卸料结构的模具形式。
这种模具台阶高度可以通过加垫片进行调整,所以,高度H是任意调节的,但是,也有一个缺点,就是长度L尺寸不易保证,竖边的垂直度不易保证。
如果高度H尺寸很大,就要考虑在折弯机上折弯。
图1-18 Z形台阶折弯折弯机折弯折弯机分普通折弯机和数控折弯机两种。
由于精度要求较高,折弯形状不规则,通信设备的钣金折弯一般用数控折弯机折弯,其基本原理就是利用折弯机的折弯刀(上模)、V形槽(下模),对钣金件进行折弯和成形。
优点:装夹方便,定位准确,加工速度快;缺点:压力小,只能加工简单的成形,效率较低。
成形基本原理成形基本原理如图1-19所示:图1-19 成形基本原理折弯刀(上模)折弯刀的形式如图1-20所示,加工时主要是根据工件的形状需要选用,一般加工厂家的折弯刀形状较多,特别是专业化程度很高的厂家,为了加工各种复杂的折弯,定做很多形状、规格的折弯刀。
钣金折弯工艺1. 适用范围:本工艺守则适用于生产高、低压开关柜(箱)过程中,低碳钢板的折弯。
允许公差值按标准JB /T6753.1-5.1中表1的规定。
适用于产品结构零部件折弯加工工序之用。
2. 工艺过程:3. 准备工作内容:3.1 熟悉图纸和技术要求:备齐板手等手工具和钢卷尺、角度尺、游标卡尺等量具。
3.2 检查折弯机的状态,检查内容包括:A. 检查润滑情况是否正常,需要时将各部加足润滑油。
B. 检查机械部件是否正常,螺丝有无松动。
3.3 检查待折弯的板料尺寸及角度,是否符合图纸要求,图纸无展开尺寸时,应按下表计算核对:krT1.0 1.21.52.0 1.0 1.77 1.85 1.962.15 1.2 2.07 2.132.242.42准备检验折弯检查及调整折弯机1.52.51 2.57 2.66 2.842.03.29 3.31 3.39 3.542.53.984.04 4.14 4.273.04.72 4.78 4.865.054. 检查及调整折弯机:4.1 机器刚开始使用时,对于同步油缸式折弯机,应放掉左右两个同步油缸中的空气,放气步骤如下:A.将放气螺丝松开;B.由按钮控制“充油”“工作”交替进行,并使滑块上下数次,使油缸中的空气放入油箱。
C.将放气螺钉旋紧,再由按钮控制充油,充油后折弯机两油缸应保持同步。
4.2 调整下刀两端的推拉螺杆,使上下刀口中心线重合。
4.3 调整滑块下限:对于同步油缸式折弯机根据板料厚度和弯曲及开关用按钮通过电动机调整滑块的下限(即滑块下死点)指针旋转一周滑块移动1毫米,注意不得使上刀与下刀槽接触,以免造成顶刀事故,上下刀的间隙不得小于板料厚度。
对于机械同步折弯机,先将下止点调整手轮顺时针方向调整到最小值,然后逆时针下调,一边折弯一边转动直到折弯角度合适时停止。
4.4 摇动“直板调节手轮”,使制板端面与下刀槽中心等于工件边高减去料厚,调整时使用300毫米深度尺寸在制板两端测量。
钣金加工:钣金制造工艺手册—31 数控折弯(Numerical Control To Bend)1.1 折弯机的结构折弯机由机械、电气控制、电气、液压四大部分构成1.2 折弯机的工作原理1.2.1 折弯机的工作是利用液压传输驱动机身上、下的相对运动,结合折弯上、下模具的形状实现平板绕折弯线被弯曲为具有一定折弯角度和折弯半径的特性功能,与简易模具完成特殊形状成形;其运动方式分为上、下运动两种:a) 上动式:下工作台不动,由上面滑块下降实现施压;b) 下动式:机身上部固定不动,由下工作台上升实现施压;1.3 折弯机的加工技术数据机型项目RG50RG100工作台长度20003000最大折弯长度20853100最大折弯尺寸(深度)500500D轴行程0~99.990~99.99最大压力50T100T工作台开口高度370370后定位升降量60~14060~140后定位宽度6060L轴后定位行程420420L轴定位精度±0.1±0.1D轴运行精度±0.1±0.1折弯加工精度±0.2±0.21.4 折弯模具简绍:(具体见折弯刀具统计表)1.4.1 折弯上模也称为折弯刀具,它有整体式与分割式两种:a) 整体式上模长度(mm):835b) 分割式上模长度(mm):10、15、20、40、50、100、200、4001.4.2 常用折弯刀具R为R=0.2、R=0.6,刀具角度有88º、90º两种,折弯刀具类型(见下图)大R刀模段差模压平模 88º小弯刀压线模 88º鹅颈刀 88º直弯刀 30º尖刀 88º直刀1.4.3 折弯下模也称为V槽,它有整体式与分割式两种:a) 整体式上模长度(mm):835b) 分割式上模长度(mm):10、15、20、40、50、100、200、4001.4.4 常用折弯下模类型(见下图)1.4.4.1 常用V槽大小、角度与材料板厚的关系a) 常用V槽大小有:V4、V5、V6、V7、V8、V10、V12、V16、V25(例“V5”表示V槽完度为5mm)b) 常用V槽角度有:88º与90º两种c) V槽与板厚的关系:折弯时选用下模V槽大小与材料无关,通常为5倍的板厚(即5T);如4T≤V<5T时,折弯系数要相应加大,如5T<V≤6T时,折弯系数要相应减小;各材料与板厚所对应的折弯系数参照《机加中心钣金厂展开作业指南》1.4.4.2 插深V槽主要用来加工折弯内角小于90º的折弯,与配合30º尖刀压死边(反折180º)前的角度处理,常用大小有:V6、V101.4.4.3 段差模是用来完成普通V槽无法加工的Z字形小折弯,它分直边(90º)与斜边(45º)段差,取值范围H<最小折弯尺寸+T+1.5+内R1.4.5 折弯刀具和V槽的关系如下图1.4.6 折弯模具的耐压能力与模具的形状有关,常用折弯上下模的耐压能力根据模具形状与长底计算,标准取值为4Ton/100mm1.5 折弯的工艺性要求1.5.1 折弯工序与相关工序的工艺流程1.5.2 最小折弯尺寸和V槽大小有关,和折弯上模与材料无关,如下表是“普通折弯”与“Z字形折弯”a=90º的最小折弯尺寸的计算公式和数据,当a>90º或a<90º时,H值需做相应增减普通折弯Z字形折弯材料厚度V槽大小折弯角度(a)/折弯半径(R内)普通折弯最小尺寸(H=0.5V+T)Z字形折弯最小尺寸(H=0.5V+2T+1.5+R内)孔到折弯边的最小距离(L=0.6V)T=0V4a=90º 2.7 5.1 1.9.5/R=0.6T=0 .8V4a=90º/R=0.63.0 5.7 2.4T=1 .0V6a=90º/R=0.64.07.1 3.3T=1 .2V6a=90º/R=0.64.37.5 3.6T=1 .5V8a=90º/R=0.65.59.1 4.8T=2 .0V10a=90º/R=0.6711.16T=2 .5V12a=90º/R=0.68.513.17.2T=3 .0V16a=90º/R=0.61116.19.61.5.3 压死边的工艺性与要求:(如下图)a) 压死边需进行两次折弯加工,首先利用30º尖刀与插深V槽折弯30º~45º,然后再利用压平模压平,不同材料板厚压死边的范围:0.5≤T≤2.0b) 压死边的长度(L)与材料厚度、插深V槽有关,当0.5≤T≤1.5选用V6插深槽,Lmin≥5T+R(即Lmin≥6);当2.0≤T≤2.5选用V10插深槽,Lmin≥5T+R(即Lmin≥9);以上两者的死边长度Lmax≤14mmc) 反折弯后再压死边的长度L受插深V槽的限制,Lmin≥11mmd) 压死边孔到折弯边的距离不宜太小,否则孔会受折弯过程中角度的变化而变形:L1min≥0.7Ve) N折的工艺性与以上a、b、c相同,H加工是在C图示1的基础上放一块H值尺寸治具,然后再利用压平模压平后,把治具取出,H值的范围:0.5≤H≤5.01.5.4 翻边孔到折弯边的最小距离需满足如下条件:1.5.5 孔到折弯边的工艺处理不能满足最2.5.2与2.5.4孔到折弯边的最小距离时可根据结构需求采用如下工艺:a) 开工艺缺口(如下图):先折弯后特征孔会变形,在折弯线处开一方孔避位;如此孔是压铆螺柱孔或翻边孔,工艺可先加工此孔特征后再折弯,且在折弯线处开避位孔,折弯时上、下模可选择性避空此孔b) 折弯后再加工(如下图):先折弯后特征孔会变形,可减小特征孔增大图示L尺寸,折弯后可利用钻、铣、冲裁等加工方式加工特征孔到结构所需尺寸;例折弯后再攻丝、折弯边太小加长折弯尺寸后再铣等工艺c) 先压线后折弯(如下图):利用压线模在折弯中线处先压线再折弯,可以避免特征孔折弯后变形与保证图示L尺寸,压线槽尺寸范围(宽:0.8~1.2,深0.2~1.0)1.5.6 在折弯有撕裂的地方,需要做折弯撕裂槽与工艺缺口的处理,撕裂槽的宽度一般不小于1.5T,且≥1.5,具本见1.6.3 NCT冲裁件的工艺性要求;撕裂槽的长度和宽度与壁厚的关系如下图b,c 所示,或者是折弯线让开阶梯线如下图a所示或或1.5.7 折弯工艺处理时要考虑表面处理对尺寸精度的影响(如:喷粉、喷油等),加工尺寸余量按表面处理的镀层、涂层厚度调配;各表面处理层厚详见第七章《表面处理》1.5.8 折弯定位多以平面定位,定位边与折弯模具垂直;定位边是斜边或不规则形状时需制作折弯定位治具1.5.9 折弯加工顺序跟折弯机的工作台开口高度、后定位长度、折弯上下模的安装与选用有密切关系,其加工顺序的基本原则为:由外到内折弯、由小到大折弯、由特殊形状到一般形状折弯、前工序折弯后对后继折弯工序不产生影响或干涉1.5.10 编制折弯工艺a) U形小尺寸折弯时为了避开折弯上模与下模,采用折弯后再翻边攻丝(如下图表), Y为翻边攻丝孔:b) 电镀后再折弯(压死边),避免电镀后电镀液无法流出,腐蚀产品表面。
编著:xxx
10. 折床压三角补强
三角补强的成型有两种:
1.与折弯刀具同时共享,即折弯与三角补强同时加工
2.工件折弯后再压三角补强.
※※一般压筋在2-3个无须开模,只把上模空开,下模V型槽分段之间垫筋(自制简易)即可.
材料厚度超过2.0则需开冲床模
11.折床简易模
※折床简易模分为两类:
11.1. 折弯模具型:这类模具没有特定的规格,一般开制全凭技术者的创新,好处是可以使产品缩短交期.
11.2 用来成形抽桥﹑段差﹑异形小折﹑铆钉﹑抽形﹑抽孔﹑压印﹑整形等, 设计比较复杂,多样化,需要我们学习专业的课程《简易模设计》.
AMADA折床模具清册
.xls。
1主题内容与适用范围本手册规定了我公司所有机柜、机箱在加工过程中应达到的基本要求。
本手册适用于公司的钣金机柜、机箱。
2引用标准和文件GB/T 1804--92 一般公差线性尺寸的未注公差WI-T00-008 钣金机械制造工艺基本术语所有相关《企业钣金工艺技术规范》3基本要求3.1在生产中,每个员工、每道工序都必须按图纸、工艺、标准进行加工;当图纸与工艺不符合时以工艺为准。
3.2图纸、工艺有公差标注要求时,按公差要求加工。
3.3图纸、工艺未注公差时,按 GB/T 1804m级加工。
3.4当图纸标注尺寸及公差与工艺要求尺寸及公差不一致时,按工艺要求加工。
3.6门的外形按允许公差的负公差加工,严禁出现正公差。
3.7未注公差要求的孔,按GB/T 1804-92 m级的正公差并偏上加工。
3.8所有产品因电镀或热浸锌必须开工艺孔时,所开工艺孔应在产品正面不可见的位置。
3.8各种铝合金面板,外形未注公差时,按GB/T 1804-92 f级的负差且偏下加工。
3.9对于压铆后折弯的工艺顺序,在编排工艺时要特别小心,太小的折边压铆后折弯会发生干涉。
3.10板材厚折边又太小的情况,必须把无法折到位的局部尺寸留多点余量,折弯后在冲掉或铣掉多余量的工艺顺序。
3.11除特殊说明外毛刺方向必须在折弯内边,所以在工艺编排用折弯图或文字加以叙述。
4下料补充要求4.1冷轧薄板、电解板、剪料对角线允差(每批一致性好)4.1.1立柱用料<1000mm≤0.3≥1000mm≤0.54.12门板用料<1000mm≤0.5≥1000mm≤0.84.1.3其它结构件≤0.54.2铝型材长度允差<500mm≤0.3≥500~1000mm≤0.5≥1000~1500mm≤0.8≥1500~2000mm≤1.0≥2000mm≤1.2。
6、展开工艺6.1 展开的计算法板料在弯曲过程中外层受到拉应力,内层受到压应力,从拉到压之间有一既不受拉力又不受压力的过渡层--中性层,中性层在弯曲过程中的长度和弯曲前一样,保持不变,所以中性层是计算弯曲件展开长度的基准.中性层位置与变形程度有关, 当弯曲半径较大,折弯角度较小时,变形程度较小,中性层位置靠近板料厚度的中心处,当弯曲半径变小, 折弯角度增大时,变形程度随之增大,中性层位置逐渐向弯曲中心的内侧移动.中性层到板料内侧的距离用λ表示。
1主题内容与适用范围本手册规定了我公司所有机柜、机箱在加工过程中应达到的基本要求。
本手册适用于公司的钣金机柜、机箱。
2引用标准和文件GB/T 1804--92 一般公差线性尺寸的未注公差WI-T00-008 钣金机械制造工艺基本术语所有相关《企业钣金工艺技术规范》3基本要求3.1在生产中,每个员工、每道工序都必须按图纸、工艺、标准进行加工;当图纸与工艺不符合时以工艺为准。
3.2图纸、工艺有公差标注要求时,按公差要求加工。
3.3图纸、工艺未注公差时,按GB/T 1804m级加工。
3.4当图纸标注尺寸及公差与工艺要求尺寸及公差不一致时,按工艺要求加工。
3.6门的外形按允许公差的负公差加工,严禁出现正公差。
3.7未注公差要求的孔,按GB/T 1804-92 m级的正公差并偏上加工。
3.8所有产品因电镀或热浸锌必须开工艺孔时,所开工艺孔应在产品正面不可见的位置。
3.8各种铝合金面板,外形未注公差时,按GB/T 1804-92 f级的负差且偏下加工。
3.9对于压铆后折弯的工艺顺序,在编排工艺时要特别小心,太小的折边压铆后折弯会发生干涉。
3.10板材厚折边又太小的情况,必须把无法折到位的局部尺寸留多点余量,折弯后在冲掉或铣掉多余量的工艺顺序。
3.11除特殊说明外毛刺方向必须在折弯内边,所以在工艺编排用折弯图或文字加以叙述。
4下料补充要求4.1冷轧薄板、电解板、剪料对角线允差(每批一致性好)4.1.1立柱用料<1000mm≤0.3≥1000mm≤0.54.12门板用料<1000mm≤0.5≥1000mm≤0.84.1.3其它结构件≤0.54.2铝型材长度允差<500mm≤0.3≥500~1000mm≤0.5≥1000~1500mm≤0.8≥1500~2000mm≤1.0≥2000mm≤1.2。
6、展开工艺6.1 展开的计算法板料在弯曲过程中外层受到拉应力,内层受到压应力,从拉到压之间有一既不受拉力又不受压力的过渡层--中性层,中性层在弯曲过程中的长度和弯曲前一样,保持不变,所以中性层是计算弯曲件展开长度的基准.中性层位置与变形程度有关, 当弯曲半径较大,折弯角度较小时,变形程度较小,中性层位置靠近板料厚度的中心处,当弯曲半径变小, 折弯角度增大时,变形程度随之增大,中性层位置逐渐向弯曲中心的内侧移动.中性层到板料内侧的距离用λ表示。