循环冷却水系统和开式冷却水系统概述
- 格式:wps
- 大小:30.00 KB
- 文档页数:3
循环冷却水系统发电厂中有许多转动机械因轴承摩擦而产生大量热量,各种电动机和变压器运行因存在铁损和铜损也会产生大量的热量。
这些热量如果不能及时排出,积聚在设备内部,将会引起设备超温甚至损坏。
为确保设备的安全运行,电厂中需要完备的循环冷却水系统,对这些设备进行冷却。
根据各设备(轴承、冷却器等)对冷却水量、水质和水温的不同要求,主厂房设备冷却水采用开式、闭式两套系统。
开式循环冷却水系统从循环水进水管接出,直接利用循环水,减少厂用电和节约用水,闭式循环冷却水系统有效节约了用水量。
开式循环冷却水系统是用循环水直接去冷却一些对水质要求较低、水温要求较严而用水量大的设备,如汽轮机润滑油冷却器等。
闭式循环冷却水系统则是用洁净的凝结水作为冷却介质,去冷却一些用水量较小、对温度要求不严格但对水质要求较高的设备,如取样冷却器。
在闭式系统中,凝结水在各个冷却器中吸热后利用开式循环冷却水进行冷却,然后循环使用。
一般,闭式系统的水温比开式循环水的温度高4~5℃。
开式和闭式循环水系统的关系可见图4-12。
一、开式循环冷却水系统1.系统概述该系统向一些需要冷却水流量高、对水质要求不太高的设备提高冷却水,开式循环冷却水系统的供水取自凝汽器循环水进水管,其主要用户有:闭式水热交换器、凝泵电机冷却器、凝泵电机轴承油冷器、小机冷油器、主机冷油器、电泵工作油及润滑油冷却器、电泵电机空冷器、发电机氢冷器、发电机空侧密封油冷却器、发电机空侧密封油冷却器、真空泵冷却器、磨煤机冷却水、送风机油站、一次风机油站、空气预热器等等设备供冷却用水。
回水到循环水出水管道。
各冷却设备的台数和具体用水量参见表3-4。
表3-4 开式循环冷却水系统设备用水明细图4-12 循环冷却水系统示意图2.系统组成本机组的开式循环冷却水系统供水系统型式:二次循环冷却。
运行方式为:闭式。
系统包括两台100%容量的开式循环冷却水泵、各冷却器及其管道和附件。
3.开式循环冷却水泵本工程每台机组设置2台开式循环冷却水泵,1用 1 备,2台机组共设计4台开式循环冷却水泵;开式循环冷却水泵输送介质(地表水)取自循环水泵出口管路。
冷却循环水系统:工业循环水系统是为生产设备实施水冷却而配置的。
以水作为冷却介质,并循环使用的一种冷却水系统。
冷水流过需要降温的生产设备(常称换热设备,如换热器、冷凝器、反应器)后,温度上升,如果即行排放,冷水只用一次(称直流冷却水系统)。
使升温冷水流过冷却设备则水温回降,可用泵送回生产设备再次使用,冷水的用量大大降低,常可节约95%以上。
冷却水占工业用水量的70%左右,因此,循环冷却水系统起了节约大量工业用水的作用。
冷却循环水系统一般由以下几部分组成:①生产过程中的热交换器;②冷却构筑物;③循环水泵及集水池。
冷却水降温处理的冷却构筑物一般常采用冷却池或冷却塔。
其工作过程为:循环水由水泵输送到供水总管,再分别进入各台需要降温处理的生产设备,流过需冷却的部位后汇集到回水总管,经过冷却水塔上方的布水管向下喷淋。
冷却水塔顶部的风机运转时,回水在填料层中与空气流进行充分的热交换后流回储水池中。
冷却设备有敞开式和封闭式之分,因而循环冷却水系统也分为敞开式和封闭式两类。
敞开式系统的设计和运行较为复杂。
敞开式冷却设备有冷却池和冷却塔两类,都主要依靠水的蒸发降低水温。
再者,冷却塔常用风机促进蒸发,冷却水常被吹失。
故敞开式循环冷却水系统必须补给新鲜水。
由于蒸发,循环水浓缩,浓缩过程将促进盐分结垢。
补充水有稀释作用,其流量常根据循环水浓度限值确定。
通常补充水量超过蒸发与风吹的损失水量,因此必须排放一些循环水(称排污水)以维持水量的平衡。
循环冷却水系统在敞开式系统中,因水流与大气接触,灰尘、微生物等进入循环水;此外,二氧化碳的逸散和换热设备中物料的泄漏;也改变循环水的水质。
为此,循环冷却水常需处理,包括沉积物控制、腐蚀控制和微生物控制。
处理方法的确定常与补给水的水量和水质相关,与生产设备的性能也有关。
当采用多种药剂时,要避免药剂间可能存在的化学反应。
封闭式封闭式循环冷却水系统(图2)采用封闭式冷却设备,循环水在管中流动,管外通常用风散热。
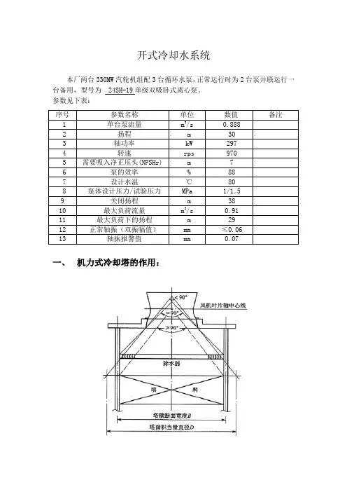
开式冷却水系统本厂两台330MW汽轮机组配3台循环水泵,正常运行时为2台泵并联运行一台备用,型号为 24SH-19单级双吸卧式离心泵。
参数见下表:序号参数名称单位数值备注1 单台泵流量m3/s 0.8882 扬程m 303 轴功率kW 2974 转速rps 9705 需要吸入净正压头(NPSHr) m 76 泵的效率% 887 设计水温℃808 泵体设计压力/试验压力MPa 1/1.59 关闭扬程m 3810 最大负荷流量m3/s 0.9111 最大负荷下的扬程m 2912 正常轴振(双振幅值)mm ≤0.0613 轴振报警值mm 0.07一、机力式冷却塔的作用:机械式抽风冷却塔是3台连成一体,每塔形成正方形,从两侧进风。
热水通过上水管进入冷却塔。
通过槽式或者管式配水系统,使热水沿塔平面成网状均匀分布。
然后通过喷嘴,将热水洒在填料上。
穿过填料,成雨状通过空气分配区(雨区)。
落入塔底水池。
变成冷却后的水重复使用。
空气从进风口进入塔内,穿过填料下的雨区,与热水成相反方向穿过填料区(逆流)。
通过收水器、抽风机,从风筒排除。
二、冷却塔的投运原则:(注:风机采用变频调速,一拖一控制。
)1. 启动风机检查叶轮转向正确(自上而下呈顺时针转动)。
2. 检查电机、塔体、传动轴振动状况,检查电源电流、电压是否正常,检查油温指示器是否动作,检查风机运转是否平稳,有否异常噪音。
双向振幅值小于150μm。
3、检查润滑油系统是否有渗漏现象,油位是否稳定。
最高油温不大于80℃。
4、逐步打开进水管闸阀,检查系统布水均匀。
逐步将水量加大到额定值。
三、冷却塔的停运原则:先停风机,然后关供水阀。
四、冷却塔冬季运行注意事项:当冬季湿球温度在冰点以下时,冷却塔运行一般会在进风百叶及靠近进风窗的部分填料上发生结冰现象,可采取如下措施:1、停开风机,减小降温。
2、短时逆转风机(不超过20~30 分钟),使热空气从进风窗外流,帮助化冰。
五、系统投入前检查1、检查开式循环冷却水系统检修工作结束,工作票已终结,现场整洁,无杂物。
循环水冷却系统及优势说明介绍循环水冷却通常分为密闭式循环水冷却系统和敞开式循环水冷却系统。
密闭式循环水冷却系统中,水是密闭循环的,水的冷却不与空气直接接触。
敞开式循环水冷却系统,水的冷却需要与空气直接接触,根据水与空气接触方式的不同,可分为水面冷却、喷水冷却池冷却和冷却塔冷却等。
该水处理设备技术广泛用于化肥、石油化工、冶金、发电、采油、炼油轻工、集中供热、中央空调等领域。
敞开式循环水冷却系统可分为以下3类:1. 压力回流式循环冷却系统此种循环水系统一般水质不受污染,仅补充在循环使用过程中损失的较少水量。
补充水可流入冷水池,也可流入冷却构筑物下部。
冷水池也可设在冷却塔下面,与集水池合并。
2. 重力回流式循环水冷却系统此系统中,冷却塔的位置高于生产车间或制冷设备,经冷却塔冷却的水,以重力流流入生产车间或制冷设备,进冷却塔的热水由循环水泵提升。
3. 需要经处理的循环水冷却系统从生产车间或制冷设备出来的热水需设置净化或水质稳定处理构筑物进行处理,处理后的热水再流入热水池,经热水泵提升送入冷却塔冷却。
冷水泵再从冷水池抽水送入生产车间或制冷设备。
此系统水经二次提升,多数为压力回流式。
在有条件的情况下,也可布置成重力回流式,以减少面积和设备,节省能耗。
净化或水质稳定处理构筑物宜设在生产车间(或制冷设备)与热水池之间,优点是:(1)能冷却热量,降低水温;(2)水温高,有利于提高处理效果和节省药剂;(3)避免后置设备和构筑物的污染。
冷却塔尽可能布置在高处,如屋顶、平台、泵房屋顶及水池上面等,并在周围无建筑物阻挡。
这样,通风条件好,有利于提高水的冷却效果。
冷却塔闭式循环与开式循环概述说明以及解释1. 引言1.1 概述冷却塔是一种常见的工业设备,用于从热水中去除热量,以保持水温在适宜的范围内。
它被广泛应用于电力工厂、化工厂、制药厂等许多行业中。
冷却塔可以采用闭式循环或开式循环来实现热交换的过程。
1.2 文章结构本文将分为五个部分进行详细说明和解释。
首先,在引言部分我们将概述冷却塔闭式循环与开式循环的基本原理和应用场景差异。
然后,在第二部分我们会详细介绍闭式循环的基本原理、工作流程以及特点与应用。
接着,在第三部分我们会探讨开式循环的基本原理、工作流程和特点与应用。
在第四部分,我们将对比分析闭式循环与开式循环在能源消耗、维护成本和环境因素方面的差异。
最后,在结论部分我们将总结闭式循环和开式循环的特点和应用场景差异,并探讨未来发展趋势和可能的改进方向。
1.3 目的本文的目的是通过介绍和比较闭式循环和开式循环的基本原理、工作流程、特点与应用,帮助读者更好地了解这两种循环方式的差异和适用条件。
同时,我们也希望通过对能源消耗、维护成本和环境因素的分析,提供一些思考,促进冷却塔技术的改进和发展。
2. 冷却塔闭式循环2.1 基本原理冷却塔闭式循环是一种用于控制和降低水温的系统。
它基于热交换原理,通过将热水流入冷却塔中,并与环境中的冷却介质接触以散发热量,达到降温的目的。
在闭式循环系统中,水在循环过程中不与外界直接接触,而是通过管道和设备进行传输。
2.2 工作流程冷却塔闭式循环的工作原理可以分为以下几个步骤:第一步:热水进入冷却塔系统。
热水来自于某个需要降温的源头,例如工业设备或空调。
第二步:冷却塔将热水引入到填料层或喷淋系统中。
填料层通常由片状、球形或块状材料组成,以增加表面积并促进有效传热。
第三步:在填料层中,冷却介质(通常是空气)通过对冷水进行喷淋或直接接触的方式进行散热和蒸发。
这样可以有效地从热水中带走热量。
第四步:冷却后的水被输送回热源,经过再次加热后循环使用。
第七章循环水系统第一节系统概述一、循环水系统的主要功能循环水系统的主要功能是向汽轮机的凝汽器提供冷却水,以带走凝汽器内的热量,将汽轮机的排汽(通过热交换)冷却并凝结成凝结水。
此外,系统还为除灰系统和开式冷却水系统提供水源。
由于电厂地理条件的不同,循环水系统所采用的循环水将有所不同,可能是江河、湖泊的淡水(如江边的电厂),也可能是海水。
系统的设置方式有闭式和开式两种。
闭式循环供水系统是通过设置如冷却塔、喷水池等冷却设施,使在凝汽器内吸热、温度提高的冷却水在其内冷却放热,温度降低后再由循环水泵送入凝汽器重复使用,运行过程中只补充小部分损失掉的循环水,这种设置方式多用于水源比较紧缺的环境,按照冷却设施的不同,闭式循环供水系统可分为冷却水池、喷水池和冷却塔三种类型。
开式循环水系统则是从江河、湖泊、海洋直接取水,在循环水泵提供的动力作用下,水进入凝汽器水侧,吸收乏汽的热量,温度升高后再返回到江河湖泊中。
为了保证凝汽器的进水温度,应使取水点设在水流的上游,而排水点设在水流的下游。
显然,这种系统要求电厂附近有充足的水源,其流量一般应超过电厂用水量的2~3倍。
由于华能玉环电厂位于海边,水源充足,循环水系统采用的是开式循环水系统。
循环水系统主要包括取水头、进水盾沟、进水工作井、循环水泵设备、循环水进水管道、凝汽器、循环水排水管(箱涵)、排水工作井、排水盾沟、虹吸井和派水头等部分。
以海水作为冷却水的开式循环水系统如图7-1-1所示。
图7-1-1 海水冷却系统1——凝汽器2——循环水泵3——压力水管4——岸边水泵房5——排水渠6——拦污栅7——进水口(位于深海域)8——排水口(位于浅海域)二、华能玉环电厂循环水系统介绍华能玉环电厂循环水系统采用海水作水源的一次升压直流供水系统,循环冷却水取自乐清湾海水,为凝汽器、开式循环冷却水系统提供冷却水,按单元制设计。
电厂淡水采用海水淡化得到。
循环水供水采用单元制供水系统,每台机组设置1只取水口、1根自流引水管、2台循环水泵、1根压力供水管、1座排水口。
冷却循环水的开式闭式系统解析冷却循环水检测的循环水系统可分为封闭式(闭式)和敞开式(开式)两种。
闭式冷却水系统中,冷却水不暴露于空气中,水量损失很少,水中各种矿物质和离子含量一般不发生变化;开式循环水系统中,水的再冷却是通过冷却塔进行的,因此冷却水再循环过程中要与空气接触,部分水在通过冷却塔时还会不断被蒸发损失掉,因而水中各种矿物质和离子含量也不断被浓缩增加。
简单讲开式是敞开式,开放式,也就是冷却水与空气直接接触进行热交换,可通过以下方式体现:1.贮水池跟直流式有点相类似,只是人工造了一个池子,里面放点水,主要靠水的自然冷却(蒸发)来降温,约占总散热量的55%。
因此贮水池越大越好。
2.喷水池(喷泉)就是喷泉,把水用水泵喷到空气中从而达到散热的效果。
场地越开阔越好,同时也能美观厂区。
但是损耗比较大,约为1-5%。
3.水塔即一种塔式装置。
二、闭式循环水系统相对于开式,闭式冷却就是一次循环水不大面积与空气接触,相对隔离的系统。
闭式系统可分为两种:一种是被动式,也就是利用环境温度的空气作为根本热平衡的介质,冷却效果仍然会受到环境温度的影响。
降温下限是环境温度对应的湿球温度。
也是直接利用水塔来降温;另一种是主动式,比如带压缩机的冷水机,使用压缩机来为水降温,主要好处如下:1.可大大低于环境温度的湿球温度,即便在夏季热的时候,仍能提供4℃附近的冷水;2.目标温度精准可控,可以将水温设定在设备最适宜的温度附近,增强制冷效果,延长设备寿命;3.内循环系统污染少,使得维护周期大大延长,维护成本大大降低,有效保护了仪器设备。
精品资料欢迎下载。
循环冷却水处理技术第一节 循环冷却水系统用水来冷却工艺介质的系统称作冷却水系统。
冷却水系统通常分为直流冷却水系统和循环冷却水系统两种。
一、直流冷却水系统在直流冷却水系统中,冷却水仅仅通过换热设备一次,用过后水就被排放掉,如图1-1所示。
因此,它的用水量很大,而排出水的温升却很小,水中各种矿物质和离子含量基本保持不变。
这种冷却水系统不需要其它冷却水构筑物,因此投资少、操作简便,但是冷却水操作费用大,而且不符合当前节约使用水资源的要求。
这种系统(除了用海水的直流冷却水系统外)在国外已被淘汰,在国内一些中小型老厂仍在采用。
随着国内各项节水政策的制定,这些工厂也都在采取措施,积极进行技术改造。
①②图1-1 直流冷却水系统①:冷却水 ②:冷却水泵 ③:冷却工艺介质的热换器 ④:换热后的热水 二、循环冷却水系统循环冷却水系统又分封闭式和敞开式两种。
1.封闭式循环冷却水系统封闭式循环冷却水系统又称为密闭式循环冷却水系统。
在此系统中,冷却水用过后不是马上排放掉,而是收回再用,循环不止。
在循环过程中,冷却水不暴露于空气中,所以水量损失很少。
水中各种矿物质和离子含量一般不发生变化,而水的再冷却是在另一台换热设备中,用其它冷却介质来进行冷却的,如图1-2所示。
这种系统一般用于发电机、内燃机或有特殊要求的单台换热设备。
图1-2 封闭式循环冷却水系统①:冷却水 ②:冷却水泵 ③:冷却工艺介质的换热器 ④:热水⑤:热水泵⑥:冷却热水的冷却器⑦:冷水2.敞开式循环冷却水系统在敞开式循环冷却水系统中,冷却水用过后也不是立即排放掉,而是收回循环使用。
水的再冷却是通过冷却塔来进行的,因此,冷却水在循环过程中要与空气接触,部分水在通过冷却塔时还会不断被蒸发损失掉,因而水中各种矿物质和离子含量也不断被浓缩增加。
为了维持各种矿物质和离子含量稳定在某一个定值上,必须对系统补充一定量的冷却水,通常称作补充水;并排出一定量的浓缩水,通称排污水,其流程如图1-3所示。
垃圾焚烧发电厂冷却水系统分析摘要: 循环冷却水系统是垃圾焚烧发电厂的重要系统之一。
循环冷却水系统的运行直接影响汽轮机的真空度,从而影响汽轮机的出力和安全。
本文对垃圾焚烧发电厂冷却水系统进行有关阐述,分析冷却水系统设备选型,分析循环冷却水系统浓缩倍数与节水的关系,分析循环冷却水处理技术等。
有效提高循环冷却水利用率,减少对水资源的消耗。
让循环冷却水系统发挥经济性和节水、节能效果,进而为垃圾焚烧发电厂创造更多的经济效益和社会效益。
关键词:垃圾焚烧发电;循环冷却水系统;节水;节能;减排引言在新时代背景下,随着社会的不断进步,国家对电厂循环冷却水处理以及节水的要求越来越高,电厂必须加大对循环冷却水理工作的力度。
如何选择合理循环冷却水系统方案,如何让循环冷却水处理措施发挥出最大的节水效果,成为我国各大电厂的首要任务。
循环冷却水系统是垃圾焚烧发电厂水量最大、水质最为复杂的用水系统,系统运行的稳定性对电厂安全经济运行具有重要影响。
因此,垃圾焚烧发电厂设计工作必须对循环冷却水系统的原水水质及水量、循环排污水的水质及水量、工艺设备配置、当地气候条件、节水措施等因素综合分析,选择合理的循环冷却水系统方案。
1 循环冷却水系统概述循环冷却水系统分为闭式系统和开式系统两类。
闭式冷却水系统中的循环冷却水不与大气接触,采用间冷方式冷却,水量损失很少,水中各种矿物质和离子含量一般不发生变化。
开式循环水系统是循环冷却水与被冷却介质直接接触换热且循环冷却水与大气直接接触散热的循环冷却水系统。
开式系统循环水的再冷却是通过冷却塔进行的,因此冷却水再循环过程中要与空气接触,部分水在通过冷却塔时不断被蒸发损失,因而水中各种矿物质和离子含量也不断浓缩增加。
垃圾焚烧发电厂,除极度缺水的地理条件下采用封闭式循环冷却水系统(比如空冷岛冷却系统),其他在生产水源充足条件下,考虑发电经济性,大都采用开式循环冷却水系统。
本文着重分析敞开式循环冷却水系统。
云数循环冷却水可能是指在云计算数据中心中使用的循环冷却水系统,这种系统用于有效地散发数据中心产生的热量。
循环冷却水系统通常分为两种类型:
-封闭式循环冷却水系统:在这种系统中,冷却水被回收利用,循环不已,因此水量损失很少。
水中的各种矿物质和离子含量一般不发生变化,而水的再冷却是在另一台换热设备中用其他冷却介质来进行的。
-敞开式循环冷却水系统:在这种系统中,冷却水循环再用,但水的再冷却是通过冷却塔来进行的。
水中的各种矿物质和离子含量会不断被浓缩增加。
循环冷却水系统的组成包括补充水系统、旁滤水处理系统、管网系统、水冷却设施等。
在数据中心的应用中,循环冷却水系统具有以下特点:
-热容量大,散热效率高:液体冷却技术通过使用液体作为传热介质来降低数据中心的温度,这依赖于与热源直接接触的液体排出热量。
液体的传热效果比空气好得多,能吸收大量的热量,从而使散热效率大大提高。
-减少能源消耗和支出:通过循环介质带走大部分热量,从而减少单台服务器对空气的需求和服务器机房对空气循环的总体需求,显著减少了服务器机房回流引起的局部热点。
此外,数据中心还有其他冷却方式,如机械制冷(包括风冷直膨空调系统、风冷冷冻水系统、水冷冷冻水系统和集中冷却水系统等)和自然冷却(包括新风、空气板换、转轮换热、蒸发冷却和液体冷却等技术)。
总的来说,循环冷却水系统在数据中心的应用有助于提高能效和散热性能,是现代数据中心设计中不可或缺的一部分。
循环冷却水系统和开式冷却水系统概述
第一节概述
机组的循环冷却水来自凝汽器循环水进口管和矿井水升压泵出口管,经旋转滤网过滤后,向机房内布置标高较低的被冷却设备提供冷却水。
正常运行中,机组循环冷却水由循环水提供,夏季可由矿井水升压泵提供温度较低的补充水做为冷却水源。
循环冷却水系统各用户回水因压力较低,汇集后排至循环水塔池内。
设备规范如下:
第二节系统用户
循环冷却水系统用户有:汽轮机润滑油冷油器,闭式水冷却器,电动给水泵电机空冷器,电动给水泵润滑油冷油器,电动给水泵工作油冷油器,汽泵前置泵机械密封冷却器,汽泵机械密封冷却器,小机润滑油冷油器,凝结水泵电机轴承冷却器,发电机定子冷却水冷却器,真空泵循环液冷却器。
三、系统运行
1、投运
①选择循环水或矿井水升压泵出水做为水源,开相应来水电动门;
②开旋转滤网进口门,旋转滤网排气门对滤网进行注水;
③空气放净后,开旋转滤网出口门,循环冷却水管道排空气门进行管道排空;
④管道空气排净后,根据需要投入循环冷却水用户。
2、运行维护
正常运行中,旋转滤网在投入运行后,检测前后压差在0.05MPa时开启下部排污电磁阀,并转动上部步进电机使滤网内各滤芯得到反冲清洗。
3、系统停运
当确认系统无用户时,可关闭水源电动门将系统停运。
冬季停运后应放尽管道存水进行防冻处理。
开式冷却水系统
第一节概述
机组的开式冷却水来自凝汽器循环水进口管和矿井水升压泵出口管,经旋转滤网过滤后,由两台开
式冷却水泵送至机房内布置较高的被冷却设备和锅炉侧各用户。
各用户回水因压力较高,汇集后排至循环水回水管道排至水塔。
第二节系统运行
1、投运(水源选择及排空气、投运时的用户选择)
①选择循环水或矿井水升压泵出水做为水源,开相应来水电动门;
②开旋转滤网进口门,旋转滤网排气门对滤网进行注水;
③空气放净后,打开旋转滤网出口门、开冷泵入口门和出口门、开式冷却
水管道排空气门进行管道排空;
④管道空气排净后,关闭开冷泵出口门,部分投入开式水用户(),启动一
台开冷泵正常后,根据需要投入开式冷却水用户。
2、运行维护(包括滤网排污)
正常运行中,旋转滤网在投入运行后,检测前后压差在0.05MPa时开启下部排污电磁阀,并转动上部步进电机使滤网内各滤芯得到反冲清洗。
开冷泵运行中应注意压力,声音,振动正常,备用泵备用良好,开式冷却水母管压力正常。
3、系统停运
当确认系统无用户时,可停运开式冷却水泵,关闭水源电动门后将系统停运。
冬季停运后应放尽管道存水进行防冻处理。
第三节系统运行注意事项
1、切泵注意事项(防逆止门不严引起倒流)
切换开冷泵时,先启动备用泵,检查备用泵运行正常后,停运运行开冷泵。
当运行泵出口门关闭后,投入备用,查出口门开启正常,泵出口压力为其入口压力(确认其出口逆止门严密),切换开冷泵完毕。
2、两台泵均故障时的应对措施
两台开冷泵同时故障时,应立即开启两台开冷泵出口门,利用泵入口
压力水提供开式冷却水。
并迅速启动矿井水升压泵,矿井水升压泵出口压力正常后切换开式冷却水水源,利用矿井水升压泵出口高压水满足开冷水各用户需要。
并迅速查明开冷泵故障原因,及时消除故障并投入运行。
第四节联锁保护
1.连锁投入时,运行开冷泵跳闸连锁启动备用泵;
2.连锁投入时,当开式水母管压力低于0.2MPa 时连锁启动备用开冷泵。