H44H旋启式止回阀说明书
- 格式:doc
- 大小:454.00 KB
- 文档页数:4
h44h止回阀工作原理
H44H液压缓闭旋启式止回阀的工作原理基于管路系统的上下游压力差。
导阀控制隔膜(活塞)进行液压式差动操作,这一过程完全由水力自动调节。
具体工作流程如下:
1. 当进入隔膜(活塞)上方控制室内的压力介质被排到大气或下游低压区时,作用在阀盘底部和隔膜下方的压力值大于上方的压力值,管路介质将主阀阀盘推到完全开启的位置。
2. 当进入隔膜(活塞)上方控制室内的压力介质不能排到大气或下游低压区时,作用在隔膜(活塞)上方的压力值大于下方的压力值,管路中的介质将主阀阀盘压到完全关闭的位置。
3. 当隔膜(活塞)上方控制室内的压力值处于人口压力与出口压力之间时,主阀阀盘处于调节状态,其调节位置取决于附设管路系统中针阀和可调导阀的联合控制作用。
可调导阀可以通过下游的出口压力并随它的变化而自动调节其自身阀口的开度,从而改变隔膜(活塞)上方控制室的压力值,控制主阀阀盘的调节位置。
此外,止回阀H44H-10C的工作原理是:正向介质流过止回阀时,活塞被
正向流体压住,此时阀门处于开放状态;当流体反向流动时,阻力会使活塞
向下移动,并且阀门会立即关闭,此时阀门的密封圈将阻止任何介质流经阀体,从而避免逆流。
如需更多止回阀的资料,建议请教阀门研究领域专家或阅读止回阀产品说明。
旋启式止回阀使用说明书高能阀门集团有限公司产品简介H64系列产品是我公司最新研制开发的止回阀,主要适用于石油、化工、食品、医药、轻纺、造纸、给排水、冶炼及能源系统作为单向阀使用,用来防止介质的逆流和破坏性水源。
一、特点1.体积小,重量轻,结构紧凑,维修方便。
2.缓闭装置设计新颖,结构紧凑合理,性能稳定可靠且位于管线之处,避免了污染介质。
3.运行平稳,无震动,无噪音。
4.启闭特性好,阀门开启压力≤0.03MPa。
开启迅速,关闭阀门采用可调式,快慢两阶段关闭方式,缓闭时间调节范围大,可适用不同工况要求。
二、产品符合标准1.设计制造采用BS 1868标准;2.对焊端尺寸符合ANSI B16..25的规定。
3.结构长度尺寸符合ANSI B16.10的规定。
三、工作原理:本止回阀主要是由阀体、阀板、转轴、摇臂、缓冲液压缸等组成。
本阀靠进口介质压力、推动阀板开启使介质通过,阀板通过转轴带动摇臂将缓冲液压缸中活塞杆拉到开启位置。
当介质停止流动时(如泵突然停止运行)由于阀板自重及介质倒流的作用,使阀板自动关闭,由于缓冲液压缸的作用,阀板关闭可分两阶段。
从全开位置(90°)到运行了75°为快关段,阻尼装置作用很小,75°以后阻尼作用加大,为慢关段,且慢关的时间可通过调节缓冲液压缸的溢流阀进行调整,以消除破坏性水锤(将水锤压力控制在工作压力的1.2~2.5倍之间,并控制介质倒流时,水泵倒转速不超过水泵额定转速的1.3倍).四、主要性能规范公称压力强度试验MPa密封试验MPa适用温度(℃)适用介质150LB 3.0 2.2≤425℃水、蒸气、煤气、油品、热空气、腐蚀性介质等300LB 7.5 5.5600LB 15.0 11.0五、结构简图六、主要零件材料零件名称材料阀体A216 WCB阀瓣A216 WCB+13Cr阀座A105+13Cr螺母A193 B7摇杆A216 WCB阀盖A216 WCB螺柱A194 2H垫片304+柔性石墨缠绕垫销A182 F6a吊环A181七、保管、安装、使用及维护1、阀门应存放在比较干燥的室内。
HC44R-10型旋启式缓闭防振耐蚀止回阀 使用说明书铁岭市求精阀门厂2013年2月1用途、特点及主要性能规范1.1 主要用途本系列止回阀用于在介质为水、油等液体的管道上,安装在泵出口位置,用来防止介质的逆流和破坏性的水锤。
1.2 特点:1.阀瓣轻、开启角度大、减少流阻,降低能耗。
2.配有调节阻尼油缸为水锤消除机构、设计新颖、结构合理、性能可靠。
3.运动平稳、无震动、无噪音、安全可靠。
4.耐磨损、使用寿命长。
5.适用介质有清水、污水、海水及油品等。
1.2性能规范:型 号 HC44R-10公称压力 1.0MPa适用介质 水、循环水试 验 压 力壳 体 1.5MPa密 封 1.1MPa工作压力P8 1.0MPa介质温度 (℃) ≤80℃其密封渗漏量符合GB/T 13927-2008标准A级(无渗漏)的规定。
2. 主要结构、外形及连接尺寸2.1.结构说明:本止回阀系法兰连接。
2.2本止回阀具体结构及外形尺寸详见图1、表1。
图1.HC44R-10型缓闭防振耐蚀止回阀主要结构、外形及连接尺寸图1.阀体2.阀盖3.阀体密封圈4. 阀杆5. 摇杆6.阀瓣7.阀瓣密封圈8.缓冲装置9.重锤杆 10.重锤表1 DN PN D D1 D2 b f L H B n-d 备 注 700 10 895 840 794 40 5 1448820158024-∅313工作原理:3.1阀门工作原理:当管路内介质正向流动时,借助进口压力作用,使阀瓣旋转开启,介质通过。
同时油缸内油经单向阀导通,阀瓣通过阀杆和摇杆带动平衡锤旋转,到达开启位置。
油缸内液压油产生的阻尼作用可以避免阀瓣开启过快与阀体产生撞击。
当水泵停泵,介质停止流动或逆流时,阀瓣依靠自重、重锤的辅助及逆流的作用,使阀瓣向关阀方向回落,但由于缓冲油缸内单向阀截止,腔内液压油只能通过节流口回油,因此阀瓣的回落速度取决于节流口的流速,调节节流口的过流面积,即可控制止回阀关闭的时间。
旋启式止回阀的内部结构1. 什么是旋启式止回阀?好嘞,今天咱们来聊聊旋启式止回阀,这名字听起来就高大上,但其实它就是个小家伙,专门用来控制流体的流动,防止它倒流的。
想象一下,咱们在喝水的时候,水从水龙头流出来,但要是它忽然开始往回流,那可就麻烦大了!所以,这种阀门就像是给水管装上了一个小警卫,确保水只能往一个方向流。
1.1 旋启式止回阀的工作原理这阀门的工作原理其实也不复杂,简单来说,它里边有个“瓣”,像个小门,水流一来,这门就打开,水流过去;一旦水流停止,或者想倒流了,这小门就会迅速关上,没门了,水就只能在一个方向里流动。
听起来是不是有点像保安在门口把守?“不许进,不许出!”1.2 为什么要用旋启式止回阀?你可能会问,为什么非得用旋启式的?其实这个名字里边的“旋”字,就是说它的瓣可以在一定角度上旋转,这样能够减少水流的阻力,让水流得更顺畅。
而且,相比于其他类型的止回阀,它对安装方向的要求也不那么严格,灵活性大大增强。
就像你在外面玩耍,想去哪就去哪,任性得很!2. 旋启式止回阀的内部结构哎呀,说到内部结构,那可真是个精密的“小玩意”。
打开阀门的外壳,首先映入眼帘的是一个旋转的阀瓣,这个小家伙就像个迷你风车,水流一来,它就转动,水流一走,它又乖乖闭上。
然后,阀座和阀瓣之间的密封圈可不容小觑,正是这条圈圈把水牢牢拦住,避免漏水的情况。
2.1 材料的重要性你知道吗?这个密封圈一般用的都是耐磨耐腐的材料,就像咱们日常生活中选购的厨具一样,质量得有保障。
这些材料的好坏直接影响到阀门的寿命,差一点的,没多久就得退休了,真是“前功尽弃”啊!2.2 安装与维护说到安装,旋启式止回阀可得小心翼翼。
它的位置可是有讲究的,得放在水流的方向上,安装反了,那就如同“骑虎难下”,你想让它工作都难。
平时还得定期维护,看看里面的密封圈是不是老化了,要不然万一水流逆流而上,那可就像“东窗事发”,闹出大笑话来。
3. 旋启式止回阀的应用场景这小家伙可用得广泛,真是“无处不在”。
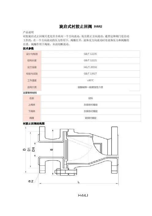
旋启式衬胶止回阀H44J
产品说明
衬胶旋启式止回阀只是允许介质向一个方向流动,而且阻止方向流动,通常这种阀门是自动工作的,在一个方向流动的压力作用下,阀瓣打开,流体反方向流动时有流体压力和阀瓣的自重,阀瓣作用于阀座,从而切断流动。
技术参数
设计与制造GB/T 12235
结构长度GB/T 12221
法兰连接HG/T 20592
检验与试验GB/T 13927
工作温度≤85℃
适用介质弱酸碱等一般腐蚀性介质
主要零件材料
名称材料
上阀体灰铸铁衬橡胶
下阀体灰铸铁衬橡胶
阀瓣碳钢衬橡胶
衬胶止回阀结构图
衬胶止回阀连接尺寸
HG/T 20592 PN10 (单位:mm)
DN L D D1Z-φB Wt( Kg) 2516011585 4 14128 4. 5 32180140100 4 181507
40200150110 4 181608
50230165125 4 1817810 65290185145 4 1820418 80310200160 4 1823024 1003502201808 1825530.5 1254002502108 1830547.5 1504802852408 2334563.5 2005003402958 2341596.5 25055039535012 23495144 30069844540012 23540224 35072050546016x23
400 820 565 515 16x25。
微阻缓闭止回阀用途与特点微阻缓闭止回阀安装在管路中,用来防止介质倒流和消除破坏性水锤,并能有效地减少阀门关闭的水锤压力,可保障管网安全运行。
它具有阀瓣轻、开度大、节电效果显著、流体阻力小、水锤消除机构设计新颖、密封性能稳定可靠、耐磨损、使用寿命长、运行平稳、无振动、无噪声等特点。
产品结构图主要零件材料零件名称材料阀体、阀盖灰铸铁、球墨铸铁、碳钢、不锈钢阀瓣不锈钢板阀杆不锈钢缓闭系统不锈钢微阻缓闭止回阀公称 通径 DN (mm )LHBD D1 n-Ød 1.0Mpa 1.6Mpa 2.5Mpa 1.0Mpa 1.6Mpa 2.5Mpa 1.0Mpa 1.6Mpa 2.5Mpa 40 230 250 220 Ø150 Ø150 Ø150 Ø110 Ø110 Ø110 4- Ø 18 4- Ø 18 4- Ø 18 50 230 270 270 Ø165 Ø165 Ø165 Ø125 Ø125 Ø125 4- Ø 18 4- Ø 18 4- Ø 18 65 290 320 270 Ø185 Ø185 Ø185 Ø145 Ø145 Ø145 4- Ø 18 4- Ø 18 8- Ø 18 80 310 350 290 Ø200 Ø200 Ø200 Ø160 Ø160 Ø160 8- Ø 18 8- Ø 18 8- Ø 18 100 350 350 290 Ø220 Ø220 Ø235 Ø180 Ø180 Ø190 8- Ø 18 8- Ø 18 8- Ø 22 125 400 380 340 Ø250 Ø250 Ø270 Ø210 Ø210 Ø220 8- Ø 18 8- Ø 18 8- Ø 26 150 480 500 410 Ø285 Ø285 Ø300 Ø240 Ø240 Ø250 8- Ø 22 8- Ø 22 8- Ø 26 200 500 580 450 Ø340 Ø340 Ø360 Ø295 Ø295 Ø310 8- Ø 22 12- Ø 22 12- Ø 26 250 600 670 550 Ø395 Ø405 Ø425 Ø350 Ø355 Ø370 12- Ø 22 12- Ø 26 12- Ø 30 300 700 730 580 Ø445 Ø460 Ø485 Ø400 Ø410 Ø430 12- Ø 22 12- Ø 26 16- Ø 30 350 800 820 630 Ø505 Ø520 Ø555 Ø460 Ø470 Ø490 16- Ø 22 16- Ø 26 16- Ø 33 400 900 920 700 Ø565 Ø580 Ø620 Ø515 Ø525 Ø550 16- Ø 26 16- Ø 30 16- Ø 36 450 1000 950 780 Ø615 Ø640 Ø670 Ø565 Ø585 Ø600 20- Ø 26 20- Ø 30 20- Ø 36 500 1100 1100 900 Ø670 Ø715 Ø730 Ø620 Ø650 Ø660 20- Ø 26 20- Ø 33 20- Ø 36600 1300 1200 950 Ø780 Ø840 Ø725 Ø770 20- Ø 30 20- Ø 36 700 1400 1550 1120 Ø895 Ø910 Ø840 Ø840 24- Ø 30 24- Ø 36 800150017001300Ø1015Ø1025Ø950Ø95024- Ø 3324- Ø 39○1水压性能(水温≤65℃) 公称压力 1.0MPa 1.6 MPa 2.5 MPa 4.0 MPa 强度试验压力 1.5 MPa 2.4 MPa 3.75 MPa 6.0 MPa 密封试验压力 1.1 MPa 1.76 MPa 2.75 MPa 4.4 MPa 工作压力 1.0 MPa1.6 MPa2.5 MPa4.0 MPa○2缓闭减低水锤性能 1、 当介质倒流时,阀瓣先速闭后缓闭,缓闭时间可在0-60秒内任意调节。
旋启式止回阀的安装使用
背景
在液体或气体流动过程中,经常需要使用到止回阀来避免回流,防止损坏设备
或管道。
旋启式止回阀是一种比较常用的止回阀,安装简单方便,使用寿命较长。
本文将介绍旋启式止回阀的安装和使用方法。
安装
旋启式止回阀的安装非常简单,只需按照以下步骤进行即可:
1.在管道中选择合适的位置进行切割,保证管道口径和止回阀口径一致,
并且保证切口平整。
2.将止回阀的法兰与管道的法兰对接紧固,注意不要过紧,以免损坏阀
门。
3.安装完毕后,使用手动旋钮进行测试,确认阀门能够正常开启和关闭。
使用
旋启式止回阀的使用非常简单,只需将阀门旋紧即可实现止回功能。
以下是一
些需要注意的细节:
1.在阀门关闭状态下,要特别注意不要把管道内压力释放,这样会导致
管道内的液体或气体逆流进入管道,导致设备或管道损坏。
2.如果需要经常检修或更换阀门,可以在管道的调节处增加一个闸阀,
这样方便未来的操作。
3.长时间不使用该阀门,要注意定期进行检查和维护,以免阀门故障导
致设备或管道的损坏。
结论
旋启式止回阀是一种性能稳定、使用寿命长的止回阀,安装和使用非常简单方便。
在选择该种阀门时,要保证选购正规生产厂家的产品,同时请遵循以上安装使用要点,确保该阀门在使用中正常工作,减少设备或管道的损坏。
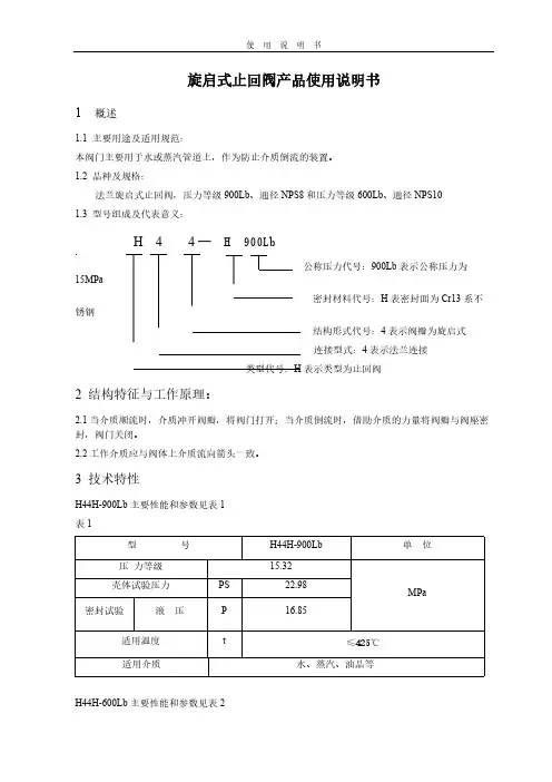
旋启式止回阀产品使用说明书1 概述1.1 主要用途及适用规范:本阀门主要用于水或蒸汽管道上,作为防止介质倒流的装置。
1.2 品种及规格:法兰旋启式止回阀,压力等级900Lb、通径NPS8和压力等级600Lb、通径NPS101.3 型号组成及代表意义:H 4 4 — H 900Lb公称压力代号:900Lb表示公称压力为15MPa密封材料代号:H表密封面为Cr13系不锈钢结构形式代号:4表示阀瓣为旋启式连接型式:4表示法兰连接类型代号:H表示类型为止回阀2 结构特征与工作原理:2.1当介质顺流时,介质冲开阀瓣,将阀门打开;当介质倒流时,借助介质的力量将阀瓣与阀座密封,阀门关闭。
2.2工作介质应与阀体上介质流向箭头一致。
3 技术特性H44H-900Lb主要性能和参数见表1表1H44H-600Lb主要性能和参数见表2表24 主要外形尺寸和连接尺寸见图一和图二。
5 主要零件的材料8”H44H-900Lb的主要零件材料见表3表3表46 保管、使用和安装6.1本阀门通道两端须堵密封盖,存放有干燥通风的室内。
长期存放,应经常检查,防止锈蚀6.2安装前,应将阀门清洗干净,并消除在运输过程中可能造成的缺陷。
6.3安装前,必须仔细核对阀门上的标志和铭牌是否符合使用要求。
6.4本阀门应安装在水平或垂直管道上的直立或侧卧位置,并便于检修和操作。
6.5本阀门在运行时应全开或全闭,不能作节流用,以免密封面受冲刷而加速磨损。
7 故障分析与排除方法见表3表3图一8”H44H-900Lb样图图二10”H44H-600Lb样图。
止回阀技术说明止回阀的工作原理和特性:止回阀的功能是控制管道内介质单向流向的阀门,用来防止管路中的介质倒流。
靠管路中介质本身的流动产生的力而自动开启和关闭的,属于一种自动阀门。
用于管路系统,其主要作用是防止介质倒流、防止泵及其驱动电机机反转,以及容器内介质的泄放。
止回阀属于自动阀类,启闭件靠流动介质的力量自行开启或关闭.止回阀只用于介质单向流动的管路上,阻止介质回流,以防发生事故。
主要用于石油、化工、制药、化肥、电力等管路上.旋启式止回阀的阀瓣绕转轴作旋转运动.其流体阻力一般小于升降式止回阀,它适用于较大口径的场合.旋启式止回阀根据阀瓣的数目可分为单瓣旋启式、双瓣旋启式及多瓣旋启式三种。
单瓣旋启式止回阀一般适用于中等口径的场合。
大口径管路选用单瓣旋启式止回阀时,为减少水锤压力,最好采用能减小水锤压力的缓闭止回阀。
双瓣旋启式止回阀适用于大中口径管路.对夹双瓣旋启式止回阀结构小、重量轻,是一种发展较快的止回阀;多瓣旋启式止回阀适用于大口径管路。
采用内装摇臂旋启式结构,阀门的所有启闭件都装于阀体内部,不穿透阀体,除了中法兰部位用密封垫片或密封环密封外,整体没有外漏点,杜绝了阀门外泄的可能。
旋启式止回阀摇臂和阀瓣连接处采用球面连接的结构,使得阀瓣在360℃范围内有一定的自由度,有适当的微量位置补偿。
旋启式止回阀密封副的密封面堆焊合金钢(13Cr)或硬质合金Stellite6,即使用在有细颗粒的介质中并不会因冲蚀而很快磨损。
性能特点及工作原理:性能特点该产品应用于石油、化工、电力、冶金、制药、城建等行业管道上,用来接通或截断管路中介质.工作原理2。
1本阀由阀体、阀盖、阀瓣、摇杆、销轴、螺栓、螺母、垫片等组成。
2.2止回阀的阀瓣在流体压力作用下开启,流体从进口侧流向出口侧,当进口侧压力低于出口侧时,阀瓣在流体压差、本身重力等因素作用下自动关闭以防止流体倒流.结构特点我厂该系列产品采用旋启式结构,具有结构比较简单,制造与维修较方便,铸造工艺性较好,动作可靠,启闭时间短,阀门高度小,密封可靠等优点。
产品简介
H44系列产品是我公司最新研制开发的止回阀,主要适用于石油、化工、食品、医药、轻纺、造纸、
给排水、冶炼及能源系统作为单向阀使用,用来防止介质的逆流和破坏性水源。
特点
1.体积小,重量轻,结构紧凑,维修方便。
2.缓闭装置设计新颖,结构紧凑合理,性能稳定可靠且位于管线之处,避免了污染介质。
3.运行平稳,无震动,无噪音。
4.启闭特性好,阀门开启压力≤0.03MPa。
开启迅速,关闭阀门采用可调式,快慢两阶段关闭方式,缓闭时间调节范围大,可适用不同工况要求。
产品符合标准
1.设计制造采用GB/T12235-89标准;
2.法兰连接尺寸符合机械部的规定。
3.结构长度尺寸符合GB12221-2005《法兰连接金属阀门结构长度》规定。
工作原理:
本止回阀主要是由阀体、阀板、转轴、摇臂、缓冲液压缸等组成。
本阀靠进口介质压力、推动阀板开启使介质通过,阀板通过转轴带动摇臂将缓冲液压缸中活塞杆拉到开启位置。
当介质停止流动时(如泵突然停止运行)由于阀板自重及介质倒流的作用,使阀板自动关闭,由于缓冲液压缸的作用,阀板关闭可分两阶段。
从全开位置(90°)到运行了75°为快关段,阻尼装置作用很小,75°以后阻尼作用加大,为慢关段,且慢关的时间可通过调节缓冲液压缸的溢流阀进行调整,以消除破坏性水锤(将水锤压力控制在工作压力的1.2~2.5倍之间,并控制介质倒流时,水泵倒转速不超过水泵额定转速的1.3倍).
主要性能规范
结构简图。
1、用途和性能规范
1.1用途
a、本产品主要用于气体、液体介质管路上作启闭器,能自动阻止流体倒流。
b、适用范围:化工、石油、冶金、造纸、制药等行业。
2、采用标准
2.1设计制造按GB12236的规定;
2.2检验和试验按API598的规定;
2.3法兰尺寸按JB79的规定;
2.4结构长度按GB12221的规定;
2.5阀门压力-温度基准按GB9131的规定。
3、结构特点和使用原理
3.1结构及主要外形尺寸参见简图
3.2本阀是能自动阻止流体倒流的阀门,其阀瓣在流体压力作用下绕转轴作旋转运动,实现开启,流体从进口侧流向出口侧,当进口侧压力低于出口侧时,阀瓣在流体压差、本身自重等因素作用下自动关闭,以防流体倒流。
3.3本阀密封面为5°斜面, 阀瓣的自重能增加密封力。
3.4本阀门采用螺纹连接可换式阀座,工艺简单、维修方便。
3.5密封面焊有耐磨材料,增加密封性能,提高使用寿命。
5、保管、安装、使用、检查
5.1保管
a.本阀须保管存放在干燥、通风的室内。
b.本阀保管存放期闸,阀瓣应处于关闭位置并固定,两端法兰应封闭。
c.本阀存放期间,机加工表面应用容易清除的防锈剂涂覆。
d.长期存放的阀门应定期检查,及时防护。
5.2安装
a.本阀安装位置不受限制,通常安装于水平管路,也可以安装于垂直管路或倾斜管路,但要便于检修。
b.安装前,必须仔细核对阀门标志和铭牌是否与工况要求相符。
c.安装时应检查内腔,除去阀瓣固定装置,试转阀瓣检查密封面,并清洗。
d.起吊本阀前,应检查吊环螺钉是否己拧紧。
e.安装本阀时,要特别注意介质流向,应使介质正常流动方向与阀体上箭头指示方向一致,否则会
截断介质的正常流向。
f.安装时,应均匀对称拧紧连接螺栓。
5.3使用
a.本阀的使用工况必须与铭牌和使用说明书的规定相符。
b.本阀关闭时,会在管路中产生水锤压力,严重时会导致阀门损坏,因此使用者必须定期检查,发现
问题及时修理。
5.4检查
1.阀门在使用期间应定期检查如下项目发现问题及时修理。
a.紧固件是否出现松动。
b.密封面是否被损坏或严重磨损(停车检修)。
c.阀座与阀体连接处是否出现渗漏(停车检修)。
d.阀瓣旋转是否自如,有无阻隔现象(停车检修)。
e.壳体是否被严更腐蚀或磨损导致壳体明显变薄,甚至出现渗漏或裂纹等,须报废(停车检修)。
f.阀门检修装配后,必须按相应标准进行压力试验,每次检修装配后应做好情况记录,以备考察。
7、注意事项
7.1阀门材料的选用及其使用中变质的可能性和必要的定期检查由用户负责考虑。
7.2本阀门设计只考虑一般工况,如有特殊要求,须在合同中注明。
7.3本阀门设计只考虑轻微腐蚀,对于有严重或特殊腐蚀的场合,本阀不适用。
7.4阀门工作温度不得超过第1.2条表中的规定,超过(含瞬时)此范围引起的后果完全是用户的责任。
7.5相应温度下阀门最大工作压力不得超过第1.2条表中的规定,超过(含瞬时)此范围或使用与温度不相应的公称压力值引起的后果完全是用户的责任。
7.6本阀适用的介质列于第l.2条表中,超出此范围引起的后果完全是用户的责任。
7.7阀门工作过程中的体表温度可能引起人体接触烫伤,用户必须在相应部位设置警示标志。
7.8阀门运行过程中不得焊接修理和表面涂漆。
7.9阀门在受压状态下不得拆卸。
7.10阀门在修理中需按第4条表中材料匹配。
7.11本阀壁厚设计时虽考虑了附加裕量和安全系数,但此类阀门关闭会发生较大的水锤压为,用户在选用和使用时要注意。
7.12本阀门设计未进行寿命计算、试验及疲劳强度校核,用户在使用中必须定期检查、更换。
7.13本阀门设计未考虑地震载荷,由此引起的后果,制造厂概不负责。
8、阀门外型图:。