止回阀参数详细说明
- 格式:docx
- 大小:26.49 KB
- 文档页数:7
1.范围本说明书包括了公称通径DN15mm~600mm(1/2”~24”)、公称压力PN1.6MPa~16MPa(ANSI CLASS150~900)螺纹端、法兰端、对焊端和承插焊端连接的旋启式、升降式止回阀。
2.用途2.1本阀用于管道或装置中,防止介质倒流。
2.2根据介质选用阀门的材质。
2.2.1碳钢阀门适用于水、蒸汽、油品等介质。
2.2.2不锈钢阀门适用于腐蚀性介质。
2.3适用温度:2.3.1普通碳钢阀门适用温度为-29℃~+425℃2.3.2合金钢阀门适用温度≤550℃2.3.3不锈钢阀门适用温度为-196℃~+200℃3.结构3.1止回阀基本结构见图13.2易损件垫片采用聚四氟乙烯或柔性石墨,密封可靠。
4.工作原理止回阀依靠介质本身的流动而自动开、闭阀瓣,防止介质倒流。
5.保管、保养、安装和使用5.1阀门应存放在干燥,通风的室内,阀门通道两端应堵塞。
5.2长期存放的阀门应定期检查,清除污物。
应特别注意密封面的清洁,防密封面的损坏。
5.3安装前应仔细核对阀门标志是否与使用要求相符。
5.4安装前应检查阀门内腔和密封面,如有污垢,应使用清洁布擦拭干净。
5.5安装前应注意阀门上流向标记与介质流动方向一致。
5.6。
升降式垂直瓣止回阀应安装在垂直管道上,升降式水平瓣止回阀和旋启式止回阀应安装在水平管道上。
5.7使用中应注意阀门是否有异常声音和振动,为防止在管路中产生水锤效应,应注意管路介质压力波动情况。
6.可能发生的故障、原因及消除方法见表1-1-7.保修制造厂对阀门投入使用一年内负责保修,但不超过发货期18个月。
在保修期内,因产品质量原因均可免费修理或更换零件。
a.法兰连接旋启式止回阀b.法兰连接升降式止回阀-2-。
止回阀操作说明书止回阀也称作逆止阀或单向阀,用来防止管路中的介质倒流。
它属于自动阀门,其启闭动作是依靠管路内介质本身的能量来驱动的,无需外力。
一、技术参数压力等级1500Lb规格6"工作温度-29℃~425℃适用介质水、油品三、结构和主要材料1.结构止回阀主要由阀体、阀盖、阀瓣、摇臂、阀座等组成,见旋启式止回阀结构示意图。
止回阀分成升降式和旋启式两大类,API 6D中仅包括旋启式止回阀,其关闭件是阀瓣,它有一个、两上或多个,分别称作单瓣旋启式止回阀、双瓣旋启式止回阀和多瓣旋启式止回阀。
阀瓣呈圆盘(或半圆盘)状,它通过摇臂可绕位于阀内通道上方的销轴旋转而启闭。
按其连接方式,止回阀分成对夹式和法兰连接两种,对夹式又有单瓣对夹式和双瓣对夹式之分。
本阀门属单瓣旋启式止回阀,法兰连接。
2.主要材料四、特点1.旋启式止回阀流体阻力较小2.阀内通道介质流动方向受到限制3.低压状态下,密封性能受到影响五、选用与安装1选用主要考虑使用工况和操作要求:止回阀的品种和规格很多,应按使用工况(如工作介质,操作压力,操作温度,管路通径等)以及安装操作要求(如连接方式)来选用适当的止回阀。
1.1 材料选用:A105、WCB主要适用于非腐蚀性介质。
如油、气、水等。
304、CF8主要适用于硝酸类介质。
316、CF8M主要适用于醋酸类介质。
1.2 根据温度选用ASME B16.34规定了ASTM各种材料的压力温度等级,该标准详细地规定了各种压力等级,不同壳体材料在各种操作温度下的最大工作压力(表压),它是设计和选用阀门的主要基准之一。
因而,选用止回阀时必须由操作压力和操作温度按压力温度等级(ASME B16.34)来确定所选用止回阀的材料(指壳体)和压力等级(指公称压力)。
如果操作温度、压力超负荷运行,可能导致阀门损坏。
选用阀门时应充分考虑各种工况条件,避免阀门超负荷运行。
1.3 操作温度过高或过低时,为防止烫伤或冻伤操作人员和温度损失,应在壳体上加保温层。
ML/JS24-2004 旋启式止回阀使用说明书 1/31.用途和性能规范:本阀门系API 6D常规型旋启式止回阀,适用于温度为 -20℉~ 800℉的水、蒸汽、油品其它非腐蚀介质的长输管线上,用来截断或接通介质流体介质。
其性能规范如下:2.工作原理和结构说明2.1本阀门系常规旋启式止回阀,装置在水平管线上,依靠介质本身的流动而自动开闭阀瓣,用于防止介质倒流。
2.2本阀门结构长度按API 6D规定,端法兰按ASME B16.5规定。
2.3中头垫片使用304 SS+柔性石墨垫片。
2.4本阀门的基本结构按照API6D常规型旋启式止回阀规定。
2.5本阀门公称通径:6"3.主要零件材料:ML/JS24-2004 旋启式止回阀使用说明书 2/3 4 阀门的流量系数验算:4保管、保养、按装调试、使用及维修4.1保管保养4.1.1本阀门应存放在干燥、通风的室内,阀门两端应封堵。
4.1.2存放的阀门应定期检查,清除污垢,并在加工面上涂防锈油。
4.1.3按装后,应定期进行检修。
4.1.4检修装配后,应进封试验,并作详细记录,以备查考。
4.2按装调试4.2.1按装前,仔细检查本阀门标志是否与使用要求相符。
4.2.2按装前,应检查阀门内腔和密封面,不允许有污垢附着。
4.2.3阀门按装或拆卸其所需空间应予考虑。
4.2.4在阀门按装于配管时,为防止阀瓣受配管的铁锈或其它物质的损坏,阀门应处于全开为位置。
4.2.5阀门在长期存放后,在使用前应进行操作试验。
4.2.6阀门按装后,应检查联接螺栓是否均匀拧紧。
4.3使用4.3.1在使用中,要求阀瓣将全开或全闭,不允许将闸板部分开启作调节流量用,否则在介质较高流速时,易损坏密封面。
4.3.2开启或关闭阀门时,应用手轮,不得借助杠杆或其它工具。
4.4维修ML/JS24-2004 旋启式止回阀使用说明书 3/3。
止回阀技术参数一、引言止回阀是一种常用的工业设备,用于控制流体在管道中的单向流动。
它通过阻止流体倒流,起到保护管道和设备的作用。
本文将从止回阀的定义、分类、工作原理和常见技术参数等方面进行详细介绍。
二、定义止回阀,又称非返回阀、反流阀,是一种用于阻止流体倒流的装置。
它通常安装在管道的出口或设备的进出口处,能够确保流体只能沿一个方向流动,防止倒流对设备和管道造成损害。
三、分类根据止回阀的结构和工作原理,可以将其分为以下几类:1. 按结构分类•单向止回阀:只有一个进口和一个出口,适用于管道中的单向流动。
•双向止回阀:具有两个进口和一个出口,能够阻止流体在两个方向上的倒流。
2. 按工作原理分类•重力式止回阀:利用阀瓣自身重量和流体压力的作用,使阀瓣关闭,阻止流体倒流。
•弹簧式止回阀:通过弹簧的弹性力量,使阀瓣关闭,阻止流体倒流。
•气动式止回阀:通过气动装置控制阀瓣的开闭,实现流体的单向流动。
•液动式止回阀:通过液动装置控制阀瓣的开闭,实现流体的单向流动。
四、工作原理止回阀的工作原理基于流体动力学和力学原理。
当流体在管道中流动时,如果流动方向与止回阀的进口到出口方向相反,流体的压力将推开阀瓣,使其关闭,阻止流体倒流。
相反,如果流动方向与止回阀的进口到出口方向一致,流体的压力将使阀瓣开启,流体可以顺利通过。
五、技术参数选择合适的止回阀需要考虑多个技术参数,下面是常见的几个参数:1. 阀体材料止回阀的阀体通常使用铸铁、碳钢、不锈钢等材料制成。
根据介质的性质和工作环境的要求,选择合适的阀体材料非常重要。
2. 阀门公称通径阀门公称通径是指止回阀进口和出口的直径,通常使用英寸或毫米表示。
根据管道的尺寸和流量要求,选择适当的阀门公称通径可以保证流体的正常流动。
3. 最大工作压力最大工作压力是指止回阀能够承受的最大压力,通常使用兆帕或磅力/平方英寸表示。
根据工作环境的要求和管道的压力,选择能够满足最大工作压力要求的止回阀。
真空止回阀参数真空止回阀是一种用于管道系统中的重要阀门,它具有防止介质倒流,保证系统安全运行的作用。
真空止回阀参数包括结构特点、技术指标、安装要求、使用注意事项等,以下将针对这些参数进行详细介绍。
一、结构特点真空止回阀主要由阀体、阀盖、阀瓣、阀座、弹簧等部件组成。
阀体一般采用铸铁、铸钢等材质,阀体的内部表面经过精密磨削,以确保密封性能。
阀盖和阀瓣通常采用不锈钢材质,具有较好的耐腐蚀性能。
阀座采用橡胶制成,有较好的密封性能。
整个结构设计合理,制造工艺先进,能够在真空管道系统中可靠地使用。
二、技术指标1. 额定压力:真空止回阀的额定压力一般为10-16bar,选用时需要根据实际工况确定合适的额定压力规格。
2. 尺寸范围:真空止回阀的尺寸范围较为广泛,一般可以满足DN50-DN1000的管道需求,用户可根据具体管道尺寸选择合适的阀门规格。
3. 密封性能:真空止回阀的密封性能直接关系到管道介质的安全运行,其密封等级一般为VI级,能够满足高要求的密封性能。
三、安装要求1. 安装位置:真空止回阀应安装在管道系统的上游,以确保管道系统的正常运行和介质的安全传输。
2. 安装方法:在安装时应注意保持阀门和管道的轴线一致,确保阀门能够正常开启和关闭,同时要严格按照阀门说明书进行安装,避免出现安装不当而影响阀门使用寿命和性能。
四、使用注意事项1. 操作规范:在使用过程中,应根据阀门说明书正确操作,避免过度用力或不当操作导致阀门损坏或失效。
2. 定期维护:定期对真空止回阀进行维护保养,包括清洗阀门表面、检查密封件状态、保证弹簧的弹性等,以确保阀门的正常使用寿命。
3. 阀门保温:在冬季寒冷地区,要注意做好真空止回阀的保温工作,以防止阀门被冻结影响正常使用。
真空止回阀参数是关于该阀门的结构特点、技术指标、安装要求和使用注意事项等方面的详细介绍。
了解并严格遵守这些参数,能够有效保证真空止回阀在管道系统中的安全运行和稳定性能,确保介质的正常传输,为工业生产提供了可靠的保障。
截止止回阀标准
摘要:
一、截止止回阀的概述
二、截止止回阀的分类及特点
三、截止止回阀的主要性能参数
四、截止止回阀的选用与安装
五、截止止回阀在我国的应用及发展前景
正文:
截止止回阀是一种用于管道系统中防止介质倒流的阀门,具有重要的实用价值。
本文将对其进行详细介绍。
首先,截止止回阀根据结构和工作原理可分为升降式、旋启式、双瓣式等多种类型。
各类截止止回阀具有不同的特点,如升降式阀门启闭过程中,阀瓣与阀座之间无摩擦;旋启式阀门适用于大口径、高压工况等。
其次,截止止回阀的主要性能参数包括公称压力、工作温度、阀体材质等。
这些参数在选择截止止回阀时需要综合考虑,确保阀门在实际应用中能够正常工作。
在选择截止止回阀时,还需要考虑阀门的安装位置、介质的性质等因素。
正确的安装方式有助于提高阀门的性能和使用寿命。
此外,在安装过程中,要注意避免阀门受到不正当的力,以免损坏阀门。
在我国,截止止回阀在石油、化工、冶金、水利等领域得到了广泛应用,有效防止了介质的倒流,保障了管道系统的安全稳定运行。
随着我国经济的持
续发展,对截止止回阀的需求也在不断增加,为其发展提供了广阔的市场空间。
总之,截止止回阀在工程实践中具有重要意义。
多功能止回阀技术说明
1、规格清单
2、主要技术描述
1)多功能止回阀主阀体采用Y型膜片式结构,密封副为非金属密封,与管道的
连接形式为法兰连接,法兰连接尺寸按国家标准执行。
2)多功能止回阀由阀体、阀盖、隔离盘、中心轴、导向套、铜套、大(小)阀
座、大(小)阀瓣、膜片、膜片压板和控制管路等主要零部件组成。
3)多功能止回阀应保证阀门能与水泵联锁,可实现离心水泵的闭阀启动功能。
4)★多功能止回阀应具有水力自动控制、启泵时缓开、停泵时先快闭后缓闭的
特点,缓开时间应能在3~30S内进行调整,缓闭时间应能在3~120S内进行调整。
5)多功能止回阀应有水泵出口处水锤消除器、截止阀、止回阀三种产品的功能。
6)多功能止回阀密封效果良好,保证阀门泄漏量为零泄漏,密封试验按国家标
准执行。
7)★多功能止回阀阀体采用Y形流线型结构,结构合理。
8)★多功能止回阀应结构合理、强度高,在全开状态下应保证流道完全畅通,
压力损失小于0.05Mpa,主阀最小开启压力应不大于0.05Mpa。
9)流量控制阀应启闭动作流畅,中心轴上下运动灵活、无任何卡阻现象。
10)控制管路应有防止水中杂质进入控制管路的措施,其控制管路也应有防止杂
物堵塞的措施。
11)多功能止回阀应保证阀门能够不从管线上拆卸下来,即可在管线上打开阀盖
进行维修。
12)多功能止回阀的关键部件膜片,应采用进口、具有立体网状结构的尼龙强化
橡胶。
13)铸件采用先进的铸造工艺铸造,应有良好的表面涂漆,涂漆方式采用烤漆,
涂漆颜色由买方确定。
3、★主要零部件材料。
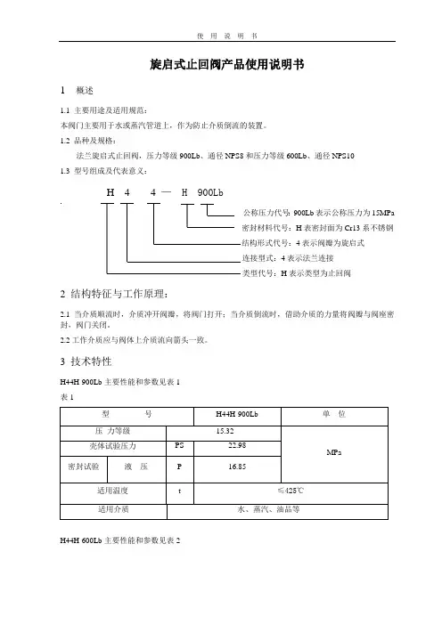
旋启式止回阀产品使用说明书1 概述1.1 主要用途及适用规范:本阀门主要用于水或蒸汽管道上,作为防止介质倒流的装置。
1.2 品种及规格:法兰旋启式止回阀,压力等级900Lb、通径NPS8和压力等级600Lb、通径NPS101.3 型号组成及代表意义:H 4 4 — H 900Lb公称压力代号:900Lb表示公称压力为15MPa密封材料代号:H表密封面为Cr13系不锈钢结构形式代号:4表示阀瓣为旋启式连接型式:4表示法兰连接类型代号:H表示类型为止回阀2 结构特征与工作原理:2.1当介质顺流时,介质冲开阀瓣,将阀门打开;当介质倒流时,借助介质的力量将阀瓣与阀座密封,阀门关闭。
2.2工作介质应与阀体上介质流向箭头一致。
3 技术特性H44H-900Lb主要性能和参数见表1表1H44H-600Lb主要性能和参数见表2表24 主要外形尺寸和连接尺寸见图一和图二。
5 主要零件的材料8”H44H-900Lb的主要零件材料见表3表3表46 保管、使用和安装6.1本阀门通道两端须堵密封盖,存放有干燥通风的室内。
长期存放,应经常检查,防止锈蚀6.2安装前,应将阀门清洗干净,并消除在运输过程中可能造成的缺陷。
6.3安装前,必须仔细核对阀门上的标志和铭牌是否符合使用要求。
6.4本阀门应安装在水平或垂直管道上的直立或侧卧位置,并便于检修和操作。
6.5本阀门在运行时应全开或全闭,不能作节流用,以免密封面受冲刷而加速磨损。
7 故障分析与排除方法见表3表3图一8”H44H-900Lb样图图二10”H44H-600Lb样图。
止回阀技术说明我公司提供的止回阀满足设计的结构形式,我公司提供止回阀安装用的所有配套附件。
我公司提供止回阀安装用的所有连接螺栓、螺母及垫圈,所提供的紧固件采用ASTM321不锈钢。
我公司提供的止回阀规格、数量、连接长度尺寸等满足清单要求。
1、结构与形式我公司提供的止回阀适合介质为城市污水处理厂的雨水或污水,环境温度为0~40℃。
止回阀安装于水泵出水口处或水平管线中,止回阀的阀瓣在流体压力作用下开启,流体从进口侧流向出口侧。
当进口侧低于出口侧时,阀瓣在流体压力及自身重力等因素作用下自动关闭以防止流体倒流。
止回阀采用双法兰连接,阀体、阀盖采用GGG50球墨铸铁须经防腐处理,阀辨采用GGG50球墨铸铁材料和强化尼龙布衬底硫化包覆NBR橡胶制造,采用全流面积式设计,不易堆积杂质。
阀体有足够的强度,安装后不变形,能灵活开闭。
阀瓣的设计符合流体力学性质,具有较小的水流阻力,并在启闭时有效的降低噪音和气蚀。
止回阀的密封面采用ASTM329不锈钢材料制造,阀门的密封性能好,耐磨耐腐蚀,使用寿命长。
止回阀在进口端介质压力作用下,阀瓣自动开启到位,当停泵或介质停止流动时,阀瓣在自重和回水压力下,迅速关闭,以防止介质大量倒流。
止回阀二侧的法兰尺寸按GB12380-90标准,公称压力P=1MPa。
阀门两端法兰螺栓孔的不同心度没大于螺栓与螺栓孔间隙的1/2,螺栓孔中心圆直径的允许偏差和相邻两孔间的弦距离的允许偏差为螺栓与螺栓孔间隙的1/4,任何连续几个孔之间的弦距离的总误差为:DN≤500mm时不超过±1.5mm;600mm≤DN≤1200mm时不超过±2.0mm;DN≥1400mm时不超过±2.5mm。
阀门的所有铸铁件内腔进行防腐处理,除锈等级达到Sa1/2等级要求,最后在所有流道的过流内腔进行重防腐处理,以提高其耐腐蚀性能。
所有涂覆材料干后不溶解于水,不影响水质,且不因空气、温度变化而发生异状。
蝶式缓闭止回阀说明书
本厂生产的HH47X/H型蝶式缓冲止回阀,主要用于工业供水、污水处理厂的水泵出口处防止管网中介质逆流。
自动消除破坏性水锤,从而保证水泵和管路不受损坏。
该阀主要由阀阀瓣、缓冲装置和微量调节阀组成。
该产品具有结构新颖、体积小、流体阻力小、运行平稳、密封可靠、耐磨损、缓冲性能好等特点,是工业用水和城市排污的最佳产品。
技术参数
公称压力:1.0MPa~2.5MPa
公称通经:40~1400mm
适用介质:水、油品、海水、污水
使用温度:0~80℃(如需要,可达200℃)
法兰标准:GB/T 17241.6 GB/T9113
试验标准:GB/T13927 API598
典型安装示意图
主要零部件参数主要外形连接尺寸。
微阻缓闭止回阀参数
微阻缓闭止回阀是一种用于管道系统中的流量调节和控制的装置。
该阀门设计具有特殊的结构,能够有效地控制介质的流量和压力。
以下是微阻缓闭止回阀的主要参数:
1. 阀门口径:微阻缓闭止回阀的口径范围一般为DN15-DN1000,根据使用场合和介质的流量选择合适的口径。
2. 阀门压力等级:阀门的压力等级一般为PN10、PN16、PN25、PN40等,根据介质的压力和管道系统的要求选择合适的压力等级。
3. 阀门材质:微阻缓闭止回阀的材质通常有铸铁、钢材、不锈钢等,根据介质的性质和管道系统的要求选择合适的材质。
4. 阀门密封方式:微阻缓闭止回阀的密封方式通常有软密封和金属密封两种,根据介质的性质和管道系统的要求选择合适的密封方式。
5. 阀门操作方式:微阻缓闭止回阀的操作方式一般有手动、气动、电动等多种方式,根据使用场合和要求选择合适的操作方式。
6. 阀门特殊要求:根据使用场合和介质的性质,可能需要微阻缓闭止回阀具备防腐、防爆、耐高温等特殊要求,需要根据实际情况进行选择。
以上是微阻缓闭止回阀的主要参数,选择合适的阀门参数能够有效地提高管道系统的稳定性和安全性。
- 1 -。
⽌回阀操作说明书H41(W)升降式⽌回阀升降式⽌回阀也称作逆⽌阀或单向阀,是⼀种阀瓣沿着阀体垂直中⼼线移动的⽌回阀。
其主要⽬的⽤来防⽌管路中的介质倒流。
升降式⽌回阀依靠管路内介质本⾝的流动⽽使阀瓣处于开启或关闭状态。
1 主要特点1.1升降式⽌回阀流体阻⼒较⼤;1.2只适于⽔平安装;1.3阀瓣启闭时间短;1.4采⽤不同的主体材料,可⽤于⽔、蒸汽、油品等⾮腐蚀性介质和酸类等腐蚀性介质;从⽽使其可⼴泛⽤于⽯油、化⼯、电⼒、热⼒、冶⾦、城建等系统的管道上,防⽌介质倒流,保护管道上重要的设备;1.5根据不同的使⽤温度及介质,可选⽤铜、橡胶、合⾦钢、硬质合⾦等不同的密封⾯。
2 执⾏标准设计及制造: GB12235-1989结构长度: GB12221-1989法兰连接尺⼨: GB9113 JB79 HG20592 HG20615 SH3406压⼒—温度等级: GB9131试验和检验标准: GB/T 13927 JB/T90923 主要性能规范3.1压⼒试验3.2适⽤范围常见型号及适⽤范围见下表:4 结构形式及主要材料结构见下图:4.1升降式⽌回阀结构升降式⽌回阀主要由阀体、阀盖、阀瓣、螺母、螺柱等组成,见升降式⽌回阀结构⽰意图。
其关闭件是阀瓣,阀瓣呈圆盘状,它通过阀盖上的导向套沿垂直阀体中⼼线上下移动⽽使⽌回阀处于关闭或开启状态,其连接⽅式为法兰连接。
4.2升降式⽌回阀主要材料H41X-Z型H41T-Z型H41W-Z型H41H-C型H41Y-I型H41W-P型H41W-R型5 升降式⽌回阀的安装5.1出⼚前,⽌回阀已按相关标准进⾏了检验和各项性能试验达到了标准要求,并清除了阀腔内外的油污和杂物,⽤封头封堵了⽌回阀的进出⼝通道。
5.2 安装前,应取下进出⼝两端封头,认真检查阀内腔及阀瓣、阀体密封圈等内件是否有污物附着,擦洗阀瓣和阀体两密封⾯。
应检查各连接部位的螺栓、螺母是否在运输和存放过程中产⽣松动,如发现应均匀拧紧。
编号:XXXXXXXXX 产品使用阐明书
名称:立式止回阀
规格:DN32~200mm
压力:PN1.6~4.0Mpa
一、重要特点及用途
立式止回阀严格按 GB/T 12235 原则设计制造,阀瓣沿着中心定位作升降运动 , 衬套采用耐磨性能好,摩擦系数小旳特殊材料制作,动作灵活可靠 . 密封性能优良。
产品广泛应用于石油、化工、制药、电力行业等多种工况旳管路上。
二、技术规范
1、公称压力:PN1.6~4.0MPa
2、公称通径:DN32-200mm
三、采用原则
1、设计原则:GB/T 12235-1989
2、检查和实验原则:JB/T 9092-1999
3、构造长度:GB/T 12221-1989
4、法兰连接尺寸:JB/T79-1994
四、重要零件材料、合用介质和温度
五、重要连接尺寸
六、保管、安装、使用及维护
1、阀门应寄存在比较干燥旳室内。
2、长期寄存旳阀门要定期检查两端旳盖板与否完好、清除灰尘及污垢,并在阀门加工面涂防锈油,以防锈蚀。
3、安装前一方面要核对阀门旳标志,以拟定该阀门与否符合规定,然后卸掉两端盖板,将阀门清洗干净。
4、关闭时,只要将介质截断即可。
七、也许发生故障及排除措施
八、安全操作:
在系统泄压后,方可松动和调节阀盖与阀体旳连接螺栓,以及侧法
兰与管路旳连接螺栓。
止回阀规格型号及外形尺寸一、产品概述止回阀是一种用于防止介质倒流的安全阀,也称为反向阀或倒流阀。
它通常安装在管道系统中,在介质正常流动时允许通过,而在介质反向流动时则能及时关闭,保证系统的正常运行。
二、产品分类1. 根据结构形式分类:弹簧式止回阀、重锤式止回阀、卡箍式止回阀等。
2. 根据安装方式分类:法兰连接式止回阀、螺纹连接式止回阀、焊接连接式止回阀等。
3. 根据材料分类:铸铁止回阀、不锈钢止回阀、铜制止回阀等。
三、主要技术参数1. 公称通径(DN):15-2000mm2. 公称压力(PN):0.6-42MPa3. 适用温度:-196℃~+570℃4. 适用介质:水、蒸汽、油品及其它非腐蚀性介质。
四、外形尺寸1. 弹簧式止回阀:公称通径 DN L H D D1 D2 b z-φd15 130 70 95 65 45 14 4-φ1420 150 80 105 75 55 16 4-φ1425 160 95 115 85 65 16 4-φ1432 180 105 135 100 78 18 4-φ1840 200 115 145 110/100*1)2)3)4)5)6)7)8)9)/85*10)11)12)13)14)15)16)17)18)19)20)/78*21)/65*22)/55*23)/50*24)/45*25)/40*26)/35*27)/30*28)*1.0MPa, *2.1.6MPa, *3.2.5MPa, *4.4.0MPa, *5.6.4MPa, *6.10MPa, *7.16MPa, *8.25MPa, *9.JIS10K, *10.JIS20K,*11.DINPN10,*12.DIN PN16,*13.DIN PN25,*14.DINPN40,*15.ANSI150LB,*16.ANSI300LB,*17.ANSI600LB,*18.ANSI900LB,*19.ANSI1500LB,*20.ANSI2500LB,*21.DN80,*22.DN65,*23.DN50,*24.DN40,*25.DN32,26.DN25,27.DN20,28.DN152. 卡箍式止回阀:公称通径 DN L H D D1 D2 b z-φd15-20mm(1/2"-3/4") -- -- -- -- -- -- --25-32mm(1"-11/4") 120 75 70 55 42.4 2.5 4-φ1440mm(11/2")130****6548.32.54-φ1450mm(2") 150 90100/89*1)2)3)/76*4)/63*5)/57*6)7)/42.7*8)9)10)*1.0MPa,*2.1.6MPa, *3.JIS10K,*4.JIS20K,*5.DIN PN10,*6.DINPN16,*7.ANSI150LB,*8.ANSI300LB,*9.ANSI600LB,*10.ANSI900LB 65mm(21/2")-100mm(4") -- -- -- -- -- -- --3. 法兰连接式止回阀:公称通径 DN L H D D1 D2 b z-φd15-20mm(1/2"-3/4") -- -- -- -- -- -- --25-32mm(1"-11/4")120/140*1)/150*2)3)/160*4)/180*5)6)/190*7)/200*8)9)* *1.DN15,PN16, *2.PN25, *3.PN40, *4.ANSI150LB, *5.ANSI300LB,*6.ANSI600LB, *7.JIS10K, *8.JIS20K, *9.PN64;40mm(11/2") -50mm(2") -100mm(4")130/140*1)/150*2)3)/160*4)/180*5)6)/190*7)/200*8)9) *1.DN25,PN16, *2.PN25, *3.PN40, *4.ANSI150LB, *5.ANSI300LB,*6.ANSI600LB, *7.JIS10K, *8.JIS20K, *9.PN64;125mm(5")-2000mm(80") -- -- -- -- -- -- --五、产品特点1. 结构简单、体积小、重量轻。
止回阀技术参数(原创实用版)目录1.止回阀的定义与作用2.止回阀的分类3.止回阀的主要技术参数4.影响止回阀选型的因素5.止回阀的安装与维护正文1.止回阀的定义与作用止回阀,又称单向阀或逆止阀,是一种自动阀门,用于管路中防止介质倒流。
止回阀在工程中起着至关重要的作用,它能确保流体在单向流动的过程中不受到倒流的影响,从而保证设备的正常运行。
2.止回阀的分类根据结构和密封形式的不同,止回阀可分为以下几类:(1)旋启式止回阀:依靠介质的压力使阀瓣旋转达到开启或关闭的目的。
(2)升降式止回阀:通过阀瓣的上下移动来实现阀门的开启和关闭。
(3)蝶式止回阀:阀瓣采用蝶形设计,可实现较大范围的流量调节。
(4)球式止回阀:阀瓣采用球形设计,具有较低的流阻和较好的密封性能。
3.止回阀的主要技术参数止回阀的主要技术参数包括:公称压力、公称通径、阀体材料、密封材料、阀瓣形式、流量系数等。
这些参数直接影响止回阀的使用范围、密封性能和流体阻力。
4.影响止回阀选型的因素选择止回阀时,需要考虑以下因素:(1)介质的性质:包括介质的种类、温度、压力等,以确保止回阀具有足够的耐蚀性和耐压性。
(2)阀门的流通能力:根据流体的流量、流速等要求,选择合适的阀门口径和阀瓣形式。
(3)安装位置和方向:根据工程实际情况,选择合适的阀门安装方式和方向。
(4)操作方式:根据工程需要,选择手动、电动、气动等操作方式。
5.止回阀的安装与维护(1)安装时,应确保止回阀的进出口方向正确,并与管道连接牢固。
(2)安装后,应进行试验,检查阀门的开启和关闭是否正常,密封性能是否良好。
(3)在使用过程中,应定期检查止回阀的运行状况,发现问题及时处理。
止回阀技术参数摘要:一、止回阀概述二、止回阀技术参数的重要性三、常见止回阀类型及特点四、止回阀技术参数详解1.阀门类型2.阀门材质3.阀门尺寸4.阀门压力5.阀门流量6.阀门使用寿命7.阀门维护与保养五、如何选择合适的止回阀六、止回阀安装与使用注意事项正文:一、止回阀概述止回阀,又称逆止阀、单向阀,是一种用于防止流体倒流的阀门。
它在工业管道、锅炉、水处理设备等领域有着广泛的应用。
止回阀的工作原理是利用阀瓣与阀座的密封来实现流体的单向流动,当流体压力大于阀瓣重量时,阀瓣上升,通道打开;当流体压力小于阀瓣重量时,阀瓣下移,通道关闭。
二、止回阀技术参数的重要性在选购止回阀时,了解其技术参数至关重要。
合适的技术参数可以确保阀门在实际应用中发挥良好的性能,保证系统的安全、稳定运行。
以下为常见止回阀技术参数:三、常见止回阀类型及特点1.升降式止回阀:结构简单,安装维护方便,适用于较小流量的场合。
2.旋启式止回阀:阀门开启和关闭过程中,阀瓣与阀座之间无直接接触,磨损较小,适用于较大流量的场合。
3.蝶式止回阀:体积小,重量轻,适用于高层建筑、消防系统等场合。
4.隔膜式止回阀:采用膜片结构,可实现完全切断,适用于有毒、易燃、易爆等介质场合。
四、止回阀技术参数详解1.阀门类型:根据实际应用需求,选择合适的阀门类型。
2.阀门材质:根据介质特性,选择合适的阀门材质,如铸铁、不锈钢、铜等。
3.阀门尺寸:根据管道尺寸和流量要求,选择合适的阀门尺寸。
4.阀门压力:根据系统工作压力,选择合适的阀门压力等级。
5.阀门流量:根据实际流量要求,选择合适的阀门流量。
6.阀门使用寿命:根据设备使用寿命要求,选择合适的阀门品牌和材质。
7.阀门维护与保养:了解阀门的维护保养要求,确保阀门长期稳定运行。
五、如何选择合适的止回阀在选择止回阀时,应结合实际情况,充分考虑以下因素:1.阀门类型:根据介质特性、流量要求等选择合适的阀门类型。
2.阀门材质:确保阀门材质耐腐蚀、耐磨损,与介质相容。
ppr止回阀参数本文旨在介绍ppr止回阀的参数、使用方法和安装步骤,从而有效地防止系统溢流、排水和热量受损。
首先,介绍了止回阀本身的结构以及它在系统中的作用,然后简要概述了配置PPR止回阀所需的部件和参数,接着介绍了安装步骤,最后介绍了如何开关和调整ppr止回阀以保证有效的操作。
【关键词】PPR止回阀;参数;安装步骤【1、简介】PPR止回阀,即聚丙烯停回阀,是用来保护系统避免溢流和排水的阀门。
它的作用是,当流体流入管路时,可以阻止流体反流,从而保护系统。
PPR止回阀的结构简单,操作方便,且不受环境和温度的影响,工作可靠性高,能有效地防止溢流和热量受损。
【2、配置PPR止回阀所需参数】PPR止回阀可根据环境条件选择合适的型号和参数,其中一些参数如下:1)道材料:PPR(聚丙烯)、PE(聚乙烯)、PVC(聚氯乙烯)等;2)门垫片材料:硅胶、氟橡胶等;3)体结构:直流式、螺纹式、锥形式等;4)寸选择:公称直径DN15-DN150;5)门材料:不锈钢、铜、铸铁等;6)门应用压力:1.0MPa、1.6MPa、2.5MPa、4.0MPa等。
【3、安装步骤】PPR止回阀安装步骤如下:1)先,根据管路中存在的分叉管确定PPR止回阀的数量和位置;2)后,根据上述参数,正确选择所需的阀体和尺寸;3)着,在安装位置开槽,用法兰安装止回阀;4) 之后,用连接套筒将阀体与管道连接起来;5)置配件,如衬垫、密封圈、除气孔等;6)后,止回阀安装完毕,与管路系统密封,确保密封及耐压性能。
【4、总结】PPR止回阀是保护系统的重要设备,它能有效地防止溢流和热量受损。
配置PPR止回阀时,需要根据实际情况选择合适的参数,并正确地安装,以保证有效的操作。
锻钢止回阀有二种体盖连接设计形式:第一种是体盖螺栓连接锻钢止回阀,按这种连接形式设计的阀门,其阀体与阀盖用螺栓连接,缠绕式垫片密封,优点是便于维修;第二种体盖全焊密封锻钢止回阀,按这种连接形式设计的阀门,其阀体与阀盖用螺蚊连接,全焊密封,优点是无泄漏。
锻钢止回阀阀瓣形式还分别有截流形,针形,球形您可以根据实际情况合理选用我们的阀门。
简介止回阀(One-way valve):止回阀又称止逆阀、单向阀或逆止阀,其作用是防止管路中的介质定向流动而不致倒流的功能。
水泵吸水管的底阀也止回阀(13张)属于止回阀类。
止回阀按结构划分,可分为升降式止回阀、旋启式止回阀和蝶式止回阀三种。
升降式止回阀可分为立式和卧式两种。
旋启式止回阀分为单瓣式、双瓣式和多瓣式三种。
蝶式止回阀为直通式、以上几种止回阀在连接形式上可分为螺纹连接、法兰连接和焊接三种。
启闭件靠介质流动和力量自行开启或关闭,以防止介质倒流的阀门叫止回阀。
止回阀属于自动阀类,主要用于介质单向流动的管道上,只允许介质向一个方向流动,以防止发生事故。
结构止回阀(Check Valve):按结构划分,可分为升降式止回阀、旋启式止回阀和蝶式止回阀三种。
升降式止回阀可分为立式和直通式两种。
旋启式止回阀分为单瓣式、双瓣式和多瓣式三种。
蝶式止回阀为蝶式双瓣、蝶式单瓣、以上几种止回阀在连接形式上可分为螺纹连接、法兰连接、焊接和对夹式连接四种。
安装止回阀(Check Valve)的安装应注意以下事项1、在管线中不要使止回阀承受重量,大型的止回阀应独立支撑,使之不受管道系统产生的压力的影响。
2、安装时注意介质流动的方向应与阀体所标箭头方向一致。
3、升降式垂直瓣止回阀应安装在垂直管道上。
4、升降式水平瓣止回阀应安装在水平管道上。
分类按材质1.铸铁止回阀2.黄铜止回阀3.不锈钢止回阀不锈钢止回阀4.碳钢止回阀5.铸钢止回阀按功能1.DRVZ静音式止回阀2.DRVG静音式止回阀止回阀( Check Valve):是能自动阻止流体倒流的阀门。
止回阀的阀瓣在流体压力作用下开启,流体从进口侧流向出口侧。
当进口侧压力低于出口侧时,阀瓣在流体压差、本身重力等因素作用下自动关闭以防止流体倒流。
止回阀(Check Valve):一般分为升降式、旋启式、蝶式及卧式等四种类型。
升降式止回阀的结构一般与截止阀相似,其阀瓣沿着通道中以线作升降运动,动作可靠,但流体阻力较大,适用于轻小口径的场合。
升降式止回阀可直通式和立式两种。
直通式升降止回阀一般只能安装在水平管路,而立式升降止回阀一般就安装在垂直管路。
旋启式止回阀的阀瓣绕转轴作旋转运动。
其流体阻力一般小于升降式止回阀,它适用于较大口径的场合。
旋启式止回阀根据阀瓣的数目可分为单瓣旋启式、双瓣旋启式及多瓣旋启式三种。
单瓣旋启式止回阀一般适用于中等口径的场合。
大口径管路选用单瓣旋启式止回阀时,为减少水锤压力,最好采用能减小水锤压力的缓闭止回阀。
双瓣旋启式止回阀适用于大中口径管路。
对夹双瓣旋启式止回阀结构小、重量轻,是一种发展较快的止回阀;多瓣旋启式止回阀适用于大口径管路。
蝶式止回阀的结构类似于蝶阀。
其结构简单、流阻较小,水锤压力亦较小。
隔膜式止回阀有多种结构形式,均采用隔膜作为启闭件,由于其防水锤性能好,结构简单,成本低,近年来发展较快。
但隔膜式止回阀的使用温度和压力受到隔膜材料的限制。
3.NRVR静音式止回阀4.SFCV橡胶瓣逆止阀5.DDCV双瓣逆止阀止回阀( Check Valve):标准旋启式止回阀烟道止回阀贯流式止回阀对夹式止回阀缓闭止回阀立式止回阀静音止回阀止回阀价格微阻缓闭止回阀H76型对夹式双瓣旋启式止回阀水锤压力小,阀瓣行程短、且有弹簧辅助关闭、关闭速度快H44型法兰单瓣旋启止回阀很大,阀瓣行程长,需要较长的关闭时间卧式止回阀H76型的水锤压力只有H44型的1/2~1/5球型污水止回阀:阀体采用全通道结构,具有流量大、阻力小之优点。
采用圆球做阀瓣,适用于高粘度、有悬浮物的工业及生活污水管网回阀:止回阀(One-way valve):又称单向阀或逆止阀,其作用是防止管路中的介质倒流。
水泵吸水关的底阀也属于止回阀类。
按结构可分为升降式止回阀、旋启式止回阀和蝶式止回阀三种。
升降式止回阀可分为立式止回阀和卧式止回阀两种。
旋启式止回阀分为单瓣式止回阀、双瓣式止回阀和多瓣式止回阀三种。
蝶式止回阀为直通式止回阀、以上几种止回阀在连接形式上可分为螺纹连接止回阀、法兰连接止回阀和焊接止回阀三种。
止回阀(Check Valve):公称压力或压力级:PN1.0-16.0MPa、ANSI CLASS 150-900、JIS10-20K 公称通径或口径:DN15~900、NPS 1/4 ~36 连接方式:法兰、对焊、螺纹、承插焊、对夹等适用温度:-196℃~540℃ 阀体材料:WCB、ZG1Cr18Ni9Ti、ZG1Cr18Ni12Mo2Ti、CF8(304)、CF3(304L)、CF8M(316)、CF3M(316L)、Ti。
选用不同的材质,止回阀(aetv One-way valve):可分别适用于水、蒸汽、油品、硝酸、醋酸、氧化性介质、尿素等多种介质。
通式升降式止回阀应安装于水平管路上,立式升降式止回阀和底阀一般安装在垂直管路上,并且介质自下而上流动。
旋启式止回阀安装位置不受限制,通常安装于水平管路,但也可以安装于垂直管路或倾料管路上。
安装止回阀( Check Valve):时,应特别注意介质流动方向,应使介质正常流动方向与阀体上指示的箭头方向相一致,否则就会截断介质的正常流动。
底阀应安装在水泵吸水管路的底端。
止回阀(Check Valve):关闭时,会在管路中产生水锤压力,严重时会导致阀门、管路或设备的损坏,尤其对于大口管路或高压管路,故应引起止回阀(aetv One-way valve):选用者的高度注意。
按安装一、旋启式止回阀:旋启式止回阀的阀瓣呈圆盘状,绕阀座通道的转轴作旋转运动,因阀内通道成流线形,流动阻力比升降式止回阀小,适用于低流速和流动不常变化的大口径场合,但不宜用于脉动流,其密封性能不及升降式。
旋启式止回阀分单瓣式、双瓣式和多半式三种,这三种形式主要按阀门口径来分,目的是为了防止介质停止流动或倒流时,减弱水力冲击。
二、升降式止回阀:阀瓣沿着阀体垂直中心线滑动的止回阀,升降式止回阀只能安装在水平管道上,在高压小口径止回阀上阀瓣可采用圆球。
升降式止回阀的阀体形状与截止阀一样(可与截止阀通用),因此它的流体阻力系数较大。
其结构与截止阀相似,阀体和阀瓣与截止阀相同。
阀瓣上部和阀盖下部加工有导向套简,阀瓣导向简可在阀盏导向简内自由升降,当介质顺流时,阀瓣靠介质推力开启,当介质停流时,阀瓣靠自垂降落在阀座上,起阻止介质逆流作用。
直通式升降止回阀介质进出口通道方向与阀座通道方向垂直;立式升降式止回阀,其介质进出口通道方向与阀座通道方向相同,其流动阻力较直通式小。
三、碟式止回阀:阀瓣围绕阀座内的销轴旋转的止回阀。
碟式止回阀结构简单,只能安装在水平管道上,密封性较差。
四、管道式止回阀:阀瓣沿着阀体中心线滑动的阀门。
管道式止回阀是新出现的一种阀门,它的体积小,重量较轻,加工工艺性好,是止回阀发展方向之一。
但流体阻力系数比旋启式止回阀略大。
五、压紧式止回阀:这种阀门是做为锅炉给水和蒸汽切断用阀,它具有升降式止回阀和截止阀或角阀的综合机能。
此外,还有-些不适用于泵出口安装的止回阀,如底阀、弹簧式,Y型等止回阀。
静音止回阀结构特点栓接阀盖,旋启式和升降式阀瓣金属密封面。
阀体和阀盖连接形式Class150~Class900采用栓接阀盖;Class1500~Class2500采用自压密封式阀盖。
阀盖垫片形式Class150~Class300止回阀采用不锈钢石墨缠绕垫片;Class600止回阀可用不锈钢石墨缠绕垫片也可采用金属环垫片;Class900止回阀可采用金属环垫片,Class1500~Class2500止回阀采用自压密封金属环。
阀座碳钢止回阀阀座通常采用锻钢材料,阀座密封面可根据客户要求喷焊硬质合金,NPS≤10''的止回阀采用分离式螺纹旋入式阀座,如果用户需要焊阀座结构也可提供;NPS≥12截止阀采用焊阀座结构;不锈钢止回阀的阀座一般采用整体式或者在本体上焊硬质合金后直接加工阀座。
如果用户有需求,不锈钢止回阀阀座也可采用分离式螺纹旋入式和焊接阀座结构。
铸钢旋启式止回阀的结构特征大口径的止回阀设计有吊环,方便起吊。
栓接阀盖,中法兰垫片的型式可根据压力等级的不同进行选择;CLASS600的止回阀可采用压力自紧密封结构。
阀瓣限位装置,防止阀瓣打开位置过高而无法关闭。
实心销轴安装精确,强度高,保证了阀门的使用性能和使用寿命摇杆具有足够的强度,关闭时有足够的自由度以利于阀瓣关闭。
阀瓣具有足够的强度和刚度,阀瓣密封面可根据用户要求堆焊金属材料或镶嵌非金属材料。
工作原理止回阀是指依靠介质本身流动而自动开、闭阀瓣,用来防止介质倒流的阀门,又称逆止阀、单向阀、逆流阀、和背压阀。
止回阀属于一种自动阀门,其主要作用是防止介质倒流、防止泵及驱动电动机反转,以及容器介质的泄放。
止回阀还可用于给其中的压力可能升至超过系统压的辅助系统提供补给的管路上。
止回阀主要可分为旋启式止回阀(依重心旋转)与升降式止回阀(沿轴线移动)。
[1]止回阀这种类型的阀门的作用是只允许介质向一个方向流动,而且阻止反方向流动。
通常这种阀门是自动工作的,在一个方向流动的流体压力作用下,阀瓣打开;流体反方向流动时,由流体压力和阀瓣的自重合阀瓣作用于阀座,从而切断流动。
其中止回阀就属于这种类型的阀门,它包括旋启式止回阀和升降式止回阀。
旋启式止回阀有一介铰链机构,还有一个像门一样的阀瓣自由地靠在倾斜的阀座表面上。
为了确保阀瓣每次都能到达阀座面的合适位置,阀瓣设计在铰链机构,以便阀瓣具有足够有旋启空间,并使阀瓣真正的、全面的与阀座接触。
阀瓣可以全部用金属制成,也可以在金属上镶嵌皮革、橡胶、或者采用合成覆盖面,这取决于使用性能的要求。
旋启式止回阀在完全打开的状况下,流体压力几乎不受阻碍,因此通过阀门的压力降相对较小。
升降式止回阀的阀瓣坐落位于阀体上阀座密封面上。
此阀门除了阀瓣可以自由地升降之外,其余部分如同截止阀一样,流体压力使阀瓣从阀座密封面上抬起,介质回流导致阀瓣回落到阀座上,并切断流动。
根据使用条件,阀瓣可以是全金属结构,也可以是在阀瓣架上镶嵌橡胶垫或橡胶环的形式。
像截止阀一样,流体通过升降式止回阀的通道也是狭窄的,因此通过升降式止回阀的压力降比旋启式止回阀大些,而且旋启式止回阀的流量受到的限制很少。
适用场合蝶式双瓣止回阀适用于高层建筑给水管网,有一定化学腐蚀性介质管网、安装空间有限制的管网,还适用于污水管网。