扬州大学材料力学复习与样卷
- 格式:ppt
- 大小:388.00 KB
- 文档页数:14
材料力学复习试题库材料与力学综合研究的名称和学生编号一、填空:(每个空缺1分,共38分)1.变形实体的变形可分为:弹性变形和塑性变形。
2、构件安全工作的基本要求是:部件必须具有足够的强度、刚度和稳定性。
3.棒材变形的基本形式包括拉伸(压缩)变形、剪切变形、扭转变形和弯曲变形。
4、起重机起吊重物时,钢丝绳的变形是拉伸变形;汽车行驶时,传动轴的变形是扭转变形。
教室里的大梁变形了。
螺杆千斤顶中的螺杆因压杆压缩而变形。
5.在图中的σ——ε曲线上,对应于点p的应力是比例极限,对应于点y和符号\uσp \u的应力称为屈服极限,对应于点b和符号\uσs \u的应力称为加强极限符号\uσb\u。
Sopesybk颈缩k'e6.内力是由外力引起的。
不同的外力导致不同的内力。
轴向拉伸和压缩变形过程中的内力称为轴向力。
剪切变形时的内力称为剪力,扭转变形时的内力称为扭矩,弯曲变形时的内力称为弯矩。
7.下图中显示的拉伸条是AB、BC、CD和AD。
BE是受力的压杆。
8.胡克定律的两个表达式是和。
e被称为材料的弹性模量。
它是衡量材料抗变形能力的一个指标。
单位为兆帕,兆帕=_ 106兆帕。
9.衡量材料强度的两个重要指标是屈服极限和强化极限。
10、通常工程材料失去工作能力的原因是:塑性材料屈服,脆性材料加强。
11.当挤压面平坦时,计算的挤压面积应根据实际面积计算。
半圆柱形挤压面投影面积的计算12.圆弧过渡结构通常添加在圆轴的肩部提升或开槽中,以减少应力集中。
13.扭转变形时,每条纵向线同时以相同的角度倾斜;每个横截面围绕轴线以不同的角度旋转,相邻的横截面彼此旋转并移动,导致剪切变形,因此横截面上存在剪切应力。
14.由于半径长度不变,剪应力方向必须垂直于半径。
由于相邻部分之间的间距是恒定的,即不会发生轴的伸长或缩短,因此横截面上没有法向应力。
15.两端铰接的长度为L、直径为D的圆形截面压杆的柔度为λ。
如果压杆为大柔量杆,材料的弹性模量为E,临界应力σcr为_ _ _ _ _ _ _ _ _ _ _ _ _ _。
第1页扬州大学试题纸( 200 - 200 学年 第 学期)水利科学与工程 学院 级 班(年)级课程 材料力学 ( )卷答案一、选择题(10分)1.关于材料的冷作硬化现象有以下四种结论,正确的是( D )。
(A )由于温度降低,其比例极限提高,塑性降低; (B )由于温度降低,其弹性模量提高,泊松比减小; (C )经过塑性变形,其弹性模量提高,泊松比减小; (D )经过塑性变形,其比例极限提高,塑性降低。
2.关于低碳钢材料在拉伸试验过程中,所能承受的最大应力是( C )。
(A )比例极限p σ;(B )屈服极限s σ;(C )强度极限b σ;(D )许用应力[]σ。
3.某构件内两危险点的应力状态如图,由第四强度理论比较其危险程度,正确的是( C )。
(A)(a )点应力状态较危险; (B)(b )应力状态较危险; (C) 两者的危险程度相同; (D) 不能判定。
4.图示正方形截面偏心受压杆,其变形是( C )。
(A) 轴向压缩和斜弯曲的组合; (B) 轴向压缩、平面弯曲和扭转的组合; (C) 轴向压缩和平面弯曲的组合; (D) 轴向压缩、斜弯曲和扭转的组合。
(a)(b)5.图示截面为带圆孔的方形,其截面核心图形是(B )。
二、填空题(20分)1.一受扭圆轴,横截面上的最大切应力max40MPaτ=,则横截面上点A的切应力Aτ=__MPa3.33__。
2.悬臂梁受力如图示,当梁直径减少一倍,则最大挠度w max是原梁的__16___倍,当梁长增加一倍,而其他不变,则最大转角θmax是原梁的__4____倍。
3.铆接头的连接板厚度为δ,铆钉直径为d。
则铆钉切应力τ=__22Fdπ___,最大挤压应力bsσ=__Fdδ___。
(mm)(A) (B) (C) (D)第2页第3页4.由同一种材料组成的变截面杆的横截面面积分别为2A 和A ,受力如图示,弹性模量为E 。
截面D 水平位移为___EAFl2___。
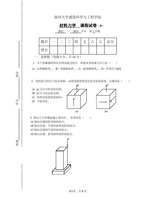
扬州大学建筑科学与工程学院材料力学 课程试卷(B )2012 ╱ 2013 学年 第1学期一.选择题(每题3分,共18分)1.关于低碳钢材料在拉伸试验过程中,所能承受的最大应力是( )(A )比例极限p σ;(B )屈服极限s σ;(C )强度极限b σ;(D )许用应力[]σ2.两危险点的应力状态如图,由第四强度理论比较其危险程度,正确的是( )。
(A)(a)点应力状态较危险;(B)(b)应力状态较危险; (C) 两者的危险程度相同; (D) 不能判定。
3. 图示正方形截面偏心受压杆, 其变形是( )。
(A)轴向压缩和斜弯曲的组合;(B)轴向压缩、平面弯曲和扭转的组合; (C)轴向压缩和平面弯曲的组合; (D)轴向压缩、斜弯曲和扭转的组合。
(a)(b)4.变截面杆AC如图所示。
设F NAB,F NBC分别表示AB段和BC段的轴力,σAB和σBC分别表示AB段和BC段的横截面上的应力,则下列结论中是正确的。
(A) F NAB=F NBC,σAB=σBC。
(B) F NAB≠F NBC,σAB≠σBC。
(C) F NAB=F NBC,σAB≠σBC。
(D) F NAB≠F NBC,σAB=σBCC5. 外径为D,内径为d的空心圆轴,两端受扭转力偶矩T作用,轴内的最大剪应力为τ。
若轴的外径为D/2,内径改为d/2,则轴内的最大剪应力变为。
(A) 2τ。
(B) 4τ。
(C) 8τ。
(D) 16τ。
6.下列单元体的应力状态中正确的纯剪切应力状态是。
(A) (1),(2); (B) (3); (C) (4); (D) (1),(2),(3),(4)。
二.填空题(每空2分,共24分)1.一般来说,衡量脆性材料的强度指标是______,衡量塑性材料的强度指标是_______,若该塑性材料的这一极限不明显,则用____________来代替。
2.当圆截面梁的直径增加一倍时,梁的强度是原梁的___________倍;梁的刚度是原梁的___________倍。
扬州大学建筑科学与工程学院材料力学 课程试卷(A )2009 ╱ 2010年 第二学期题目 一 二 三 四 五 六 七 总分 得分一、选择题(共15分)1、对于没有明显屈服阶段的塑性材料,通常以 2.0σ表示屈服极限。
其定义有以下四个结论,正确的是哪一个?(A )产生2%的塑性应变所对应的应力值作为屈服极限; (B )产生0.02%的塑性应变所对应的应力值作为屈服极限; (C )产生0.2%的塑性应变所对应的应力值作为屈服极限; (D )产生0.2%的应变所对应的应力值作为屈服极限。
正确答案是 。
试题答案:答:C2、关于解除外力后,消失的变形和残余的变形的定义,以下结论哪个是正确的? (A )分别称为弹性变形、塑性变形; (B )通称为塑性变形;(C )分别称为塑性变形、弹性变形; (D )通称为弹性变形。
正确答案是 。
试题答案:答:A3、图示木接头,水平杆与斜杆成α角,其挤压面积为bs A 为 (A )bh ;(B )αtan bh ;(C )α cos bh; (D )αα sin cos ⋅bh 。
正确答案是 。
试题答案:答:CFhαba装 订线班级 土交 学号 姓名4、由惯性矩的平行移轴公式,2z I 的答案有四种: (A)4/312bh I I z z +=; (B)4/32bh I I z z +=; (C)32bh I I z z +=; (D)312bh I I z z +=。
答:C5、铁构件受力如图所示,其危险点的位置有四种答案:(A) A 点; (B) B 点; (C) C 点; (D) D 点。
A DCB F 1F 3F 2答:(D)二、填空题(共20分)1、木材的 纹拉伸强度高, 纹拉伸强度低。
答:顺、横。
2、弹性模量GPa 200=E 的试件,其应力-应变曲线如图示,A 点为屈服极限MPa 240s =σ。
当拉伸至B 点时,在试样的标距中测得纵向线应变为3103-⨯,试求从B 点卸载到应力为140 MPa 时,标距内的纵向线应变ε。
扬州大学建筑科学与工程学院材料力学 课程试卷(A )2013 ╱ 2014 学年 第1学期题目 一 二 三 四 五 六 七 总分 得分一. 选择题(每题3分,共18分)1、拉压杆横截面上的正应力NF =A σ的主要应用条件是( )(A )应力在比例极限内; (B )外力合力作用线必须重合于杆轴线; (C )轴力沿杆轴线为常数; (D )杆件必须为实心截面。
2、图示铆钉连接,铆钉的挤压应力bs σ为( )(A )2 π2d F ; (B )δ 2d F ; (C )δ 2b F ; (D )2π4d F。
班级 学号 姓名FFδδFFbd3、由惯性矩的平行移轴公式,2z I 等于( )(A )4/312bh I I z z +=; (B )4/32bh I I z z +=; (C )32bh I I z z +=; (D )312bh I I z z +=。
4、正方形等截面立柱,受纵向压力F 作用。
当力F 作用点由A 移至B 时,柱内最大压应力的比值A max B max σσ有四种答案,其中正确的是( )(A) 1:2; (B) 2:5; (C) 4:7; (D) 5:2。
x yF F B A Oaaz5、内径为d ,外径为D 的四根空心圆轴,两端均承受相同的扭转力偶作用。
设四根轴的内外径之比D d =α分别为0,0.5,0.6和0.8,但横截面面积都相等,其承载能力最大yzz 1z 2h /2h /2h /2b /2b /2的轴( )(A) 0=α; (B) 5.0=α; (C) 6.0=α; (D) 8.0=α6、梁的弯曲刚度EI 为常数,今欲使梁的挠曲线在x=l/3处出现一拐点,则比值Me1/Me2为( )(A) M e1/M e2=2; (B)M e1/M e2=3; (C)M e1/M e2=1/2; (D)M e1/M e2=1/3。
二.填空题(每空2分,共10分)1、图示单元体所示的应力状态按第四强度理论,其相当应力r3σ为 。
扬州大学土木材料试卷1—、是非题:20%l、基本密实的颗粒材料,其表观密度大于颗粒密度。
(错)2、软化系数越小的材料,其耐水性越好。
(错)3、在做材料抗压强度试验时,大试件较小试件的试验值偏大。
(错)4、气硬性胶凝材料只能在空气中硬化,而水硬性胶凝材料只能在水中硬化。
(错)5、建筑石膏最突出的技术性质是凝结硬化快,并且在硬化时体积略有膨胀。
(对)6、硅酸盐水泥中C2S早期强度低,后期强度高,而C3S正好相反。
(错 )7、材料孔隙率越大,吸水率就越大。
(错)8、沥青是现代公路及城市道路的主要路面胶结材料和结构工程常用的防水材料,是一种典型的无机胶凝材料。
(错 )9、混凝士用砂的细度模数越大,则该砂的级配越好。
(错)10、流动性大的混凝土比流动小的混凝士强度低。
(错 )l1、在其它原材料相同的情况下,砼中的水泥用量愈多,砼的密实性和强度愈高。
( 对 )12、用表观密度法进行砼配合比计算时,必须考虑砼有a%的含气量。
(错)13、水泥石中的某些成分,能与含碱量高的骨料进行反应,此称碱一骨料反应。
(错 )14、水泥体积安定性是水泥的一项重要技术指标,不合格的应降级使用。
(错)15、水灰比小的砼,其强度不一定很高。
( 对 )(16、为了消除过火石灰的危害,磨细生石灰必须经过“陈伏”方可使用。
(错)17、建筑石膏防火性能好,故可长期用在高温环境中。
(错 )18、由于石灰是气硬性胶凝材料,所以用它拌制的三合土不能用于受潮工程中。
(错)19、钢材含碳量越高强度越低。
(错)20、抗渗性要求高的砼工程,不能用矿渣硅酸盐水泥。
( 错)二、名词解释:20%1.塑性材料在外力作用下的变形在外力卸去后能保持。
2.材料的空隙率散粒材料在堆积状态下单位体积的质量。
3.胶凝材料将块状材料和散粒材料胶结成一个具有强度的整体的材料。
4.混凝土立方体抗压强度标准值具有95%保证率的立方体抗压强度。
5.沥青的老化热等因素作用下变硬变脆的过程。
第1页扬州大学试题纸( 20 - 20 学年 第 学期)广 陵 学院 班(年)级课程 材料力学 ( )卷答案一、填空题(每空2分,共20分)1、铸铁圆试件压缩破坏面与轴线大致成 45 度,此破坏主要是由 切 应力引起的。
2、一钢试样, GPa 200=E ,比例极限, MPa 200p =σ直径, mm 10=d 在标距 mm 100=l 长度上测得伸长量。
mm 05.0=∆l 则该试件沿轴线方向的线应变ε为__ 30.510-⨯ __,所受拉力F 为__ 7.85 kN _。
3、图示一直径为d 的钢柱置于厚度为δ的钢板上,承受压力F 作用,钢板的剪切面面积等于 δ πd 。
4、图示等截面简支梁在AC 段受均布荷载作用,梁的抗弯刚度为EI , C处的挠度w C 为 45768ql EI 。
(提示:简支梁全梁受均布荷载作用,跨中挠度45384C ql w EI=)5、图示平面应力状态单元体,主应力: 1σ=_46.06MPa _、2σ= 0 、3σ=__26.06MPa-__;最大切应力:=max τ_36.06MPa __。
MPa第2页二、选择题(每小题2分,共10分)1、等直拉杆如图所示,在F 力作用下,( D )。
(A ) 横截面a 上轴向力最大; (B ) 曲截面b 上轴向力最大; (C ) 斜截面c 上轴向力最大; (D ) 三种截面上的轴向力一样大。
2、其它条件不变,只使圆轴直径增大一倍,则轴两端面相对扭转角为原来的( C )。
(A )1/4; (B )1/8; (C )1/16; (D )1/32。
3、图示矩形截面,设其对z 轴的静矩和惯性矩分别为S z 和I z ,则( B )。
(A ) 2,()22z z h hS bh I bh =⋅=⋅; (B ) 2,()22z z h hS bh I bh =⋅≠⋅;(C ) 2,()22z z h hS bh I bh ≠⋅=⋅;(D ) 2,()22z z h hS bh I bh ≠⋅≠⋅。
一、低碳钢试件的拉伸图分为、、、四个阶段。
(10分)二、三角架受力如图所示。
已知F=20kN,拉杆BC采用Q235圆钢,[σ钢]=140MPa,压杆AB采用横截d和压杆AB的横截面边长a。
n=180 r/min,材料的许用切应四、试绘制图示外伸梁的剪力图和弯矩图,q、a均为已知。
(15分)2八、图示圆杆直径d=100mm,材料为Q235钢,E=200GPa,λp=100,试求压杆的临界力F cr。
(10分)231)答案及评分标准评分标准:各2.5分。
二、 d =15mm; a =34mm .评分标准:轴力5分, d 结果5分,a 结果5分。
三、 τ=87.5MPa, 强度足够.评分标准:T 3分,公式4分,结果3分。
四、评分标准:受力图、支座反力5分,剪力图5分,弯矩图5分。
五、σmax =155.8MPa >[σ]=100 MPa ,但没超过许用应力的5%,安全. 评分标准:弯矩5分,截面几何参数 3分,正应力公式5分,结果2分。
六、(1)σ1=141.42 MPa ,σ=0,σ3=141.42 MPa ;(2)σr 4=245 MPa 。
评分标准:主应力5分,相当应力5分。
七、σmax =0.64 MPa ,σmin =-6.04 MPa 。
评分标准:内力5分,公式6分,结果4分。
八、Fc r =53.39kN评分标准:柔度3分,公式5分,结果2分。
1..5qaF S 图 M 图qF S 图——+M 图qa 2 qa 2/24一、什么是强度失效、刚度失效和稳定性失效?二、如图中实线所示构件内正方形微元,受力后变形 为图中虚线的菱形,则微元的剪应变γ为 ? A 、 α B 、 α-090 C 、 α2900- D 、 α2答案:D三、材料力学中的内力是指( )。
A 、 物体内部的力。
B 、 物体内部各质点间的相互作用力。
C 、 由外力作用引起的各质点间相互作用力的改变量。
D 、 由外力作用引起的某一截面两侧各质点间相互作用力的合力的改变量。
扬州大学建筑科学与工程学院材料力学、结构力学 课程试卷材料力学一.选择题(每题3分,共18分)1.关于低碳钢材料在拉伸试验过程中,所能承受的最大应力是 。
(A )比例极限p σ;(B )屈服极限s σ;(C )强度极限b σ;(D )许用应力 ][σ。
2.插销穿过水平放置的平板上的圆孔,在其下端受有一拉力P .该插销的剪切面面积和挤压面积分别等于 。
(A) πdh ,πD 2/4; (B) πdh ,π(D 2-d 2)/4; (C) πDh ,πD 2/4; (D) πDh ,π(D 2-d 2)/4。
第2题图 第3题图 3.左端固定的直杆受扭转力偶作用,如图所示。
在截面1-1和2-2处扭矩为 。
(A) M 1-1=12.5kNm,M 2-2= -3kNm 。
(B) M 1-1= -2.5kNm, M 2-2= -3kNm 。
(C) M = -2.5kNm,M =3kNm 。
(D) M =2.5kNm, M = -3kNm 。
24.T 形截面梁,两端受力偶矩M 0作用,如图示。
若材料的抗压许用应力[σy ]大于抗拉许用应力[σl ],则梁截面的正确位置是 。
5.图示正方形截面偏心受压杆,其变形是 。
(A)轴向压缩和斜弯曲的组合; (B)轴向压缩、平面弯曲和扭转的组合; (C)轴向压缩和平面弯曲的组合;(D)轴向压缩、斜弯曲和扭转的组合。
第5题图 第6题图6.图示单元体应力状态为___ ___。
(A) 单向应力状态 (B) 二向应力状态 (C) 三向应力状态 (D) 无法确定 二.填空题(每空2分,共24分) 1.一受扭圆轴,横截面上的最大切应力MPa 40max =τ,则横截面上点A 的切应力=A τ 。
2.悬臂梁受力如图示,当梁直径减少一倍,则最大挠度wmax 是原梁的 倍,当梁长增加一倍,而其他不变,则最大转角θmax 是原梁的 倍。
(mm)第1题图 第2题M M 0DC3.低碳钢在拉伸时一般要经历_______________、_______________、_______________、和_______________四个阶段。