台背回填安全技术交底
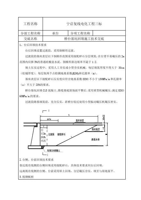
- 格式:docx
- 大小:19.83 KB
- 文档页数:5
技术交底书单位:江西省交通工程集团公司隘瑞高速A1标项目经理部交底单位A1标项目经理部接受单位路基四队工程名称台背回填日期台背回填技术交底1.台背回填采用A类土作为回填材料。
(图纸有具体设计时按设计施工)2.涵洞底部换填长度为2m,纵向采用1:2坡率挖台阶与路基衔接,若顶面换填长度小于搭板长度,则顶面换填长度采用搭板长度,换填高度为路基高度减去路面厚度。
暗涵换填厚度为涵洞高度,换填顶面为涵洞顶面,底面换填宽度采用2倍的涵高,并不大于5米,纵向采用1:1坡率挖台阶与路基衔接,换填压实度不小于96%。
3.涵洞涵身强度必须在达到设计强度的100%后方可进行回填施工,回填前彻底清淤,将桥涵两侧距翼墙尾端不小于台身高加两米范围内所有淤泥质土全部清除。
桥台两侧应在桥台养生结束,台帽施工前进行填筑,同时要坐到两侧对称均匀施工。
4.为给机械留出足够的施工作业面,涵洞两侧各20m,回填施工前必须清基,基底强度必须达到要求,并清除挖基土方。
5.与路基的结合部位填筑时必须逐层挖台阶,台阶高度为1.5m。
6.必须使用小型振动器械配合大型压路机进行压实。
7.必须在涵台背划出标线,严格按照20cm标线进行分层施工,层层碾压,并认真做好施工记录。
8.在进行台背及涵背填筑时,必须两侧对称均匀分层填筑。
9、涵洞顶部50cm以内采用轻型载压路机压实。
10、压实度必须达到96%。
11、涵洞顶面填土厚度大于50cm时,方可通过施工机械和汽车,严禁施工机械和汽车通过裸洞。
12、为保证桥涵砼质量,在距涵洞八字墙2m范围内,不得使用大型振动式压路机。
13、桥涵背回填施工必须做好隐蔽工程记录及照片档案,在施工过程中必须严格执行报检制度,层层报检,保证桥涵台背回填的施工质量。
14、在监理工程师检测确认后再进行下层回填施工。
编制人:审批:接收人:。
台背回填技术交底1 目的明确台背回填施工的工艺流程、操作要点,消除不合理的施工工序及工艺,提升台背回填的工程质量,以达到消除台背沉降质量通病的目的。
2 工艺特点本工艺回填材料采用合格天然砂砾,回填按分层对称填筑、压路机分层压实,具有便于现场实际操作、回填质量容易控制等特点。
3 工艺流程3.1施工准备台背回填应满足如下条件后才能进行施工:(1)涵洞八字墙、盖板安装已施工完成;(2)涵洞回填时,砌体砂浆和混凝土强度须达到85%。
(3)盖板涵进行防水处理后方可回填,并且防水处理须符合设计和规范要求。
(4)基坑若有积水应及时排出,并清除基底被水浸泡过的软土。
3.2 施工工艺流程见图5-1施工工艺流程图。
3.3 施工方法(1)测量放样根据设计图纸及施工规范要求,放出台背回填过渡段范围,并使用白灰洒出台背回填施工边线。
涵洞台背回填过渡段范围为:顺路线方向长度,底部距涵洞基础为H,顶部距侧墙2H(H为基础底面至盖板顶面高度,且不小于3m)。
具体见图5-2涵洞台背回填示意图。
图5-1施工工艺流程图图5-2 涵洞台背回填示意图(2)基坑开挖根据回填范围进行开挖,开挖采用挖掘机配合人工的方式,结构物50cm范围内使用人工进行开挖,避免机械对结构物造成破坏。
将台背回填施工范围内的非适用性材料清理干净,并开挖好临时排水沟,将地表水引至施工范围外。
场地清理完后,对原地面进行碾压,压实度要求为不小于90%。
当地形坡率陡于1:5时,清除原地面植被后,用推土机或人工挖台阶,台阶宽度不小于2m,台阶高度不大于1m,做成2%~4%的向内倾斜坡,涵洞底部宽度不小于3m。
图5-4台阶开挖(3)回填透水性材料使用油漆在涵洞墙面画出水平横线,每15cm一道,并在横线上标注出填筑层次,台背回填分层的压实厚度控制为15cm一层,松铺厚度控制为不大于20cm。
如图5-5分层刻度。
图5-5分层刻度(4)分层摊铺,分层碾压摊铺:采用机械辅以人工进行摊铺,不平的部位人工进行找平。
台背回填施工安全技术交底1. 前言台背回填施工是重要的土方工程,施工过程中,安全是最为重要的问题。
此次安全技术交底,旨在加强所有相关人员对于施工安全管理的理解和执行能力,更好地提升施工质量。
2. 施工人员安全管理2.1 安全防护措施在进行台背回填施工的时候,所有参与施工的人员都必须严格按照安全防护措施来进行工作,包括个人防护措施和现场安全措施。
在现场,必须设置安全警示标志,所有施工人员都必须佩戴安全帽和安全鞋,严禁着短裤、拖鞋和高跟鞋进行施工。
同时,在施工现场必须设置防护栏杆或者警示带,防止人员误入危险区域。
2.2 工器具管理在台背回填施工过程中,必须使用符合国家标准的各类施工设备和工具。
在使用前必须进行检查,保障设备和工具的正常使用。
禁止使用不合格、旧化的设备和工具。
所有电器设备应符合国家标准,并经过正规的安全检测和维修。
同时,进行高空作业时,必须使用质量可靠的吊篮和安全带进行保护。
2.3 交通管理施工人员必须严格遵守现场交通安全规定,不得随意穿越车辆和机械前往施工区域。
同时,在交通流量较大的地方,必须设置交通警示牌,严格规范车辆和施工人员的交通。
3. 施工设备、机械和工作面的安全防护3.1 施工设备和机械的安全操作在进行台背回填施工的时候,使用的设备和机械一定要符合国家标准,并经过安全检测和维护。
同时,使用设备和机械时必须采取相应的安全措施,包括操作人员资质的要求,设备、机械运行前的检查,机械使用操作规范等。
3.2 工作面安全控制对于施工现场,必须严格控制工作面。
在进行台背回填施工时,必须确保工作面的稳定性,采取相应的支撑和加固措施,防止工作面崩塌或者坍塌。
卸料线和倾倒线也需要特别控制。
工作人员必须在安全区域内进行作业,保证自身的安全。
同时,在倒料过程中,必须保证倾倒线的安全和稳定,防止倾倒过程中突然断裂或变形。
4. 事件应急处理施工现场随时可能会发生不可预见的突发事件,应急处理能力对于保障施工人员安全至关重要。
桥台台背回填技术交底一、前言桥梁工程建设是一项复杂的工程,施工规范和标准要求极高。
其中,桥台回填是一个重要的环节,在桥梁建设中发挥着关键作用。
本文将就桥台台背回填技术进行详细阐述,希望能够为桥梁工程的建设提供参考。
二、桥台回填的定义桥台回填是指在桥梁建设中,对桥台下方的空间进行灌浆或者回填以达到支撑桥台的目的。
台背回填又称“台帽背填”或“台隧回填”。
即在桥台上方的空间内,挖掉表土和沙土与台面高度相平,并进行灌浆或回填工艺使该处承台能承受车流荷载和自然荷载。
三、桥台回填的作用对于桥梁建设而言,桥台回填的作用是非常重要的,可以达到以下几个方面的效果:1.支撑桥台:桥台回填可以对桥梁支撑架构进行稳固的支撑,防止其因土方变形而导致整个桥梁崩塌。
2.防止桥台下沉:桥台回填可以填补桥台下的空隙,避免桥台下沉,保证桥梁的安全性能。
3.保护环境:桥台回填可以防止沉降或开裂等情况对环境造成损害。
四、桥台回填技术要点桥台回填的技术主要包括施工前的准备工作,回填材料的选择和基础处理等几个方面。
4.1 施工前准备工作1.安全措施:施工进行期间,必须遵守相关安全操作规程,配备必要的安全防护器材。
2.测量:必须进行测量,确保回填材料可以达到设计要求,保证桥梁的安全性。
3.平整基础:确保基础表面的平整,防止回填材料与基础离散。
4.2 回填材料的选择1.材料优质:选择优质的回填材料,要求材料韧性好,强度高,密度大,改性剂使用远大于普通原料。
2.密实性:回填材料必须是密实的,可以避免材料下沉的现象。
3.流动性:在工作环境下,回填材料应具有一定的流动性,可以使材料完全填充支座的中央位置。
4.3 基础处理1.防水层:在回填材料和基础之间要设置防水层,以避免水的渗透。
2.振动:在回填材料中进行高频振动,使材料更加密实。
五、施工注意事项1.施工过程中,要严格控制材料的供应和施工速度,确保施工进度和质量。
2.在执行灌浆工作时,要控制灌浆量和压力。
台背回填安全技术交底1. 介绍台背回填是在土地开发或基础设施建设过程中常用的一种施工方法。
它涉及到土方开挖、挡土墙建设和土方回填等工作。
由于工作面较高,施工中存在一定的风险和安全隐患。
因此,台背回填安全技术交底是非常重要的,旨在确保施工人员的安全,并保证工程质量。
本文将详细介绍台背回填的安全技术要点,包括施工前准备、施工过程中的安全措施和事故应急处理等内容。
2. 施工前准备在进行台背回填施工前,需要进行详细的施工准备工作,以确保施工的顺利进行和安全性。
以下是一些施工前准备的要点:•制定施工方案:根据工程要求和现场条件,制定台背回填施工方案。
施工方案应包括土方开挖、挡土墙建设和土方回填的详细步骤和安全措施。
•进行现场勘察:在施工前,应进行详细的现场勘察,了解地质情况、地下管线和设备位置等。
根据勘察结果进行施工方案的调整和优化。
•组织施工人员:合理编制施工队伍,确保每个施工人员都具备相应的技能和经验。
组织人员参加安全培训,提高他们的安全意识和应对突发事件的能力。
•准备必要的材料和设备:根据施工方案,准备所需的材料和设备,包括挖掘机、运输车辆、安全保护设备等。
检查设备的运行状态,并确保其能够正常工作。
3. 施工过程中的安全措施在台背回填施工过程中,需要采取一系列的安全措施,以保证施工人员的安全。
以下是一些施工过程中常用的安全措施:•安全警示标志:在施工现场设置明显的安全警示标志,警示其他人员注意施工区域的存在,并确保施工现场的安全区域与工作区域清晰分离。
•个人防护装备:施工人员应佩戴个人防护装备,包括安全帽、安全鞋、手套、护目镜等。
根据工作环境的不同,还需要佩戴耳塞、口罩等。
•沟槽支护:对土方开挖所形成的沟槽进行支护,防止土方坍塌,造成人员伤害和设备损坏。
•挖掘机操作注意事项:挖掘机操作人员应经过专业培训,熟悉各种操作技巧。
在操作挖掘机时,应注意平衡和控制挖掘机的速度和力度,避免发生斜坡滑坡等意外事故。
台背回填施工安全技术交底A-15 施工安全交底施工单位:北京市公路桥梁建设集团有限公司合同号:YS04-2监理单位:吉林省公路工程监理有限责任公司编号:台背填土安全技术交底台背回填施工安全技术交底技术要求:1、施工放样、涂沥青施工前在涵墙上涂两层热沥青,保证涂抹均匀。
涵墙上按每层15cm用红色油漆标明填筑厚度。
2、基底清理、开挖台阶按要求将涵墙外侧基底杂物等清除干净。
确定台背回填范围,进行放坡并按每层15cm开挖台阶。
报监理工程师检验合格后进行下道工序。
3、填料运输由装载机装料,自卸车运至施工现场。
4、摊铺、洒水、碾压根据初拟松铺系数1。
20按每层压实厚度15cm,松铺厚度为18cm分层填筑,填料用挖掘进行放料并进行初平,人工进行精平。
洒水车进行洒水,洒水时按照试验室确定的最佳含水量控制,洒水要均匀,符合要求后开始进行碾压,采用22T振动压路机碾压,要碾压至无轮迹。
碾压速度控制在3km/h左右,碾压时宜平稳,不应采用强振,避免对结构物的不利破坏及填土层的推移而破坏整体性.构造物边角处用手扶振动夯碾压密实。
碾压达到无漏压、无死角,确保碾压均匀。
涵洞台背回填压实度标准为96%以上.安全要求:1、进入施工现场人员必须戴安全帽,不得穿拖鞋、高跟鞋、硬底易滑鞋作业。
凡非本单位人员进入施工现场,必须进行登记或批准,严禁将小孩带入施工现场。
2、施工现场准备不充分,安全无保障,不准开工.3、清淤时,应先排除积水,并制定相应的安全措施。
需用人工配合开挖时,操作员之间应保持足够的安全距离.4、人员配合机械作业清底、平地、修整等辅助工作时应与机械作业交替进行.机上、机下人员必须密切配合,协同作业。
当必须在机械作业范围内同时进行辅助工作时,应停止机械运转后,辅助人员方可进入.5、挖掘机作业:挖掘机正铲作业时,除松散土壤外,其最大开挖高度和深度,不应超过机械本身性能规定。
在拉铲或反铲作业时,履带距工作面边缘距离应大干l。
桥涵工程台背回填技术交底书一、编制目的为更好地指导施工生产,规范现场施工,有效控制台背回填施工安全及质量,特编制本交底,请遵照执行。
二、施工技术要求1、施工准备1)主要材料(1)为了减少路基在构造物两侧产生不均匀沉降而导致路面不平整,对构造物两侧一定长度范围内的路基采用石渣进行填筑。
(2)必须到指定料场拉运填料,筛除超粒径料。
2)人员、机械设备准备(1)人员准备人员配备:技术、试验人员各配置一名、专(兼)职安全质检人员一名、施工人员以满足施工需要来配置。
(2)机械设备准备挖掘机、装载机、压路机、自卸汽车、打夯机、洒水车、铁锹等按需配置2、施工工艺1)工艺流程测量放样→基底清理碾压→石渣分层回填压实2)施工方法及施工要点(1)台背回填按15cm一层进行分层填筑,填筑前在台背上用白漆标明层数。
对采用压实度检测的材料要层层自检,每3层向驻地办报检;对采用压沉值检测的材料要层层自检、层层向驻地办报检。
报检合格后方可进行下一层填筑施工。
(2)回填前应将基坑底或原地面的浮土、杂物和积水清除干净,将基坑底面和原地面压实至规范和设计要求的密实度,并按设计要求对结构物墙身与回填土接触面做防腐处理。
(3)在台背回填过程中要先对台背后缺口进行整形,要求刷除台后路基虚料,路基坡面刷除深度为路基压实区3~5m,刷坡坡度缓于1:2,台背底宽不小于设计宽度,刷坡后要求用压路机对坡面进行压实,整形完成后向驻地办报检。
报检合格后方可进行下一道工序。
(4)台背回填断面尺寸要严格按设计文件要求实施。
对台背与路基衔接处要求每填筑一层挖一层台阶并保证衔接部位的压实度合格(达到96%以上),防止留下质量隐患。
(5)对于涵洞基坑浸水的要把涵洞基坑基底饱水材料挖除至正常填料,报驻地办检验合格并留影像资料后方可进行第一层填筑。
(6)台背回填要连续施工,施工前必须储备所需的台背填料,保证雨季回填质量。
(7)台后缺口刷坡整形完成及每层台背填料检测合格后必须留影像资料,影像资料采取远景拍摄,照片内容包括施工技术人员、监理人员及报检桩号、日期、层数等。
台背回填的技术交底台背回填可是个技术活,要是弄不好,那可会惹出不少麻烦。
今天咱就来好好唠唠台背回填的那些事儿。
我记得有一次去一个施工现场,看到工人正在进行台背回填的工作。
那场面,真是让人印象深刻。
刚开始的时候,一切看起来都还挺顺利,土一车车地往里倒,工人也忙得热火朝天。
可没一会儿,我就发现不对劲了。
回填的土料质量参差不齐,有的大石块掺杂在里面,这怎么能行呢!咱先来说说台背回填的材料选择。
这可不能马虎,得选用透水性好的材料,像砂砾、碎石土啥的,可别为了省事随便弄些乱七八糟的土就往里填。
要是用了黏性大的土,一旦遇水,那可就成了软塌塌的一团,能有啥好效果?而且啊,材料的粒径也得控制好,太大了不行,太小了也不行,就像人吃饭得荤素搭配一样,得讲究个合适。
再说说回填的范围。
这可得量准了,不能多也不能少。
从台身背面起,往上、往下、往左、往右,都得按照设计要求来。
要是范围小了,达不到支撑的效果;要是范围大了,浪费材料不说,还可能影响周边的结构。
还有啊,回填的分层厚度也有讲究。
每一层不能太厚,不然压实度达不到要求;也不能太薄,不然太费工夫。
就像盖房子砌砖,一层一层得整整齐齐,厚度均匀。
而且每填一层,都得好好压实。
压实的时候,机器的选择也很重要,得根据实际情况来,不能瞎搞。
施工过程中的排水也不能忽视。
要是水排不出去,泡在回填土里,那这回填土不就成了“稀泥”啦?所以得提前做好排水措施,让水有地方可去。
最后,别忘了检测。
回填完了,得检测压实度、平整度等指标,看看是不是符合要求。
要是不合格,就得返工,可不能心存侥幸。
总之,台背回填这活儿,看着简单,实则处处都得小心。
就像我那次看到的施工现场,如果一开始就能严格按照要求来,也不至于后来发现问题又得返工,既耽误了时间,又增加了成本。
所以啊,大家在做台背回填的时候,一定要认真仔细,把每个环节都做好,这样才能保证工程的质量。
希望大家都能记住这些要点,把台背回填这项工作做得漂漂亮亮的!。
实用文档台背回填施工技术交底一、主要施工工艺1、回填具备条件(1)对台背回填所使用的原材料应事前准备充足,填料质量应严格控制;(2)施工机械到场就位,并检查使用情况,检查有问题的机械不得使用;(3)台背填土的顺序应符合设计要求,梁式桥的轻型桥台(薄墙式)的台背填土,应在梁体安装完成后进行;柱、肋式桥台台背填土,宜在盖梁施工前,柱、肋侧对称、平衡地进行。
2、主要施工工艺(1)基坑修整涵洞台背回填从基础底外边缘向外100cm按1:1.5的坡度与路基等高的范围内为台背回填区段,清除该区段基底松土或杂物,并进行拍照。
涵洞台背回填示意图(2)台背划格在每个结构物台背回填的左、中、右用油漆按15cm画好松浦厚度标志线,从下到上注明层数,施工过程中严格按此层厚控制施工。
(3)回填施工①、台背回填时,应在两涵台外侧对称回填,分层压实,填料粒径宜小于50mm,压实机具采用压路机等压实设备;同时配备小型冲击夯实设备,对大型设备碾压不到位地方进行压实,严禁人工夯实.②、结构物回填,每层最大松浦厚度不得大于20cm,从基底到顶面的压实度均不实用文档小于96%。
③、台背回填部分的路床与路堤路床同步填。
④、锥坡的回填和桥台背施工应同步进行,宽度一次性填足,保证压实整修后能达到设计宽度。
⑤、盖板涵和箱涵应在盖板安装或浇筑顶板后,在洞身两侧对称分层回填压实,涵顶回填在50cm内压路机时禁止开动振动,并禁止任何重型机械和车辆通过。
⑥、圆管涵两侧压路机无法碾压部分的回填,应采用冲击夯压实。
(4)检测①、每层测量一次标高,宽度及其他检测项目层层报检监理工程师,检验合格后方可进行下层填筑.分层夯实时不使涵身和接缝有任何破坏和扰动。
②、石灰土每层应检测压实度,灰剂量,施工完毕后进行洒水覆盖养生不少于7天,填土的压实标准从填方基底或者涵洞顶部至路床顶面均为96%。
③、做好质量保证资料,按结构物单独存放。
(5)隐蔽工程拍照台背回填过程中,根据总监办要求,除常规检测资料外,要层层留有照片,每层每台分左右各留2张照片,施工队派专人负责拍照,回填过程中每天交技术员拷贝至技术质量部或并发送至项目技术质量部邮箱。
陇海线徐州至连云港东段电气化改造工程桥涵缺口填土作业指导书编制:复核:中铁十局四公司徐连电气化改造工程项目部年月日台背回填技术交底一、施工前的准备1、基坑处理:(1)桥台锥坡地基清除杂草、淤泥及松软土层(经软基处理过的地基除外)。
(2)未经软基处理过的桥台锥坡地基在回填混合料前,要进行填前碾压,压实度标准与邻近的土方路基相同。
(3)立柱、涵洞、通道基础要彻底挖出施工时临时填筑的松软土。
(4)经排水后,若基坑含水量较大时,可填筑0.3-0.5米厚的碎石垫层(按变更设计程序申报),经夯实后再填混合料。
2、回填土每层松铺厚度30cm,为便于施工掌握,应在桩柱或台背相应位置划线(用墨斗弹线),标出每层的松铺厚度。
三、混合料掺拌要求1、选择经平整压实并具有足够面积的路基,做为拌和场地。
2、将92%的土,5%的消石灰,3%的水泥至下而上依次摊铺在拌和场上。
3、用道路专用拌和机将混合料拌和均匀,并控制好含水量(最底层含水量较大的可考虑使用干料)。
4、每次掺拌的数量,根据水泥初凝前用完的原则酌情控制。
5、缺口的填料必须符合设计要求,填料应用渗水土,填料粒径不应大于150mm。
施工前应按规定对填料进行抽样试验,符合规定后方可用于填筑施工。
6、缺口填土必须待桥砌体达到设计强度后方可进行填筑,桥台锥体与台后缺口应同时填筑。
7、台背填土的质量直接关系到竣工后行车的舒适与安全,严格控制分层厚度和密实度,设专人负责监督检查,检查频率每50m2检查1个点,不足50m2时至少检验1个点,每点都要求合格,宜采用小型机械压实;回填土的分层厚度宜为0.2m。
桥台的填土压实度标准,从填方基底至路床顶面均匀为95%。
四、压实机械使用原则:凡压路机能够展开作业的场合必须使用压路机机械作业,否则必须用夯实机械击实到规定的压实度。
五、有关标准规定:1、压实标准:96%以上。
2、宽度:梯形下口宽度,距基础、桩柱2.5m(锥坡外侧按施工放样宽度)。
台背回填技术交底一、工程概况K1570+640盖板涵主体工程已经完成,基础回填工作已经完毕。
二、人员组织机构施工负责人:试验负责人:质检负责人:三、设备配备:CA25振动压路机一台,T-60推土机一台,小型机具一台及相应挖掘装载运输设备。
四、材料储备:台背回填采用向阳峪河内砂砾,选择级配良好,含泥量小的料源。
五、台背回填施工方案1、施工准备,台背回填由专人负责,组建有经验的施工队伍,配备CA25型振动压路机及小型振动夯等设备以满足施工要求。
所有结构物基坑的回填必须采用经过监理工程师批准的能够充分压实的材料,填筑材料选用内摩擦角大于38度的透水性填料,并且有一定的级配,不得含有腐殖土、树根、草泥或其它有机物质。
2、填筑范围的开挖,原地面以下部分的台背回填必须开挖台阶形式,台阶宽度为0.5米,台阶的密实度必须在90%以上,地面以上部分的台背回填必须与结合部的路基同步进行,原路基填筑末端未留出自然台阶的,必须将其削坡至1:3以上,再开挖台阶施工。
台背填土顺路线方向长度,顶部为距翼墙尾端不小于台高加2米,底部距基础内缘不小于2米。
3、施工放线,台墙背面用黑或朱砂划上层厚刻度线,每15厘米一层,自基础顶向上标注层数。
4、填筑厚度每层为15厘米。
桥台背后填土与锥坡填土同时进行,涵洞缺口填土,采用在两侧对称均匀分层回填压实。
回填材料含水量保持均匀,对称填土标高基本保持相等,每层处在一个水平面上。
5、每层压实后必须进行检测,压实度达到要求后方可进行下一层的填筑,确保台背坟实度达到95%以上。
基坑压实度达到90%以上。
6、为保证回填质量及减少工后沉降,在比较开阔的地方采用大型压实机具,但背墙附近必须静压。
在临近构造物旁无法有大型振动压路机的须采用平板夯、振动冲击夯等小型压实机具分层夯压密实。
含水量达不到要求时,碾压要洒适量的水以保证压实。
7、需回填的基坑应及时排水。
若无法排尽基坑积水时,则采用级配好的砂砾回填,并在水中分层铺筑,直到回填进展到该处的水全部被回填的砂砾材料所掩盖并达到能充分压实的程度时,再进行充分夯实。
台背回填安全技术交底1. 背景介绍随着工程建设的不断发展和扩大,回填工程的建设也在不断加速。
而台背回填工程是回填工程中的一种。
它的建设是以山地、丘陵和河床等场地为基础,将在原有的地面上增加一定的填方,以达到修建公路、铁路、建筑等工程的需要。
回填工程在建设中存在许多安全隐患。
因此,为确保施工人员的安全和项目的顺利实施,在台背回填工程建设过程中,需要做好安全技术交底工作,从而达到安全稳定地建设项目的目的。
2. 安全技术交底的内容安全技术交底是在施工前,对施工人员进行的一种安全教育和指导。
其目的是提高施工人员在工程建设中的安全防范能力,保证项目的安全。
台背回填工程的安全技术交底应包括以下内容:2.1 工程施工要求1.在项目规划阶段,要重点关注地质情况、环境因素和安全隐患等问题,根据实际情况进行科学规划。
2.对现场操作人员进行必要的安全培训以及给予必要的操作指南。
3.应根据施工环境,对施工人员进行衣服和安全防护用具的配备,要求工作人员做好安全培训,以保障工作人员的安全生产。
4.设计施工方案,全面分析工程施工所需的时间、财力、物力和人力等资源,以保证施工计划的合理性和稳定性。
2.2 安全操作要求1.设备操作前必须确认设施及设备的完整性和可靠性,并做好线路检查。
2.在施工过程中,严格控制设备、机器等摆放的位置和角度,确保其与地质环境相适应。
3.严格操作规程,避免人为的安全事故,减少环境污染。
4.工程施工过程中,应在现场建立清晰、明了的警示标志,以防止基层工人误入危险区域。
2.3 事故处理要求1.安全事故发生时,应立即予以报告。
2.对于一些常规、基本的事故应该采用适当的应急措施快速解决,避免事故的发展和拓展。
3.在事故处理后,应彻底查明事故原因和责任,以便制订出更为科学的防范措施。
3. 安全技术交底的效果进行安全技术交底的目的是确保施工人员能够进行安全稳定的项目建设,最终达到工程的顺利实施和安全稳定。
安全技术交底可以做到以下几个方面的目的:3.1 提高工作人员的意识通过安全技术交底对施工人员进行安全教育和指导,使他们正确掌握安全知识和技巧,提高安全防范意识,增强自我保护能力。
旺宁路改建工程“三背”回填施工技术交底和安全技术交底交底内容:一、填料选择“三背”是指桥台台背、涵背、墙背,“三背”回填材料采用透水性材料,主要为砂砾石、级配碎石或片碎石,材料最大粒径不超过10cm或填层厚度的2/3。
二、工艺流程及总体要求1、工艺流程:施工准备→回填区域排水→测量放线以控制换填长度、宽度、高度→回填部位清理→开挖纵向或横向搭接台阶→基底夯实→检测合格→机械配合人工分层填筑→小型夯机配合压路机碾压→检验合格→进行上一层铺料→隐蔽验收。
2、“三背”回填前首先要清理基底,基底要清理干净、彻底,将表面的树根、杂草、垃圾等杂物都清除干净,然后压实或夯实。
3、检验回填土的质量有无杂物,检验填土的含水量是否在控制的范围内,如含水量偏高,可采用翻松、晾晒等措施;如遇回填土含水量偏低,可采用预先洒水润湿等措施。
“三背”回填采用设计图纸要求的能够充分压实的材料和机具,不能采用土方、土加石等材料进行回填。
4、桥台台背、涵背和挡墙墙背按照设计图所示回填阴影线范围内进行回填,根据填料的来源情况可采用砂砾土,作为填料,或采用强度大于30MPa、最大粒径不大于10cm的级配碎石。
从构造物基础顶面至下路床范围每层的压实度不应小于96%;基础顶面以下的基坑,可用一般路基材料回填,压实至94%以上。
5、“三背”回填采用水平分层回填,分层碾压夯实,分层回填厚度控制:采用小型夯机夯实:松铺层厚不大于15cm;采用小型压实设备(压路机)压实,松铺层厚不大于20cm。
碾压时,轮迹应相互搭接,防止漏压或漏夯;每层填筑完成,当天须及时碾压完成,防止淋雨。
从构造物基础顶面至下路床范围每层的压实度不应小于96%;基础顶面以下的基坑,可用一般路基填料回填,压实度至94%以上。
6、为防止填层表面积水,每层填筑时,顶面纵向和横向均应设置不小于4%的坡度。
7、“三背”回填经项目部管段工程师和监理检查合格后方可开始填筑。
回填前、回填过程中、完成后均要留取隐蔽工程的影像资料,完成后必须通过项目部、监理工程师隐蔽验收。
专业的论文在线写作平台
台背回填安全技术交底
交底的工程项目、工艺名称
台背回填安全技术交底
安全、环保
交底
1.施工前必须进行安全教育培训。
2.进入施工现场,必须按规定正确穿戴,使用安全帽、工作鞋等个人劳动防护用品,无关人员不得进入施工区域,施工区域内不准赤脚、赤膊,不准穿拖鞋,禁止追逐打闹。
3.现场用的电源线必须由专业电工接拆,所使用的漏电器必须灵敏有效,电线应经常检查,发现有破损或漏电现象的电线不得使用,照明灯、打夯机等用电设备必须有可靠的接零,。