竖流式气浮池设计计算书(自动生成)
- 格式:xls
- 大小:34.50 KB
- 文档页数:7
气浮法设计计算一.气浮法分类及原理二.气浮法设计参数三.气浮法设计计算四.不同温度下的K T值和736K T值例:2×75m3 / h气浮池气浮池设置在絮凝池侧旁,沉淀池上方。
气浮类型较多,有全部压力溶气气浮、分散空气气浮、电解凝聚气浮、内循环射流气浮等,这里选择适用于城镇给水处理的部分回流压力溶气气浮。
气浮适用于含藻类及有机杂质、水温较低、常年浊度低于100NTU的原水;它依靠微气泡粘附絮粒,实现絮粒强制性上浮,达到固、液分离,由于气泡的重度远小于水,浮力很大,促使絮粒迅速上浮,提高固、液分离速度。
气浮依靠无数微气泡去粘附絮粒,对絮粒的重度、大小要求不高,能减少絮凝时间,节约混凝剂量;带气絮粒与水的分离速度快,单位面积产水量高,池容及占地减少,造价降低;气泡捕足絮粒的机率很高,跑矾花现象很少,有利于后级滤池延长冲洗周期,节约水耗;排渣方便,浮渣含水率低,耗水量小;池深浅,构造简单,可随时开、停,而不影响出水水质,管理方便。
●结构尺寸:取回流比R=20%,气浮池处理水量:Q3=(1+R)Q2=1.2×75=90m3/h接触区底部上升段纵截面为矩形,上升流速10~20mm/s,取U J1=18mm/s=64.8m/h接触区底部通水平面面积:F J1=90/64.8=1.389≈1.4m2接触区宽与絮凝池相同,B=2m,接触区底部平面池长方向尺寸:L J1=1.4/2=0.7m接触区上端扩散段纵截面为倒直角梯形,出口流速5~10mm/s,取U J2=7.5mm/s=27m/h接触区上端扩散出口通水平面面积:F J2=90/27=3.333m2接触区宽与絮凝池相同,B=2m,接触区上端扩散出口平面池长方向尺寸:L J2=3.333/2=1.6665≈1.7m扩散段水平倾角α=35°,扩散段高:h K=(1.7-0.7)tan35°=0.7m扩散段容积:V K=〔(1.7+0.7)/2〕×0.7×2=1.68m3接触区停留时间需大于60s,取t J=90s=1.5min,接触区容积:V J=90×1.5/60=2.25m3接触区底部上升段高:h D=(V J-V K)/F J1=(2.25-1.68)/1.4=0.4m分离区清水下降流速1.5~2.5mm,取U3=2.5mm/s=9m/h分离区平面面积:F F=Q3/U3=90/9=10m2分离区平面池长方向尺寸:L F=10/2=5m(<沉淀池长5.5m)气浮池长度方向尺寸:L=5.5m取分离区液深h Y=1.5m,分离区容积:V F=5.5×2×1.5=16.5m3分离区清水下降时间:t F=h Y/U3=1.5/9=0.167h=10min取分离区安全超高h A=0.5m,气浮池高H F=1.5+0.5=2m复核分离停留时间:t F′=V F /Q3=16.5/90=0.183h=11min,满足停留10~15min 的要求,并能满足清水到达池底所需时间。
目录第一章设计任务书 (2)1.1 设计题目 (2)1.2 设计资料 (2)1.3 设计内容 (2)1.4设计成果 (2)第二章设计说明与计算书 (3)2.1 设计原理及方案选择 (3)2.1.1设计原理 (3)2.1.2方案选择 (5)2.2设计工艺计算 (6)2.2.1供气量与空压机选型 (6)2.2.2溶气罐 (7)2.2.3气浮池 (8)2.2.4附属设备 (10)第三章参考文献 (11)第四章设计心得体会 (11)第五章附图 (12)气浮池的设计计算第一章设计任务书1.1 设计题目加压溶气气浮设备的设计(平流式)1.2 设计资料某工厂污水工程拟用气浮设备代替二沉池,经气浮实验取得以下参数:溶气水采用净化后处理水进行部分回流,回流比0.2,气浮池内接触时间为5min,溶气罐内停留时间为3min,分离时间为15min,溶气罐压力为0.4Mpa,气固比0.02,温度30℃。
设计水量850m3/d。
1.3 设计内容(1)确定设计方案;(2)气浮设备的设计计算;(3)系统设备选型,包括水泵、溶气释放器、溶气压力罐、空压机及刮渣机等;(4)计算书编写,计算机绘图。
1.4设计成果(1)设备工艺设计计算说明书;要求参数选择合理,条理清楚,计算准确,并附设计计算示意图;提交电子版和A4打印稿一份。
(2)气浮系统图和气浮设备结构详图(包括平面图、剖面图);要求表达准确规范;提交电子版和A3打印稿一份。
第二章设计说明与计算书2.1 设计原理及方案选择2.1.1设计原理加压气浮法是在加压情况下,将空气溶解在废水中达饱和状态,然后突然减至常压,这时溶解在水中的空气就成了过饱和状态,以极微小的气泡释放出来,乳化油和悬浮颗粒就粘附于气泡周围而随其上浮,在水面上形成泡沫层,然后由刮泡器清除,使废水得到净化。
根据废水中所含悬浮物的种类、性质、处理水净化程度和加压方式的不同,基本流程有以下三种。
1、全部废水溶气气浮法全部废水溶气气浮法是将全部废水用水泵加压,在泵前或泵后注入空气。
气浮池工艺计算案例1.气浮池适用条件(1)低浊度原水(一般常年浊度在100NTU以下);(2)含藻类及有机杂质较多的原水;(3)低温度水,包括因冬季水温较低而用沉淀、澄清处理效果不好的原水;(4)水源受到污染,色度高,溶解氧低的原水。
2.设计参数(1)设计规模:近期建设1座,建设规模为3.0万m3/d,远期再建一座气浮池规模3.0万m3/d。
近远期共用1个气浮池设备间,近期完成土建建设,远期增加配套气浮池设备。
(2)单格设计流量:近期Q=30000×1.1=1375m3/h=0.3819m3/s。
3.气浮池尺寸计算3.1.混凝区单格气浮池上浮区面积:B×L=2.8×(2.8+3.4)m=17.36m2;混凝区停留时间:/==17.36×4.05÷1375×60=3.07minT V Q3.2.絮凝区单格气浮池上浮区面积:B×L=12.4×2×1.765m=43.772m2;絮凝区停留时间:==43.772×3.95÷1375×60=7.54min(水力絮凝10~20min)。
T V Q/3.3.接触区接触区进区流速:/v Q A==(1375+200)/3600÷(0.78×12.4)=0.045m/s(0.1m/s)单格接触区面积:B×L=12.4×0.81m=10.04m2;接触区上升流速:/v Q A==0.3819÷10.04=38.04mm/s(可10~20mm/s,不低于10mm/s,一般采用20mm/s);接触区停留时间:/T V Q==10.04×3.90÷1375×60=1.7min(手册≥60s)接触区水深:3.90H vT m==(有效水深2.0~3.0m)3.4.气浮分离区单格上浮区面积:B×L=12.4×6.0m=74.4m2;气浮区上升流速(分离面积负荷):/v Q A==(1375+200)÷74.4=21.17m/h(5.4~7.2m3/m2.h);停留时间:/T V Q==74.4×3.90÷1375×60=12.66min;放空时间:放空面积=0.2×0.2=0.04m2;max0.620.043/Q m s==⨯μ放空时间为:2274.4 3.90==0.74h max0.2163600VtQ⨯⨯=⨯3.5.气浮池总尺寸(规范:一般气浮池单格宽不超过10.0m,单格长不超过15m,无严格要求)气浮池平面占地尺寸为22.0×13.2m。
2.1 压力溶气系统(包括压力溶气罐、空压机、水泵及其附属设备)2.1.1 溶气系统占整个气浮过程能量消耗的50%,溶气罐价值占工厂总基建投资的12%,因此优化溶气系统的设计对缩小气浮操作费用是很重要的。
溶气罐多为园筒形,立式布置,容积按废水停留时间25~3min计算,罐中可装设有隔板,瓷环之类,也有用空罐的。
因为溶气罐内水、气相混合,所以一般按压力容器进行设计,罐顶设自动排气阀或罐底设自动减压阀平衡压力,罐内压力一般控制在0.45MPa左右为宜,据此可以确定提升泵、回流泵和空压机的参数。
在国外的设计资料和文献中,认为气水停留时间越长,溶气效率越高。
这样就使得溶气罐的体积显得庞大,停留时间有时长达3~5min。
国内的研究证实了液膜阻力控制着溶气速率,认为停留时间越长,溶气效果越好的观念不符合实际,因此国内设计参数不同于国外,是以预定的溶气效率为设计指标,以液相过流密度和液相总容量传质系数为参数。
所有研究都表明有填充床的溶气罐比没有填充床的有效,其效率最高可达到99%,但在实际运行中,经常需对溶气罐进行内部检查,因而在很多溶气气浮工艺中常选用没有填充床的系统,而且大部分无填充床的溶气罐常配有内部的或外部的喷射器以提高溶气效率。
第一种是泵前进气,流程图见图3。
当空气吸入量小于空气在该温度下水中的饱和度时,由水泵压水管引出一支管返回吸水管,在支管上安装水力喷射器,废水经过水力喷射器时造成负压,将空气吸入与废水混合后,经吸水管、水泵送入溶气罐。
这种方式省去了空压机,气水混合效果好,但水泵必须采用自引方式进水,而且要保持lm 以上的水头,其最大吸气量不能大于水泵吸水量的10%,否则,水泵工作不稳定,破坏了水泵应当具有的真空度,会产生气蚀现象。
第二种是泵后进气,流程图见图4。
当空气吸入量大于空气在该温度下水中的饱和度时,空气通过空压机在水泵的出水管压入,但也不宜大于水泵吸水量的25% 。
这种方法使水泵工作稳定,而且不必要求在正压下工作,但需要由空气压缩机供给空气。
气浮法设计计算Company Document number:WTUT-WT88Y-W8BBGB-BWYTT-19998气浮法设计计算一.气浮法分类及原理二.气浮法设计参数三.气浮法设计计算四.不同温度下的K T值和736K T值例:2×75m3 / h气浮池气浮池设置在絮凝池侧旁,沉淀池上方。
气浮类型较多,有全部压力溶气气浮、分散空气气浮、电解凝聚气浮、内循环射流气浮等,这里选择适用于城镇给水处理的部分回流压力溶气气浮。
气浮适用于含藻类及有机杂质、水温较低、常年浊度低于100NTU的原水;它依靠微气泡粘附絮粒,实现絮粒强制性上浮,达到固、液分离,由于气泡的重度远小于水,浮力很大,促使絮粒迅速上浮,提高固、液分离速度。
气浮依靠无数微气泡去粘附絮粒,对絮粒的重度、大小要求不高,能减少絮凝时间,节约混凝剂量;带气絮粒与水的分离速度快,单位面积产水量高,池容及占地减少,造价降低;气泡捕足絮粒的机率很高,跑矾花现象很少,有利于后级滤池延长冲洗周期,节约水耗;排渣方便,浮渣含水率低,耗水量小;池深浅,构造简单,可随时开、停,而不影响出水水质,管理方便。
●结构尺寸:取回流比R=20%,气浮池处理水量:Q3=(1+R)Q2=×75=90m3/h接触区底部上升段纵截面为矩形,上升流速10~20mm/s,取U J1=18mm/s=64.8m/h接触区底部通水平面面积:F J1=90/=≈1.4m2接触区宽与絮凝池相同,B=2m,接触区底部平面池长方向尺寸:L J1=2=0.7m接触区上端扩散段纵截面为倒直角梯形,出口流速5~10mm/s,取U J2=7.5mm/s=27m/h接触区上端扩散出口通水平面面积:F J2=90/27=3.333m2接触区宽与絮凝池相同,B=2m,接触区上端扩散出口平面池长方向尺寸:L J2=2=≈1.7m扩散段水平倾角α=35°,扩散段高:h K=(-)tan35°=0.7m扩散段容积:V K=〔(+)/2〕××2=1.68m3接触区停留时间需大于60s,取t J=90s=,接触区容积:V J=90×60=2.25m3接触区底部上升段高:h D=(V J-V K)/F J1=(-)/=0.4m分离区清水下降流速~2.5mm,取U3=2.5mm/s=9m/h分离区平面面积:F F=Q3/U3=90/9=10m2分离区平面池长方向尺寸:L F=10/2=5m(<沉淀池长5.5m)气浮池长度方向尺寸:L=5.5m取分离区液深h Y=1.5m,分离区容积:V F=×2×=16.5m3分离区清水下降时间:t F=h Y/U3=9==10min取分离区安全超高h A=0.5m,气浮池高H F=+=2m复核分离停留时间:t F′=V F /Q3=90==11min,满足停留10~15min的要求,并能满足清水到达池底所需时间。
气浮池的设计计算气浮池是污水处理中常用的预处理设备,利用溶气水将污水中的悬浮物分离出来,初步净化水质,具有脱色、除油、除悬浮物的功能。
可以采用混凝土结构配套行车式刮渣机,也可以采用钢制主体结构,在工厂内制作成一体化溶气气浮机。
(1)气浮机设计为了防止进入气浮池的水流干扰悬浮颗粒的分离,在气浮池的前面均设置隔板,在隔板前面的部分称为接触室(接触区,变称捕捉区),隔板后面的部分称为分离室(分离区)。
反应后的絮凝水进入接触室,与来自溶气释放器的释气水相混合。
此时水中的絮粒与微气泡相碰撞、粘附形成带气絮粒而上浮,并在分离区中进行固、液分离,浮至水面的浮渣由刮渣机刮至排渣槽排出;清水则由穿孔集水管汇集到集水槽后出流,部分清水经由溶气水泵加压后进入溶气罐,在罐内与空压机的压缩空气相互接触溶解。
平流式气浮池的设计停留时20~30min,表面负荷率5~10m³(m²·h)。
气浮池底应以0.01~0.02的坡度坡向排污口(或由两端坡向中央),排污管进口处应设计泥坑。
浮渣槽应以0.03~0.05的坡度坡向排渣口。
穿孔集水管常用200mm的铸铁管,管中心线距池底250~300mm,相邻两管中心距为1.2~1.5m,沿池长方向排列。
每根集水管应单独设出水阀,以便调节出水量和在刮渣时提高池内水位。
(2)接触区的设计接触区设计得好坏对气浮净水效果影响甚大,因为气浮过程主要依赖于微气泡对絮凝的接触和捕捉;接触室为气泡与絮凝体提供良好的接触条件,其宽度还应易于安装和检修。
进入接触室的流速小于100mm/s,隔板下端的水流上升速度一般取10~20mm/s,而隔板上端的上升流速一般取5~10mm/s;接触室的停留时间2min,表面负荷率取36~72m³/(m²·h);隔板下端直段一般取300~500mm;隔板上部与气浮池水面之间应留有300mm的高度,以防止干扰分离区的浮渣层。
竖流式沉淀池设计计算书
竖流式沉淀池又称立式沉淀池,是池中废水竖向流动的沉淀池。
池体平面图形为圆形或方形,水由设在池中心的进水管自。
上而下进入池内(管中流速应小于30mm/s),管下设伞形挡板使废水在池中均匀分布后沿整个过水断面缓慢上升(对于生活污水一般0.5--0.7mm/s,沉淀时间采用1一1.5h),悬浮物沉降进入池底锥形沉泥斗中,澄清水从池四周沿周边溢流堰流出。
堰前设挡板及浮渣槽以截留浮渣保证出水水质。
池的一边靠池壁设排泥管(直径大于200mm)靠静水压将泥定期排出。
竖流式沉淀池的优点是占地面积小,排泥容易,缺点是深度大,施工困难,造价高。
常用于处理水量小于20000m3/d的污水处理厂。
1.气浮池1.1.功能描述加压气浮法是在加压情况下,将空气溶解在废水中达饱和状态,然后突然减至常压,这时溶解在水中的空气就成了过饱和状态,以极微小的气泡释放出来,乳化油和悬浮颗粒就粘附于气泡周围而随其上浮,在水面上形成泡沫层,然后由刮泡器清除,使废水得到净化。
1.2.设计要点气浮池有效水深2.0-2.5m,长宽比1.5:1~1:1,设计水力停留时间10~20min,分离区水流下降速度1~3mm/s,水力表面负荷5~10m3/m2h。
为防止进水干扰分离区的工作,在气浮池入口设有隔板,隔板前为接触区,设计参数为隔板下端直立部分,水流上升流速取20mm/s;隔板上端一般与水平呈60°角,此区水流上升流速取5~10mm/s;接触区水力停留时间≥2min。
隔板下部竖直部分高300~500mm,隔板上端与气浮池水面距离取300mm,以防止扰动浮渣层。
集水管布置在分离区底部,可为枝状或环状布置,力求集水均匀。
池顶刮渣机行车速度不大于5m/min。
1.3.平流气浮池设计(1)溶气水量计算Q R=1000ASQS’/[C a(fP−1)]Q R-回流加压溶气水量,m3/dA/S-气固比,宜通过试验确定,如无试验资料,可按0.005~0.06的范围选用,废水悬浮固体浓度高时取低值,低时取高值。
气浮处理水量,m3/dS’-废水中悬浮物固体浓度,kg/m3C a-0.1MPa大气压下空气的质量饱和溶解度(查表),g/m3f-加压溶气系统的溶气效率,一般取0.6~0.8P-溶气绝对压力,0.1MPa0.1MPa大气压下空气在水中的饱和溶解度(2)接触区计算接触区容积计算:V j=(Q+Q R)t1 24×60V j-接触区容积,m3Q-处理废水量,m3/dQ R-回流溶气水量,m3/dT1-接触区接触时间,min,≥2min 接触区面积计算:A j=V j HA j-接触区面积,m2有效水深,m接触区长度计算:L j=A j/b L j-接触区长度,mb-气浮池宽度,m(3)气浮池分离区计算气浮池分离区容积计算:V f=(Q+Q R)t2 24×60V f-分离区容积,m3t2-分离区停留时间,min气浮池有效水深计算:H=V s t2 H-气浮池有效水深,mV s-分离区水流下降的平均流速,m/st2-分离区停留时间,s 分离区面积计算:A f=V f HA f-分离区面积,m2分离区长度计算:L f=A f bL f-分离区长度,m b-气浮池宽度,m (4)溶气罐计算V R=Q R t 24×60t-溶气罐停留时间,3min1.4.一体化气浮设备(参考)。
SQF7.5竖流式气浮装置技术说明一、主要技术参数·池体直径:φ1.6m·处理量:7.5m3/h·出渣的含固率≥3%·气浮类型:部分加压水回流溶气气浮·溶气水回流比:25~30%·溶气水压力:0.25~0.3Mpa·刮渣斗数量:1个·刮渣机功率:0.37kw·溶气水泵功率:3kw·空压机功率:0.37kw·电机防护等级:IP54·绝缘等级:F级·工作制:24小时/天连续运行二、主要结构和工作原理1、竖流式气浮装置主要由气浮池体、溶气系统(含溶气水泵、流量计、空压机、溶气罐、填料、溶气释放器、管道阀门)、刮渣机组成。
⑴池体直径1600mm,高2700mm,占地面积小。
整套气浮装置采用钢制结构,分内外两个同心的筒体。
为保证设备加工质量和产品外观,制作筒体时,采用卷板机分块卷制后在专用平台上焊接拼装。
池底部设有排泥管道与排空管道,中心处有进水管、溶气水管、环形穿孔集水管。
⑵进水管底部设有散流布水装置,可将原水或加药絮凝后的废水在内筒底部均匀扩散,继而与溶气释放器释放的溶气水进行充分反应。
释放器采用新型不锈钢制溶气释放器,耐腐蚀,不易堵塞,释气效率高达99%,释出气泡直径为20~30微米。
为防止由于水质变化或停机检修后释放器堵塞,设置了释放器空气反洗装置,无需拆卸就能实现释放器的清洗工作。
⑶环形的穿孔集水管安装在分离区(外筒)底部,通过数根均布的清水管将分离后的清水引至出水堰槽。
出水堰底板与气浮装置总出水管相连,出水口设有水位调节装置,可根据浮渣层厚度和出水水质调节气浮池水位,便于刮渣机有效工作。
⑷刮渣机安装在气浮池顶部,电机驱动减速机带动主轴旋转,刮渣机刮板通过联接螺栓与主轴法兰联接,刮渣板旋转时将浮至水面的浮渣或浮油刮至渣槽。
渣槽具有一定的坡度,通过重力将浮渣排出气浮装置。
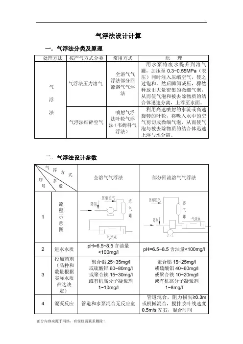
气浮法设计计算一.气浮法分类及原理处理方法按产气方式分类常用方式原 理气 浮 法气浮法压力溶气 全溶气气浮法部分回流溶气气浮法用水泵将废水提升到溶气罐,加压至~(表压)同时注入压缩空气,使之过饱和。
然后瞬间减压,骤然释放出大量密集的微细气泡,从而使气泡和被去除物质的结合体迅速分离,上浮至水面。
气浮法细碎空气喷射气浮法叶轮气浮法(韦姆科气浮法)利用高速喷射的水流或高速旋转的叶轮,将吸入水中的空气剪切成微细气泡,从而使气泡与被去除物质的结合体迅速上浮与水分离。
二.气浮法设计参数全溶气气浮法 部分回流溶气气浮法1流 程 示 意 图2 进水水质 pH=~含油量<100mg/l pH=~含油量<100mg/l3投加药剂(品种和数量根据实际水质筛选决定)聚合铝25~35mg/l或硫酸铝60~80mg/l或聚合铁15~30mg/l或有机高分子凝聚剂1~10mg/l聚合铝15~25mg/l或硫酸铝40~60mg/l或聚合铁10~20mg/l或有机高分子凝聚剂1~8mg/l4 混凝反应 管道和水泵混合无反应室管道混合,阻力损失≥或机械混合,搅拌浆叶线速度s 左右,混合时间气 浮 方式参 数 序 号三.气浮法设计计算四.不同温度下的K T值和736K T值例:2×75m3 / h气浮池气浮池设置在絮凝池侧旁,沉淀池上方。
气浮类型较多,有全部压力溶气气浮、分散空气气浮、电解凝聚气浮、内循环射流气浮等,这里选择适用于城镇给水处理的部分回流压力溶气气浮。
气浮适用于含藻类及有机杂质、水温较低、常年浊度低于100NTU的原水;它依靠微气泡粘附絮粒,实现絮粒强制性上浮,达到固、液分离,由于气泡的重度远小于水,浮力很大,促使絮粒迅速上浮,提高固、液分离速度。
气浮依靠无数微气泡去粘附絮粒,对絮粒的重度、大小要求不高,能减少絮凝时间,节约混凝剂量;带气絮粒与水的分离速度快,单位面积产水量高,池容及占地减少,造价降低;气泡捕足絮粒的机率很高,跑矾花现象很少,有利于后级滤池延长冲洗周期,节约水耗;排渣方便,浮渣含水率低,耗水量小;池深浅,构造简单,可随时开、停,而不影响出水水质,管理方便。
处理水量Q=5m3/h反应时间t=6分钟,接触室上升流速V=10毫米/s气浮分离速度Vs=2.0mm/s,分离室停留时间取10分钟溶气水量占处理污水量的比值R=30%,溶气压力采用3kg/cm2填料罐过流密度L=5000m3/d.m2设计计算:(1)气浮接触室直径doV=10mm/s,接触室表面积:A0=Q(1+R)/V=5(1+0.3)/(3600×10×10-3)=0.1806m2接触室直径:d=(4×A/π)1/2=(4×0.1806/3.14) 1/2=0.48m,取0.5m (2)气浮池直径D,选定分离速度V s=2.0mm/s,则分离室表面积:As =Q(1+R)/Vs=5(1+0.3)/(3600×2×10-3)=0.903m2气浮池直径D=[4×(A0+A s)/π]1/2=[4×(0.1806+0.903)/3.14]1/2=1.175m,取1.2m(3)分离室水深Hs ,选取分离室停留时间ts=10分钟,则Hs =Vsts=2.0×10-3×10×60=1.2m接触室出口断面处的流速V1=7mm/s,则出口处水深H2H2=Q(1+R)/(tsdoV1)=5×(1+0.3)/(3600×3.14×0.5×7×10-3)=0.164m,取1.7m(4)接触室高度H0=H3-H2=1.2-0.17=1.03m(5)气浮池容积W=(A0+As)Hs=(0.1806+0.903)×1.2=1.3m3(6)时间校核,接触室气、水接触时间t0=H/V=1.03/(10×10-3)=103秒(>60秒)气浮池总停留时间:T=60×W/[Q×(1+R)]=60×1.3/[5×(1+0.3)]=12.0分钟分离室停留时间:T- t=12.0-103/60=10.28分钟与初选时间相符(7)计算反应池体积V其中V1的高度h1为:h1=(D-d)/2×tg30°=(1.2-0.5)/2×0.577=0.2020mV1=[(D/2)2+(d/2)2+(D/2)×(d/2)]×(πh1/3)=[(1.2/2)2+(0.5/2)2+(1.2/2)×(0.5/2)]×(3.14×0.2020/3) =0.121m3设取圆台V2的底d=0.5m,则V2的高h2为:h2=(D-d)/2×tg30°=0.202m V2=0.121m3∴V=V1+V2=0.121×2=0.242m3根据基本设计数据反应时间为t=6分钟计算,反应池体积为:W1=Qt/60=5×6/60=0.5m3现V略小于W1,其实际反应时间为:t1=60×V/Q=60×0.242/5=2.904分钟(8)反应-气浮池高度浮渣层高度H1=5厘米,干舷H=15厘米,则反应-气浮池高度H为:H=H0+H1+H2+h+h1+h2=0.15+0.05+0.17+1.03+0.202+0.202=1.804m(9)集水系统气浮池集水采用12根均布的支管,每根支管流量为:q=Q(1+R)/12=5×(1+0.3)/12=0.5417m3/h=0.000151m3/s查表得支管直径dy=25mm,管中流速为0.95m/s,支表中水的损失为:h阻=(ξ进+λL/d+ξ阻+ξ出)VX2/(2g)=(0.5+0.02×1.80/0.025+0.3+1.0)×0.952/2g=0.15米出水总管直径Dg取DN80,管中流速为<0.54m/s,总管上端装水位调节器反应池进水管靠近池底(切面方向),其直径D’=80毫米,管中流速<1.0m/s 气浮池排渣管直径DN100mm2.溶气释放器根据溶气压3kg/m2,溶气水量1.5m3/h,及接触室直径d=0.5m的情况,可选用TJ-H 型释放器一台,释放器安置在离接触室底5厘米处的中心。
【干货】气浮池计算书溶气气浮(DAF)是气浮的一种,它利用水在不同压力下溶解度不同的特性,对全部或部分待处理(或处理后)的水进行加压并加气,增加水的空气溶解量,通入加过混凝剂的水中,在常压情况下释放,空气析出形成小气泡,粘附在杂质絮粒上,造成絮粒整体密度小于水而上升,从而使固液分离。
溶气气浮(DAF)是气浮的一种,它利用水在不同压力下溶解度不同的特性,对全部或部分待处理(或处理后)的水进行加压并加气,增加水的空气溶解量,通入加过混凝剂的水中,在常压情况下释放,空气析出形成小气泡,粘附在杂质絮粒上,造成絮粒整体密度小于水而上升,从而使固液分离。
溶气气浮(DAF)适用于处理低浊度、高色度、高有机物含量、低含油量、低表面活性物质含量或具有富藻的水。
相对于其它的气浮方式(详见附录1),它具有水力负荷高,池体紧凑等优点。
但是它的工艺复杂,电能消耗较大,空压机的噪音大等缺点也限制着它的应用。
1 分类(type)根据不同的划分原则,DAF可以有不同的分类。
1.1 根据气泡从水中析出时所处压力的不同,可分为真空式气浮法与压力溶气气浮法两种。
前者利用抽真空的方法在常压或加压下溶解空气,然后在负压下释放微气泡,供气浮使用;后者是在加压情况下,使空气强制溶于水中,然后突然减压,使溶解的气体从水中释放出来,以微气泡形式粘附上絮粒,一起上浮。
1.1.1 真空式气浮池,虽然能耗低,气泡形成和气泡与絮粒的粘附较稳定;但气泡释放量受限制;而且,一切设备部件,都要密封在气浮池内;气浮池的构造复杂;只适用于处理污染物浓度不高的废水(不高于300mg/l),因此实际应用不多。
1.1.2 压力溶气气浮法是目前国内外最常采用的方法,可选择的基本流程有全流程溶气气浮法、部分溶气气浮法和部分回流溶气气浮法三种。
气浮池计算书.zip。