有创血压监测
- 格式:ppt
- 大小:2.59 MB
- 文档页数:30
有创动脉血压监测[指南]有创动脉血压监测2006-3-2 15:26 【大中小】【我要纠错】有创动脉血压监测一、原理是将动脉导管置入动脉内直接测量动脉内血压的方法。
(正常情况下有创动脉血压比无创血压高2-8cmHg,危重病人可高10-30cmHg.)二、适应症适用于休克、重症疾病、严重的周围血管收缩、进行大手术或有生命危险手术病人的术中和术后监护、其他存在高危情况病人的监护。
三、优点1、直接动脉压力监测为持续的动态变化过程,不受人工加压、袖带宽度及松紧度影响,准确可靠,随时取值。
2、可根据动脉波形变化来判断分析心肌的收缩能力。
3、患者在应用血管活性药物时可及早发现动脉压的突然变化。
4、反复采集动脉血气标本减少患者痛苦。
四、所需设备合适的动脉导管、充满液体带有开关的压力连接管、压力换能器、连续冲洗系统、电子监护仪。
五、动脉内置入导管的部位及方法(一)部位:常用于桡动脉、股动脉、腋动脉、肱动脉、足背动脉,其中首选桡动脉,其次为股动脉。
(二)、置管方法:以经皮桡动脉穿刺置管法为例1、用物准备(1)动脉套管针(根据患者血管粗细选择)、12号或16号普通针头,5ML注射器、无菌手套、无菌治疗巾及1,普鲁卡因。
(2)动脉测压装置。
3)常规无菌消毒盘。
(4)其他用物:小夹板及胶布等。
2、患者准备(1)向患者解释操作目的和意义,以取得其配合。
(2)检查尺动脉侧支循环情况,Allen试验阴性者,可行桡动脉置管。
(3)前臂与手部常规备皮,范围约2cmX10cm,应以桡动脉穿刺处为中心。
3、穿刺与置管 [医学教育网搜集整理](1)患者取平卧位,前臂伸直,掌心向上并固定,腕部垫一小枕手背屈曲60度。
(2)摸清桡动脉搏动,常规消毒皮肤,术者戴无菌手套,铺无菌巾,在桡动脉搏动最清楚的远端用1,普鲁卡因做浸润局麻至桡动脉两侧,以免穿刺时引起桡动脉痉挛。
(3)在腕褶痕上方1cm处摸清桡动脉后,用粗针头穿透皮肤做一引针孔。
(4)用带有注射器的套管针从引针孔处进针,套管针与皮肤呈30度角,与桡动脉走行相平行进针,当针头穿过桡动脉壁时有突破坚韧组织的脱空感,并有血液呈搏动状涌出,证明穿刺成功。
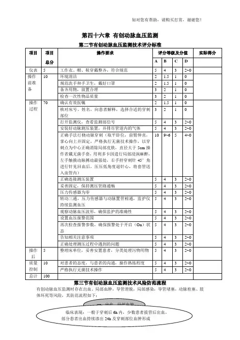
有创动脉血压监测在重症监护病房(ICU),常规应用无创动脉血压(NIBP )监测,对血流动力学稳定的患者提供了一些重要的生理参数,然而对血流动力学不稳定的危重病患者,NIBP存在一定的限制,不能动态地、准确地反映患者实际的血压水平,必须进行有创动脉血压(IBP)监测。
IBP是一个基础血流动力学参数,常用于指导临床治疗,尤其在危重病方面。
IBP原理及方法:原理:经动脉穿刺置管后直接测量动脉血压。
方法:有创动脉血压监测系统包括二个组件:电子系统和充液导管系统。
穿刺成功后将动脉导管与充液导管系统相连,然后通过换能器将充液系统与电子监测系统相连接,调零后即可直接连续测量动脉血压了。
IBP适应症:1、各类危重患者和复杂大手术及有大出血的手术。
2、体外循环直视手术。
3、低温治疗或需控制性降压的手术。
4、严重低血压、休克需反复测量血压的患者。
5、需反复采取动脉血标本作血气分析的患者。
6、需要应用血管活性药物的患者。
7、心肺复苏术后的患者。
IBP测量(穿刺)部位:1、桡动脉:为首选途径,因桡动脉位置表浅且相对固定,穿刺易于成功。
但应首先进行Allen 试验。
2、股动脉:遇有其他动脉穿刺困难时可选用,但应注意预防感染和加强固定。
3、尺动脉:Allen试验证实手部供血以桡动脉为主者,选用尺动脉提高安全性,但成功率低。
4、足背动脉:是下肢胫前动脉的延伸,较细。
5、肱动脉:穿刺点在肘窝部,亦有阻塞前臂和手部血供的危险。
什么叫做Allen试验?检查尺动脉侧支循环情况采用Allen试验进行。
具体方法:(1)抬高上肢,检查者用手指同时压迫患者桡动脉和尺动脉以阻断血流。
(2)让患者放松,握拳动作数次,待静脉充分回流后将手伸展,此时手掌肤色发白。
(3)放平上肢,操作者手指松开解除对尺动脉的压迫,观察患者手部颜色恢复情况,0~6s表示尺动脉侧支循环良好,7~14s属可疑,≥15s属尺动脉侧支循环不良,禁止选用桡动脉穿刺置管。
Allen试验的好处:Allen试验简单方便,适合于临床应用,但是由于检查中主观因素过多,所以存在一定的“假阴性”和“假阳性”。
有创动脉血压监测流程下载温馨提示:该文档是我店铺精心编制而成,希望大家下载以后,能够帮助大家解决实际的问题。
文档下载后可定制随意修改,请根据实际需要进行相应的调整和使用,谢谢!并且,本店铺为大家提供各种各样类型的实用资料,如教育随笔、日记赏析、句子摘抄、古诗大全、经典美文、话题作文、工作总结、词语解析、文案摘录、其他资料等等,如想了解不同资料格式和写法,敬请关注!Download tips: This document is carefully compiled by theeditor. I hope that after you download them,they can help yousolve practical problems. The document can be customized andmodified after downloading,please adjust and use it according toactual needs, thank you!In addition, our shop provides you with various types ofpractical materials,such as educational essays, diaryappreciation,sentence excerpts,ancient poems,classic articles,topic composition,work summary,word parsing,copy excerpts,other materials and so on,want to know different data formats andwriting methods,please pay attention!有创动脉血压监测是一种通过将动脉导管置入动脉内,直接测量动脉血压的方法。