经典医疗器械供货企业质量保证体系调查表(模板).doc
- 格式:doc
- 大小:27.00 KB
- 文档页数:1
供货单位审计调查表填表日期:填表人:
(有其他详细情况可另附说明)
二、基本内容
(四)质量管理体系文件管理情况
质量管理体系文件包括:□
√质量管理制度
□√操作规程 □√部门及岗位职责
(五)计算机系统管理情况
填表说明:
一、感谢贵公司长期以来对我公司的不懈支持,双方共同建立了良好的战略合作关系。
按照新版GSP的要求,我方需对供应商进行质量管理体系评价。
二、此调查表是我方对贵公司质量管理体系评价的重要依据,请如实、详细填写,以客观、真实地评价贵公司的质量保证能力和质量信誉。
三、填写完整后,请逐页加盖贵公司公章原印章,并在一周内返回至我方。
**********公司
二〇一八年一月一日
以下内容由*********医药有限公司质管部负责填写
外审评价表。
供应商调查表填写说明:此份供应商调查问卷表是我公司认同过程的一部分,也是贵公司成为我公司将来供应商的先决条件.请尽可能完整的填写,并在一周内完成返还给我们。
公司联系人: 电话: 传真:1. (物料)产品名 称:商品名称:注册证号/批准文号:2. 供应商/生产商公司名称:详细地址:主要联系人姓名: 职位:主要联系人电话: 传真:公司所有权性质:3. 公司法人、生产、质量负责人情况表:4.机构和标准贵公司是否已采用质量管理体系? □ Yes □ No贵公司是否已经得到相应管理机构的确认? □Yes □ No如有,标明最近的接受认证的时间和认证号贵公司的质量管理系统是否已经独立机构审计(国家或私人机构)?□ Yes □ No 如果有,请写明机构名称贵公司有多少员工从事生产相关操作?以上产品是否遵循国家标准或行业标准?□ Yes □ No 请写出产品执行标准名称产品放行的决定是由生产部门外的其他部门完成的吗? □ Yes □ No 贵公司是否同意由我公司质量部代表审查贵公司工厂?□ Yes □ No 贵公司是否具有欧洲/美国产品法规文件或适宜证明文件?□ Yes □ No 贵公司是否同意提供产品法规文件的公开部分?□ Yes □ No 5.技术问题5.1生产问题贵公司是否自己生产以上产品?□ Yes □ No 如果不是,请把此问卷的复件传给以上产品的制造商继续填写在最近的1至3年中,贵公司的名称,所有权性质,生产地址产品种类或主要的组织机构人员有过变更吗?□ Yes □ No 如果有,请标明是什么和何时在你们的制造工厂是否生产或加工其他类产品?如果有,请标出产品名称贵公司采取何种手段避免交叉污染、混淆或标致错误?贵公司的产品是否在同一个工厂内生产?□ Yes □ No贵公司的生产是否使用同一主要生产设备线?□ Yes □ No贵公司的产品设备是否专用?□ Yes □ No该产品于何时投入生产?生产过程中是否用到从动物中获取的起始原料?□ Yes □ No如果是,是否采取措施以减少受动物传染病影响的风险?□ Yes □ No是否用到以化学物质/无机物为起始原料?□ Yes □ No是否所有生产用原料都建立了质量标准?□ Yes □ No是否对所有原料都进行质量检验?□ Yes □ No 是否具备原材料的合格供应商清单?□ Yes □ No 是否保留样本?□ Yes □ No 关键的生产和灌装设备是否经过确认?□ Yes □ No 生产工艺是否经过验证?□ Yes □ No 是否建立了设备的清洁程序?□ Yes □ No 关键设施设备是否经过清洁验证?□ Yes □ No 有何设备?关键设备是否建立了预防维修制度?□ Yes □ No 生产用水是什么?水系统是否经过确认?□ Yes □ No 水质是否定期监测?□ Yes □ No 定期监测的周期是多少?5.2厂房:厂房何时建造?是否有对厂房的环境控制情况进行确认?□ Yes □ No 生产区和检测房间是否有清洁SOP?□ Yes □ No 是否有限制进入房间的规定?□ Yes □ No 5.3质量保证:质量控制是否独立于生产?□ Yes □ No 是否定期进行自检并保留相关的记录?□ Yes □ No 是否会执行生产再加工或返工?□ Yes □ No 是否有对最终产品包装/密封系统进行稳定性考察程序?□ Yes □ No 产品是否始终遵循同一经注册的生产工艺/程序生产?□ Yes □ No 若生产工艺有重大变更时贵公司是否会通知我公司?□ Yes □ No 通常一批产品的批量是多少?是否确认了一批产品的均匀性?□ Yes □ No 如果是,如何确认其均匀性的?有原料/包材或产品送工厂外的实验室检验吗?□ Yes □ No 是否每一批产品都按规定的质量标准进行检验?□ Yes □ No在最终产品中是否存在溶剂残留? □ Yes □ No请标明品种名和处于的水平产品是否按程序提交微生物污染检测?□ Yes □ No是否能提供一特定批的检验报告书?□ Yes □ No是否定期对员工进行培训?□ Yes □ No是否有培训记录?□ Yes □ No是否定期对培训进行评估?□ Yes □ No是否建立更改控制程序以确保在生产工艺、分析方法、关键设备中发生变更均得到有效控制和记录?□ Yes □ No是否有偏差处理程序?□ Yes □ No是否有纠正预防程序?□ Yes □ No是否有工业卫生程序?□ Yes □ No是否有产品质量回顾程序?□ Yes □ No如果是,该系统是否经过验证?□ Yes □ No5.4质量控制:原料是否均由合格供应商提供?□ Yes □ No产品检验是否根据规定的质量标准?□ Yes □ No是否建立了书面且经过批准的检验方法?□ Yes □ No是否该检验方法经过验证?□ Yes □ No验证方法是否满足要求?□ Yes □ No如果有重大变化,分析方法是否会重新进行验证?□ Yes □ No如果分析方法有变化,贵公司是否会及时通知到客户?□ Yes □ No是否有样品处理的书面程序?□ Yes □ No分析结果和计算是否经双人复核?□ Yes □ No是否由协议实验室进行分析检验?□ Yes □ No检验报告书是否能提供信息表明所有检验由该测试实验室完成,并且该检验与规定的标准相符合?□ Yes □ No5.6证书及样品:是否能提供每批产品的检验报告书并且包括所有的分析数据?□ Yes □ No是否每批产品均保留存样?□ Yes □ No 如果是,请提供存储期:是否由QC出具体验报告书并且经QA/QC批准?□ Yes □ No 是否进行微生物检查?□ Yes □ No 原料□ Yes □ No 产品□ Yes □ No 空气,墙面,机器/设备□ Yes □ No 生产用水□ Yes □ No 人员□ Yes □ No 5.7试剂:是否进行入场检验?□ Yes □ No 是否有合格的存放条件?(如温度)□ Yes □ No 有效期是否固定?□ Yes □ No 是否对存放环境及有效期进行监控?□ Yes □ No 是否进行有效的标志?□ Yes □ No 5.8分析仪器:是否经过确认?□ Yes □ No是否定期校验?□ Yes □ No是否定期进行维护?□ Yes □ No是否建立运行记录?□ Yes □ No是否建立清洁程序?□ Yes □ No是否有专人管理标准品?□ Yes □ No 6.包装及运输产品运输时的包装(类型和装置)是什么?每单位的净重:产品是否用垫仓板运输?□ Yes □ No 如果是,请写明垫仓板的种类、尺寸和重量产品包装上是否写明以下信息:公司名称,产品名称,批号,净重?□ Yes □ No 请列举一产品批号,并解释其含义?请写明产品的有效期/复验期及贮存条件贵公司是否还遵循其他特定的安全规范?□ Yes □ No 如果有,请写明贵公司是否有特别的运输条件?□ Yes □ No 如果有,请写明公章及签名:日期:年月日。
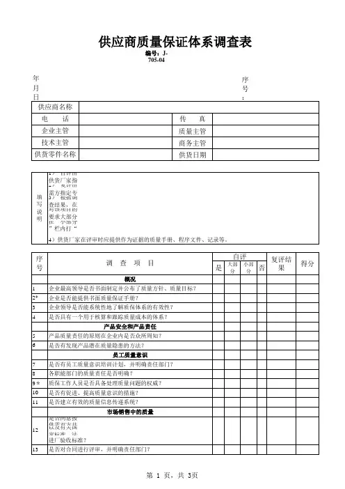
供应商质量保证能力调查表(DOC 70页)供应商质量保证能力调查表编号:ZJ/CL-01概况名称经济性质地址邮编厂长电话电挂生产负责人电传营业执照建厂时间职工总数生产面积经营范围部门机构设计部门服务部门人员质量管理部门人员检验部门人员技术人员人其中:高级职称人:中级职称人:检验人员人其中:高级职称人:中级职称人:质量管理人员总数人其中:高级职称人:中级职称人:生产人员总数人其中:技师人:高级工人:中级工人:服务人员总数人其中:技术人员人:生产设备和检测设备生产设备总数台(件),关键设备台:设备完好率 % 工装总数台(件)关键工装台:工装完好率 %检验、测试和试验设备台(件)数台(件):其中:通用量具件:仪器台;专用检测设备台;专用量具件;检测设备台;出厂试验设备台质量认证情况质量体系认证质量保证模式标准号认证机构质量体系认证书(提供复印件)证书有效期证书覆盖产品产品认证或安全认证认证类别产品认证认证机构证书及有效期认证标志证书覆盖产品生产许可证出证书类别生产许可证出口质量许可证发证部门证书编号口质量许可证获证产品名称、规格证书有效期供方综合能力评价表编号:ZL/CL--02供方名称地址联系人电话传真供应产品及类别评价表编号评价项目评价结果生产资质及质量认证情况设备能力及技术力量质量管理及质量保证能力产品质量状况交货期及服务情况其他情况经综合评价,同意作为合格供方综合评价结论参加评价人员编制:日期:审核:日期:批准:日期:合格供方年度审查记录编号:ZL/CL--03供方名称地址联系人电话传真供应产品及类别评价表编号评价项目评价结果产品质量状况交货期及服务情况用户反映情况其他情况综合评价结论参加评价人员材料责任师:施工工艺责任师:焊接责任师:检验责任师:质量保证工程师:编制:日期:审核:日期:批准:日期:合格供方名册编号:ZL/CL--04序号供方名称所供产品名称类别首次列入日期评价表编号联系人联系电话年度复评结果编制:日期:审核:日期:批准:日期:采购计划工程名称:编号:ZL/CL--05序号材料单位数量材质标准及附加要求名称牌号规格编制:日期:审核:日期:批准:日期:工程材料计划表工程名称:编号:ZL/CL--06序号名称规格单位数量材质备注编制:日期:审核:日期:批准:日期:外购件明细工程名称:编号:ZL/CL--07序号图号(标准)名称规格型号单位全机数量材料牌号备注编制审核标记处数更改文件号签字日期标记处数更改文件号签字日期外协件明细工程名称:编号:ZL/CL--08序号图号(标准)件号零件名称全机数量材料牌号单重(公斤)外协工艺内容备注编制审核标记处数更改文件号签字日期标记处数更改文件号签字日期外购件(外协件)验收入库通知单编号:ZL/CL—09产品名称制造编号规格数量生产厂自编代号供货单位出厂日期标准号其他参数质证书号检验项目项目检验结果质证书审查标记铭牌复核外观质量几何尺寸存在问题处理结论经检查符合标准,验收合格,同意入库。
质量保证体系调查表格背景为了确保产品和服务的质量,一个有效的质量保证体系是非常重要的。
这个调查表格旨在评估和调查质量保证体系的有效性和可持续性。
调查问卷1. 公司信息- 公司名称:- 公司地址:- 公司规模:- 公司行业:- 公司成立时间:2. 质量保证体系结构- 请简要描述公司的质量保证体系结构。
- 该结构是否与国际质量标准相符?- 是否有专门的质量保证团队负责监督和改进质量保证体系?3. 质量政策与目标- 公司是否有明确的质量政策和目标?- 请简要描述公司的质量政策和目标。
- 该政策和目标是否与公司的战略目标相一致?4. 流程控制与程序- 公司是否有明确的流程控制和程序?- 是否有文件化的流程和程序文档?- 是否有定期的审核和改进流程和程序的机制?5. 质量标准与检测- 公司是否有明确的质量标准和检测方法?- 是否有检测设备和实验室用于质量控制?- 是否进行定期的质量标准和检测的评估和更新?6. 培训与员工参与- 公司是否提供培训和发展计划?- 是否有培训计划和培训记录?- 是否有员工参与质量保证体系的机制?7. 非合格品与改进措施- 公司是否有非合格品的处理程序和改进措施?- 是否有记录和追踪非合格品及其改进措施的机制?- 是否有有效的纠正和预防措施?8. 客户反馈与持续改进- 公司是否收集客户反馈?- 是否有持续改进质量保证体系的机制?- 公司是否定期评估和改进质量保证体系?总结这份调查表格旨在评估公司的质量保证体系。
通过回答上述问题,您可以了解质量保证体系的有效性和可持续性,并发现可能的改进点。
质量保证体系对于确保产品和服务的质量至关重要,希望这份调查表格能够帮助您评估和改进质量保证体系。
完整word版)医疗器械经营企业质量管理全套表格首营企业审批表企业名称:企业地址:许可证号:执照注册号:经营或生产范围:类别:到期期限:注册资金:经营方式:器械经营企业/器械生产企业拟供应品种:法定代表人:联系人:销售人员:传真:联系身份证号:采购员申请原因(签字):年月日业务部门意见(负责人签字):年月日审核意见(质量管理负责人签字):年月日审批意见:同意作为合格供货方(总经理或主管副总经理签字):年月日审核表应附资料:1.医疗器械经营许可证或医疗器械生产许可证复印件2.营业执照复印件3.委托书原件4.销售人员身份证复印件说明:此表用于对供货的首次经营品种进行审查。
附件中应包含营业执照、医疗器械生产许可证或医疗器械经营许可证、企业法定代表人的委托授权书原件、销售人员身份证明、医疗器械产品注册证书及附件、产品合格证明、产品质量标准、检验报告书、质量保证协议、包装、标签、说明书批件和实样。
提供复印件的资料需加盖原单位红色印章。
首营品种审批表产品名称:生产批号(出厂编号):生产厂商:企业地址:生产许可证号:许可生产经营范围:业务联系人身份证号:注册证号:有效期:法定代表人:邮编:营业执照号:型号规格:储存条件:企业传真:联系对法人委托书的审核结果:产品性能、质量、用途、疗效等情况:委托有效期限:注意事项、警示及提示性说明:业务部门申请理由签字:年月日签字:年月日签字:年月日质管部门意见:负责人审批意见:说明:此表用于对供货的首次经营品种进行审查。
附件中应包含营业执照、医疗器械生产许可证或医疗器械经营许可证、企业法定代表人的委托授权书原件、销售人员身份证明、医疗器械产品注册证书及附件、产品合格证明、产品质量标准、检验报告书、质量保证协议、包装、标签、说明书批件和实样。
提供复印件的资料需加盖原单位红色印章。
医疗器械购进记录年度购货日期:月日品名规格型号:单位数量单价金额:供货单位生产厂家:产品注册生产批证号或号(生产日期)有效期备注:医疗器械验收、入库记录年度日期:品名规格型号:单位数量:供货单位生产厂家:产品注册证号或生产批号或月日(备案凭证编号)(序列号)生产日期有效期或失效期:验收合格数量:验收结果:是否入库:验收人员:出库单购货单位:日期:产品名称规格型号数量生产日期生产厂家注册证号质量情况有效期保管员:复核员:入库单产品名称规格型号数量生产厂家生产批号注册证号验收员签字:有效期制单日期:产品出库记录和复核记录:日期购货单位产品名称规格型号证号或备案凭证编号生产批号或序列号灭菌批号有效期生产许可证号经营许可证号(备案凭证编号)数量单价金额生产厂家(备案凭证编号)质量状况复核员产品销售记录:日期购货单位产品名称规格型号证号或备案凭证编号生产批号或序列号灭菌批号有效期生产许可证号经营许可证号(备案凭证编号)数量单价金额生产厂家(备案凭证编号)产品条形码质量查询、投诉、抽查情况记录:投诉内容日期客户名称产品名称生产批号有效期生产厂家投诉内容医疗器械在库养护、检查记录:日期品名规格数量供货单位生产厂家生产批号有效期温度湿度外观质量检查结果养护员温湿度记录表:年月库区温度范围相对湿度范围上午采取措施后库内温度库内相对湿度调控措施温度湿度下午调控措施采取措施后温度湿度记录员售后服务登记表:编号销售单位详细地址产品名称规格票号电话联系人生产批号购货日期供货单位生产厂家产品注册证号售后服务内容服务人员服务反馈结果(已解决/未解决/返厂处理)医疗器械售后服务反馈登记表:编号反馈单位电话供货单位部门品名规格姓名生产批号购货日期生产厂家产品注册证号反馈方式质量跟踪处置情况记录:我们采用了多种方式进行质量跟踪,包括来人、来电、来函、走访、问卷调查、报刊、电视等多种方式,以确保我们的产品质量得到有效监控和管理。
供货企业质量管理体系调查表一、基本信息1. 企业名称:____________________2. 企业地址:____________________3. 联系人:____________________4. 联系电话:____________________5. 企业类型:□生产型企业□贸易型企业□服务型企业6. 主要产品/服务:____________________7. 企业规模:□小型□中型□大型二、质量管理体系1. 企业是否已建立质量管理体系?□是□否2. 如果已建立,请提供质量管理体系的认证证书编号及有效期:____________________3. 质量管理体系的主要文件有哪些?(可多选)□质量手册□程序文件□作业指导书□质量记录表□其他(请说明):____________________4. 质量管理体系的运行情况如何?□良好□一般□较差5. 企业是否定期对质量管理体系进行内审?□是□否6. 如果定期内审,请提供内审报告或相关记录:____________________7. 企业是否定期对质量管理体系进行外审?□是□否8. 如果定期外审,请提供外审报告或相关记录:____________________9. 企业是否对质量管理体系进行持续改进?□是□否10. 如果进行持续改进,请提供改进措施及效果:_____________________________三、产品质量控制1. 企业是否有专门的质量控制部门或人员?□是□否2. 企业对原材料的采购有何要求?(可多选)□供应商资质审查□原材料检验报告□合同中约定质量标准□其他(请说明):____________________3. 企业对生产过程有何控制措施?(可多选)□工艺规程□作业指导书□设备维护保养□过程检验□其他(请说明):____________________4. 企业对成品有何检验要求?(可多选)□全检□抽检□根据客户要求检验□根据国家标准/行业标准检验□其他(请说明):____________________5. 企业如何处理不合格品?□返工处理□报废处理□退货处理□其他(请说明):____________________6. 企业对质量问题的处理时效要求是多久?____天/小时。