IEC104规约报文说明
- 格式:pdf
- 大小:446.19 KB
- 文档页数:20
IEC104规约调试小结一、四遥信息体基地址范围“可设置104调度规约”有1997年和2002年两个版本,在流程上没有什么变化,02此配置要根据主站来定,有的主站可能设为1,1,2,我们要改与主站一致。
三、以公共地址字节数=2,传输原因字节数=2,信息体地址字节数=3为例对一些基本的报文分析第一步:首次握手(U帧)发送→激活传输启动:68(启动符)04(长度)07(控制域)00 00 00接收→确认激活传输启动:68(启动符)04(长度)0B(控制域)00 00 00第二步:总召唤(I帧)召唤YC、YX(可变长I帧)初始化后定时发送总召唤,每次总召唤的间隔时间一般设为15分钟召唤一次,不同的主站系统设置不同。
发送→总召唤:68(启动符)0E(长度)00 00(发送序号)00 00(接收序号)64(类型标示)01(可变结构限定词)06 00(传输原因)01 00(公共地址即RTU地址)00 00 00(信息体地址)14(区分是总召唤还是分组召唤,02年修改后的规约中没有分组召唤)接收→S帧:注意:记录接收到的长帧,双方可以按频率发送,比如接收8帧I帧回答一帧S帧,也可以要求接收1帧I帧就应答1帧S帧。
6804 01 00 02 00接收→总召唤确认(发送帧的镜像,除传送原因不同):68(启动符)0E(长度)00 00(发送序号)00 00(接收序号)64(类型标示)01(可变结构限定词)07 00(传输原因)01 00(公共地址即RTU地址)00 00 00(信息体地址)14(同上)发送→S帧:注意:记录接收到的长帧,双方可以按频率发送,比如接收8帧I帧回答一帧S帧,也可以要求接收1帧I帧就应答1帧S帧。
68 04 01 00 02 00接收→YX帧(以类型标识1为例):68(启动符)1A(长度)02 00(发送序号)02 00(接收序号)01(类型标示,单点遥信)04(可变结构限定词,有4个遥信上送)14 00(传输原因,响应总召唤)01 00(公共地址即RTU地址)03 00 00(信息体地址,第3号遥信)00(遥信分)发送→S帧:68 04 01 00 04 00接收→YX帧(以类型标识3为例):68(启动符)1E(长度)04 00(发送序号)02 00(接收序号)03(类型标示,双点遥信)05(可变结构限定词,有5个遥信上送)14 00(传输原因,响应总召唤)01 00(公共地址)01 00 00(信息体地址,第1号遥信)02(遥信合)06 00 00(信息体地址,第6号遥信)02(遥信合)0A 00 00(信息体地址,第10号遥信)01(遥信分)0B 00 00(信息体地址,第11号遥信)02(遥信合)0C 00 00(信息体地址,第12号遥信)01(遥信分)发送→S帧:68 04 01 00 06 00接收→YC帧(以类型标识9为例):68(启动符)13(长度)06 00(发送序号)02 00(接收序号)09(类型标示,带品质描述的遥测)82(可变结构限定词,有2个连续遥测上送)14 00(传输原因,响应总召唤)01 00(公共地址)01 07 00(信息体地址,从0X0701开始第0号遥测)A1 10(遥测值10A1)00(品质描述)89 15(遥测值1589)00(品质描述)发送→S帧:68 04 01 00 08 00接收→结束总召唤帧:68(启动符)0E(长度)08 00(发送序号)02 00(接收序号)64(类型标示)01(可变结构限定词)0A 00(传输原因)01 00(公共地址)00 00 00(信息体地址)14(区分是总召唤还是分组召唤,02年修改后的规约中没有分组召唤)发送→S帧:6804 01 00 0A 00第二步:发送对时报文(通过设置RTU参数表中的”对间间隔”,单位是分钟,一般是20分钟)发送→对时命令:68(启动符)14(长度)02 00(发送序号)0A 00(接收序号)67(类型标示)01(可变结构限定词)06 00(传输原因)01 00(公共地址)00 00 00(信息体地址)01(毫秒低位)02(毫秒高位)03(分钟)04(时)81(日与星期)09(月)05(年)接收→对时确认:68(启动符)14(长度)0C 00(发送序号)02 00(接收序号)67(类型标示)01(可变结构限定词)07 00(传输原因)01 00(公共地址)00 00 00(信息体地址)**(毫秒低位)**(毫秒高位)**(分钟)04(时)81(日与星期)09(月)05(年)发送→S帧:68 04 01 00 0E 00第三步:电度总召唤(如果没有电度此步骤可以省略且可以在对时之前以送.通过设置参数中”全数据扫描间隔”,单位是分钟一般是15分钟召唤一交,如果不需要召唤电度一定要将参数中的电度个数设为0)发送→召唤电度:68(启动符)0E(长度)04 00(发送序号)0E 00(接收序号)65(类型标示)01(可变结构限定词)06 00(传输原因)01 00(公共地址)00 00 00(信息体地址)45(QCC)接收→召唤确认(发送帧的镜像,除传送原因不同) :68(启动符)0E(长度)10 00(发送序号)06 00(接收序号)65(类型标示)01(可变结构限定词)07 00(传输原因)01 00(公共地址)00 00 00(信息体地址)45(QCC)发送→S帧:68 04 01 00 12 00接收→电度数据:68(启动符)1A(长度)12 00(发送序号)06 00(接收序号)0F(类型标示)02(可变结构限定词,有两个电度量上送)05 00(传输原因)01 00(公共地址)01 0C 00(信息体地址,从0X0C01开始第0号电度)00 00 00 00(电度值)00(描述信息)02 0C 00(信息体地址,从0X0C01开始第1号电度)00 00 00 00(电度值)01(描述信息)发送→S帧:68 04 01 00 14 00接收→结束总召唤帧:68(启动符)0E(长度)14 00(发送序号)06 00(接收序号)65(类型标示)01(可变结构限定词)0A 00(传输原因)01 00(公共地址)00 00 00(信息体地址)45(QCC)发送→S帧:6804 01 00 16 00第四步:如果RTU有变化数据主动上送主动上送变位遥信,类型标识为1或3接收→变位遥信:68(启动符)0E(长度)16 00(发送序号)06 00(接收序号)01(类型标示,单点遥信)01(可变结构限定词,有1个变位遥信上送)03 00(传输原因,表突发事件)01 00(公共地址即RTU地址)03 00 00(信息体地址,第3号遥信)00(遥信分)发送→S帧:68 04 01 00 18 00接收→变位遥信:68(启动符)0E(长度)18 00(发送序号)06 00(接收序号)03(类型标示,双点遥信)01(可变结构限定词,有1个变位遥信上送)03 00(传输原因,表突发事件)01 00(公共地址即RTU地址)06 00 00(信息体地址,第6号遥信)01(遥信分)发送→S帧:68 04 01 00 1a 00主动上送SOE,类型标识为0x1e或0x1f接收→SOE :68(启动符)15(长度)1a 00(发送序号)06 00(接收序号)1e(类型标示,单点遥信)01(可变结构限定词,有1个SOE)03 00(传输原因,表突发事件)01 00(公共地址即RTU 地址)08 00 00(信息体地址,第8号遥信)00(遥信分)ad(毫秒低位)39(毫秒高位)1c(分钟)10(时)7a(日与星期)0b(月)05(年)发送→S帧:68 04 01 00 1c 00接收→SOE :68(启动符)15(长度)1c 00(发送序号)06 00(接收序号)1f(类型标示,双点遥信)01(可变结构限定词,有1个SOE)03 00(传输原因,表突发事件)01 00(公共地址即RTU 地址)0a 00 00(信息体地址,第10遥信)01(遥信分)2f(毫秒低位)40(毫秒高位)1c(分钟)10(时)7a(日与星期)0b(月)05(年)第四步:如果主站超过一定时间没有下发报文或RTU也没有上送任何报文则双方都可以按频率发送U帧,测试帧发送→U帧:68 04 43 00 00 00接收→应答:68 04 83 00 00 00第五步:遥控发送→遥控预置:68(启动符)0e(长度)20 00(发送序号)06 00(接收序号)2e(类型标示)01(可变结构限定词)06 00(传输原因)01 00(公共地址即RTU地址)05 0b 00(信息体地址,遥控号=0xb05-0xb01=4)82(控合)接收→遥控返校:68(启动符)0e(长度)0e 00(发送序号)06 00(接收序号)2e(类型标示)01(可变结构限定词)07 00(传输原因)01 00(公共地址即RTU地址)05 0b 00(信息体地址,遥控号=0xb05-0xb01=4)82(控合)发送→遥控执行:68(启动符)0e(长度)04 00(发送序号)18 00(接收序号)2e(类型标示)01(可变结构限定词)06 00(传输原因)01 00(公共地址即RTU地址)05 0b 00(信息体地址,遥控号=0xb05-0xb01=4)02(控合)接收→执行确认:68(启动符)0e(长度)12 00(发送序号)08 00(接收序号)2e(类型标示)01(可变结构限定词)07 00(传输原因)01 00(公共地址即RTU地址)05 0b 00(信息体地址,遥控号=0xb05-0xb01=4)02(控合)发送→遥控撤消:68(启动符)0e(长度)04 00(发送序号)18 00(接收序号)2e(类型标示)01(可变结构限定词)08 00(传输原因)01 00(公共地址即RTU地址)05 0b 00(信息体地址,遥控号=0xb05-0xb01=4)02(控合)接收→撤消确认:68(启动符)0e(长度)12 00(发送序号)08 00(接收序号)2e(类型标示)01(可变结构限定词)09 00(传输原因)01 00(公共地址即RTU地址)05 0b 00(信息体地址,遥控号=0xb05-0xb01=4)02(控合)补充说明:1、报文中的长度指的是除启动字符与长度字节的所有字节。
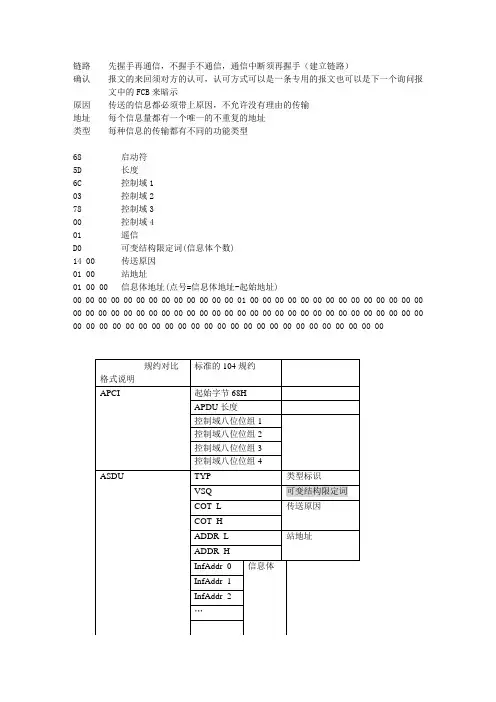
链路先握手再通信,不握手不通信,通信中断须再握手(建立链路)确认报文的来回须对方的认可,认可方式可以是一条专用的报文也可以是下一个询问报文中的FCB来暗示原因传送的信息都必须带上原因,不允许没有理由的传输地址每个信息量都有一个唯一的不重复的地址类型每种信息的传输都有不同的功能类型68 启动符5D 长度6C 控制域103 控制域278 控制域300 控制域401 遥信D0 可变结构限定词(信息体个数)14 00 传送原因01 00 站地址01 00 00 信息体地址(点号=信息体地址-起始地址)00 00 00 00 00 00 00 00 00 00 00 00 00 01 00 00 00 00 00 00 00 00 00 00 00 00 00 00 00 00 00 00 00 00 00 00 00 00 00 00 00 00 00 00 00 00 00 00 00 00 00 00 00 00 00 00 00 00 00 00 00 00 00 00 00 00 00 00 00 00 00 00 00 00 00 00 00 00 00 00结构说明:TYP:类型标识,可查表在监视方向的过程信息<0> := 未定义<1> := 单点信息M_SP_NA_1<3> := 双点信息M_DP_NA_1<5> := 步位置信息M_ST_NA_1<7> := 32比特串M_BO_NA_1<9> := 测量值,归一化值M_ME_NA_1<11> := 测量值,标度化值M_ME_NB_1<13> := 测量值,短浮点数M_ME_NC_1<15> := 累计量M_IT_NA_1<20> := 带状态检出的成组单点信息M_PS_NA_1<21> := 不带品质描述的归一化测量值M_ME_ND_1<22..29>:= 为将来的兼容定义保留<30> := 带时标CP56Time2a的单点信息M_SP_TB_1<31> := 带时标CP56Time2a的双点信息M_DP_TB_1<32> := 带时标CP56Time2a的步位置信息M_ST_TB_1<33> := 带时标CP56Time2a的32比特串M_BO_TB_1<34> := 带时标CP56Time2a的测量值,归一化值M_ME_TD_1<35> := 带时标CP56Time2a的测量值,标度化值M_ME_TE_1<36> := 带时标CP56Time2a的测量值,短浮点数M_ME_TF_1<37> := 带时标CP56Time2a的累计量M_IT_TB_1<38> := 带时标CP56Time2a的继电保护装置事件M_EP_TD_1<39> := 带时标CP56Time2a的继电保护装置成组启动事件M_EP_TE_1<40> := 带时标CP56Time2a的继电保护装置成组输出电路信息M_EP_TF_1<41..44>:= 为将来的兼容定义保留在控制方向的过程信息类型标识:= UI8[1..8]<45..69>CON <45> := 单命令C_SC_NA_1 CON <46> := 双命令C_DC_NA_1 CON <47> := 步调节命令C_RC_NA_1 CON <48> := 设点命令,归一化值C_SE_NA_1 CON <49> := 设点命令,标度化值C_SE_NB_1 CON <50> := 设点命令,短浮点数C_SE_NC_1 CON <51> := 32比特串C_BO_NA_1<52..57> := 为将来的兼容定义保留在控制方向的过程信息,带时标的ASDUCON <58> := 带时标CP56Time2a的单命令C_SC_TA_1 CON <59> := 带时标CP56Time2a的双命令C_DC_TA_1 CON <60> := 带时标CP56Time2a的步调节命令C_RC_TA_1 CON <61> := 带时标CP56Time2a的设点命令,归一化值C_SE_TA_1 CON <62> := 带时标CP56Time2a的设点命令,标度化值C_SE_TB_1 CON <63> := 带时标CP56Time2a的设点命令,短浮点数C_SE_TC_1 CON <64> := 带时标CP56Time2a的32比特串C_BO_TA_1 <65..69> := 为将来的兼容定义保留VSQ:可变结构限定词D7 D6 … … D0SQ 信息对象数目SQ=0:离散的信息报告SQ=1:顺序的信息报告信息对象数目的个数是0-127;一包报文中所含的信息(YC 、YX 等)的数目COT_L,COTH:传送原因1,NET 保护单元之间的通讯怎样设置在6800里??2,控制域的I,S,U 等格式是怎样用的I 格式:信息传输格式类型(Information transmit format)简称 I-FORMAT 。
104规约详细介绍及报文解析-回复规约(Protocol)是计算机网络通信中的一种协议,用于定义数据交换的格式、顺序以及错误检测和纠正等内容。
104规约(IEC 60870-5-104)是国际电工委员会(International Electrotechnical Commission)制定的一种规约,主要用于监控与控制系统之间的通信。
本文将详细介绍104规约及其报文解析。
一、104规约简介104规约是一种基于TCP/IP网络通信的规约,主要用于工业自动化领域中的远程监控与控制系统。
它提供了一种可靠、高效的通信方式,能够满足实时性、灵活性和可靠性等要求。
104规约采用了面向报文和面向连接的通信方式,能够支持点对点、点对多点和多点对点的通信模式。
二、104规约报文结构104规约的报文结构包括报文头(Header)、ASDU(Application Service Data Unit)和报文尾(Footer)。
报文头包含了报文的控制信息,用于表示报文类型、优先级和传输原因等。
ASDU是实际传输的数据部分,负责携带各种监控与控制的信息。
报文尾用于检测报文的完整性和一致性。
三、104规约报文解析1. 报文头解析:首先读取报文头,根据报文头的信息可以确定报文的类型、传输原因和发送序号等。
报文类型表示了报文的目的和功能,如启动报文、确认报文或者监控与控制的报文。
传输原因表示了触发发送该报文的原因,如周期定时发送、事件触发发送等。
2. ASDU解析:根据ASDU的类型可以确定ASDU的功能和数据的含义。
不同类型的ASDU用于传输不同种类的监控与控制的数据,如单点信息、双点信息、测量值和参数等。
根据ASDU的结构和定义,可以提取出数据的具体内容。
3. 报文尾解析:最后检查报文尾以验证报文的完整性和一致性。
报文尾通常包括一个校验和,用于检测报文是否被修改或丢失。
四、104规约报文的应用104规约广泛应用于电力、水利、交通、石油等行业中的远程监控与控制系统。
104规约遥信报文解析遥信报文是电力系统中常用的一种通信规约,用于传输遥信信息。
它是一种比较基础的通信规约,具有简洁明了、易于解析的特点。
本文将对104规约遥信报文进行解析,并详细介绍其结构、功能及解析方法。
一、104规约概述104规约是一种用于电力自动化系统通信的协议。
它广泛应用于电力系统中,用于设备之间的数据通信,包括遥控、遥测、遥信等功能。
104规约遥信报文是其中的一种应用,用于传输遥信信息,以实现设备之间的状态传递。
二、104规约遥信报文结构104规约遥信报文的结构相对简单,主要包括报文头和报文体两部分。
1.报文头报文头是104规约遥信报文的起始部分,用来标识报文的类型和长度等信息。
具体包含以下字段:-长度:表示整个报文的长度,以字节为单位。
-类型:表示报文的类型,可以是单点遥信、双点遥信等。
-传输原因:表示报文的传输原因,可以是激活、确认、远方传送等。
-应用服务数据单元公共地址:表示报文的公共地址,用于标识报文传输的设备。
2.报文体报文体是104规约遥信报文的核心部分,用于传输具体的遥信信息。
具体包含以下字段:-遥信地址:表示遥信信息的地址,用于标识该遥信信息所对应的设备。
-遥信状态:表示遥信信息的状态,可以是开、合、未定义等。
-时标:表示遥信信息发生的时间,通常以毫秒为单位。
三、104规约遥信报文功能104规约遥信报文具有以下功能:1.遥信信息传输104规约遥信报文可以用于传输遥信信息,在电力系统中,遥信信息主要用于表示开关、断路器、变压器等设备的状态。
通过传输遥信信息,不同设备之间可以及时地共享设备的运行状态。
2.状态同步通过传输遥信信息,可以实现设备之间的状态同步。
当一个设备的状态发生变化时,可以通过遥信报文及时将这个变化传递到其他设备,以保证整个系统的状态一致性。
3.告警处理遥信报文还可以用于告警处理。
当某个设备发生故障或异常情况时,可以通过发送遥信报文的方式将告警信息传递到其他设备,以触发相应的处理措施。
IEC104规约由IEC101规约演化而来,一般采用网络TCP 通道,标准的端口号为2404,由IANA —互联网数字分配授权定义和确认,也可根据需要自行确定,其报文格式为:启动字符68H 定义了数据流中的起点,APDU 长度 = ASDU 的字节长度 + 4个控制字节,根据4个控制字节的内容分为三类报文:用于编号的信息传输(I 格式)、编号的监视功能(S 格式)、未编号的控制功能(U 格式)。
如下所示:高位 8 7 6 5 4 3 2 1 8 7 6 5 4 3 2 1I 格式 S 格式高位U 格式S 格式和U 格式的报文均无ASDU 部分。
发送序列号N (S )和接收序列号N (R )的使用与ITU —T X .25定义的方法一致,发送方增加发送序列号而接收方增加接收序列号。
有些厂家对这两个序列号的递增没有考虑。
控制站利用STARTDT (启动数据传输)和STOPDT (停止数据传输)来控制被控站的数据传输。
当连接建立后,连接上的用户数据传输不会从被控站自动激活,控制站需要发送STARTDT 指令来激活这个连接中的用户数据传输,被控站用STARTDT 响应,随后,被控站可利用IEC101中的有关ASDU 将变化数据主动上送给控制站,控制站可以在收到一个或几个被控站的报文后发送一个S 格式的报文给被控站,控制站也可以利用有关的ASDU 报文向被控站请求全数据或全电度,或向被控站下发遥控命令,或对时。
ASDU部分的格式如下:类型标识为一个字节,可变结构限定词为一个字节,传输原因可以为一个或两个字节,公共地址可以为一个或两个字节,信息体地址可以为一个或两个或三个字节,具体采用几个字节表示需要遵照通信双方的约定。
ASDU的详细内容请参考有关的IEC60870—5—101规约由于采用面向连接的TCP网络通道,在应用层可以认为报文是可靠的,因此,规约中没有对报文设置校验,基于同样的原因,规约中也不再采用IEC101的分组召唤。
IEC104规约调试小结调试广西中调IEC-104规约时对报文作了如下的分析,不对地方请指正。
一、四遥信息体基地址范围“可设置104调度规约”有1997年和2002年两个版本,在流程上没有什么变化,02此配置要根据主站来定,有的主站可能设为1,1,2,我们要改与主站一致。
三、以公共地址字节数=2,传输原因字节数=2,信息体地址字节数=3为例对一些基本的报文分析第一步:首次握手(U帧)发送→激活传输启动:68(启动符)04(长度)07(控制域)00 00 00接收→确认激活传输启动:68(启动符)04(长度)0B(控制域)00 00 00第二步:总召唤(I帧)召唤YC、YX(可变长I帧)初始化后定时发送总召唤,每次总召唤的间隔时间一般设为15分钟召唤一次,不同的主站系统设置不同。
发送→总召唤:68(启动符)0E(长度)00 00(发送序号)00 00(接收序号)64(类型标示)01(可变结构限定词)06 00(传输原因)01 00(公共地址即RTU地址)00 00 00(信息体地址)14(区分是总召唤还是分组召唤,02年修改后的规约中没有分组召唤)接收→S帧:注意:记录接收到的长帧,双方可以按频率发送,比如接收8帧I帧回答一帧S帧,也可以要求接收1帧I帧就应答1帧S帧。
6804 01 00 02 00接收→总召唤确认(发送帧的镜像,除传送原因不同):68(启动符)0E(长度)00 00(发送序号)00 00(接收序号)64(类型标示)01(可变结构限定词)07 00(传输原因)01 00(公共地址即RTU地址)00 00 00(信息体地址)14(同上)发送→S帧:注意:记录接收到的长帧,双方可以按频率发送,比如接收8帧I帧回答一帧S帧,也可以要求接收1帧I帧就应答1帧S帧。
68 04 01 00 02 00接收→YX帧(以类型标识1为例):68(启动符)1A(长度)02 00(发送序号)02 00(接收序号)01(类型标示,单点遥信)04(可变结构限定词,有4个遥信上送)14 00(传输原因,响应总召唤)01 00(公共地址即RTU地址)03 00 00(信息体地址,第3号遥信)00(遥信分)发送→S帧:68 04 01 00 04 00接收→YX帧(以类型标识3为例):68(启动符)1E(长度)04 00(发送序号)02 00(接收序号)03(类型标示,双点遥信)05(可变结构限定词,有5个遥信上送)14 00(传输原因,响应总召唤)01 00(公共地址)01 00 00(信息体地址,第1号遥信)02(遥信合)06 00 00(信息体地址,第6号遥信)02(遥信合)0A 00 00(信息体地址,第10号遥信)01(遥信分)0B 00 00(信息体地址,第11号遥信)02(遥信合)0C 00 00(信息体地址,第12号遥信)01(遥信分)发送→S帧:68 04 01 00 06 00接收→YC帧(以类型标识9为例):68(启动符)13(长度)06 00(发送序号)02 00(接收序号)09(类型标示,带品质描述的遥测)82(可变结构限定词,有2个连续遥测上送)14 00(传输原因,响应总召唤)01 00(公共地址)01 07 00(信息体地址,从0X0701开始第0号遥测)A1 10(遥测值10A1)00(品质描述)89 15(遥测值1589)00(品质描述)发送→S帧:68 04 01 00 08 00接收→结束总召唤帧:68(启动符)0E(长度)08 00(发送序号)02 00(接收序号)64(类型标示)01(可变结构限定词)0A 00(传输原因)01 00(公共地址)00 00 00(信息体地址)14(区分是总召唤还是分组召唤,02年修改后的规约中没有分组召唤)发送→S帧:6804 01 00 0A 00第二步:发送对时报文(通过设置RTU参数表中的”对间间隔”,单位是分钟,一般是20分钟)发送→对时命令:68(启动符)14(长度)02 00(发送序号)0A 00(接收序号)67(类型标示)01(可变结构限定词)06 00(传输原因)01 00(公共地址)00 00 00(信息体地址)01(毫秒低位)02(毫秒高位)03(分钟)04(时)81(日与星期)09(月)05(年)接收→对时确认:68(启动符)14(长度)0C 00(发送序号)02 00(接收序号)67(类型标示)01(可变结构限定词)07 00(传输原因)01 00(公共地址)00 00 00(信息体地址)**(毫秒低位)**(毫秒高位)**(分钟)04(时)81(日与星期)09(月)05(年)发送→S帧:68 04 01 00 0E 00第三步:电度总召唤(如果没有电度此步骤可以省略且可以在对时之前以送.通过设置参数中”全数据扫描间隔”,单位是分钟一般是15分钟召唤一交,如果不需要召唤电度一定要将参数中的电度个数设为0)发送→召唤电度:68(启动符)0E(长度)04 00(发送序号)0E 00(接收序号)65(类型标示)01(可变结构限定词)06 00(传输原因)01 00(公共地址)00 00 00(信息体地址)45(QCC)接收→召唤确认(发送帧的镜像,除传送原因不同) :68(启动符)0E(长度)10 00(发送序号)06 00(接收序号)65(类型标示)01(可变结构限定词)07 00(传输原因)01 00(公共地址)00 00 00(信息体地址)45(QCC)发送→S帧:68 04 01 00 12 00接收→电度数据:68(启动符)1A(长度)12 00(发送序号)06 00(接收序号)0F(类型标示)02(可变结构限定词,有两个电度量上送)05 00(传输原因)01 00(公共地址)01 0C 00(信息体地址,从0X0C01开始第0号电度)00 00 00 00(电度值)00(描述信息)02 0C 00(信息体地址,从0X0C01开始第1号电度)00 00 00 00(电度值)01(描述信息)发送→S帧:68 04 01 00 14 00接收→结束总召唤帧:68(启动符)0E(长度)14 00(发送序号)06 00(接收序号)65(类型标示)01(可变结构限定词)0A 00(传输原因)01 00(公共地址)00 00 00(信息体地址)45(QCC)发送→S帧:6804 01 00 16 00第四步:如果RTU有变化数据主动上送主动上送变位遥信,类型标识为1或3接收→变位遥信:68(启动符)0E(长度)16 00(发送序号)06 00(接收序号)01(类型标示,单点遥信)01(可变结构限定词,有1个变位遥信上送)03 00(传输原因,表突发事件)01 00(公共地址即RTU地址)03 00 00(信息体地址,第3号遥信)00(遥信分)发送→S帧:68 04 01 00 18 00接收→变位遥信:68(启动符)0E(长度)18 00(发送序号)06 00(接收序号)03(类型标示,双点遥信)01(可变结构限定词,有1个变位遥信上送)03 00(传输原因,表突发事件)01 00(公共地址即RTU地址)06 00 00(信息体地址,第6号遥信)01(遥信分)发送→S帧:68 04 01 00 1a 00主动上送SOE,类型标识为0x1e或0x1f接收→SOE :68(启动符)15(长度)1a 00(发送序号)06 00(接收序号)1e(类型标示,单点遥信)01(可变结构限定词,有1个SOE)03 00(传输原因,表突发事件)01 00(公共地址即RTU 地址)08 00 00(信息体地址,第8号遥信)00(遥信分)ad(毫秒低位)39(毫秒高位)1c(分钟)10(时)7a(日与星期)0b(月)05(年)发送→S帧:68 04 01 00 1c 00接收→SOE :68(启动符)15(长度)1c 00(发送序号)06 00(接收序号)1f(类型标示,双点遥信)01(可变结构限定词,有1个SOE)03 00(传输原因,表突发事件)01 00(公共地址即RTU 地址)0a 00 00(信息体地址,第10遥信)01(遥信分)2f(毫秒低位)40(毫秒高位)1c(分钟)10(时)7a(日与星期)0b(月)05(年)第四步:如果主站超过一定时间没有下发报文或RTU也没有上送任何报文则双方都可以按频率发送U帧,测试帧发送→U帧:68 04 43 00 00 00接收→应答:68 04 83 00 00 00第五步:遥控发送→遥控预置:68(启动符)0e(长度)20 00(发送序号)06 00(接收序号)2e(类型标示)01(可变结构限定词)06 00(传输原因)01 00(公共地址即RTU地址)05 0b 00(信息体地址,遥控号=0xb05-0xb01=4)82(控合)接收→遥控返校:68(启动符)0e(长度)0e 00(发送序号)06 00(接收序号)2e(类型标示)01(可变结构限定词)07 00(传输原因)01 00(公共地址即RTU地址)05 0b 00(信息体地址,遥控号=0xb05-0xb01=4)82(控合)发送→遥控执行:68(启动符)0e(长度)04 00(发送序号)18 00(接收序号)2e(类型标示)01(可变结构限定词)06 00(传输原因)01 00(公共地址即RTU地址)05 0b 00(信息体地址,遥控号=0xb05-0xb01=4)02(控合)接收→执行确认:68(启动符)0e(长度)12 00(发送序号)08 00(接收序号)2e(类型标示)01(可变结构限定词)07 00(传输原因)01 00(公共地址即RTU地址)05 0b 00(信息体地址,遥控号=0xb05-0xb01=4)02(控合)发送→遥控撤消:68(启动符)0e(长度)04 00(发送序号)18 00(接收序号)2e(类型标示)01(可变结构限定词)08 00(传输原因)01 00(公共地址即RTU地址)05 0b 00(信息体地址,遥控号=0xb05-0xb01=4)02(控合)接收→撤消确认:68(启动符)0e(长度)12 00(发送序号)08 00(接收序号)2e(类型标示)01(可变结构限定词)09 00(传输原因)01 00(公共地址即RTU地址)05 0b 00(信息体地址,遥控号=0xb05-0xb01=4)02(控合)补充说明:1、报文中的长度指的是除启动字符与长度字节的所有字节。
--------------------------------------------------------------------------------------------------------------------------------------------------------------------------------------------------------------------------------------------- IEC-60870-5-104:应用模型是:物理层,链路层,网络层,传输层,应用层物理层保证数据的正确送达,保证如何避免冲突。
(物理层利用如 RS232上利用全双工)链路层负责具体对那个slAvE的通讯,对于成功与否,是否重传由链路层控制(RS485 2线利用禁止链路层确认)应用层负责具体的一些应用,如问全数据还是单点数据还是类数据等(网络利用CSMA/CD等保证避免冲突的发生)--------------------------------------------------------------------------------------------------------------------------------------------------------------------------------------------------------------------------------------------- 基本定义:端口号2404,站端为SErvEr 控端为CliEnt,平衡式传输,2BytE站地址,2BytE传送原因,3BytE信息地址。
--------------------------------------------------------------------------------------------------------------------------------------------------------------------------------------------------------------------------------------------- 注:APDU 应用规约数据单元(整个数据)= APCI 应用规约控制信息(固定6个字节)+ ASDU 应用服务数据单元(长度可变)--------------------------------------------------------------------------------------------------------------------------------------------------------------------------------------------------------------------------------------------- APDU长度(系统-特定参数,指定每个系统APDU的最大长度)APDU的最大长度域为253(缺省)。
104规约报文解析IEC104,即国际电工委员会实现的104规约,是一种用于工业自动化的应用层通信协议。
该协议建立在OSI(开放系统互联)参考模型的第3、4层,用于实现远程之间的点到点通信。
104规约是一种采用交流补传技术实现同步控制通信的一种规约,它可以有效降低通讯系统的复杂性,使所有系统设备都可以使用很少的通讯线来支持需要扩展的通讯系统。
104规约报文也被称为控制报文,它具有结构性、可解释性和复合性。
报文的结构包括:报文标识符(MID)、参数(参)、数据类型(DT)、数据(D)及时间标签(T)等等。
这些参数是用来确定报文的内容、类型和通信方式的。
一般来说,报文的参数主要有:报文标识符(MID),报文的参数(PD),报文数据类型(DT),报文数据(D)及时间标签(T)。
报文标识符用来标识报文的类别、功能或者类型,同时也可反映报文本身的功能含义。
报文参数是描述报文功能的依据,可以用于描述报文各部分之间的关系。
报文数据类型是报文数据的描述,可以用来定义报文中数据的格式,如定义报文中数据的长度、精度等。
报文数据是报文的主要内容,可以提供传感器的实时状态、实时数据或者控制信息等。
最后,报文的时间标签说明报文的发送时间。
104规约报文的通信主要采用主从模式,其中从站(slave)负责接收主站(master)发送的报文进行解析,并将解析出的报文参数传递给上层应用处理程序。
在一次传输过程中,从站将从主站收到的报文解析成一组字节,每一组字节由四个8位数字组成。
每一次传输从站将向主站发送三个字节,它们分别是从站的参数数据,报文标识符和报文的时间标签;而主站在发出报文时,会专门发出一个报文标识符和报文时间标签,以便从站进行解析。
主从模式的104规约通信过程有三个不同的传输阶段:数据传输阶段,核实传输阶段和确认传输阶段。
在数据传输阶段,主站向从站发送报文,并要求从站返回相应的确认。
在核实传输阶段,从站向主站发送一个“正确”标识符,以表示收到的报文已经经过正确解析。
iec104 报文格式IEC 104报文格式是一种用于监控和控制系统之间进行通信的协议。
它被广泛应用于电力系统、水务系统和工业自动化等领域。
本文将以IEC 104报文格式为主题,逐步解析其结构和功能。
一、IEC 104简介IEC 104是国际电工委员会(IEC)制定的一种用于监控和控制系统之间通信的协议。
它基于传统的传输控制协议/互联网协议(TCP/IP),为实时监控和控制系统提供了高效、可靠的通信。
IEC 104支持点对点和点对多点的通信模式,并具有高度可靠性和灵活性。
二、IEC 104报文格式IEC 104报文格式采用二进制编码,由报文头、信息体元素和报文尾三部分组成。
每个报文都有一个唯一的传输控制标识符(TI),用于标识报文的类型和功能。
1. 报文头(ASDU头部)报文头包括了ASDU(应用服务数据单元)的相关信息,如ASDU类型、地址、传输原因等。
ASDU是IEC 104协议中最重要的组成部分,用于传输实时监控和控制数据。
2. 信息体元素(Information Object Elements,IOEs)信息体元素是IEC 104协议中负责传输数据的基本单位。
它包含数据标识(地址)、数据类型和具体的数值。
根据不同应用场景和监控要求,IOEs 可以是遥测数据、遥信数据、遥控数据等。
3. 报文尾(ASDU尾部)报文尾是IEC 104报文的结束标识,包括校验码和传输原因。
校验码用于检测传输过程中是否有误码,确保数据传输的可靠性。
传输原因描述了ASDU中所携带数据的产生原因,如周期传输、突发传输等。
三、IEC 104报文功能和应用IEC 104报文格式具有多种功能和应用,下面将逐一介绍。
1. 实时监控IEC 104协议可以实时传输监控系统中的各类数据,包括遥测数据、遥信数据和遥控数据。
通过IEC 104报文格式,监控中心可以实时获取各个终端设备的状态信息,快速响应异常情况,并采取相应措施。
2. 远程控制IEC 104协议支持远程控制操作,通过特定的遥控命令,监控中心可以对终端设备进行远程控制。
104规约遥信报文解析摘要:一、引言二、104规约简介1.规约背景2.规约内容三、遥信报文解析1.遥信报文结构2.报文解析方法3.报文应用案例四、104规约在我国的应用1.应用范围2.我国标准制定五、总结正文:一、引言随着自动化技术的不断发展,电力系统对于遥信报文的需求越来越高。
104规约作为国际上广泛应用的规约,对遥信报文的解析具有重要意义。
本文将对104规约遥信报文进行解析,以期为我国电力系统自动化技术发展提供参考。
二、104规约简介1.规约背景104规约,全称为“IEC 60870-5-104”,是国际电工委员会(IEC)制定的用于电力系统自动化的通信规约。
该规约自1995年首次发布以来,已经经历了多个版本的更新,目前最新版本为2016年的第五版。
104规约在全球范围内得到了广泛的应用,为电力系统的自动化运行提供了有效的通信手段。
2.规约内容104规约主要包括五个部分,分别是:一般原则、应用服务、传输服务、链路服务及网络服务。
其中,应用服务部分定义了规约所支持的各种应用功能,如遥信、遥测、遥控等;传输服务部分规定了数据在通信网络中的传输方式;链路服务部分定义了通信链路建立、维护和断开的过程;网络服务部分规定了网络层的相关功能。
三、遥信报文解析1.遥信报文结构遥信报文是104规约中用于传输遥信信息的数据单元。
一个遥信报文主要包括以下几个部分:起始字符、长度域、控制域、地址域、应用服务数据单元(ASDU)及帧校验和。
其中,ASDU是报文的核心部分,包含了具体的遥信数据。
2.报文解析方法解析遥信报文需要对104规约中定义的各种数据类型进行理解和处理。
首先,需要识别报文的起始字符和长度域,确定报文的长度。
接着,解析控制域,判断报文的类型(如遥信、遥测等)。
然后,解析地址域,获取报文的目标设备地址。
最后,解析应用服务数据单元(ASDU),提取遥信数据。
3.报文应用案例以电力系统中的断路器遥信为例,假设某断路器合闸,可以通过遥信报文进行传输。
主站与子站通过IEC60870-5-104规约通讯协议说明目录目录 (1)前言 (2)一、IEC60870-5-104应用规约数据单元基本结构 (2)1.1 应用规约数据单元APDU (2)1.2 应用规约控制信息APCI (3)1.3 应用服务数据单元ASDU (4)二、IEC60870-5-104规约的过程描述 (6)三、IEC60870-5-104规约源码分析(报文分析) (7)3.1启动连接(U格式) (7)3.2启动连接确认(U格式) (8)3.3总召唤(I格式) (8)3.4总召唤确认(I格式) (8)3.5数据确认(S格式) (9)3.6总召唤结束(I格式) (9)3.7测试连接(U格式) (9)3.8测试连接确认(U格式) (10)3.9.遥信信息(I格式) (10)3.9遥测信息(I格式) (14)3.10 SOE信息(I格式) (17)前言根据全国电力系统控制及其通信标准委员会三届五次会议和最近出版的国标DL/T634.5.104:2002对104规约的参数选择做了如下说明:1、采用端正101规约中的链路地址和短报文(指链路确认报文)2、采用召唤一级数据3、两个字节表示公共地址(站址)4、两个字节表示传送原因5、三个字节表示信息体地址上述3、4、5点与上一次通讯协议具体说明有冲突,为执行国际国内标准,建议根据上述要求对报文做如下修改。
一、IEC60870-5-104应用规约数据单元基本结构应用规约数据单元:APDU(Application protocal data unit)应用规约控制信息:APCI(Application protocal control information)应用服务数据单元:ASDU(Application protocal control unit)APDU=APCI + ASDU1.1 应用规约数据单元APDU定义了启动字符、应用服务数据单元的长度规范、可传输一个完整的应用规约数据单元。
IEC104规约调试小结一、四遥信息体基地址范围“可设置104调度规约”有1997年和2002年两个版本,在流程上没有什么变化,02版只是在97版上扩展了遥测、遥信等信息体基体址,区别如下:二、一些报文字节数的设置三、以公共地址字节数=2,传输原因字节数=2,信息体地址字节数=3为例对一些基本的报文分析第一步:首次握手(U帧)发送→激活传输启动:68(启动符)04(长度)07(控制域)00 00 00接收→确认激活传输启动:68(启动符)04(长度)0B(控制域)00 00 00第二步:总召唤(I帧)召唤YC、YX(可变长I帧)初始化后定时发送总召唤,每次总召唤的间隔时间一般设为15分钟召唤一次,不同的主站系统设置不同。
发送→总召唤:68(启动符)0E(长度)00 00(发送序号)00 00(接收序号)64(类型标示)01(可变结构限定词)06 00(传输原因)01 00(公共地址即RTU地址)00 00 00(信息体地址)14(区分是总召唤还是分组召唤,02年修改后的规约中没有分组召唤)接收→S帧:注意:记录接收到的长帧,双方可以按频率发送,比如接收8帧I帧回答一帧S帧,也可以要求接收1帧I帧就应答1帧S帧。
6804 01 00 02 00接收→总召唤确认(发送帧的镜像,除传送原因不同):68(启动符)0E(长度)00 00(发送序号)00 00(接收序号)64(类型标示)01(可变结构限定词)07 00(传输原因)01 00(公共地址即RTU地址)00 00 00(信息体地址)14(同上)发送→S帧:注意:记录接收到的长帧,双方可以按频率发送,比如接收8帧I帧回答一帧S帧,也可以要求接收1帧I帧就应答1帧S帧。
68 04 01 00 02 00接收→YX帧(以类型标识1为例):68(启动符)1A(长度)02 00(发送序号)02 00(接收序号)01(类型标示,单点遥信)04(可变结构限定词,有4个遥信上送)14 00(传输原因,响应总召唤)01 00(公共地址即RTU地址)03 00 00(信息体地址,第3号遥信)00(遥信分)发送→S帧:68 04 01 00 04 00接收→YX帧(以类型标识3为例):68(启动符)1E(长度)04 00(发送序号)02 00(接收序号)03(类型标示,双点遥信)05(可变结构限定词,有5个遥信上送)14 00(传输原因,响应总召唤)01 00(公共地址)01 00 00(信息体地址,第1号遥信)02(遥信合)06 00 00(信息体地址,第6号遥信)02(遥信合)0A 00 00(信息体地址,第10号遥信)01(遥信分)0B 00 00(信息体地址,第11号遥信)02(遥信合)0C 00 00(信息体地址,第12号遥信)01(遥信分)发送→S帧:68 04 01 00 06 00接收→YC帧(以类型标识9为例):68(启动符)13(长度)06 00(发送序号)02 00(接收序号)09(类型标示,带品质描述的遥测)82(可变结构限定词,有2个连续遥测上送)14 00(传输原因,响应总召唤)01 00(公共地址)01 07 00(信息体地址,从0X0701开始第0号遥测)A1 10(遥测值10A1)00(品质描述)89 15(遥测值1589)00(品质描述)发送→S帧:68 04 01 00 08 00接收→结束总召唤帧:68(启动符)0E(长度)08 00(发送序号)02 00(接收序号)64(类型标示)01(可变结构限定词)0A 00(传输原因)01 00(公共地址)00 00 00(信息体地址)14(区分是总召唤还是分组召唤,02年修改后的规约中没有分组召唤)发送→S帧:6804 01 00 0A 00第二步:发送对时报文(通过设置RTU参数表中的”对间间隔”,单位是分钟,一般是20分钟)发送→对时命令:68(启动符)14(长度)02 00(发送序号)0A 00(接收序号)67(类型标示)01(可变结构限定词)06 00(传输原因)01 00(公共地址)00 00 00(信息体地址)01(毫秒低位)02(毫秒高位)03(分钟)04(时)81(日与星期)09(月)05(年)接收→对时确认:68(启动符)14(长度)0C 00(发送序号)02 00(接收序号)67(类型标示)01(可变结构限定词)07 00(传输原因)01 00(公共地址)00 00 00(信息体地址)**(毫秒低位)**(毫秒高位)**(分钟)04(时)81(日与星期)09(月)05(年)发送→S帧:68 04 01 00 0E 00第三步:电度总召唤(如果没有电度此步骤可以省略且可以在对时之前以送.通过设置参数中”全数据扫描间隔”,单位是分钟一般是15分钟召唤一交,如果不需要召唤电度一定要将参数中的电度个数设为0)发送→召唤电度:68(启动符)0E(长度)04 00(发送序号)0E 00(接收序号)65(类型标示)01(可变结构限定词)06 00(传输原因)01 00(公共地址)00 00 00(信息体地址)45(QCC)接收→召唤确认(发送帧的镜像,除传送原因不同) :68(启动符)0E(长度)10 00(发送序号)06 00(接收序号)65(类型标示)01(可变结构限定词)07 00(传输原因)01 00(公共地址)00 00 00(信息体地址)45(QCC)发送→S帧:68 04 01 00 12 00接收→电度数据:68(启动符)1A(长度)12 00(发送序号)06 00(接收序号)0F(类型标示)02(可变结构限定词,有两个电度量上送)05 00(传输原因)01 00(公共地址)01 0C 00(信息体地址,从0X0C01开始第0号电度)00 00 00 00(电度值)00(描述信息)02 0C 00(信息体地址,从0X0C01开始第1号电度)00 00 00 00(电度值)01(描述信息)发送→S帧:68 04 01 00 14 00接收→结束总召唤帧:68(启动符)0E(长度)14 00(发送序号)06 00(接收序号)65(类型标示)01(可变结构限定词)0A 00(传输原因)01 00(公共地址)00 00 00(信息体地址)45(QCC)发送→S帧:6804 01 00 16 00第四步:如果RTU有变化数据主动上送主动上送变位遥信,类型标识为1或3接收→变位遥信:68(启动符)0E(长度)16 00(发送序号)06 00(接收序号)01(类型标示,单点遥信)01(可变结构限定词,有1个变位遥信上送)03 00(传输原因,表突发事件)01 00(公共地址即RTU地址)03 00 00(信息体地址,第3号遥信)00(遥信分)发送→S帧:68 04 01 00 18 00接收→变位遥信:68(启动符)0E(长度)18 00(发送序号)06 00(接收序号)03(类型标示,双点遥信)01(可变结构限定词,有1个变位遥信上送)03 00(传输原因,表突发事件)01 00(公共地址即RTU地址)06 00 00(信息体地址,第6号遥信)01(遥信分)发送→S帧:68 04 01 00 1a 00主动上送SOE,类型标识为0x1e或0x1f接收→SOE :68(启动符)15(长度)1a 00(发送序号)06 00(接收序号)1e(类型标示,单点遥信)01(可变结构限定词,有1个SOE)03 00(传输原因,表突发事件)01 00(公共地址即RTU 地址)08 00 00(信息体地址,第8号遥信)00(遥信分)ad(毫秒低位)39(毫秒高位)1c(分钟)10(时)7a(日与星期)0b(月)05(年)发送→S帧:68 04 01 00 1c 00接收→SOE :68(启动符)15(长度)1c 00(发送序号)06 00(接收序号)1f(类型标示,双点遥信)01(可变结构限定词,有1个SOE)03 00(传输原因,表突发事件)01 00(公共地址即RTU 地址)0a 00 00(信息体地址,第10遥信)01(遥信分)2f(毫秒低位)40(毫秒高位)1c(分钟)10(时)7a(日与星期)0b(月)05(年)第四步:如果主站超过一定时间没有下发报文或RTU也没有上送任何报文则双方都可以按频率发送U帧,测试帧发送→U帧:68 04 43 00 00 00接收→应答:68 04 83 00 00 00第五步:遥控发送→遥控预置:68(启动符)0e(长度)20 00(发送序号)06 00(接收序号)2e(类型标示)01(可变结构限定词)06 00(传输原因)01 00(公共地址即RTU地址)05 0b 00(信息体地址,遥控号=0xb05-0xb01=4)82(控合)接收→遥控返校:68(启动符)0e(长度)0e 00(发送序号)06 00(接收序号)2e(类型标示)01(可变结构限定词)07 00(传输原因)01 00(公共地址即RTU地址)05 0b 00(信息体地址,遥控号=0xb05-0xb01=4)82(控合)发送→遥控执行:68(启动符)0e(长度)04 00(发送序号)18 00(接收序号)2e(类型标示)01(可变结构限定词)06 00(传输原因)01 00(公共地址即RTU地址)05 0b 00(信息体地址,遥控号=0xb05-0xb01=4)02(控合)接收→执行确认:68(启动符)0e(长度)12 00(发送序号)08 00(接收序号)2e(类型标示)01(可变结构限定词)07 00(传输原因)01 00(公共地址即RTU地址)05 0b 00(信息体地址,遥控号=0xb05-0xb01=4)02(控合)发送→遥控撤消:68(启动符)0e(长度)04 00(发送序号)18 00(接收序号)2e(类型标示)01(可变结构限定词)08 00(传输原因)01 00(公共地址即RTU地址)05 0b 00(信息体地址,遥控号=0xb05-0xb01=4)02(控合)接收→撤消确认:68(启动符)0e(长度)12 00(发送序号)08 00(接收序号)2e(类型标示)01(可变结构限定词)09 00(传输原因)01 00(公共地址即RTU地址)05 0b 00(信息体地址,遥控号=0xb05-0xb01=4)02(控合)补充说明:1、报文中的长度指的是除启动字符与长度字节的所有字节。
IEC 104规约报文解析一、固定长度报文:1、格式:启动字符长度控制域一控制域二控制域三控制域四启动字符:68长度:该字节之后的报文的字节数目。
短帧都为042、常见帧:启动链路: 68 04 07 00 00 00启动链路确认:68 04 0B 00 00 00测试帧: 68 04 43 00 00 00测试确认: 68 04 83 00 00 00监视帧: 68 04 01 00 00 00二、可变长度报文1、格式:启动字符长度控制域一控制域二控制域三控制域四类型标识符可变结构限定词传送原因高字节传送原因低字节公共地址高字节公共地址低字节数据启动字符:68长度:该字节之后的报文的字节数目类型标识:0x01:单点遥信0x09:归一化遥测(整型)0x0D:浮点型遥测0x03:双点遥信0x1e:SOE(事件记录)0x67:对时0x25:电度0x64:总召0x2d:单点遥控0x2e:双点遥控可变结构限定词:最高位表示数据是否连续,1:连续,0:不连续,低7位表示报文中包含的数据的个数。
传送原因:0x06:激活0x07:激活确认0xA:激活终止0x8:停止激活0x09:激活停止确认公共地址:设备地址2、常见报文的格式:点号 = 起始地址或者信息体地址-104规约中配置的起始地址遥信:连续:数据报文的格式:3个字节(低前高后)起始地址+n个字节的遥信值不连续:数据报文的格式:3个字节(低前高后)信息体地址+1个字节的遥信值3个字节(低前高后)信息体地址+1个字节的遥信值………………………………………………………3个字节(低前高后)信息体地址+1个字节的遥信值遥测:连续:数据报文的格式:3个字节(低前高后)起始地址+(4个字节的遥测值+1个字节的品质描述)×n组不连续:数据报文的格式:3个字节(低前高后)信息体地址+4个字节的遥测值+1个字节的品质描述 3个字节(低前高后)信息体地址+4个字节的遥测值+1个字节的品质描述………………………………………………………………………………3个字节(低前高后)信息体地址+4个字节的遥测值+1个字节的品质描述SOE:不区分连续不连续数据报文格式:3个字节起始地址+1个字节值+7个字节的时标(毫秒、秒、分、时、日、月、年)电度:连续:数据报文格式:3个字节(低前高后)起始地址+(4个字节的遥测值+1个字节的品质描述+7个字节的时标)×n组(毫秒、秒、分、时、日、月、年)不连续: 3个字节(低前高后)起始地址+(4个字节的遥测值+1个字节的品质描述+7个字节的时标) …………………………………………………………………………………………………3个字节(低前高后)起始地址+(4个字节的遥测值+1个字节的品质描述+7个字节的时标)遥控:3个信息体地址+1个字节命令码对时:3个字节信息体地址+7个字节的时标(毫秒、秒、分、时、日、月、年)三、报文举例1、主站发总召:68 0E 00 00 00 00 64 01 0600 01 00 00 00 00 142、主站收到的总召相应报文:68 0E 06 00 02 00 64 01 07 00 01 00 00 00 00 143、主站收到的全遥信报文:68 38 08 00 02 00 01 AB 14 00 01 00 01 00 00 00 00 01 00 00 00 01 00 01 00 01 00 00 00 01 00 01 00 01 00 00 00 00 00 00 00 00 00 01 00 01 00 00 00 00 00 01 00 00 00 01 00 004、主站收到的全遥测报文:68 F3 0A 00 02 00 0D AE 1400 01 00 01 4C 00 9A 99 41 41 00 34 33 97 41 00 67 66 08 C2 00 33 33 03 42 00 2E 33 23 41 00 67 66 92 C1 00 66 66 AA C1 00 9A 99 19 B6 00 9A 99 11 C1 00 00 00 4A 42 00 CE CC 47 C3 00 98 99 41 C2 00 CF 8C 89 C3 00 36 33 29 42 00 66 66 D3 42 00 9B 19 31 43 00 02 00 AB 43 00 9A 19 47 43 00 CE 4C 78 C3 00 00 00 C9 42 00 35 33 7D C3 00 00 00 5D C3 00 FF FF E6 C2 00 68 E6 D8 43 00 CB CC C8 41 00 CF CC D0 C1 00 9C 59 E6 C3 00 CF CC E0 C3 009A 99 AE 42 00 CA 2C 4B 44 00 CD CC 8C 36 00 66 66 80 C2 00 01 80 25 C3 00 96 F9 A1 C4 00 66 66 0C C3 00 01 80 B4 43 00 62 66 94 C2 00 66 66 18 C4 00 67 66 1C C3 00 9A 99 70 C3 00 01 80 CD C3 00 01 80 D2 43 00 CA 0C 6D 44 00 66 66 26 38 00 97 39 56 44 00 6C 66 38 C2 004、主站收到的总召结束报文:68 0E 0C 00 02 00 64 01 0A00 01 00 00 00 00 145、主站发送的对时报文:68 14 02 00 0E 00 67 01 0600 01 00 00 00 00 8E 6D 2C 0B 2F 0B 0A6、主站收到的对时返回:68 14 0E 00 04 00 67 01 0700 01 00 00 00 00 8E 6D 2C 0B 2F 0B 0A7、主站收到的SOE报文:68 20 12 00 04 00 1E 02 0300 01 00 03 00 000099 AF 3A 13 1E 03 0003 00 010099 AF 3A 13 1E 03 008、主站发送的遥控预置报文68 0E 00 00 00 00 2E 01 0600 00 00 01 60 00 8d9、主站收到的遥控预置返校报文68 0E 00 00 00 00 2E 01 0700 00 00 01 60 00 8d10、主站发送的遥控执行报文68 0E 00 00 00 00 2E 01 0600 00 00 01 60 00 0d11、主站收到的遥控执行确定报文68 0E 00 00 00 00 2E 01 0700 00 00 01 60 00 0d12、主站发送的遥控撤销报文68 0E 00 00 00 00 2E 01 0800 00 00 01 60 00 8d13、主站收到的遥控撤销确认报文68 0E 00 00 00 00 2E 01 0900 00 00 01 60 00 8d14、主站收到的变化遥信报文:68 3A 14 00 04 00 01 0C 0300 01 00 07 00 00 00 09 00 00 00 0D 00 00 01 0F 00 00 00 11 00 00 00 17 00 00 01 1B 00 00 01 1D 00 00 00 21 00 00 01 23 00 00 01 29 00 00 00 2B 00 00 0115、主站收到的变化遥测报文:68 EA 04 00 00 00 0D 1C 0300 01 00 01 4C 00 CE CC 64 41 00 02 4C 00 CE CC B8 C1 00 04 4C 00 33 33 03 C2 00 06 4C 00 67 66 92 C1 00 07 4C 00 32 33 63 41 00 08 4C 00 97 99 01 41 00 0A 4C 00 66 66 72 42 00 0B 4C 00 CE CC 47 C3 00 0C 4C 00 98 99 41 42 00 0E 4C 00 9C 99 61 C2 00 0F 4C 00 66 E6 07 43 00 10 4C 00 35 33 41 C3 00 11 4C 00 CF 8C B3 C3 00 13 4C 00 9A 19 52 C3 00 14 4C 00 33 33 F1 C2 00 15 4C 00 01 00 53 43 00 18 4C 00 68 E6 D8 43 00 1A 4C 00 CD CC 8C B6 00 1B 4C 00 9C 59 E6 43 00 1D 4C 00 9A 99 AE C2 00 21 4C 00 67 66 04 43 00 22 4C 00 30 73 99 44 00 23 4C 00 66 66 8C 42 00 24 4C 00 CE 8C C6 C3 00 26 4C 00 00 E0 0E 44 00 29 4C 00 34 F3 B8 C3 00 2A 4C 00 9B 99 FC C3 00 2C 4C 00 6C 66 B0 C2 00。
iec104规约报文格式
IEC 104是一种用于远程监控和通信的规约,定义了报文的格式和交互方式。
以下是IEC 104规约中常用的报文格式:
1. 帧起始符(Start Frame):起始符标识报文的开始,由两个字节组成。
2. 长度字段(Length Field):指示整个报文的长度,包括长度字段本身,通常为一个字节。
3. 控制字段(Control Field):包含了报文的类型和传输方向等信息,通常为一个字节。
4. 发送序号(Send Sequence Number):用于发送方对报文进行编号,通常为一个字节。
5. 接收序号(Receive Sequence Number):用于接收方对报文进行编号,通常为一个字节。
6. 类型标识(Type Identifier):指示报文的类型,例如,启动确认、停止确认、总召唤等。
7. 可变结构限定词(Variable Structure Qualifier):根据不同的报文类型,可变结构限定词可以包含不同的信息。
8. 信息元素组(Information Elements):包含实际的数据信息,例如,测量值、遥控命令等。
9. 校验和(Checksum):用于检验报文的完整性,通常为两个字节。
10. 帧结束符(End Frame):结束符标识报文的结束,由两个字节组成。
以上是IEC 104规约中常用的报文格式,具体使用时还需要根据实际情况进行配置和解析。
1。
iec104 报文格式IEC 104报文格式IEC 104是一种用于远程终端单元(RTU)和远程终端站(IED)之间的通信协议。
该协议定义了一种报文格式,用于在监控和控制系统中传输数据。
本文将详细介绍IEC 104报文格式的各个部分。
1. 报文头(APDU Header)IEC 104报文的开头是报文头,用于传输与报文相关的信息。
报文头包括以下字段:a. 全局控制字节(ASDU Type Identifier):标识报文的类型,如单点信息、测量值等。
b. 可变结构限定词(Variable Structure Qualifier,VSQ):用于指示报文中包含的信息元素数量。
c. 传输原因(Cause of Transmission):指示报文是由哪种事件引起的,如周期性传输、被请求传输等。
d. 通知原因(Common Address of ASDUs):用于区分多个ASDU 的地址。
2. 报文体(APDU Body)报文体用于承载具体的数据信息,其格式与ASDU(Application Service Data Unit)相关。
ASDU是IEC 104中最重要的组成部分,用于传输实际的监控和控制数据。
ASDU通常包括以下字段:a. 类型标识(Type Identifier):表示ASDU的类型,如单点信息、测量值等。
b. 传送原因(Cause of Transmission):与报文头的传输原因类似,用于指示ASDU的传输原因。
c. ASDU公共地址(ASDU Address):与报文头的通知原因类似,用于区分不同的ASDU。
d. 信息元素(Information Elements):用于承载具体的监控和控制数据。
3. 报文尾(APDU Tail)报文尾通常包含校验和和结束字节,用于保证数据传输的可靠性。
校验和是通过对报文体进行计算得到的,用于检测传输过程中的错误。
结束字节标志着一条报文的结束。
总结:IEC 104报文格式包括报文头、报文体和报文尾三个部分。