穿心电容技术资料分析,穿芯电容
- 格式:pdf
- 大小:701.34 KB
- 文档页数:11
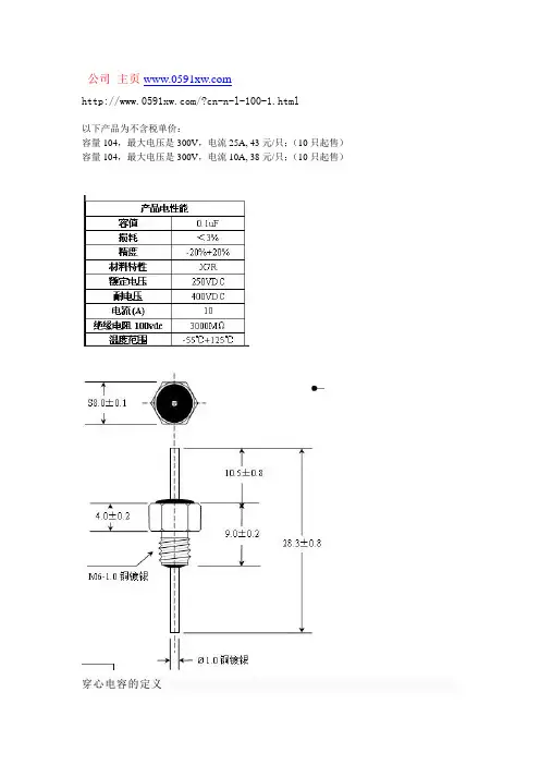
公司主页/?cn-n-l-100-1.html以下产品为不含税单价:容量104,最大电压是300V,电流25A, 43元/只;(10只起售)容量104,最大电压是300V,电流10A, 38元/只;(10只起售)穿心电容的定义穿心电容是一种三端电容,但与普通的三端电容相比,由于它直接安装在金属面板上,因此它的接地电感更小,几乎没有引线电感的影响,另外,它的输入输出端被金属板隔离,消除了高频耦合,这两个特点决定了穿心电容具有接近理想电容的滤波效果。
穿心电容的介质为陶瓷介质,而陶瓷电容的容量会随环境温度变化而变化,这种容量变化会影响滤波器的滤波截止率。
陶瓷电容的容量温度变化率是由陶瓷介质本身决定的。
因此,选择适当的陶瓷介质非常重要。
滤波器所用的电容一般为陶瓷电容。
由于其物理结构,这种陶瓷电容又称为穿心电容。
穿心电容自电感较普通电容小得多,故而自谐振频率很高。
同时,穿心式设计,也有效地防止了高频信号从输入端直接耦合到输出端。
这种低通高阻的组合,在 1GHz 频率范围内,提供了极好的抑制效果。
最简单的穿心结构是由内外电极和陶瓷构成的一个( C 型)或两个电容( Pi 型)。
穿心电容的特点穿心电容的标称容量Capacitance :10pF,65pF,100pF,470pF,500pF,1000pF,1200pF,1500pF,1750pF,2000pF,2 500pF,2700pF,3000pF,3300pF,4700pF,5000pF,5500pF,6800pF,7000pF,9000pF,10000pF, 0.01μF,0.012μF,0.015μF,0.018μF,0.022μF,0.025μF,0.027μF,0.028μF,0.045μF,0.050μF,0.056μF,0.075μF,0.08μF,0.1μF,0.15μF,0.21μF,0.3μF,0.75μF,0.8μF,1μF,0.015μF,0.060μF,0.062μF,0.150μF,0.200μF,0.250μF,0.250μF,0.300μF,0.450μF,0.500μF,0.7μF,0.750μF,0.990μF,1.0μF,1.2μF,1.4μF,1.5μF,2.1μF,2.8μF,4.0μF,5.2μF101 100pF 331 330pF 471 470pF102 1000pF 332 3300pF 472 4700pF103 10000pF 333 33000pF 473 47000pF1000pF=1nF 1000000pF=1μF 1000nF=1μF 1μF=1000nF=1000000pF 1F=1000000μFCode Capacitance tolerance Code Capacitance toleranceF ± 1pF S + 50%, –20%K ±10% Z + 80%, –20%M ±20% P +100%, – 0%穿心电容的工作电流Rated Current :0.06A,0.15A,0.25A,0.3A,0.45A,0.5A,1A,2A,3A,4A,5A,10A,15A,25A,50A ,100A穿心电容的额定电压Rated Voltage :直流:5V,28V,35V,50V,60V,70V,80V,100V,150V,200V,250V,275V300V,330V,350V,400V,450V,500V,600V,750V,1250V,2500V交流:70V,85V,90V,115V,125V,140V,200V,220V,230V,240V,330V,350V 穿心电容的耐电压Dielectric Withstanding Voltage :直流:额定电压的2.5倍交流:额定电压的6倍的直流电压穿心电容的工作温度Working Temperature Range:E:-10-+85℃ F:-25-+85℃ G:-30-+125℃H:-40-+85℃ I:-55-+85℃ J:-55-+125℃穿心电容的的构成滤波电容滤波器所用的电容一般为陶瓷电容。
穿心电容的工作原理
嘿,朋友们!今天咱来聊聊穿心电容那神奇的工作原理呀!
你说这穿心电容啊,就像是一个超级有能耐的小卫士。
它呀,专门对付那些让人头疼的电磁干扰。
就好比咱生活中,总有一些捣乱的家伙,而穿心电容就是那个能把这些捣乱分子揪出来的厉害角色。
想象一下,电流就像一群急匆匆赶路的人,在电路里跑来跑去。
这时候呢,那些电磁干扰就像是路上突然冒出来的绊脚石,会把电流的路给挡住或者弄歪了。
那可不行呀,这会影响整个电路的工作呢!
这时候,穿心电容就闪亮登场啦!它就像一个聪明的交通指挥员,能把那些绊脚石清理掉。
它是怎么做到的呢?其实啊,穿心电容有着特殊的结构和特性。
它的两极就像是两只大手,能紧紧地抓住那些电磁干扰,然后把它们导向大地,就像把垃圾扔到垃圾桶里一样。
你说神奇不神奇?它就这么悄无声息地工作着,保障着电路的顺畅运行。
咱平时用的好多电子设备里都有它的功劳呢!比如说手机呀,电脑呀,要是没有穿心电容在那默默守护,说不定啥时候就出毛病啦。
而且啊,穿心电容可皮实啦!不管环境多复杂,它都能坚守岗位。
不像有些娇贵的东西,稍微有点风吹草动就不行了。
它就像一个坚强的战士,不管遇到啥困难都不退缩。
咱再想想,要是没有穿心电容,那得乱成啥样呀?各种干扰信号到处乱窜,电子设备还能好好工作吗?肯定不行呀!所以说,穿心电容可真是太重要啦!
总之呢,穿心电容就是电子世界里的无名英雄,虽然咱平时可能不太注意到它,但它一直在那发挥着巨大的作用。
它让我们的电子生活变得更加稳定、可靠。
咱可得好好珍惜这个小小的但却超级厉害的家伙呀!。
穿心电容串联在电路中的作用穿心电容是一种常见的电容器,它在电路中起到了至关重要的作用。
本文将以穿心电容串联在电路中的作用为主题,详细介绍穿心电容的工作原理、应用场景以及在电路中的作用。
穿心电容是一种特殊的电容器,它的结构与普通电容器有所不同。
普通电容器由两个电极和介质组成,而穿心电容则是在一块绝缘材料上涂覆金属层,形成了一个中间电极。
这种结构使得穿心电容可以在电路中起到一些特殊的作用。
穿心电容具有较高的电容值。
由于穿心电容的结构特殊,电极之间的距离较短,而且中间电极的存在增加了电容的有效面积,因此穿心电容的电容值通常比普通电容器大。
这使得穿心电容在需要较大电容值的电路中得到了广泛的应用,例如滤波电路、放大电路等。
穿心电容具有较低的ESR值。
ESR是电容器内部等效串联电阻的缩写,它会导致电容器在电路中产生能量损耗和发热。
由于穿心电容的结构特殊,电极之间的距离较短,电容器内部的电阻相对较小,因此穿心电容的ESR值较低。
这使得穿心电容在高频电路中得到了广泛的应用,例如无线通信设备、射频电路等。
穿心电容还具有较高的工作电压和较低的漏电流。
穿心电容的绝缘材料通常选用高介电常数的材料,使得它能够承受较高的工作电压。
同时,由于穿心电容的结构紧凑,电极之间的距离较短,使得电容器的漏电流较小。
这使得穿心电容在高压、高精度的电路中得到了广泛的应用,例如电力电子设备、精密仪器等。
穿心电容作为一种特殊的电容器,在电路中具有较高的电容值、较低的ESR值、较高的工作电压和较低的漏电流等特点,因此在各种电路中得到了广泛的应用。
无论是滤波电路、放大电路、无线通信设备还是电力电子设备、精密仪器,都离不开穿心电容的支持。
在今后的电子技术发展中,穿心电容将继续发挥重要的作用,为各种电路的稳定运行和高效工作提供保障。
穿心电容选用的方法随着电子设备工作频率的迅速提高,电磁干扰的频率也越来越高,干扰频率通常会达到数百MHz,甚至GHz以上。
由于电压或电流的频率越高,越容易产生辐射,因此,正是这些频率很高的干扰信号导致了辐射干扰的问题日益严重。
因此,对用来解决辐射干扰的滤波器的一个基本要求就是要能对这些高频干扰信号有较大的衰减,这种滤波器就是射频干扰滤波器。
普通干扰滤波器的有效滤波频率范围为数kHz数十MHz,而射频干扰滤波器的有效滤波频率范围从数kHz到GHz以上。
按照传统方式构造的滤波器不能成为射频滤波器。
这是由于两个原因:第一个原因是:图1中的旁路电容寄生电感较大(导致串联谐振,增加了旁路阻抗),导致电容器在较高的频率并不具有较低的阻抗,起不到旁路的作用。
第二个原因是:滤波器的输入端和输出端之间的杂散电容导致高频干扰信号耦合,使滤波器对高频干扰失去作用。
解决这个问题的方法是用穿心电容作为旁路电容。
穿心电容具有非常小的寄生电感,旁路阻抗非常小,并且由于采用隔离安装方式,消除了输入输出端之间的高频耦合。
本样本中的各种射频滤波器都是基于穿心电容制造的,并且安装方式都是馈通形式的(输入与输出被金属板隔离)。
虽然本样本中的射频滤波器品种很多,但是每一种型号在设计时都考虑了具体使用场合的要求,使设计师能够在性能、体积、成本等方面获得满意的结果。
选择射频滤波器需要考虑的因素有:截止频率:滤波器的插入损耗大于3dB的频率点称为滤波器的截止频率,当频率超过截止频率时,滤波器就进入了阻带,在阻带,干扰信号会受到较大的衰减。
根据使用滤波器的场合不同(信号电缆滤波还是电源线滤波),可以用两个方法来确定滤波器的截止频率。
在对信号电缆进行滤波时,根据有效信号的带宽来确定,截止频率要大于信号的带宽,这样才能保证有用信号不被衰减。
在对电源线或直流信号线,滤波时,由于有效信号的频率很低,信号失真的问题不是主要因素,因此主要根据干扰信号的频率来定,要使干扰频率全部落在滤波器的阻带内。
选用射频滤波器(馈通滤波器、穿心电容)的方法随着电子设备工作频率的迅速提高,电磁干扰的频率也越来越高,干扰频率通常会达到数百MHz,甚至GHz以上。
由于电压或电流的频率越高,越容易产生辐射,因此,正是这些频率很高的干扰信号导致了辐射干扰的问题日益严重。
因此,对用来解决辐射干扰的滤波器的一个基本要求就是要能对这些高频干扰信号有较大的衰减,这种滤波器就是射频干扰滤波器。
普通干扰滤波器的有效滤波频率范围为数kHz 数十MHz,而射频干扰滤波器的有效滤波频率范围从数kHz到GHz以上。
按照传统方式构造的滤波器不能成为射频滤波器。
这是由于两个原因:第一个原因是:旁路电容寄生电感较大(导致串联谐振,增加了旁路阻抗),导致电容器在较高的频率并不具有较低的阻抗,起不到旁路的作用。
第二个原因是:滤波器的输入端和输出端之间的杂散电容导致高频干扰信号耦合,使滤波器对高频干扰失去作用。
解决这个问题的方法是用穿心电容作为旁路电容。
穿心电容具有非常小的寄生电感,旁路阻抗非常小,并且由于采用隔离安装方式,消除了输入输出端之间的高频耦合。
选择射频滤波器需要考虑的因素有:截止频率:滤波器的插入损耗大于3dB的频率点称为滤波器的截止频率,当频率超过截止频率时,滤波器就进入了阻带,在阻带,干扰信号会受到较大的衰减。
根据使用滤波器的场合不同(信号电缆滤波还是电源线滤波),可以用两个方法来确定滤波器的截止频率。
在对信号电缆进行滤波时,根据有效信号的带宽来确定,截止频率要大于信号的带宽,这样才能保证有用信号不被衰减。
在对电源线或直流信号线,滤波时,由于有效信号的频率很低,信号失真的问题不是主要因素,因此主要根据干扰信号的频率来定,要使干扰频率全部落在滤波器的阻带内。
滤波器的截止频率越低,滤波器的尺寸越大,价格越高,因此没有必要时(干扰的频率不是很低时),不要盲目选用截止频率过低的滤波器。
插入损耗:指滤波器在阻带的损耗数值(dB),每一种滤波器都有一张插入损耗与频率对应的表格,选用滤波器时,根据干扰信号的频率和需要衰减的程度确定对插入损耗的要求。
穿心电容选用的方法随着电子设备工作频率的迅速提高,电磁干扰的频率也越来越高,干扰频率通常会达到数百MHz,甚至GHz以上。
由于电压或电流的频率越高,越容易产生辐射,因此,正是这些频率很高的干扰信号导致了辐射干扰的问题日益严重。
因此,对用来解决辐射干扰的滤波器的一个基本要求就是要能对这些高频干扰信号有较大的衰减,这种滤波器就是射频干扰滤波器。
普通干扰滤波器的有效滤波频率范围为数kHz数十MHz,而射频干扰滤波器的有效滤波频率范围从数kHz到GHz以上。
按照传统方式构造的滤波器不能成为射频滤波器。
这是由于两个原因:第一个原因是:图1中的旁路电容寄生电感较大(导致串联谐振,增加了旁路阻抗),导致电容器在较高的频率并不具有较低的阻抗,起不到旁路的作用。
第二个原因是:滤波器的输入端和输出端之间的杂散电容导致高频干扰信号耦合,使滤波器对高频干扰失去作用。
解决这个问题的方法是用穿心电容作为旁路电容。
穿心电容具有非常小的寄生电感,旁路阻抗非常小,并且由于采用隔离安装方式,消除了输入输出端之间的高频耦合。
本样本中的各种射频滤波器都是基于穿心电容制造的,并且安装方式都是馈通形式的(输入与输出被金属板隔离)。
虽然本样本中的射频滤波器品种很多,但是每一种型号在设计时都考虑了具体使用场合的要求,使设计师能够在性能、体积、成本等方面获得满意的结果。
选择射频滤波器需要考虑的因素有:截止频率:滤波器的插入损耗大于3dB的频率点称为滤波器的截止频率,当频率超过截止频率时,滤波器就进入了阻带,在阻带,干扰信号会受到较大的衰减。
根据使用滤波器的场合不同(信号电缆滤波还是电源线滤波),可以用两个方法来确定滤波器的截止频率。
在对信号电缆进行滤波时,根据有效信号的带宽来确定,截止频率要大于信号的带宽,这样才能保证有用信号不被衰减。
在对电源线或直流信号线,滤波时,由于有效信号的频率很低,信号失真的问题不是主要因素,因此主要根据干扰信号的频率来定,要使干扰频率全部落在滤波器的阻带内。
穿心电容,因为它是在瓷管上涂以金属层,内外形成两个极。
因为管是空的所以称为穿心电容。
它是一种三端电容,但与普通的三端电容相比,由于它直接安装在金属面板上,因此它的接地电感更小,几乎没有引线电感的影响,另外,它的输入输出端被金属板隔离,消除了高频耦合,这两个特点决定了穿心电容具有接近理想电容的滤波效果。
并且,它又是干扰滤波的理想器件。
穿心电容的简介穿心电容(又名馈通、测控系统等领域。
穿心电容的分类1、C 型这是一种避免高频对地的噪音干扰的低自感应装置,成本低廉,适合应用于高阻抗源和高负载的场合。
2、L 型这是款带有电感元件和电容元件的穿心电容,这种典型用于带有低阻抗源和高阻抗负载的电路中,反之亦然。
注意:其电感元件应当面向低阻抗源3、Pi 型Pi 型是由两个电容元件和在两个电容元件之间的一个电感元件组成,对阻抗源和负载均表现为低阻抗。
Pi型滤波器比C型,L型结构提供更好的高频滤波性能穿心电容的特性及应用1)焊接式穿心电容焊接式穿心电容是对于安装空间狭小时最理想的产品;应用:主要用于滤波信号、数据线和AC电源线;电信设备、传输设备、微波滤波器、工控机、复合电路滤波器组件;尺寸小:有效利用空间;额定电压:可达1000VDC;多种电路结构:C型、Pi型、L型电路都可以提供;高温构造:可以防止安装时的回流;认证:可供MIL-F-15733 QPL 和 MIL-C-11015 (CK99)认证的滤波器;2)树脂密封螺纹式穿心电容树脂密封螺栓式穿心电容用所配的螺母和垫圈可以很方便地安装到通孔位置;在坚固外壳的两端用树脂密封提供良好的环境保护;应用:主要用于信号、数据线、DC电源线滤波;其中微型挤压安装或螺装是应用在不宜焊接时的理想选择,适合微波及其他高频应用;电压:可到达2500VDC/240VAC认证:可供MIL-F-15733认证产品电路结构:C型、L型、Pi型3)高电流高电压树脂密封穿心电容应用:高电流滤波器主要应用于高流开关式电源、DC充电系统;高电压滤波器主要应用于高压电源、坚固螺栓式结构容易安装;特点:高电流可达100Amps电压:可达2500VDC和240VAC@400HZ4)玻璃密封高性能穿心电容采用玻璃密封装、具有优良EMI滤波性能;对那些在恶劣的环境仍要求高可靠性滤波的,这款产品是最好的选择,可供10KHz 到大于10GHz的宽频高性能EMI滤波,玻璃密封系列高度防潮、防腐蚀、防其他可能在军事应用中遇到的恶劣环境的影响。
efd 轴向穿心电容轴向穿心电容是一种特殊的电容器,其特点是将电容器的两个电极分别穿过电容器的中心,因此而得名。
轴向穿心电容具有许多独特的优点,使其在电子电路中得到广泛应用。
一、轴向穿心电容的结构和工作原理1. 结构轴向穿心电容的结构主要由内部电极、外部电极和介质组成。
内部电极和外部电极分别穿过介质,且相互绝缘。
介质通常采用陶瓷或其他绝缘材料制成,以保证电容器的绝缘性能。
2. 工作原理轴向穿心电容的工作原理与其他电容器类似,都是利用电荷在两个电极之间的存储和释放。
当电容器两端施加电压时,电荷会从一端电极积累到介质中,然后通过内部电极传递到另一端电极。
这个过程使得电容器两端产生电场,储存能量。
当电压去除后,电容器释放储存的能量,电荷通过内部电极和外部电极返回电源。
二、轴向穿心电容的优点1. 低自感轴向穿心电容的内部电极和外部电极相互绝缘,且穿过介质,因此具有很小的自感。
这使得轴向穿心电容适用于高频电路,where self-inductance can cause significant problems.2. 高谐振频率由于轴向穿心电容的自感很小,其谐振频率很高。
这使得轴向穿心电容在高频电路中有很好的应用前景,可以用于滤波、振荡等电路。
3. 抗干扰能力强轴向穿心电容的结构特点使其对高频干扰有很好的屏蔽作用。
内部电极和外部电极之间的介质可以有效地阻止高频信号的耦合,从而提高电路的抗干扰能力。
4. 节省空间轴向穿心电容的结构较为紧凑,可以节省电路板上的空间。
这对于电子设备的小型化、便携化具有重要意义。
5. 稳定性好轴向穿心电容的介质通常采用陶瓷等材料,具有较好的温度稳定性和频率稳定性。
这使得轴向穿心电容在各种环境条件下都能保持良好的性能。
三、轴向穿心电容的应用1. 高频电路由于轴向穿心电容具有低自感、高谐振频率和抗干扰能力强等特点,使其在高频电路中得到广泛应用。
例如,在无线通信、雷达、卫星通信等领域,轴向穿心电容可以用于滤波、振荡等电路。
穿心电容的作用穿心电容的原理就:凡是被绝缘物分开的两个导体的总体,它们之间就能储存电能.穿心电容是一种三端电容,但与一般的三端电容相比,由于它直接安装在金属面板上,因此它的接地电感更小,几乎没有引线电感的影响,另外,它的输入输出端被金属板隔离,消退了高频耦合,这两个特点打算了穿心电容具有接近抱负电容的滤波效果。
穿心电容的介质为陶瓷介质,而陶瓷电容的容量会随环境温度变化而变化,这种容量变化会影响滤波器的滤波截止率。
陶瓷电容的容量温度变化率是由陶瓷介质本身打算的。
因此,选择适当的陶瓷介质特别重要。
滤波器所用的电容一般为陶瓷电容。
由于其物理结构,这种陶瓷电容又称为穿心电容。
穿心电容自电感较一般电容小得多,故而自谐振频率很高。
同时,穿心式设计,也有效地防止了高频信号从输入端直接耦合到输出端。
这种低通高阻的组合,在1GHz 频率范围内,供应了极好的抑制效果。
1、穿心电容有两个引脚。
2、穿心电容是一种三端电容,但与一般的三端电容相比,由于它直接安装在金属面板上,因此它的接地电感更小,几乎没有引线电感的影响,另外,它的输入输出端被金属板隔离,消退了高频耦合,这两个特点打算了穿心电容具有接近抱负电容的滤波效果。
为陶瓷介质,而陶瓷电容的容量会随环境温度变化而变化,这种容量变化会影响滤波器的滤波截止率。
陶瓷电容的容量温度变化率是由陶瓷介质本身打算的。
因此,选择适当的陶瓷介质特别重要。
滤波器所用的电容一般为陶瓷电容。
由于其物理结构,这种陶瓷电容又称为穿心电容。
3、引脚,又叫管脚,英文叫Pin。
就是从集成电路(芯片)内部电路引出与外围电路的接线,全部的引脚就构成了这块芯片的接口。
是引线末端的一段,通过软钎焊使这一段与印制板上的焊盘共同形成焊点。
引脚可划分为脚跟(bottom)、脚趾(toe)、脚侧(side)等部分。
电容的作用:储存电和放电,当然还有整流、振荡以及其它的作用。
另外电容的结构特别简洁,主要由两块正负电极和夹在中间的绝缘介质组成,所以电容类型主要是由电极和绝缘介质打算的。
穿心电容接法穿心电容接法是一种常用的心电图检查方法,用于观察和记录心脏的电活动。
本文将介绍穿心电容接法的原理、操作步骤以及临床应用。
穿心电容接法是一种非侵入性的心电图检查方法,通过将电极放置在患者的皮肤上,记录心脏的电活动。
这种方法相比传统的穿刺式心电图检查更为安全和舒适,适用于各个年龄段的患者。
穿心电容接法的原理是利用电容效应,电极与患者的皮肤之间形成一个电容,当心脏发生电活动时,电容的大小会发生变化,进而产生微弱的电流信号。
这些信号经过放大和滤波处理后,可以得到心脏的电活动图形。
进行穿心电容接法的操作步骤如下:1. 准备工作:清洁患者的皮肤,去除油脂和污垢,以确保电极与皮肤之间的接触良好。
2. 放置电极:将电极粘贴在患者的胸部、四肢或背部等位置。
通常需要放置多个电极,以记录心脏的不同导联。
3. 连接设备:将电极与心电图机或监护仪连接,确保信号的传输和记录。
4. 检查记录:开始记录心电图信号,持续一段时间,通常为几分钟到几十分钟不等。
在记录过程中,患者需保持安静呼吸平稳。
穿心电容接法的临床应用广泛,常用于心脏病的诊断和监测。
通过观察心电图的形态和波形,医生可以判断心脏的节律、传导和除极情况,从而诊断心脏病的类型和程度。
穿心电容接法还可以用于动态心电图检查,即长时间记录患者的心电图信号。
这种方法可以发现一些发作性的心律失常,为医生提供更准确的诊断和治疗依据。
除此之外,穿心电容接法还可以用于评估心脏手术的效果和治疗的疗效。
通过连续监测心电图信号,可以观察手术后心脏的恢复情况,及时发现并处理术后并发症。
穿心电容接法是一种安全、舒适且有效的心电图检查方法。
它在心脏病的诊断和监测中起着重要的作用,为医生提供了有力的临床依据。
在未来,随着技术的不断进步,穿心电容接法有望进一步发展和完善,为心脏病患者带来更好的诊疗效果。
穿心电容串联在电路中的作用穿心电容串联在电路中的作用1. 什么是穿心电容•穿心电容是一种电容器,也被称为Y2级电容器。
•它是由两个金属表面之间夹着一块绝缘材料形成的。
•穿心电容的特点是具有较高的介质常数和极低的电阻。
2. 穿心电容串联的意义•串联穿心电容可以提高电路的安全性。
•由于穿心电容具有较高的介质常数,可以有效吸收和抑制电源端的高频噪声。
•它可以保护电路上的其他元件免受过电压冲击的损害。
•穿心电容还可以提供对地的电磁屏蔽,减少干扰和电磁辐射。
3. 穿心电容串联的应用场景•穿心电容串联广泛应用于各种电源滤波和电磁兼容性(EMC)设计中。
•在电源线滤波器中,穿心电容串联可以提高电源的抗干扰能力,减少电源波动和电磁辐射。
•在通信和网络设备中,穿心电容串联可以减少电源中的高频噪声对设备正常工作的干扰。
•在电机驱动器和电子变频器中,穿心电容串联可以保护电机和其他电路元件免受过电压冲击的损害。
•在电源适配器中,穿心电容串联可以提供对地的电磁屏蔽,减少对周围设备的干扰。
4. 如何选择穿心电容•选择穿心电容时需要考虑其额定电压和容值。
•额定电压应大于电路中最高电压的峰值。
•容值选择应根据最大负载电流和电源频率来确定。
5. 注意事项•使用穿心电容时应遵守相关的安全和电气规范。
•定期检查穿心电容是否出现电压过高或损坏的情况。
•如果穿心电容发热或产生异常,应立即停用并更换。
以上是穿心电容串联在电路中的作用介绍,通过使用穿心电容,在电路中可以有效去除噪声、保护元件,并提供电磁屏蔽。
在选择和使用穿心电容时,要注意安全和电气规范,并定期检查其工作情况。
6. 穿心电容串联的优势•穿心电容串联具有良好的高频抑制能力,可以滤除电源中的高频噪声。
•它可以提供有效的电源滤波,减少电路中的电源波动和噪声干扰。
•穿心电容串联可以防止电源过电压引起的元件损坏。
•它可以提供对地的电磁屏蔽,减少干扰和电磁辐射对周围设备的影响。
7. 穿心电容串联的局限性•穿心电容串联不能完全消除电源中的噪声,只能将其抑制到一定程度。
随着电子设备工作频率的迅速提高,电磁干扰的频率也越来越高,干扰频率通常会达到数百MHz,甚至GHz以上。
对这样高频的电磁噪声必须使用穿心电容才能有效地滤除。
普通电容之所以不能有效地滤除高频噪声,是因为两个原因,一个原因是电容引线电感造成电容谐振,对高频信号呈现较大的阻抗,削弱了对高频信号的旁路作用;另一个原因是导线之间的寄生电容使高频信号发生耦合,降低了滤波效果,穿心电容的使用2009-08-29在实际工程中,要滤除的电磁噪声频率往往高达数百MHz,甚至超过1GHz。
对这样高频的电磁噪声必须使用穿心电容才能有效地滤除。
普通电容之所以不能有效地滤除高频噪声,是因为两个原因,一个原因是电容引线电感造成电容谐振,对高频信号呈现较大的阻抗,削弱了对高频信号的旁路作用;另一个原因是导线之间的寄生电容使高频信号发生耦合,降低了滤波效果,穿心电容之所以能有效地滤除高频噪声,是因为穿心电容不仅没有引线电感造成电容谐振频率过低的问题,而且穿心电容可以直接安装在金属面板上,利用金属面板起到高频隔离的作用。
但是在使用穿心电容时,要注意的问题是安装问题。
穿心电容最大的弱点是怕高温和温度冲击,这在将穿心电容往金属面板上焊接时造成很大困难。
许多电容在焊接过程中发生损坏。
特别是当需要将大量的穿心电容安装在面板上时,只要有一个损坏,就很难修复,因为在将损坏的电容拆下时,会造成邻近其它电容的损坏。
随着电子设备复杂程度的提高,设备内部强弱电混合安装、数字逻辑电路混合安装的情况越来越多,电路模块之间的相互骚扰成为严重的问题。
解决这种电路模块相互骚扰的方法之一是用金属隔离舱将不同性质的电路隔离开。
但是所有穿过隔离舱的导线要通过穿心电容,否则会造成隔离失效。
当不同电路模块之间有大量的联线时,在隔离舱上安装大量的穿心电容是十分困难的事情。
为了解决这个问题,国外许多厂商开发了“滤波阵列板”,这是用特殊工艺事先将穿心电容焊接在一块金属板构成的器件,使用滤波阵列板能够轻而易举地解决大量导线穿过金属面板的问题。
同轴滤波穿心电容同轴滤波穿心电容是一种常见的电子元件,它在电路中具有非常重要的作用。
下面是对同轴滤波穿心电容的详细介绍。
一、概念和定义同轴滤波穿心电容,简称穿心电容,是一种具有高频带阻滤波功能的电容器件。
它的结构与普通电容相似,但是内部采用了中心插针的设计,可以实现同轴结构,同时也方便地实现高频信号的穿透和过滤。
二、工作原理穿心电容的工作原理是,当其两端施加正负极性相同的高频交变电压时,会产生相位相反的电荷,进而形成电场。
这个电场能够将高频杂波滤除,只传递正常的信号。
同时,穿心电容具有较小的直流电阻,可以将直流信号有效地穿透。
三、应用领域穿心电容广泛应用于电子电路中的高频滤波和直流耦合等方面。
在通信和无线电频谱分析等领域,穿心电容也是不可或缺的元件。
此外,穿心电容还可用于音频信号放大器的输入和输出,以及EMC(电磁兼容性)测量等领域。
四、特点和优点穿心电容具有体积小、重量轻、可靠性高、使用寿命长等特点。
它可以在高温、高压、高湿度等严苛环境下工作,具有良好的抗干扰性和抗电磁干扰性能。
此外,穿心电容还具有较低的串扰和杂波抑制能力,滤波效果显著。
五、选型和使用选型时需要注意穿心电容的电容值、工作电压、频率范围和直流偏置电压等参数。
在使用时应严格按照电路设计要求进行接线和连接,注意不要超过电容的极限工作电压和频率范围。
此外,在元件的存储、运输和使用过程中要避免受到振动、压力、湿度等影响,保证元件的稳定性和可靠性。
通过以上介绍,我们可以看到同轴滤波穿心电容在电子技术领域中具有非常重要的应用价值。
作为一个电子技术从业者,我们必须熟悉其概念、工作原理、特点和使用方法,从而更好地应用它来提升电路的性能和可靠性。
贴片滤波穿心电容
贴片滤波穿心电容是一种用于直流到直流转换器和电视机、电脑显示器等电子设备中的电容器。
该电容器可以消除电流的杂波和突发干扰,保证设备的稳定性和性能。
本文将介绍贴片滤波穿心电容的定义、优点和用途。
贴片滤波穿心电容是一种采用多层陶瓷片制成的电容器。
该电容器将电流分别分布在多个层级上,实现了更大的电容、更低的串扰噪声以及更高的信噪比。
在直流到直流转换器中,贴片滤波穿心电容可以滤除电子设备中的谐波和干扰噪声,提高设备的效率和质量。
贴片滤波穿心电容的一个主要优点是其小巧的外形和高性能。
贴片结构让它适合于高密度的电路板并非常容易安装。
此外,该电容器的高抗干扰性和电容量使其在电视机、电脑显示器等电器产品中广泛应用。
它们还可用于直流到直流转换器、能量回转系统以及DC-DC变换器。
在使用贴片滤波穿心电容之前,用户需要选定合适的电容容量。
这取决于使用的设备以及所需的过滤效果。
对于选择贴片滤波穿心电容的电容容量,用户还应该考虑温度、频率和电压因素。
调试时,用户应使用高频噪波仪测量回路。
如果发现杂音和噪音较多,可以使用具有更高电容值的贴片滤波穿心电容器进行更替。
在调试后,使用者可以进行连续工作以检查是否能满足设备要求。
磁控管的穿心电容测量方法磁控管的穿心电容测量方法是一种常见的电容测量技术,广泛应用于电子设备的研发和生产中。
本文将介绍穿心电容测量的原理、方法以及其在实际应用中的一些注意事项。
一、穿心电容测量的原理穿心电容是指通过磁控管内部的两个电极之间的电容。
当外加电压施加到磁控管的两个电极上时,会在磁控管内部形成一个电场。
根据电容的定义,电容可以通过测量电场中储存的电荷量来计算。
因此,通过测量磁控管两个电极之间的电荷量,就可以得到穿心电容的数值。
二、穿心电容测量的方法穿心电容测量通常使用交流信号进行,其基本步骤如下:1. 准备工作:将磁控管的两个电极连接到电容测量电路中,确保连接正确并稳定。
2. 信号发生器设置:将信号发生器的输出频率设置为所需的测量频率,并调整输出幅度适当。
3. 电压测量:使用示波器或数字万用表等仪器,测量磁控管两个电极之间的电压。
在测量过程中,应确保测量电压的精度和稳定性。
4. 电容计算:根据测量得到的电压数值,以及信号发生器的频率,使用合适的公式计算出穿心电容的数值。
三、穿心电容测量的注意事项在进行穿心电容测量时,需要注意以下几个方面:1. 信号频率选择:根据磁控管的特性和需求,选择合适的测量频率。
频率过高或过低都可能导致测量误差。
2. 电压测量精度:为了获得准确的穿心电容数值,电压测量的精度要求较高。
因此,在选择测量仪器时,应考虑其精度和稳定性。
3. 温度影响:磁控管的穿心电容值可能会受到温度的影响。
在测量过程中,应注意控制环境温度,或者进行相应的温度补偿。
4. 电极连接:电极与磁控管的连接应牢固可靠,以确保测量结果的准确性。
5. 测量范围:根据具体需求,选择合适的测量范围。
测量范围过大或过小都可能导致测量结果不准确。
四、穿心电容测量的应用穿心电容测量在电子设备的研发和生产中有着广泛的应用。
下面介绍几个常见的应用场景:1. 电容器质量检测:通过测量电容器的穿心电容,可以对电容器的质量进行评估,以确保其符合规定的标准。