拖拉机联合收割机安全技术检验表人工检验部分
- 格式:doc
- 大小:135.50 KB
- 文档页数:3
谈联合收割机的人工检验作者:路伟成波孔霞来源:《山东农机化》 2016年第3期路伟成波孔霞联合收割机有多种类型,按收获作物不同,可分为玉米联合收割机,小麦联合收割机、花生联合收割机、大豆联合收割机、棉花联合收割机等,按操作类型不同可分为方向盘自走式联合收割机和操作杆自走式联合收割机,但无论哪种类型,其原理和结构基本相同,检验方式也大体一致。
现以一台玉米联合收割机为例了解联合收割机检验的基本方法。
首先,收割机安全检验要把握三个原则:一是安全至上原则,既包括收割机的技术状态要达到安全标准要求,还包括检验过程要确保安全实施,确保检验员、检验辅助人员及收割机安全。
二是依法检验原则。
按照《农业机械安全监督管理条例》、《拖拉机登记规定》、《联合收割机及驾驶人安全监理规定》及《农业机械安全运行技术条件》、《拖拉机和联合收割机安全监理检验技术规范》进行。
三是实事求是原则。
检验过程不弄虚作假,合格就是合格,不合格就是不合格,近几年,有的地方农机检验员不认真履行职责,造成被检验机械存有安全隐患,甚至引起了安全事故,可谓教训深刻,所以对收割机检验一定要认真对待,严肃公正。
除了这三个原则,还有一点就是农机检验必须至少两个人进行,两名检验员必须持有联合收割机驾驶证和检验员证,确保检验结果客观真实有效。
下面进入收割机检验的现场示范环节,要想检验好联合收割机,须从两个方面人手。
一是明确检验项目及标准。
知道想要什么,达到什么要求,这是最重要的。
现在大家手里都有检验表,按照检验表的内容,检验项目分三块、48项,涉及收割机的是45项。
唯一性即指这些项目是这台收割机特有的,专有的,和其他收割机不能互换的,包括七项,其中外廓尺寸一项,收割机不用检验,所以只有六项,就是号牌号码、类型、品牌型号、机身颜色、发动机号码、底盘机架号码。
这六项内容,需要拿行驶证认真比对,看看是否相符,因为这六项都是否决项,有一项不合格,就停止检验,转交处理。
至于怎么比对都很简单,不用细说,但有一点需要注意,就是发动机号和机架号,不能看铭牌,铭牌可以更换,一定要看发动机汽缸体和机架的钢印号,还要进行拓印存档。
农机安全监理相关指标解释一、拖拉机和联合收割机及驾驶人员登记情况(农市(机季)1表)1.拖拉机(代码1)①指标解释:用于牵引、推动、携带和(或)驱动配套机具进行作业的自走式动力机械。
②统计范围:在农机安全监理机构登记的拖拉机,包括轮式拖拉机、手扶拖拉机、履带拖拉机、轮式拖拉机运输机组、手扶拖拉机运输机组。
③平衡关系:拖拉机(代码1)=轮式拖拉机(代码2)+手扶拖拉机(代码3)+履带拖拉机(代码4)+轮式拖拉机运输机组(代码5)+手扶拖拉机运输机组(代码6)。
2.轮式拖拉机(代码2)①指标解释:通过车轮行走的两轴(或多轴)拖拉机。
②统计范围:包含按照《拖拉机和联合收割机登记规定》,在农机安全监理机构登记的轮式拖拉机;还包含《拖拉机和联合收割机登记规定》实施前,在农机安全监理机构登记,未牵引挂车的大中型、小型方向盘式拖拉机。
③平衡关系:轮式拖拉机(代码2)≤拖拉机(代码1)。
3.手扶拖拉机(代码3)①指标解释:由扶手把操纵的单轴拖拉机。
②统计范围:包含按照《拖拉机和联合收割机登记规定》,在农机安全监理机构登记的手扶拖拉机;还包含《拖拉机和联合收割机登记规定》实施前,在农机安全监理机构登记未牵引挂车的手扶式拖拉机。
③平衡关系:手扶拖拉机(代码3)≤拖拉机(代码1)。
4.履带拖拉机(代码4)①指标解释:装有履带行走装置的拖拉机。
②统计范围:包含按照《拖拉机和联合收割机登记规定》,在农机安全监理机构登记的履带拖拉机;还包含《拖拉机和联合收割机登记规定》实施前,在农机安全监理机构登记装有履带行走装置的大中型拖拉机。
③平衡关系:履带拖拉机(代码4)≤拖拉机(代码1)。
5.轮式拖拉机运输机组(代码5)①指标解释:由轮式拖拉机牵引一辆挂车组成的用于运载货物的运载机组。
②统计范围:包含按照《拖拉机和联合收割机登记规定》,在农机安全监理机构登记的轮式拖拉机运输机组;还包含《拖拉机和联合收割机登记规定》实施前,在农机安全监理机构登记,牵引挂车的大中型、小型方向盘式拖拉机。
农机安全检验题库出题依据及范围:1、《拖拉机和联合收割机安全监理检验技术规范》(NY/T1830-2009)2、《机动车运行安全技术条件》GB7258-2012;3、《农业机械运行安全技术条件》GB16151.1-20084、检验设备应用题目结构:一、判断题75题二、单项选择题45三、多项选择题80判断:1、《拖拉机和联合收割机安全监理检验技术规范》(NY/T1830-2009)是国家标准发布。
(×)1、《拖拉机和联合收割机安全监理检验技术规范》(NY/T1830-2009)于2009年2月1日实施。
(×)2、拖拉机和联合收割机检验唯一性认定项目全为否决项。
(×)3、拖拉机和联合收割机检验唯一性认定项目“外廓尺寸”适用于联合收割机。
(×)4、对发生事故的送检拖拉机、联合收割机,应根据事故时拖拉机、联合收割机的损伤部位和损伤情况确定需重点检查的部位和项目。
(√)5、对于拖拉机和联合收割机安全监理检验的外观检查项目必须在发动机启动状态下进行。
(×)6、拖拉机和联合收割机安全检验时,查验发动机号码方法为拓印并核对,查验有无被凿改嫌疑。
(√)7、拖拉机和联合收割机安全检验时,反光标识,即反射器或反光标贴应完好。
(√)8、拖拉机、联合收割机安全检验时,应查验是否配备警告标志。
(√)9、拖拉机挂车可根据情况决定是否喷涂放大牌号。
(×)10、联合收割机逐稿器后装有切碎器时,应有茎秆堵塞报警器。
(√)11、拖拉机联合收割机在进行运转检验时,启动性能要求发动机能正常启动;通过熄火装置应能迅速熄火。
(√)12、拖拉机联合收割机在进行运转检验时,仪表项目是建议维护项。
(×)13、拖拉机联合收割机在进行运转检验时,操纵部件项是否决项。
(√)14、拖拉机联合收割机在进行运转检验时,检查转向盘的最大自由转动量是否符合要求及行驶时是否沉重,必要时应用转向盘转向力-转向角检测仪检测。
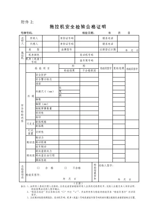
号牌号码(编号):机械类型:检验类别:□注册登记□年度检验出厂日期:年月日注册登记日期:年月
号牌号码(编号):机械类型:检验类别:□注册登记□年度检验出厂日期:年月日注册登记日期:年月日
检验日期:年月日检验流水号:电话:
注:1、报告中带﹡﹡项为否决项,带“﹡”项为注册登记检验时否决项,否决项不合格,拖拉机、联合收割机检验不合格。
2. 报告中项目判定栏及单项不合格指标含义为:○:合格 ×:不合格-:未检。
3. 单项次数栏打印本检验周期内单项检测的次数(含初复检)、以便明确该数据是第几次检测结果。
总检次数栏打印本
检验周期内该机总检测的次数(含初复检)
4. 灯高比=1+垂直偏移量÷灯高,设垂直偏移量向上为正、向下为负。
联合收割机安全技术检验作者:玉苏普·艾合麦提来源:《农民致富之友》2019年第33期农业机械年度安全技术检验是农机安全监理部门对拖拉机、联合收割机实施依法监管的重要手段,对于提升农业机械安全技术状况,提高农机作业效率和质量,消除农机事故隐患,预防农机事故发生,促进农机安全生产具有重要意义。
联合收割机作为农业生产过程中应用频率较高的农业机械设备。
做好农业联合收割机安全技术检验能够保证农业机械设备良好的运行效率,保障农机驾驶人员的生命财产安全,提高农业驾驶技术,促进农业机械化发展。
本文主要结合实际工作经验,就联合收割机安全技术检验流程进行了分析,现将具体研究内容介绍如下:1、受理检查再对联合收割机进行安全技术检验过程中,送检人员应该严格按照国家相关法律法规要求向检验单位提供联合收割机行驶证、其他有效凭证。
并对联合收割机进行唯一性认定。
在认定过程中,应该确保号牌号码和行驶证上的资料记录一致。
在进行注册登记检验时应该和产品技术资料一致,年度检验是应该确保与行驶登记材料一致。
并重点做好和收割机品牌型号、机身颜色、发动机号码、机身、机架、挂车架号、外廓尺寸的认定检验。
要确保上述各个指标,与产品技术资料一致和行驶证记载资料一致。
2、查询在进行安全技术检验之前,应该对送检的联合收割机是否发生过安全事故,尚未涉及处理完毕的安全违法行为进行严格查询。
对存在安全事故的联合收割机应该根据联合收割机损伤的部位和损伤的具体情况对重点部位进行重点检查。
对于仍没有处理完毕存在安全违法行为的联合收割机,应该提醒送检人尽快处理并在检验报告中注明相关情况。
3、外观检查①整机检查在对联合收割机整机检查过程中,应该重点检查系统的各个部件是否存在了明显的变形,破损或渗漏,部件是否存在了连接松动现象。
各个零部件、仪表铅封是否完好,是否存在影响机械设备安全的改装行为。
然后对防护装置、警示标志反光标识进行全面检查,检查机械的各个防护装置是否完好有效,是否有防护装置,危险部位的安全标志是否被人为破坏,反射器和反光标贴是否张贴完好。
做好拖拉机和联合收割机及驾驶员检审验工作的实施方案根据《中华人民共和国道路交通安全法》《国务院农业机械安全监督管理条例》《x农业机械安全监督管理条例》和农业农村部新修订的规定、规范要求及x《关于做好x年度拖拉机和联合收割机及驾驶员检审验工作的通知》(x〔x〕4号)要求,现就做好我县x年拖拉机和联合收割机及驾驶员检审验工作通知如下:一、工作目标x年全县完成拖拉机、联合收割机及拖拉机运输机组年度安全技术检验10790台、审验驾驶员(含换证)5123人;享受购机补贴的拖拉机、联合收割机及拖拉机运输机组检验率达到100%;农机作业公司及农机合作社购置的拖拉机、联合收割机及拖拉机运输机组检验率达到100%,驾驶员审验率达到100%。
二、范围及对象(一)拖拉机联合收割机及拖拉机运输机组检验1.对x年12月31日(含)前纳入牌证管理的拖拉机、联合收割机及拖拉机运输机组进行年度检验。
2.对x年1月1日后初次申请注册登记的拖拉机、联合收割机及拖拉机运输机组进行安全技术检验。
依法通过农机推广鉴定的机型,其新机在出厂时经检验获得出厂合格证明的,在行驶证上加盖x年度检验合格章,不再另行检验,拖拉机运输机组除外。
(二)拖拉机及联合收割机驾驶员审验1.对持有拖拉机、联合收割机驾驶证有效期满的驾驶员,进行换证审验并换发新证。
2.身体条件或其他原因不适合继续驾驶的、丧失民事行为能力且监护人提出注销申请的、死亡的、超过驾驶证有效期1年以上未换证的、年龄在70周岁以上的驾驶员、驾驶证依法被吊销或者驾驶许可依法被撤销的,不再予以审验,注销其驾驶证。
三、工作措施及步骤x年度农机免费检审验工作分宣传动员、检审验和补检补审三个阶段进行。
(一)宣传动员阶段(4月1日至4月30日)。
各乡镇、县属农林牧场、农机化服务中心要根据年度检审验工作的安排,及时召开年度免费检审验工作动员大会和农机驾驶员安全联组会议,要通过各种媒体和多种形式,加大对农机年度免费检审验工作的宣传动员,做到早动手、早安排、早部署。