GB21861-2014 机动车安全技术检验表(人工检验部分)-附录H-20171116( 加序号)
- 格式:docx
- 大小:21.88 KB
- 文档页数:1
机动车安检机构检验员考试试卷(GB21861-2014)部门:姓名:工号:大项一二三四五总分得分一、判断题(30分)【得分:】1、GB21861-2014规定前照灯远近光水平偏移不做检验要求,而垂直偏移对部分车型需要检测。
(√)2、路试检验车辆的驻车制动性能是在空载状态下,车辆在坡道为20%(总质量为整备质量1.2倍以下的车辆为15%)、轮胎与路面间的附着系数不小于0.7的坡道上正反两个方向使用驻车制动装置5min以上保持固定不动。
(√)3、GB21861-2014规定在用机动车检验时保存车辆识别代码照片,而不用保存拓印膜。
(√)4、机动车同一轴上的轮胎型号和花纹应相同,转向轮不得装用翻新的轮胎。
(√)5、对于非营运小型、微型载客汽车GB21861-2014规定不再检验驻车制动。
(×)6、用台试检验车辆制动性能后对其制动性能有质疑时,可用路试检验进行复试。
(√)7、用滚筒反力式制动台检验汽车制动力与非测试车轮的制动性能有关。
(√)8、对于使用年限在10年以内的非营运小型、微型载客汽车但发生过造成人员伤亡交通事故,在送检时要增加底盘动态检验和车辆底盘部件检查等项目。
(√)9、校车和2011(2012)年9月1日起出厂的公路客车、旅游客车的前风窗玻璃以及外玻璃用于驾驶人视区部位的可见光透射比应大于70%,其他车窗玻璃的可见光透射比不小于50%(×)10、乘用车自行加装的前后防撞装置及货运机动车自行加装的防风罩、水箱、工具箱、备胎架,应不影响安全。
(√)11、机动车前号牌板(架)应设于前面的中部或右侧(按机动车前进方向),后号牌板(架)应设于后面的中部或左侧。
(√)12、汽车总质量是指汽车装备齐全(包括燃油、润滑油、冷却水、备胎、随车工具以及司机及随车乘员质量)的自重与载质量(在良好路面上行驶时允许的最大装载质量)之和。
(√)13、汽车的整备质量是指汽车按出厂技术条件装备完整(如备胎、工具等安装齐备),各种油水添满后的重量。
机动车安检机构检验员试卷含答案集团标准化工作小组 [Q8QX9QT-X8QQB8Q8-NQ8QJ8-M8QMN]机动车安检机构检验员考试试卷(GB21861-2014)部门:姓名:工号:一、判断题(30分)【得分:】1、GB21861-2014规定前照灯远近光水平偏移不做检验要求,而垂直偏移对部分车型需要检测。
(√)2、路试检验车辆的驻车制动性能是在空载状态下,车辆在坡道为20%(总质量为整备质量倍以下的车辆为15%)、轮胎与路面间的附着系数不小于的坡道上正反两个方向使用驻车制动装置5min以上保持固定不动。
(√)3、GB21861-2014规定在用机动车检验时保存车辆识别代码照片,而不用保存拓印膜。
(√)4、机动车同一轴上的轮胎型号和花纹应相同,转向轮不得装用翻新的轮胎。
(√)5、对于非营运小型、微型载客汽车GB21861-2014规定不再检验驻车制动。
(×)6、用台试检验车辆制动性能后对其制动性能有质疑时,可用路试检验进行复试。
(√)7、用滚筒反力式制动台检验汽车制动力与非测试车轮的制动性能有关。
(√)8、对于使用年限在10年以内的非营运小型、微型载客汽车但发生过造成人员伤亡交通事故,在送检时要增加底盘动态检验和车辆底盘部件检查等项目。
(√)9、校车和2011(2012)年9月1日起出厂的公路客车、旅游客车的前风窗玻璃以及外玻璃用于驾驶人视区部位的可见光透射比应大于70%,其他车窗玻璃的可见光透射比不小于50%(×)10、乘用车自行加装的前后防撞装置及货运机动车自行加装的防风罩、水箱、工具箱、备胎架,应不影响安全。
(√)11、机动车前号牌板(架)应设于前面的中部或右侧(按机动车前进方向),后号牌板(架)应设于后面的中部或左侧。
(√)12、汽车总质量是指汽车装备齐全(包括燃油、润滑油、冷却水、备胎、随车工具以及司机及随车乘员质量)的自重与载质量(在良好路面上行驶时允许的最大装载质量)之和。
机动车安检机构检验员考试试卷(GB21861-2014)部门:姓名:工号:大项一二三四五总分得分一、判断题(30分)【得分:】1、GB21861-2014规定前照灯远近光水平偏移不做检验要求,而垂直偏移对部分车型需要检测。
(√)2、路试检验车辆的驻车制动性能是在空载状态下,车辆在坡道为20%(总质量为整备质量 1.2倍以下的车辆为15%)、轮胎与路面间的附着系数不小于0.7的坡道上正反两个方向使用驻车制动装置5min以上保持固定不动。
(√)3、GB21861-2014规定在用机动车检验时保存车辆识别代码照片,而不用保存拓印膜。
(√)4、机动车同一轴上的轮胎型号和花纹应相同,转向轮不得装用翻新的轮胎。
(√)5、对于非营运小型、微型载客汽车GB21861-2014规定不再检验驻车制动。
(×)6、用台试检验车辆制动性能后对其制动性能有质疑时,可用路试检验进行复试。
(√)7、用滚筒反力式制动台检验汽车制动力与非测试车轮的制动性能有关。
(√)8、对于使用年限在10年以内的非营运小型、微型载客汽车但发生过造成人员伤亡交通事故,在送检时要增加底盘动态检验和车辆底盘部件检查等项目。
(√)9、校车和2011(2012)年9月1日起出厂的公路客车、旅游客车的前风窗玻璃以及外玻璃用于驾驶人视区部位的可见光透射比应大于70%,其他车窗玻璃的可见光透射比不小于50%(×)10、乘用车自行加装的前后防撞装置及货运机动车自行加装的防风罩、水箱、工具箱、备胎架,应不影响安全。
(√)11、机动车前号牌板(架)应设于前面的中部或右侧(按机动车前进方向),后号牌板(架)应设于后面的中部或左侧。
(√)12、汽车总质量是指汽车装备齐全(包括燃油、润滑油、冷却水、备胎、随车工具以及司机及随车乘员质量)的自重与载质量(在良好路面上行驶时允许的最大装载质量)之和。
(√)13、汽车的整备质量是指汽车按出厂技术条件装备完整(如备胎、工具等安装齐备),各种油水添满后的重量。
机动车安全技术检验表(人工检验部分)规范填写方法本文属自学研究,内可能含有错误的地方,请大家多多包涵,GB21861-2014《机动车安全技术检验项目和方法》将机动车安全技术检验分为8大项目,其中前7项均为人工检验项目,包括(1)车辆唯一性认定、(2)车辆特征参数检查、(3)车辆外观检查、(4)安全装置检查、(5)联网查询、(6)底盘动态检验、(7)车辆底盘部件检查,是机动车进行安全技术检验的重要组成部分,(8)仪器设备检验的前提工作。
正确填写机动车安全技术检验人工检验记录单,是向社会出具科学、公正、准确、可靠,具有证明作用检验报告的必要检验行为。
这关系到人民群众人身安全及财产安全,要求检验人员必须以严谨的态度做好人工检验工作,正确判定检验项目。
如何正确填写机动车安全技术检验人工检验记录单?首先要了解机动车的类别、类型及使用性质。
GB7258-2012对机动车进行了详细分类,GA802-2014对机动的车类型通过结构和规格也进行了详细分类。
这就要求我们对GB7258-2012中的机动车分类术语和GA802-2014中的结构术语和规格术语有个全面的了解和掌握。
最终目的使其能从合格证、行驶证中读取可用信息。
其次掌握各项检验内容的检验范围和方法。
再次根据检验情况依据检验标准做出正确的判定。
一、机动车的类别(GB7258-2012)-2012机动车分类级别划分表二、机动车类型(GA802-2014)表2.1 机动车规格术语分类表表2.2.1 机动车结构术语分类表表.2 机动车结构术语分类表(续)表.3 机动车结构术语分类表(续)车辆类型根据机动车规格术语和机动车结构术语相加确定,规格术语在前,结构术语在后,如“大型普通客车”、“中型罐式货车”、“重型专项作业车”、“重型集装箱半挂车”、“普通二轮摩托车”等。
但低速货车的结构术语在前,规格术语在后,如“普通低速货车”、“厢式低速货车”、“罐式低速货车”等。
GB21861-2014《机动车安全检验项目与方法》2015.3.1实施名词解释:乘用车:设计和制造上主要用于载运乘客及其随身行李和/或临时物品的汽车,包括驾驶人座位在内最多不超过9个座位。
它也可以牵引一辆中置轴挂车。
客车:设计和制造上主要用于载运乘客及其随身行李的汽车,包括驾驶人座位在内座位数超过9个。
小型客车:微型客车:轿车:中型客车:一、进检基本要求:清洁,无三漏(漏气、漏油、漏水),轮胎完好,气压正常,发动机运转平稳,怠速稳定。
ABS、EPS等与安全有关的故障信息不得出现。
有以上问题的,告知修好后再进行安全检测。
二、检验要求(在用车)1、唯一性确认1.1 号牌、品牌与行驶证一致。
1.2 VIN(车辆识别代号)与行驶证一致,不应有改、挖、磨、刻。
1.3 发动机号与行驶证一致。
1.4 色与外形:与行驶证上照片相符,且不应改色、改车厢形状、改车辆结构。
2、联网查询2.1 发生过造成伤亡事故的,人工查损伤部位。
10年内的非蔻小、微客车,加底盘动态检验、车辆底观。
2.2 及时提醒违法、事故未处理情况。
3、车辆特征参数3.1 外廓尺寸:重、中型货车、挂车的外廓与签注内容相符,误差不超2%或10cm。
(新车上牌1%或5cm)3.2 轴距与登记信息相符,不超1%或5cm;3.3 整备质量针对新车上牌货挂3%或500kg 小微3%或100kg3.4 人数与行驶证一致。
3.5 栏板高度与登记信息、驾驶室边标的相符。
2%或5cm (上牌1%或5cm)3.6 后钢板弹簧片数与登记信息一致,不应有增宽、增厚。
3.9 货厢不应:加长、加高、加宽、拆厢式顶盖、拆顶棚杆。
4、外观检查★ 4.1 车身外观一、保险杠、后、下视镜完好。
二、驾驶视野部位无裂、破。
所有窗不得镜面反光。
三、车体外高度差40mm。
四、漆面及车身无明显的锈蚀、破损;五、粘贴的标识、广告不影响安全驾驶。
六、2012年9月1日超的客车的所有车窗不得镜面或不透明。
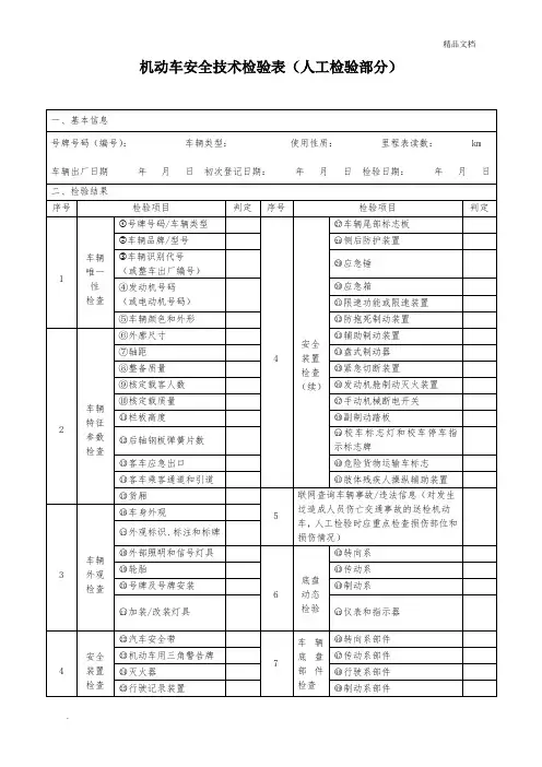
机动车安全技术检验表(人工检验部分)一、基本信息号牌号码(编号):车辆类型:使用性质:里程表读数: km 车辆出厂日期年月日初次登记日期:年月日检验日期:年月日二、检验结果序号检验项目判定序号检验项目判定1 车辆唯一性检查①号牌号码/车辆类型4安全装置检查(续)○27车辆尾部标志板②车辆品牌/型号○28侧后防护装置③车辆识别代号(或整车出厂编号)○29应急锤④发动机号码(或电动机号码)○30应急箱○31限速功能或限速装置⑤车辆颜色和外形○32防抱死制动装置2 车辆特征参数检查⑥外廓尺寸○33辅助制动装置⑦轴距○34盘式制动器⑧整备质量○35紧急切断装置⑨核定载客人数○36发动机舱制动灭火装置⑩核定载质量○37手动机械断电开关○11栏板高度○38副制动踏板○12后轴钢板弹簧片数○39校车标志灯和校车停车指示标志牌○13客车应急出口○40危险货物运输车标志○14客车乘客通道和引道○41肢体残疾人操纵辅助装置○15货厢5联网查询车辆事故/违法信息(对发生过造成人员伤亡交通事故的送检机动车,人工检验时应重点检查损伤部位和损伤情况)3 车辆外观检查○16车身外观○17外观标识、标注和标牌○18外部照明和信号灯具6底盘动态检验○42转向系○19轮胎○43传动系○20号牌及号牌安装○44制动系○21加装/改装灯具○45仪表和指示器4 安全装置检查○22汽车安全带7车辆底盘部件检查○46转向系部件○23机动车用三角警告牌○47传动系部件○24灭火器○48行驶系部件○25行驶记录装置○49制动系部件○26车身反光标识○50其它部件机动车安全技术检验表(人工检验部分)(续)序号不合格项(填写编号和名称)不合格项目说明备注车辆外廓尺寸:()整备质量(kg):机动车所有人:手机电话:地址/邮编:检验员建议:检验员签字:注1:判定栏中填写“○”为合格,“X”为不合格,“—”表示不适用于送检车。
注2:当车辆外廓尺寸、整备质量检验项目使用仪器自动测量并打印在仪器设备检验表格中时,本表相应参数可不填。
机动车安检机构检验员试卷含答案机动车安检机构检验员考试试卷(GB21861-2014)部门:姓名:工号:一、判断题(30分)【得分:】1、GB21861-2014规定前照灯远近光水平偏移不做检验要求,而垂直偏移对部分车型需要检测。
(√)2、路试检验车辆的驻车制动性能是在空载状态下,车辆在坡道为20%(总质量为整备质量1.2倍以下的车辆为15%)、轮胎与路面间的附着系数不小于0.7的坡道上正反两个方向使用驻车制动装置5min 以上保持固定不动。
(√)3、GB21861-2014规定在用机动车检验时保存车辆识别代码照片,而不用保存拓印膜。
(√)4、机动车同一轴上的轮胎型号和花纹应相同,转向轮不得装用翻新的轮胎。
(√)5、对于非营运小型、微型载客汽车GB21861-2014规定不再检验驻车制动。
(×)6、用台试检验车辆制动性能后对其制动性能有质疑时,可用路试检验进行复试。
(√)7、用滚筒反力式制动台检验汽车制动力与非测试车轮的制动性能有关。
(√)8、对于使用年限在10年以内的非营运小型、微型载客汽车但发生过造成人员伤亡交通事故,在送检时要增加底盘动态检验和车辆底盘部件检查等项目。
(√)9、校车和2011(2012)年9月1日起出厂的公路客车、旅游客车的前风窗玻璃以及外玻璃用于驾驶人视区部位的可见光透射比应大于70%,其他车窗玻璃的可见光透射比不小于50%(×)10、乘用车自行加装的前后防撞装置及货运机动车自行加装的防风罩、水箱、工具箱、备胎架,应不影响安全。
(√)11、机动车前号牌板(架)应设于前面的中部或右侧(按机动车前进方向),后号牌板(架)应设于后面的中部或左侧。
(√)12、汽车总质量是指汽车装备齐全(包括燃油、润滑油、冷却水、备胎、随车工具以及司机及随车乘员质量)的自重与载质量(在良好路面上行驶时允许的最大装载质量)之和。
(√)13、汽车的整备质量是指汽车按出厂技术条件装备完整(如备胎、工具等安装齐备),各种油水添满后的重量。
机动车安检机构检验员考试试卷(GB21861-2014)部门:姓名:工号:一、判断题(30分)【得分:】1、GB21861-2014规定前照灯远近光水平偏移不做检验要求,而垂直偏移对部分车型需要检测。
(√)2、路试检验车辆的驻车制动性能是在空载状态下,车辆在坡道为20%(总质量为整备质量1.2倍以下的车辆为15%)、轮胎与路面间的附着系数不小于0.7的坡道上正反两个方向使用驻车制动装置5min以上保持固定不动。
(√)3、GB21861-2014规定在用机动车检验时保存车辆识别代码照片,而不用保存拓印膜。
(√)4、机动车同一轴上的轮胎型号和花纹应相同,转向轮不得装用翻新的轮胎。
(√)5、对于非营运小型、微型载客汽车GB21861-2014规定不再检验驻车制动。
(×)6、用台试检验车辆制动性能后对其制动性能有质疑时,可用路试检验进行复试。
(√)7、用滚筒反力式制动台检验汽车制动力与非测试车轮的制动性能有关。
(√)8、对于使用年限在10年以内的非营运小型、微型载客汽车但发生过造成人员伤亡交通事故,在送检时要增加底盘动态检验和车辆底盘部件检查等项目。
(√)9、校车和2011(2012)年9月1日起出厂的公路客车、旅游客车的前风窗玻璃以及外玻璃用于驾驶人视区部位的可见光透射比应大于70%,其他车窗玻璃的可见光透射比不小于50%(×)10、乘用车自行加装的前后防撞装置及货运机动车自行加装的防风罩、水箱、工具箱、备胎架,应不影响安全。
(√)11、机动车前号牌板(架)应设于前面的中部或右侧(按机动车前进方向),后号牌板(架)应设于后面的中部或左侧。
(√)12、汽车总质量是指汽车装备齐全(包括燃油、润滑油、冷却水、备胎、随车工具以及司机及随车乘员质量)的自重与载质量(在良好路面上行驶时允许的最大装载质量)之和。
(√)13、汽车的整备质量是指汽车按出厂技术条件装备完整(如备胎、工具等安装齐备),各种油水添满后的重量。
机动车安检机构检验员考试试卷(GB21861-2014)部门:姓名:工号:一、判断题(30分)【得分:】1、GB21861-2014规定前照灯远近光水平偏移不做检验要求,而垂直偏移对部分车型需要检测。
(√)2、路试检验车辆的驻车制动性能是在空载状态下,车辆在坡道为20%(总质量为整备质量1.2倍以下的车辆为15%)、轮胎与路面间的附着系数不小于0.7的坡道上正反两个方向使用驻车制动装置5min以上保持固定不动。
(√)3、GB21861-2014规定在用机动车检验时保存车辆识别代码照片,而不用保存拓印膜。
(√)4、机动车同一轴上的轮胎型号和花纹应相同,转向轮不得装用翻新的轮胎。
(√)5、对于非营运小型、微型载客汽车GB21861-2014规定不再检验驻车制动。
(×)6、用台试检验车辆制动性能后对其制动性能有质疑时,可用路试检验进行复试。
(√)7、用滚筒反力式制动台检验汽车制动力与非测试车轮的制动性能有关。
(√)8、对于使用年限在10年以内的非营运小型、微型载客汽车但发生过造成人员伤亡交通事故,在送检时要增加底盘动态检验和车辆底盘部件检查等项目。
(√)9、校车和2011(2012)年9月1日起出厂的公路客车、旅游客车的前风窗玻璃以及外玻璃用于驾驶人视区部位的可见光透射比应大于70%,其他车窗玻璃的可见光透射比不小于50%(×)10、乘用车自行加装的前后防撞装置及货运机动车自行加装的防风罩、水箱、工具箱、备胎架,应不影响安全。
(√)11、机动车前号牌板(架)应设于前面的中部或右侧(按机动车前进方向),后号牌板(架)应设于后面的中部或左侧。
(√)12、汽车总质量是指汽车装备齐全(包括燃油、润滑油、冷却水、备胎、随车工具以及司机及随车乘员质量)的自重与载质量(在良好路面上行驶时允许的最大装载质量)之和。
(√)13、汽车的整备质量是指汽车按出厂技术条件装备完整(如备胎、工具等安装齐备),各种油水添满后的重量。
《机动车安全技术检验项目和方法》(GB 21861—2014)全文作者:来源:《汽车与安全》2015年第02期中华人民共和国国家标准GB 21861-2014代替GB 21861-20082014-12-22发布2015-03-01实施中华人民共和国国家质量监督检验检疫总局中国国家标准化管理委员会发布本标准是检验机动车安全技术性能的重要技术标准,标准号为GB 21861,于2008年5月26日首次发布。
GB 21861-2008自2009年6月1日起实施以来,在规范机动车安全技术检验、保障车辆安全性能、预防和减少道路交通事故、保证人民生命财产安全等方面发挥了重要作用。
近年来,公安部、国家质量技术监督检验检疫总局等有关部委充分考虑到我国汽车工业的发展,特别是私家小汽车迅猛增长的特点,不断调整机动车管理的理念和做法,积极响应人民群众对于改革机动车安全技术检验的新期待、新要求,出台了一系列加强和改进机动车安全技术检验工作的新举措。
同时,2012年9月1日起实施的国家标准《机动车运行安全技术条件》(GB7258-2012)进一步规范和加强了机动车(特别是大中型客货车辆,包括校车)的运行安全技术要求;为贯彻落实《校车安全管理条例》,2012年5月1日起实施的国家标准《专用校车安全技术条件》(GB 24407-2012)进一步提高了专用校车的安全技术要求。
鉴于此,有必要对GB 21861进行整体修订,以更好地落实国家关于机动车安全技术检验的有关要求,推动新的机动车国家安全技术标准的实施。
本次GB 21861修订工作的主要原则有:a)保证协调性。
标准修订坚持依法依规,修订内容符合《校车安全管理条例》及近年来公安部、国家质量技术监督检验检疫总局等部委的有关管理规定,与GB 7258-2012、GB24407-2012等机动车国家安全技术标准相协调。
b)提高针对性。
标准修订突出重点车辆,强化了校车、大中型客车、重中型货车、挂车的安全技术检验要求,优化了非营运轿车等小型、微型载客汽车的检验项目。
GB 21861—2014国家标准《机动车安全技术检验项目和方法》2015年3月1日正式施行作者:来源:《汽车与安全》2015年第02期20世纪80年代全国开始筹建机动车综合性能监测站2004年5月1日道交法明确了机动车检验工作的法律地位2008住发布GB21861-2008国家标准《机动车安全技术检验项目和方法》2014年12月22日,国家质量技术监督检验检疫总局和国家标准化管理委员会发布了修订后的GB21861-2014国家标准《机动车安全技术检验项目和方法》。
2015年3月1日起正式实施。
上世纪80年代,为了保障交通安全,我国开始在全国筹建机动车综合性能检测站,机动车检测行业开始起步和发展。
2004年5月1日,我国施行《中华人民共和国道路交通安全法》,其中第十三条规定:对登记后上道路行驶的机动车,应当依照法律、行政法规的规定,根据车辆用途、载客载货数量、使用年限等不同情况,定期进行安全技术检验。
对提供机动车行驶证和机动车第三者责任强制保险单的,机动车安全技术检验机构应当予以检验,任何单位不得附加其他条件。
对符合机动车国家安全技术标准的,公安机关交通管理部门应当发给检验合格标志。
该条款从法律上明确了机动车安全技术检验在我国的重要地位。
2008年,我国发布了《机动车安全技术检验项目和方法》(GB 21861—2008),规范了行业标准,成为公安机关交通管理部门和质量技术监督部门对机动车安全技术检验机构的检验行为进行监督管理的重要依据。
为了适应机动车检测行业发展需要,2014年4月29日,公安部、国家质检总局于联合发布了《关于加强和改进机动车检验工作的意见》,对全国检验机构进行全面检查整治,明确要求加快《机动车安全技术检验项目和方法》修订工作。
为了配合此次机动车检验制度改革中关于“加快推进系统联网监管”、“强化检验机构主体责任”、“规范机动车检验工作程序”、“严格执行机动车验标准”等相关要求,《机动车安全技术检验项目和方法》的修订工作于2014年底完成本标准由中华人民共和国公安部提出,由公安部道路交通管理标准化委员会归口,由公安部交通管理科学研究所负责起草。
精心整理机动车安检机构检验员考试试卷(GB21861-2014)部门:姓名:工号:一、判断题(30分)1、GB21861-2014规定前照灯远近光水平偏移不做检验要求,而垂直偏移对部分车型需要检测。
()2、路试检验车辆的驻车制动性能是在空载状态下,车辆在坡道为20%(总质量为整备质量1.2倍以下的车辆为15%)、轮胎与路面间的附着系数不小于0.7的坡道上正反两个方向使用驻车制动装置5min以上保持固定不动。
()3、GB21861-2014规定在用机动车检验时保存车辆识别代码照片,而不用保存拓印膜。
()4、机动车同一轴上的轮胎型号和花纹应相同,转向轮不得装用翻新的轮胎。
()5、对于非营运小型、微型载客汽车GB21861-2014规定不再检验驻车制动。
()6、用台试检验车辆制动性能后对其制动性能有质疑时,可用路试检验进行复试。
()7、用滚筒反力式制动台检验汽车制动力与非测试车轮的制动性能有关。
()8、对于使用年限在10年以内的非营运小型、微型载客汽车但发生过造成人员伤亡交通事故,在送检时要增加底盘动态检验和车辆底盘部件检查等项目。
()9、校车和2011年9月1日起出厂的公路客车、旅游客车的前风窗玻璃以及外玻璃用于驾驶人视区部位的可见光透射比应大于70%,其他车窗玻璃的可见光透射比不小于50%()10、乘用车自行加装的前后防撞装置及货运机动车自行加装的防风罩、水箱、工具箱、备胎架,应不影响安全。
()11、机动车前号牌板(架)应设于前面的中部或右侧(按机动车前进方向),后号牌板(架)应设于后面的中部或左侧。
()12、汽车总质量是指汽车装备齐全(包括燃油、润滑油、冷却水、备胎、随车工具以及司机及随车乘员质量)的自重与载质量(在良好路面上行驶时允许的最大装载质量)之和。
()13、汽车的整备质量是指汽车按出厂技术条件装备完整(如备胎、工具等安装齐备),各种油水添满后的重量。
()14、路试检验行车制动性能时,奔驰S350应在边缘线为3米宽的试车道上进行检验,检验时,车辆沿试车道的中线行驶到50km/h时急踩制动,若车辆的任何部位都不超出试车道的边线,即为合格。