混凝土浇筑施工申请表
- 格式:doc
- 大小:37.37 KB
- 文档页数:11
施工记录混凝土浇筑申请单(二)引言概述:本文档旨在详细介绍施工记录混凝土浇筑申请单(二)的相关内容。
该申请单是用于记录混凝土浇筑施工过程的重要文件,有效地跟踪和管理施工进展,确保工程质量和安全。
本文将按照如下五个主要点来阐述申请单的具体内容:浇筑日期和时间、混凝土配比、浇筑设备和工具、浇筑进度和质量控制、安全措施。
正文内容:一、浇筑日期和时间1. 在申请单上记录浇筑开始和结束的日期和时间,精确记录施工时间,以便后续的施工进度和质量评估。
2. 说明浇筑过程中的气温、湿度等天气条件,这些因素对混凝土浇筑的影响需要被纳入考虑。
二、混凝土配比1. 详细列出混凝土配比的各个成分,包括水泥、石子、沙子和水的比例。
2. 指明混凝土的等级和强度要求,确保混凝土的质量符合设计要求。
三、浇筑设备和工具1. 记录使用的混凝土搅拌机、输送泵等浇筑设备的型号和数量。
2. 列出使用的工具,如砂浆板、铁锹、振动器等。
四、浇筑进度和质量控制1. 详细记录施工的具体进度,包括混凝土投料量、浇筑层数和浇筑面积等。
2. 描述混凝土的浇筑方式,如手工浇筑、机械振捣等。
3. 强调浇筑过程中的质量控制,如混凝土的均匀性、密实性和表面平整度的要求。
五、安全措施1. 提供施工安全措施,如混凝土浇筑现场安全警示标志的设置,人员安全防护措施的执行等。
2. 强调施工人员的安全意识和责任,确保安全操作和防止事故的发生。
总结:施工记录混凝土浇筑申请单(二)是一份重要的施工文件,它记录了混凝土浇筑过程的关键信息。
本文对该申请单的内容进行了全面的概述,包括浇筑日期和时间、混凝土配比、浇筑设备和工具、浇筑进度和质量控制以及安全措施。
通过合理填写和遵守该申请单,可以有效地管理和监控施工过程,确保工程质量和施工安全。
混凝土浇筑申请表混凝土是一种重要的建筑材料,常用于房屋、道路、桥梁等建筑工程中。
混凝土浇筑申请表是作为混凝土施工前的一项必备手续,通过填写表格可以使施工方和业主了解施工工作的详细情况,确保施工进度和质量。
混凝土浇筑申请表包括以下几个方面的内容:1.施工单位信息:施工单位需要在表格中填写自己的名称、地址、电话等信息,以确保业主和监理方可以联系到他们。
2.施工位置:在表格中需要详细填写混凝土浇筑的位置,包括建筑名称、施工位置和周围环境等信息。
3.混凝土品种:在表格中需要填写混凝土所使用的材料,例如水泥、石灰石、河石等,还需要注明混凝土的品种和强度等级。
4.施工时间:在表格中需要填写混凝土的浇筑时间和施工周期。
施工方需要合理安排施工进度,确保施工质量和进度。
5.施工方法:在表格中需要详细描述混凝土浇筑的方法,例如浇筑的层数,浇筑的方式等。
6.施工人员:在表格中需要注明参与混凝土浇筑的人员姓名、资质和工作经验,以确保施工质量和安全。
7.施工设备:在表格中需要注明所使用的施工设备,例如混凝土搅拌机、自卸车等。
8.安全措施:在表格中需要注明施工方采取的安全措施,保证工作人员和周围环境的安全,例如安全防护措施、疏散预案等。
在填写混凝土浇筑申请表时,施工方需要认真负责,对于每一个事项进行详细阐述,确保表格的准确性和完整性。
完成表格后,施工方需要向监理方或者业主提交申请,待审核通过后方可进行混凝土浇筑工作。
总之,混凝土浇筑申请表是一项非常重要的手续,施工方需要认真填写,并与业主和监理方进行沟通和协商。
只有合理规划和安排混凝土浇筑工作,才能确保施工质量和进度,达到预期的建筑效果。
混凝土浇筑申请单工程名称:××××××编号:电土施表4—5单位工程名称××××××监理单位××××××施工单位××××××申请浇灌日期2013年2月21日8时申请浇筑部位汽机基础申请方量(m3)6121技术要求大体积混凝土降低水化热强度等级C30R60供应方式(搅拌站名称)现场搅拌站申请人×××依据:施工图纸(施工图纸号X032S-T0204)、设计变更(编号无)和有关规范、规程。
施工准备检查施工员质检员备注1.钢筋检查情况;×××合格2.模板检查情况;×××合格3.水、电及预埋铁件检查情况;×××合格4.施工组织及技术交底情况;×××已经交底5.材料、机械设备准备情况;×××准备齐全6.保温养护及有关准备情况。
×××准备齐全同意浇筑。
项目技术负责人:×××××××年××月××日监理单位审查意见:同意浇筑。
专业监理工程师:×××××××年××月××日本表由施工单位、监理单位留存。
工程名称:建业西湖庄园人防地下室
工程名称:建业西湖庄园人防地下室
工程名称:建业西湖庄园人防地下室
工程名称:建业西湖庄园人防地下室
工程名称:建业西湖庄园人防地下室
工程名称:建业西湖庄园人防地下室
工程名称:建业西湖庄园人防地下室
工程名称:建业西湖庄园人防地下室
工程名称:建业西湖庄园人防地下室
工程名称:建业西湖庄园人防地下室
工程名称:建业西湖庄园人防地下室
工程名称:建业西湖庄园人防地下室
工程名称:建业西湖庄园人防地下室
工程名称:建业西湖庄园人防地下室。
工程名称:晋江市紫帽中学教学楼工程承包单位:福建省榕璟建设发展有限公司编号致:福州昌和信工程监理咨询有限公司(监理公司):我项目拟在2011-10-17 (时间)浇筑晋江市紫帽中学教学楼工程三层梁板(部位),现已准备就绪,请予查验批准浇筑混凝土。
混凝土标号C25 ;混凝土数量72 m3;拟浇筑持续时间 4.5 h 。
1、上道工序是√否已做隐蔽前验收。
2、水、电、通风空调、设备等预埋件是√否已验收。
3、模板支撑系统是√否自检合格。
4、工具设备是√否齐全,状况良好。
5、商品混凝土是√否已联系好供应商。
6、是√否已具备有混凝土的配合比。
7、主要施工管理人员及各工种人员值班是√否已落实到位。
承包单位(章):项目经理:日期:年月日专业监理工程师意见:签收日期:年月日专业监理工程师:日期:年月日工程名称:晋江市紫帽中学教学楼工程承包单位:福建省榕璟建设发展有限公司编号致:福州昌和信工程监理咨询有限公司(监理公司):我项目拟在2011-10-23 (时间)浇筑晋江市紫帽中学教学楼工程三层柱(部位),现已准备就绪,请予查验批准浇筑混凝土。
混凝土标号C25 ;混凝土数量24 m3;拟浇筑持续时间 2 h 。
1、上道工序是√否已做隐蔽前验收。
2、水、电、通风空调、设备等预埋件是√否已验收。
3、模板支撑系统是√否自检合格。
4、工具设备是√否齐全,状况良好。
5、商品混凝土是√否已联系好供应商。
6、是√否已具备有混凝土的配合比。
7、主要施工管理人员及各工种人员值班是√否已落实到位。
承包单位(章):项目经理:日期:年月日专业监理工程师意见:签收日期:年月日专业监理工程师:日期:年月日工程名称:晋江市紫帽中学教学楼工程承包单位:福建省榕璟建设发展有限公司编号致:福州昌和信工程监理咨询有限公司(监理公司):我项目拟在(时间)浇筑晋江市紫帽中学教学楼工程五层柱(部位),现已准备就绪,请予查验批准浇筑混凝土。
混凝土标号C25 ;混凝土数量23 m3;拟浇筑持续时间 2 h 。
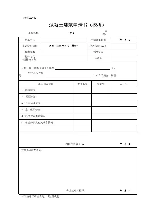
混凝土浇筑申请单
工程名称:编号:SXMG4—5—XS—001 电土施表4-5 单位工程名称监理单位
施工单位申请浇灌日期年月日时
浇筑部位申请方量(m3)
技术要求强度等级
供应方式(搅拌站名称)
申请人(技术员)
依据:施工图纸(施工图纸号)、
设计变更(编号)和有关规范、规程。
施工准备检查施工员质检员备注1.钢筋检查情况;
2.模板检查情况;
3.水、电及预埋铁件检查情况;
4.施工组织及技术交底情况;
5.材料、机械设备准备情况;
6.保温养护及有关准备情况。
施工单位检查意见:
项目技术负责人:
年月日
总承包单位检查意见:
项目技术负责人:
年月日
监理单位审查意见:
专业监理工程师:
年月日
建设单位检查意见:
项目技术负责人:
年月日
本表由施工单位填写,建设单位、监理单位、总承包单位、施工单位各保存一份。
混凝土浇筑申请单工程名称:xxxxxxx工程编号:00-05-16-00-01-01-02-01-001 单位工程名称20xx 监理单位xx 施工单位xx 申请浇灌日期20xx年11月06日时申请浇筑部位xx基础垫层申请方量(m3)16 m3 技术要求坍落度160±20㎜出厂检验报告编号:HNTZ-0118678 强度等级C15 防冻-10℃ 供应方式(搅拌站名称)商品混凝土(广大)申请人依据:施工图纸(施工图纸号xx-SH-H0101-T0212-01 )、设计变更(编号无)和有关规范、规程。
施工准备检查检查情况施工员质检员备注1.钢筋检查情况;符合设计和规范要求2.模板检查情况;承载力、刚度和稳定性满足要求3.水、电及预埋铁件检查情况;无4.施工组织及技术交底情况;已完成交底5.材料、机械设备准备情况;具备连续作业能力6.保温养护及有关准备情况。
措施材料准备充足项目技术负责人:年月日监理部审查意见:专业监理工程师:年月日混凝土浇筑申请单工程名称:xx扩建工程编号:00-05-16-00-01-02-04-01-001 单位工程名称20xx 监理单位xx 施工单位xx 申请浇灌日期20xx年11月13日14时申请浇筑部位脱水间基础底板、集水坑申请方量(m3)110 m3 技术要求坍落度160±20㎜出厂检验报告编号:HNTZ-0118687 强度等级C30 S6 F150防冻-5℃ 供应方式(搅拌站名称)商品混凝土(广大)申请人依据:施工图纸(施工图纸号xx-SH-H0101-T0212-01 )、设计变更(编号无)和有关规范、规程。
施工准备检查检查情况施工员质检员备注1.钢筋检查情况;符合设计和规范要求2.模板检查情况;承载力、刚度和稳定性满足要求3.水、电及预埋铁件检查情况;无4.施工组织及技术交底情况;已完成交底5.材料、机械设备准备情况;具备连续作业能力6.保温养护及有关准备情况。
混凝土浇筑申请表一、工程概述本次混凝土浇筑申请涉及的工程项目为具体工程名称,位于工程地点。
该工程的建设单位为建设单位名称,施工单位为施工单位名称,监理单位为监理单位名称。
本工程的结构类型为结构类型,混凝土浇筑部位为具体浇筑部位,浇筑混凝土的强度等级为强度等级,预计浇筑方量为方量。
二、施工准备情况1、技术准备施工图纸已经会审,设计交底已完成,施工人员对施工图纸及技术要求已充分了解。
施工方案已经编制并审批通过,对施工人员进行了技术交底。
混凝土配合比已经确定,并经过试验验证,满足设计和施工要求。
2、材料准备水泥:选用品牌及型号水泥,有出厂合格证及复试报告,质量符合要求。
砂:选用产地及规格砂,含泥量、细度模数等指标符合要求,有复试报告。
石子:选用产地及规格石子,含泥量、针片状颗粒含量等指标符合要求,有复试报告。
外加剂:选用品牌及型号外加剂,有出厂合格证及复试报告,质量符合要求。
水:采用符合混凝土拌合要求的水源。
3、机械设备准备混凝土搅拌设备:搅拌设备型号及数量,运行正常,计量准确。
混凝土运输设备:运输车辆型号及数量,车况良好,能满足混凝土运输要求。
混凝土浇筑设备:浇筑设备型号及数量,如泵车、塔吊等,性能良好,能保证混凝土浇筑的连续性。
4、劳动力准备混凝土工:人数,均经过培训,具备熟练的操作技能。
钢筋工:人数,负责在混凝土浇筑过程中对钢筋进行保护和修整。
木工:人数,负责在混凝土浇筑过程中对模板进行观察和维护。
电工:人数,负责施工现场的电力供应和设备维护。
试验工:人数,负责混凝土的取样和试验工作。
5、现场准备模板及其支撑系统已经安装完毕,经验收合格,符合设计和施工要求。
钢筋的品种、规格、数量、位置、接头等均符合设计和施工规范要求,已通过隐蔽工程验收。
预留孔洞、预埋件的位置、数量、尺寸等均符合设计要求,已通过验收。
浇筑混凝土的作业面已经清理干净,无杂物、积水等。
混凝土浇筑的通道已经搭设完毕,安全可靠。
三、混凝土浇筑方案1、浇筑顺序根据工程结构特点和施工要求,确定混凝土的浇筑顺序,如先浇筑柱、墙,再浇筑梁、板;或先浇筑梁,再浇筑板等。
混凝土浇筑申请表~混凝土浇筑申请表是建筑工程中的一个必备的文件,也是建筑工程管理的一个重要环节。
在建筑工程中,混凝土对工程结构的承载能力至关重要,因此需要严格控制混凝土的质量和工艺流程。
而混凝土浇筑申请表就是为了帮助工程部门对混凝土的浇筑工艺进行有效地控制,以确保工程的质量和安全。
一、混凝土浇筑申请表的设计混凝土浇筑申请表一般由建筑单位的材料科和质量监督部门共同设计,包括浇筑日期、混凝土强度等级、混凝土数量、浇筑部位、浇筑时间、浇筑人员、施工班组等。
在具体的浇筑流程中,建筑工程部门应先向材料科和质量监督部门提供混凝土浇筑申请表,并在申请表中填写相关信息。
材料科和质量监督部门根据申请表的信息,制定混凝土配合比和工艺流程,然后向建筑工程部门发放浇筑许可证,以确保混凝土浇筑的质量和工艺流程的有效控制。
二、混凝土浇筑申请表的实施混凝土浇筑申请表对于建筑工程的质量和安全有着至关重要的作用。
工程部门应在混凝土浇筑前,向材料科和质量监督部门提出混凝土浇筑申请,等待批准后方可进行浇筑。
一旦批准,工程部门应按照浇筑申请表中确定的配合比和工艺流程,严格控制混凝土浇筑的质量和工艺流程。
工程部门应按照浇筑部位、浇筑时间等要求进行现场控制,及时通知材料科和质量监督部门对混凝土质量进行检查和监督。
三、混凝土浇筑申请表的注意事项混凝土浇筑申请表是建筑工程中的一个关键环节,对于保证工程质量和安全至关重要。
因此,在填写浇筑申请表时,需要注意以下几个方面:1. 完备材料:填写混凝土浇筑申请表前,必须确保所有混凝土材料已经到位,以便能够准确地填写相关信息。
2. 严格按照实际情况填写:在填写浇筑申请表时,应当严格按照实际情况填写,不能出现任何误差。
全面准确地填写申请表,将有利于建筑工程的质量和安全。
3. 每次浇筑需要申请:每次浇筑混凝土时,都需要提前向材料科和质量监督部门提交浇筑申请,并等待相关部门的批准。
只有获得批准后,才能进行混凝土浇筑工作。
混凝土浇筑申请表
商砼交货检验记录
填表说明
1、本表由施工单位填写并负责审核,由项目监理人员(建设单位项目技术负责人)审批。
2、拆模时混凝士强度规定:当设计有要求时,应按设计要求;当设计无要求时,应按现行规范要求。
3、如结构型式复杂(结构跨度变化较大)或平面不规则,应附拆模平面示意图。
填表说明
1、该表为隐蔽工程检查验收记录通用表,除采用专用表格的隐蔽验收项目外均采用此表。
2、隐检内容及自检情况栏中应填写:附隐蔽部位图示,图中未能反映的内容加以文字说明。
3、该表为由施工单位填写,只要上一道工序被下一道工序隐蔽的均要进行隐蔽工程验收并形成记录。
主要有以下工序的隐蔽验收采用此表:
(1)道路方面:道路路基、道路基层、道路面层、人行道、挡土墙、道路的附属构筑物等。
(2)桥梁方面:防水隐蔽记录、支座隐蔽记录、桥面铺装隐蔽记录、防撞体隐蔽记录、预埋件隐蔽等。
D3
填表说明
1、该表为钢筋工程隐蔽验收专用记录表,只要是钢筋分项工程隐蔽的均采用此表,如桩基、承台、墩柱、桥跨承重结构等的钢筋分享工程隐蔽。
2、受力钢筋品种、规格、数量、位置等一栏,如表述不清,可以注明参照的施工图纸号及详图号。
3、箍筋、构造钢筋品种、规格、数量、间距等一栏,如表述不清,可以注明参照的施工图纸号及详图号。
4、定位措施需注明采用垫块的规格,材质等。
5、隐检部位表示不清时可附图,并由施工监理单位签字并盖章。
//。