伯努利方程实验数据
- 格式:pdf
- 大小:91.58 KB
- 文档页数:5
能量方程(伯努利方程)实验能量方程(伯努利方程)实验姓名:史亮班级:9131011403学号:913101140327处的7根皮托管测压管测量总水头或12根普通测压管测量测压管水头,其中测点1、6、8、12、14、16和18均为皮托管测压管(示意图见图3.2),用于测量皮托管探头对准点的总水头H ’(=2gu2++r p Z ),其余为普通测压管(示意图见图3.3),用于测量测压管水头。
图3.2 安装在管道中的皮托管测压管示意图 图3.3安装在管道中的普通测压管示意图3.3 实验原理当流量调节阀旋到一定位置后,实验管道内的水流以恒定流速流动,在实验管道中沿管内水流方向取n 个过水断面,从进口断面(1)至另一个断面(i )的能量方程式为:2g v2111++r p Z =fiih r p Z +++2gv 2i=常数 (3.1) 式中:i=2,3,······ ,n ;Z ──位置水头;rp──压强水头; 2gv 2──速度水头;fh ──进口断面(1)至另一个断面(i )的损失水头。
从测压计中读出各断面的测压管水头(r pZ +),通过体积时间法或重量时间法测出管道流量,计算不v2,从同管道内径时过水断面平均速度v及速度水头2g而得到各断面的测压管水头和总水头。
3.4 实验方法与步骤1)观察实验管道上分布的19根测压管,哪些是普通测压管,哪些是皮托管测压管。
观察管道内径的大小,并记录各测点管径至表3.1。
2)打开供水水箱开关,当实验管道充满水时反复开或关流量调节阀,排除管内气体或测压管内的气泡,并观察流量调节阀全部关闭时所有测压管水面是否平齐(水箱溢流时)。
如不平,则用吸气球将测压管中气泡排出或检查连通管内是否有异物堵塞。
确保所有测压管水面平齐后才能进行实验,否则实验数据不准确。
3)打开流量调节阀并观察测压管液面变化,当最后一根测压管液面下降幅度超过50%时停止调节阀门。
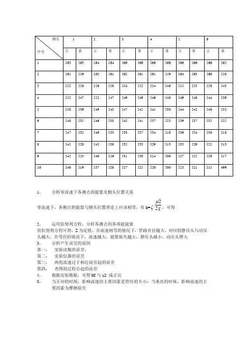
1,分析零流速下各测点的能量及侧头位置关系
零流速下,各侧点的能量与侧头位置理论上应该相等,有h=g22
μ
ζ,可得
2,运用伯努利方程,分析各测点的各项能能量
有伯努利方程可得,Z为定值,在流速相等的情况下,管路直径越大,对应的静压头与动压头越大,在等径的情况下,流速越大,能量损失越大,静压头减小,动压头增大
3,分析产生误差的原因
第一,实验读数的误差,
第二,实验仪器的误差
第三,两组流速过于相近而引起的误差
第四,查图的过程引起的误差
4,根据实验数据,可得Hf与u2 成正比
5,当正对的时候,影响流速的主要因素是管经的大小;当垂直的时候,影响流速的主要因素为摩擦损失。
伯努利方程实验一、实验目的:1.通过实验,加深对伯努利方程式及能量之间转换的了解。
2.观察水流沿程的能量变化,并了解其几何意义。
3.了解压头损失大小的影响因素。
二、实验原理:在流体流动过程中,用带小孔的测压管测量管路中流体流动过程中各点的能量变化。
当测压管的小孔正对着流体的流动方向时,此时测得的是管路中各点的动压头和静压头的总和,即以单位质量流体为衡算基来研究流体流动的能量守恒与转化规律。
对于不可压缩流体,在导管内作稳态流动时,则对确定的系统即可列出机械能衡算方程:∑+++=+++f e h pgZ p u Z ρωρ222212112u 2g当测压管的小孔垂直于流体的流动方向时,此时测得的是管路中各点的静压头的值,即 。
将在同一流量下测得的hA 、hB 值描在坐标上,可以直观看出流速与管径的关系。
比较不同流量下的hA 值,可以直观看出沿程的能量损失,以及总能量损失与流量、流速的关系。
通过hB 的关系曲线,可以得出在突然扩大、突然缩小处动能与静压能的转换。
三.实验装置四.实验步骤1.将低位槽灌有一定数量的蒸馏水,关闭离心泵出口上水阀及实验测试导管出口流量调节阀和排气阀、排水阀,打开回水阀和循环水阀而后启动离心泵。
2.逐步开大离心泵出口上水阀当高位槽溢流管有液体溢流后,利用流量调节阀出水的流量。
3.流体稳定后读取并记录各点数据。
4.关小流量调节阀重复步骤。
5.分析讨论流体流过不同位置处的能量转换关系并得出结果。
6.关闭离心泵,实验结束。
五.实验注意事项:1.测记压头读数时,必须保持水位恒定。
2.注意测压管内无气泡时,方可开始读数。
3.测压管液面有波动时,读数取平均值为宜。
4.阀门开关要缓慢,否则影响实验结果。
六.数据处理d A=14mm , d B=28mm, d C=d D=14mm,Z D=125mm七.误差分析(1)不同流量时的动能比较。
同一管径下,流量大时,动能较大。
(2)同一流量时不同管径上动能比较。
伯努利方程实验实验一 伯努利方程实验一、实验目的观察流体在管道中流动时能量的相互转化现象,加深对柏努利方程的理解。
原理二、实验原理流体在流动时,具有3种机械能:位能、静压能和动能,这3种机械能是可以相互转化的。
在没有摩擦损失的自流管路中,任意两截面处的机械能总和是相等的。
在有摩擦损失的自流管路中,任意两截面处的总机械能之差为摩擦损失。
2.对理想流体,在系统中任一截面处,尽管三种机械能彼此不一定相等,但这三种机械能的总和是不变的。
对于实际流体,由于在内摩擦,流体在流动过程中总有一部分机械能随摩擦转化为热能而损耗了,故对于实际流体,任意两截面上的机械能的总和并不相等,两者的差值即为能量损失。
3流体流经管路某截面处的各种机械能大小均可以用测压管中的一 段液柱高度来表示,在流体力学中,用以表示各种机械能大小的流体柱高度称之为“压头’。
分别称为位压头、动压头、静压头、损失压头。
机械能可用测压管中液柱的高度来表示。
当测压管口平行于流动方向时,液柱的高度表示静压能;当测压管口正对流体流动方向时,液柱的高度表示动能与静压能之和,两者之差就是动能。
实验中通过测定流体在不同管径、不同位置测压管中液面高度,反映出摩擦损失的存在及动能、静压能之间的相互转化。
(4)流体的机械能衡算,以单位质量(1kg )流体为衡算基准,当流体在两截面之间稳定流动且无外功加入时,伯努利方程的表达形式为 式中 z —— 位压头(m 流体柱); —— 静压头(m 流体柱); —— 动压头(m 流体柱)。
三、实验设备及流程Cgvg p z =++22ρg Pρ22v1. 实验装置流程如图3-1所示,实验设备由玻璃管、测压管、活动测压头、水槽、循环水泵等组成。
水槽中的水通过循环水泵将水送到高位槽,并由溢流口保持一定水位,然后流经玻璃管中的各测点,再通过出口阀A流回水箱,由此利用循环水在管路中流动观察流体流动时发生能量转化及产生能量损失。
活动测压头的小管端部封闭,管身开有小孔,小孔位置与玻璃管中心线平齐,小管又与测压管相通,转动活动测压头就可以测量动、静压头。
实验五伯努利方程实验一、实验目的1.观察恒定流条件下,通过管道水流的位置势能、压强势能和动能的沿程转化规律,加深理解能量方程的物理意义及几何意义。
2.学习用比托管和体积法测量流速的技能。
3.学习使用测压管、总压管测水头的实验技能及绘制水头线的方法。
4.验证流体定常流的伯努利方程。
二、实验原理1、理想流体的运动方程(欧拉方程)在恒定流、质量力仅有重力、流体不可压条件下有伯努利积分:(沿流线)。
2、伯努利积分的物理意义是:对于不可压理想流体的恒定流动,总水头(位置水头、压强水头和速度水头之和)或单位重量液体的总机械能(位置势能、压强势能和动能之和)沿流线是保持不变的。
3、伯努利积分可直接运用于恒定元流,重力场中,理想、不可压流体恒定元流的1-1、2-2两个断面上,总水头相等,即:。
4、毕托管利用测压管和总压管(测速管)测得总水头和测管水头之差–速度水头,可用来测量流场中某点的流速,即u=。
图1 毕托管测速原理5、在渐变流的过水断面上,惯性力的分量为零,质量力与压差力的分量在此平面上相互平衡,所以渐变流的过水断面上,压强分布规律与静水中是一样的,即测管水头为常数。
6、理想、不可压流体恒定总流的能量方程为其中1-1、2-2两个过水断面应处于渐变流段中,分别是两断面的动能修正系数。
若考虑实际(粘性)流体流动时的能量损失,则断面1-1是上游断面,断面2-2是下游断面,为断面1-1、2-2之间单位重量流体的能量损失,包括沿程和局部损失。
图2 实验原理图7、定常总流能量方程的各项都是长度量纲,所以可将它们沿程变化的情况几何表示出来,称为水头线。
可分别画出测管水头线和总水头线。
实验装置如图3所示,在自循环恒定管道流上串联变截面圆管和弯管。
在A,B,C,D四个断面管壁上的不同位置各接出四个毕托管,其中的测压管接在管壁上,总压管迎着来流方向放置在管轴处。
管中流速可用尾阀来调节,设置专用量水箱进行流量的量测。
图3 实验装置示意图伯努利实验组件相关参数值(如图所示,单位:mm)图4 伯努利实验组件相关参数1. 认真阅读实验目的要求、实验原理和注意事项。
伯努利方程实验报告实验目的,通过实验验证伯努利方程在流体力学中的应用,并了解流体在管道中的流动规律。
实验仪器,水平放置的管道、水泵、流速计、压力计。
实验原理,伯努利方程是描述流体在不同位置上的动能、压力能和势能之间的关系。
在理想情况下,流体在管道中的流动可以通过伯努利方程来描述,即动能、压力能和势能的总和在不同位置上保持不变。
实验步骤:1. 将水泵接通,使水流通过管道。
2. 在不同位置上分别测量流速和压力。
3. 记录实验数据,并计算各位置上的动能、压力能和势能。
4. 利用伯努利方程验证实验数据,分析流体在管道中的流动规律。
实验结果与分析:通过实验数据的记录和计算,我们得出了不同位置上的流速、压力和能量变化情况。
利用伯努利方程验证实验数据,发现实验结果与理论计算基本吻合,证实了伯努利方程在流体力学中的有效性。
在实验过程中,我们还发现了一些有趣的现象。
例如,在管道变窄的地方,流速增大,压力减小;在管道变宽的地方,流速减小,压力增大。
这与伯努利方程中描述的流体在不同位置上能量的转换规律是一致的。
结论:本实验通过验证伯努利方程在流体力学中的应用,进一步加深了我们对流体在管道中流动规律的理解。
实验结果表明,伯努利方程可以有效描述流体在管道中的流动情况,为工程实践中流体力学问题的解决提供了重要的理论基础。
在今后的学习和工作中,我们将进一步深入研究流体力学理论,提高对伯努利方程等基本概念的理解,为工程实践中的流体力学问题提供更加准确的分析和解决方案。
通过本次实验,我们对伯努利方程有了更深入的了解,也更加认识到了其在工程实践中的重要性。
希望能够通过今后的学习和实践,进一步提高自己的专业能力,为工程领域的发展贡献自己的力量。
实验二 伯努利实验一、实验目的流动流体所具有的总能量是由各种形式的能量所组成,并且各种形式的能量之间又相互转换。
当流量在导管内作定常流动时,在导管的各截面之间的各种形式机械能的变化规律,可由机械能衡算基本方程来表达。
这些规律对于解决流体流动过程的管路计算、流体压强、流速与流量的测量,以及流体输送等问题,都有着十分重要的作用。
本实验采用一种称之为伯努利试验仪的简单装置,实验观察不可压缩流体在导管内流动时的各种形式机械能的相互转化现象并验证机械能衡算方程(伯努利方程)。
通过实验加深对流体流动过程基本原理的理解。
二、实验原理l 、不可压缩的流体在导管中作稳定流动,系统与环境又无功的交换,若以单位质量流体为衡算基准,其机械能守恒方程式为:∑+++=++fhp u g z p u g z ρρ2222121122(1)式中,u l 、u 2 ——分别为液体管道上游的某截面和下游某截面处的流速,m·s -1;P 1、P 2 ——分别为流体在管道上游截面和下游截面处的压强,Pa ;z l 、z 2 ——分别为流体在管道上游截面和下游截面中心至基准水平的垂直距离,m ; ρ ——流体密度,Kg·m -3;∑h f ——流体两截面之间消耗的能量,J·Kg -1。
若以单位重量为衡算基准,机械能守恒方程式又可以表达为:∑+++=++fHgp gu z gp gu z ρρ2222121122 m 液柱(2)式中,z l 、z 2 ——液体的位压头,m 液柱;∑H f ——流动系统内因阻力造成的压头损失,m 液柱。
2、理想流体在管内稳定流动,若无外加能量和损失,则可得到:ρρ2222121122p u g z p u g z ++=++(3)式(3)表示1kg 理想流体在各截面上所具有的总机械能相等,但各截面上每一种形式的机械能并不一定相等,但各种形式的机械能之和为常数,能量可以相互转换。
伯努利方程实验报告图表与公式推导实验名称:伯努利方程实验实验目的:验证伯努利方程的适用条件和其基本原理,并通过实验数据和公式计算来推导伯努利方程。
实验器材:流量计、压力计、导管、水池。
实验原理:伯努利方程是流体力学中非常重要的基本方程。
它描述了沿任意流管中流体的能量守恒和动能变化。
根据伯努利方程,一个流体在不同位置的速度、压力和高度之间存在着一定的关系,即速度越高,则压力越低,而高度越低。
实验步骤:1.准备实验器材。
将流量计固定在导管上,将压力计分别放在导管的两端。
2.调节流量指示器。
打开水泵将水灌入水池中,并根据实验要求调节流量指示器,使其指示值稳定在一定数值。
3.取数记录。
同时读取两端的压力计值,并记录到实验表格中。
4.计算并推导公式。
根据已有的公式和实验数据计算伯努利方程的系数,并进行公式推导。
实验结果:通过实验数据的记录和对公式的计算、推导,得出如下实验结果:1. 经过多组实验数据记录和计算,发现流量、速度与压强呈反比例关系。
当流量增大时,速度也会增大,但压强则会随之减小。
而当流量减少时,速度将相应减小,而压强会增大。
2. 实验数据表明伯努利方程适用于为定常、连续、不可压缩的流体,并且流体在管道内流动时,其若干物理量(包括速度和压强、液面高度等)对于每一截面都保持相等。
同时,还需要满足流动是不可压缩的。
3. 进一步公式推导结果显示,将装填于任意两点之间的流体在穿过介质前后的总机械、热能的增减进行分析,即可得出伯努利方程中的系数,并对其进行优化和调整。
实验结论:实验表明,通过伯努利方程的实验验证和公式推导,可以得到流体在管道内的重要参数,如速度、压强等的变化量,从而进一步优化和调整液体在介质之间的流动,提高流体运动的能效,放大其应用潜力。
流体力学伯努利方程实验报告流体力学伯努利方程实验报告引言:流体力学是研究流体运动和相互作用的学科,其中伯努利方程是流体力学中的重要理论之一。
伯努利方程描述了流体在不同位置的速度、压力和高度之间的关系。
本实验旨在通过实验验证伯努利方程,并探究其在不同条件下的应用。
实验目的:1. 验证伯努利方程的准确性;2. 探究伯努利方程在不同条件下的应用。
实验器材:1. 流体力学实验装置:包括水泵、水槽、流量计等;2. 测量仪器:包括压力计、温度计、尺子等。
实验步骤:1. 将水泵启动,使水流进入水槽;2. 在水槽中设置不同位置的压力计,测量不同位置的压力值;3. 使用流量计测量流体通过水槽的流量;4. 测量水槽中不同位置的高度差;5. 记录实验数据。
实验结果与分析:根据实验数据,我们可以计算出不同位置的速度、压力和高度,并验证伯努利方程的准确性。
通过对实验结果的分析,我们可以得出以下结论:1. 速度与压力的关系:根据伯努利方程,速度与压力呈反相关关系。
当流体速度增大时,压力会降低;当流体速度减小时,压力会增加。
实验结果与理论相符。
2. 速度与高度的关系:根据伯努利方程,速度与高度呈正相关关系。
当流体速度增大时,高度也会增加;当流体速度减小时,高度也会减小。
实验结果与理论相符。
3. 压力与高度的关系:根据伯努利方程,压力与高度呈正相关关系。
当流体的压力增大时,高度也会增加;当流体的压力减小时,高度也会减小。
实验结果与理论相符。
实验应用:伯努利方程在实际生活中有着广泛的应用,例如:1. 飞机的升力原理:飞机的机翼上方的气流速度较快,压力较低,而机翼下方的气流速度较慢,压力较高。
根据伯努利方程,机翼上下的压力差会产生向上的升力,从而使飞机能够起飞和保持飞行。
2. 水管漏水原理:当水管中的水流速度增大时,根据伯努利方程,水管中的压力会降低。
如果水管存在漏洞,水会从漏洞处喷出。
这是因为漏洞处的压力较低,而外部大气压力较高,从而形成了水流。
伯努利定律實驗(Bernoulli ’s Law Experiment)胡裕民 編寫 一. 實驗目的:1. 驗證在風洞(wind tunnel)中的總壓力P tot 為定值。
2. 驗證伯努利定律(Bernoulli ’s Law)。
3. 固定氣流速率下量測F W 、F a 與α的函數關係。
二. 原理介紹:1738年瑞士物理學家Daniel Bernoulli (1700-1782)在所發表的“Hydrodynamic ”一書中首次提出伯努利方程式—說明流體(fluid)的速度、壓力以及高度之間的關係。
此伯努利方程式的提出被視為往後氣體動力學研究的開端。
一理想的流體在流線型的流動(laminar flow)中,會滿足下列的伯努利方程式:t tan cons gy v 21P 2st =++ρρ (1)其中P st 、ρ、v 、y 分別為流體的靜態(static)壓力、密度、速度以及高度。
在大約相同高度下,eq.1可簡化表示為:t tan cons P v 21P tot 2st ≈=+ρ (2)此說明在一樣高度下,總壓力P tot 無論在何處均相同。
在本實驗中,風洞沿著氣體流動方向的截面積(cross-section area)逐漸地減少。
氣體流動時由於不可壓縮性(incompressibility),因此不同截面積處的流動速率將不同,此可由連續方程式(equation of continuity)來表示:A v A v 0⋅=⋅ (3)將eq.3代入eq.2可得:00A v 2A P ⋅⋅=⋅∆ρ (4)其中ΔP = P tot -P st ,ΔP 稱之為動態壓力(ΔP = P tot -P st )。
本實驗第一部分是利用風洞裝置來量測不同位置(亦即有不同的截面積)處的壓力,驗證在一樣高度下,總壓力P tot 無論在何處均相同;並驗證在eq.(4)中A P ⋅∆為一常數,亦即驗證伯努利定律(Bernoulli ’s Law)。
伯努利方程综合实验一、实验目的和要求1.通过定性分析实验,提高对流体力学诸多水力现象的实验分析能力;2.通过定量测量实验,进一步掌握有压管流中动水力学的能量转换特性,验证流体恒定总流的伯努利方程,掌握测压管水头线的实验测量技能与绘制方法。
二、实验装置1.实验装置简图实验装置及各部分名称如图1所示。
图1 伯努利方程综合性实验装置图1. 自循环供水器2. 实验台3. 水泵开关 3. 溢流板 5. 稳水孔板6. 恒压水箱7. 实验管道8. 测压点①~○199. 弯针毕托管10. 测压计11. 滑动测量尺12. 测压管①~○1913. 实验流量调节阀14.回水漏斗15. 稳压筒16.传感器17. PLC一体机2.装置说明(1) 测流速——弯针管毕托管弯针管毕托管用于测量管道内的点流速。
为减小对流场的干扰,本装置中的弯针直径为φ1.6⨯1.2 mm(外径⨯内径)。
实验表明只要开孔的切平面与来流方向垂直,弯针管毕托管的弯角从90︒~180︒均不影响测流速精度,如图2所示。
(2) 本仪器测压点有两种:1) 毕托管测压点,图1中标号为①、⑥、⑧、○12、○14、○16、○18(后述加*表示),与测压计的测压管连接后,用以测量毕托管探头对准点的总水头值,近似替代所在断面的平均总水头值,可用于定性分析,但不能用于定量计算;2) 普通测压点,图1中标号为②、③、④、⑤、⑦、⑨、⑩、○11、○13、○15、○17、○19,与测压计的测压管连接后,用以测量相应测点的测压管水头值。
(3) 测点⑥*、⑦所在喉管段直径为d2,测点○16*、○17所在扩管段直径为d3,其余直径均为d1。
三、实验原理1.伯努利方程。
在实验管路中沿管内水流方向取n个过水断面,在恒定流动时,可以列出进口断面(1)至另一断面(i)的伯努利方程式(i=2,3…,n)z1+p1ρg+α1v122g=z i+p iρg+αi v i22g+ℎw1−i取α1=α2=αn…=1,选好基准面,从已设置的各断面的测压管中读出z+pρg值,测出通过管路的流量,即可计算出断面平均流速v及αv 22g,从而可得到各断面测管水头和总水头。
伯努利方程演示实验一、实验目的1 掌握流体流动中各种能量或压头的定义及其相互转化关系,加深对伯努利方程式的理解。
2 观察静压头、位压头、动压头相互转换的规律。
二、基本原理1.不可压缩流体在管内作稳定流动时,由于管路条件的变化,会引起流动过程中三种机械能(位能、动能、静压能)的相应改变及相互转换。
对理想流体在系统内任一截面处,虽然三种能量不一定相等,但能量之和是守恒的。
2.对于实际流体,由于存在内摩擦,流体在流东时总有一部分机械能损耗。
3.以上机械能均可用测压管中的液柱高度表示。
当测压孔正对流体流动方向时测压管中的液柱高度为动压头和静压头之和,测压孔处流体的位压头由测压孔的几何高度确定。
三、实验装置图实验测试导管的结构尺寸见图二中标绘四、实验的操作方法1.将低位槽灌有一定数量的蒸馏水,关闭离心泵出口调节阀门及实验测试导管出口调节阀门而后启动离心泵。
2.逐步开大离心泵出口调节阀当高位槽溢流管有液体溢流后,调节导管出口调节阀为全开位置。
3.流体稳定后读取A、B、C、D截面静压头和冲压头并记录数据。
4.关小导管出口调节阀重复上述步骤。
5.分析讨论流体流过不同位置处的能量转换关系并得出结果。
6.关闭离心泵,实验结束。
五、使用设备时应注意的事项1.不要将离心泵出口调节阀开得过大以免使水流冲击到高位槽外面,同时导致高位槽液面不稳定。
2.当导管出口调节阀开大应检查一下高位槽内的水面是否稳定,当水面下降时应适当开大泵出口调节阀。
3.导管出口调节阀须缓慢地关小以免造成流量突然下降测压管中的水溢出管外。
4.注意排除实验导管内的空气泡。
5.离心泵不要空转和出口阀门全关的条件下工作。
六、观察现象及实验结果实验分析:(以009实验装置为例)A截面的直径14mm;B截面的直径28mm;C截面、D截面的直径14mm;以桌面为零基准面Z D=0。
桌面到D截面的距离为H1=111毫米, A截面和D截面的距2由以上实验数据可以分析到1.冲压头的分析,冲压头为静压头与动压头之和。