委托运输药品审计表
- 格式:docx
- 大小:93.00 KB
- 文档页数:3
委托第三方医药物流储运审计表哎呀,说起这委托第三方医药物流储运审计表,那可真是个重要的东西!就像前段时间我遇到的一件事儿,我们当地一家医药公司准备扩大业务,把物流储运这一块交给第三方来做。
这可把公司的负责人给愁坏了,不知道怎么去评估和审核这第三方到底靠不靠谱。
咱先来说说这审计表为啥重要。
您想啊,医药这东西可不是闹着玩的,它关系着人们的健康和生命安全。
要是第三方在物流储运过程中出了岔子,比如药品保存的温度不对啦,运输途中磕了碰了导致包装破损啦,那后果简直不堪设想。
这审计表就得把方方面面都考虑到。
首先得看看这第三方的资质,有没有相关的许可证,是不是合法合规经营。
我记得有一次,我们去考察一家第三方物流企业,他们口口声声说自己经验丰富,结果一查资质,好多关键的许可证都没办下来,这能让人放心吗?再说说仓储条件。
仓库的温度、湿度控制得好不好?有没有专门的分区存放不同类型的药品?像一些需要冷藏的疫苗,那冷藏设备是不是能保证稳定运行?有一回,我走进一个仓库,发现温度计显示的温度明显高于规定的范围,一问才知道,原来是制冷设备出了故障,还没来得及修。
这多危险啊!运输环节也不能马虎。
车辆是不是符合医药运输的标准?司机有没有经过专业的培训?有没有完善的运输监控系统?我就碰到过一次,一辆运输药品的车在路上抛锚了,结果司机处理不及时,导致药品在高温下暴露了好几个小时。
还有人员管理。
从仓库管理员到运输人员,都得有足够的医药知识和责任心。
有个仓库管理员,居然把不同有效期的药品混放在一起,这不是添乱嘛!这审计表啊,就像是给第三方医药物流储运企业做了一次全面的“体检”。
每一个项目,每一个细节都要仔细检查,不能放过任何一个可能存在的问题。
只有这样,才能保证医药产品在物流储运过程中的安全和质量。
回过头来想想,当初那家准备委托第三方的医药公司,要是能有一份详细全面的审计表,也不至于那么纠结和担心了。
所以说,这审计表可真是医药行业的一道重要保障,得认真对待,马虎不得!。
委托运输药品承运单位审核表
编号:HSY-QT-ZL-2015-27 填表日期:年月日企业名称联系电话
《道路运输经营许可证》
编号《道路运输经营许可证》
注册地址
企业类型经济性质传真《税务登记证》编号《组织机构代码证》代码
《营业执照》编号经营范围
固定资产运输能力
组织机构及人员情况
法定代表人
员工人数
运输车辆(台)
常温保存药品运输条件是否有封闭式
运输工具
□是□否
阴凉保存品种运输条件是否有封闭式
运输工具
□是□否
是否满足在20度以下
储存品种的运输条件
□是□否
冷藏保存药品运输条件是否有冷藏车□是□否
是否能够进行24小时
温湿度监测记录
□是□否
质量信誉企业在近几年经营中是否发生过重大质量事故□是□否企业经营行为中在法律上有无不良行为记录□是□否企业是否承诺在经营行为中诚实守信□是□否
运输/仓储部长意见质量管理部部长意见质量负责人审批意见。
附件1
受理编号:
药品经营企业药品委托储存配送
申请书
申请单位:(加盖公章)
填报日期:
受理部门:
受理日期:年月日
药品委托储存配送基本情况
委托企业情况
企业名称
注册地址
经营范围
零售连锁
门店数量
经济性质经营方式开办日期年月日法定代表人企业负责人
质量
负责人
药品经营许可
证编号
/ 发证机关/ 有效期至/
药品GSP认证
证书编号
/ 发证日期/ 有效期至/
被委托企业情况
企业名称
注册地址
仓储地址
经营范围
经济性质经营方式开办日期年月日法定代表人企业负责人
质量
负责人
药品经营许可
证编号
发证机关有效期至年月日药品GSP认证
证书编号
发证日期
年月
日
有效期至年月日
委
托
配
送
事
项
委托配送时间年月日至年月日
委托配送范围
委托配送方式
其他需要说明
的事项
审核审批情况
市级药监部门审核情况
药品配送单位一年内有无销售假劣药品问题
药品配送单位一年内有无不良信用记录
有无其他需要说明的问题
审核意见:
(公章)
年月日
经办人年月日
局负责人
年月日科(室)负责人年月日
省级药监部门审批意见审批意见:
(公章)
年月日
经办人年月日
局负责人
年月日科(室)负责人年月日
省级药监
部门审批
情况
批复日期批复文号备注。
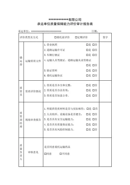
导读:《药品经营质量管理规范》第十七条要求:质量管理部门应当组织对被委托运输的承运方运输条件和质量保障能力的审查。
《冷藏、冷冻药品的储存与运输管理》更是明确了冷藏、冷冻药品的承运单位应委托前和定期审计。
那么,委托运输审计具体怎么操作呢,我们来看看。
法规所列条款首先来看看法规所规定的条款。
《药品经营质量管理规范》第十七条质量管理部门应当履行以下职责:组织对被委托运输的承运方运输条件和质量保障能力的审查;第一百零七条企业委托其他单位运输药品的,应当对承运方运输药品的质量保障能力进行审计,索取运输车辆的相关资料,符合本规范运输设施设备条件和要求的方可委托。
第一百零八条企业委托运输药品应当与承运方签订运输协议,明确药品质量责任、遵守运输操作规程和在途时限等内容。
第一百零九条企业委托运输药品应当有记录,实现运输过程的质量追溯。
记录至少包括发货时间、发货地址、收货单位、收货地址、货单号、药品件数、运输方式、委托经办人、承运单位,采用车辆运输的还应当载明车牌号,并留存驾驶人员的驾驶证复印件。
记录应当至少保存5年。
第一百一十条已装车的药品应当及时发运并尽快送达。
委托运输的,企业应当要求并监督承运方严格履行委托运输协议,防止因在途时间过长影响药品质量。
《冷藏、冷冻药品的储存与运输管理》第十三条企业委托其他单位运输冷藏、冷冻药品时,应当保证委托运输过程符合《规范》及本附录相关规定。
(一)索取承运单位的运输资质文件、运输设施设备和监测系统证明及验证文件、承运人员资质证明、运输过程温度控制及监测等相关资料。
(二)对承运方的运输设施设备、人员资质、质量保障能力、安全运输能力、风险控制能力等进行委托前和定期审计,审计报告存档备查。
(三)承运单位冷藏、冷冻运输设施设备及自动监测系统不符合规定或未经验证的,不得委托运输。
(四)与承运方签订委托运输协议,内容包括承运方制定并执行符合要求的运输标准操作规程,对运输过程中温度控制和实时监测的要求,明确在途时限以及运输过程中的质量安全责任。
药品委托储存运输单位定期质量审查表格(适用于批发企业和连锁委托运输)
一、单位基本信息
1. 单位名称:
2. 单位地址:
3. 法定代表人/负责人姓名:
4. 联系
5. 注册资本:
6. 经营范围:
二、质量管理体系
1. 是否建立了质量管理体系:是/否
2. 若是,请提供质量管理体系文件的编号和版本:
3. 质量管理体系是否通过认证:是/否
4. 若通过认证,请提供认证机构和认证时间:
三、仓储条件
1. 储存环境温度范围:
2. 储存环境湿度范围:
3. 储存区域是否符合药品储存要求:是/否
四、运输条件
1. 运输车辆是否符合药品运输要求:是/否
2. 运输车辆是否有保温设施:是/否
3. 运输车辆温度记录是否可靠:是/否
4. 运输车辆湿度记录是否可靠:是/否
五、质量控制
1. 是否建立了药品质量控制制度:是/否
2. 若是,请提供药品质量控制制度文件的编号和版本:
六、质量问题处理
1. 是否建立了质量问题处理制度:是/否
2. 若是,请提供质量问题处理制度文件的编号和版本:
3. 近一年内发生的质量问题情况简要描述:
七、培训和教育
1. 是否开展了员工培训和教育:是/否
2. 员工培训和教育的内容和方式简要描述:
八、附件
1. 营业执照副本复印件:
2. 质量管理体系认证证书复印件:
3. 其他相关证明文件复印件:
以上信息由本单位负责人填写并确认,保证其真实性和准确性。
日期:年月日
签字:。
药品委托储存运输单位质量保证能力定期审计表格(适用于批发和连锁运输企业)1. 介绍这份文档旨在为批发和连锁运输企业提供一个药品委托储存运输单位质量保证能力定期审计表格。
该表格可以用于定期审计委托储存运输单位的质量保证能力,以确保储存和运输药品的安全性和合规性。
2. 表格内容2.1 基本信息- 委托储存运输单位名称- 联系人姓名及联系方式- 审计日期2.2 储存环境- 储存设施的温度和湿度控制情况- 储存设施的安全措施(例如防火、防盗等)- 储存设施的清洁和消毒频率2.3 运输管理- 药品运输车辆的条件和设施(例如温度控制装置、货物固定设施等)- 药品运输车辆的清洁和消毒频率- 药品运输车辆的运输记录和温度监测记录2.4 质量管理体系- 委托储存运输单位的质量管理体系文件(例如质量手册、程序文件等)- 委托储存运输单位的培训记录和培训计划- 委托储存运输单位的质量投诉处理记录2.5 药品追溯能力- 委托储存运输单位的药品追溯体系文件(例如追溯手册、流程文件等)- 委托储存运输单位的药品追溯演练记录和结果2.6 目录管理- 委托储存运输单位的药品目录管理制度- 委托储存运输单位的药品目录更新和变更记录3. 审计结果根据定期审计结果,评估委托储存运输单位的质量保证能力,包括但不限于储存环境、运输管理、质量管理体系、药品追溯能力和目录管理。
审计结果应包括具体问题和建议改进措施。
4. 审计复核委托储存运输单位应根据审计结果制定改进计划,并在一定期限内完成改进。
改进计划应经审核确认,并进行复核审计,以确保问题得到解决并符合质量要求。
以上是药品委托储存运输单位质量保证能力定期审计表格的内容。
请根据实际情况进行填写和使用,以确保委托储存运输单位的质量保证能力达到要求。
药品批发与连锁储存运输单位的委托质保审计表(定期对被委托单位的审核)药品批发与连锁储存运输单位的委托质保审计表(定期对被委托单位的审核)一、审计背景根据我国《药品管理法》等相关法律法规的规定,药品批发与连锁储存运输单位需对被委托单位进行定期质保审计,以确保药品在储存、运输过程中的质量安全。
本审计表旨在对被委托单位的药品质量管理、储存条件、运输过程等方面进行全面评估,并提出改进措施。
二、审计对象本次审计对象为:{{被委托单位名称}}三、审计内容3.1 药品质量管理- 是否具备有效的《药品经营质量管理规范》认证证书;- 是否建立并执行药品质量管理制度;- 是否对员工进行药品质量管理培训;- 是否定期对药品质量进行自检、抽检并及时处理问题。
3.2 储存条件- 是否具备符合药品储存要求的仓库设施;- 是否对仓库进行温湿度监控并记录;- 是否对药品进行分类、分区存放,并设置明显的标识;- 是否定期对仓库进行清洁、消毒。
3.3 运输过程- 是否具备符合药品运输要求的运输工具;- 是否对运输过程进行温湿度监控并记录;- 是否对药品进行防潮、防晒、防震等措施;- 是否定期对运输工具进行清洁、消毒。
3.4 人员资质- 是否具备合格的药品经营质量管理负责人;- 是否对从事药品储存、运输等工作的人员进行资质审核;- 是否定期对从事药品储存、运输等工作的人员进行培训。
3.5 客户服务- 是否建立并执行客户投诉处理制度;- 是否对客户投诉进行记录、分析并及时改进;- 是否定期对客户满意度进行调查并进行改进。
四、审计结论本次审计结论如下:- 审计项目:{{审计项目名称}}- 审计结果:{{审计结果,如合格、不合格等}}- 审计意见:{{审计意见,如需要改进、立即整改等}}五、改进措施针对审计中发现的问题,被委托单位应采取以下改进措施:1. 对存在的问题进行整改;2. 加强员工培训,提高质量管理意识;3. 完善药品储存、运输管理制度;4. 加强客户服务,提高客户满意度。
药品委托储存运输单位质量保证能力定期审计表格(适用于批发和连锁运输企业)1. 审计背景本表格适用于批发和连锁运输企业,旨在评估药品委托储存运输单位的质量保证能力。
通过定期审计,可以确保药品的安全性、有效性和合规性。
2. 审计内容2.1 储存设施- 储存设施是否符合相关法规和标准?- 储存场所是否具备适当的温湿度控制和通风条件?- 储存设施是否进行过定期的清洁和消毒?2.2 质量管理体系- 储存单位是否建立了质量管理体系?- 质量管理体系是否包括标准操作程序(SOP)和记录?- SOP是否得到有效执行并定期审查更新?2.3 药品接收和验收- 储存单位是否有明确的药品接收和验收程序?- 是否对接收的药品进行质量检查和记录?- 是否对不合格的药品进行妥善处理和记录?2.4 药品储存- 药品是否按照要求进行分类、分区和标识?- 是否进行定期的库存盘点和记录?- 是否采取适当的防护措施,防止药品受损或污染?2.5 药品运输- 运输车辆是否符合相关法规和标准?- 是否有合适的温湿度监测和记录设备?- 是否有药品运输事故应急预案?3. 审计结果根据以上审计内容,对药品委托储存运输单位的质量保证能力进行评估,并填写下表:4. 审计建议根据审计结果,提出相应的建议以提升药品委托储存运输单位的质量保证能力。
建议可以包括但不限于以下方面:- 改进储存设施的条件和设备;- 加强质量管理体系的建立和执行;- 完善药品接收、验收和储存程序;- 提升药品运输的安全性和可靠性。
5. 审计周期建议每年进行一次定期审计,以确保药品委托储存运输单位的质量保证能力持续符合要求。
---以上为药品委托储存运输单位质量保证能力定期审计表格的简要内容和格式。
请根据实际情况进行具体填写和调整。