计算机辅助设计与制造
- 格式:doc
- 大小:59.00 KB
- 文档页数:13
机械制作的计算机辅助设计与制造技术计算机辅助设计与制造技术(Computer Aided Design and Manufacturing,简称CAD/CAM)是指利用计算机技术进行产品设计和制造过程的一种现代化技术。
在机械制造领域,CAD/CAM技术起到了举足轻重的作用,它可以提高产品设计的准确性和效率,优化制造工艺流程,降低成本,提升竞争力。
一、CAD/CAM技术概述CAD/CAM技术以计算机为中心,辅助设计和制造产品。
它集成了计算机辅助设计(CAD)和计算机辅助制造(CAM)两大部分,通过计算机软件和硬件的相互配合,实现从产品设计到制造的全过程自动化。
1. CAD技术CAD技术是指利用计算机进行产品设计的过程。
传统的产品设计需要手绘图纸,而CAD技术使得设计师可以利用计算机绘制出更加精确、直观的产品模型。
CAD软件提供了丰富的工具和功能,可以进行三维建模、装配设计、运动仿真等操作,减少了试错成本和设计周期。
2. CAM技术CAM技术是指基于CAD模型,利用计算机进行产品制造的过程。
CAM软件可以根据CAD模型,自动生成数控编程代码,实现产品加工的自动化。
CAM技术包括数控加工、激光切割、3D打印等多种制造方式,可以根据产品的不同需求选择合适的制造方法。
二、CAD/CAM技术在机械制造中的应用CAD/CAM技术在机械制造中的应用广泛,涵盖了产品设计、加工制造、装配检验等多个环节。
1. 产品设计利用CAD软件进行产品设计可以大大缩短设计周期,提高设计准确性。
设计师可以通过CAD软件对产品进行三维建模,实时查看产品外观和内部结构,进行运动仿真和强度分析,优化设计方案。
2. 加工制造CAM软件可以根据CAD模型生成数控编程代码,并自动控制加工设备进行生产。
CAM技术实现了从设计到制造的无缝对接,大大提高了生产效率和质量稳定性。
此外,CAM软件还可以进行工艺规划、工艺优化和产品工艺调度,从而提高加工效率。
制造工艺中的计算机辅助设计与制造在制造工艺中,计算机辅助设计与制造(Computer-Aided Designand Manufacture,简称CAD/CAM)起到了至关重要的作用。
它将计算机技术与传统工艺相结合,通过软件工具实现产品设计、加工计划和生产控制的自动化。
本文将探讨计算机辅助设计与制造在制造工艺中的应用和优势。
一、CAD/CAM的定义与原理CAD/CAM是指利用计算机辅助技术进行产品设计和制造的过程。
它通过计算机模拟产品的物理特性、结构和工艺流程,实现产品的可视化设计和制造方法的优化。
CAD/CAM的主要原理包括三维建模、运动分析、工艺规划和数值控制等。
在CAD方面,通过三维建模技术,设计师可以将产品的形状、尺寸和材料等信息输入计算机,实现虚拟产品的创建和编辑。
同时,CAD还可以进行运动分析,模拟产品在使用过程中的运动情况,提前发现潜在问题并进行改进。
在CAM方面,计算机辅助制造可以帮助制造商进行工艺规划和生产控制。
通过软件工具的支持,可以自动化生成加工路径和工艺参数,并实现数控机床和其他生产设备的自动控制。
这种高度集成的生产方式,不仅提高了生产效率,还减少了人为错误的发生。
二、CAD/CAM在产品设计中的应用1. 三维建模:CAD/CAM软件提供了直观的图形界面和丰富的建模工具,设计师可以使用这些工具创建和编辑三维实体模型。
通过实时预览和编辑功能,设计师能够快速验证产品的外观和功能,并对其进行调整和优化。
2. 虚拟样机:利用CAD/CAM技术,可以生成虚拟样机,实现产品的可视化展示和交互式操作。
这样,设计师和客户可以在计算机上对产品进行全面评估,避免了传统样机制作的时间和成本。
3. 工艺优化:CAD/CAM软件还可以对产品的加工工艺进行模拟和优化。
通过计算机的强大计算能力,可以对不同的工艺参数进行仿真和分析,找到最佳的生产方案。
这不仅提高了产品的质量和一致性,还减少了生产成本。
三、CAD/CAM在制造过程中的应用1. 制造资源管理:CAD/CAM软件可以进行生产计划和资源调度,实现制造过程的智能化和自动化。
计算机辅助设计与制造技术计算机辅助设计与制造技术(Computer-Aided Design and Manufacturing, CAD/CAM)是一种集成了计算机科学、工程学和制造学的先进技术,通过计算机的应用,实现产品的设计、模拟和制造等各个环节的自动化和协同化。
本文将从CAD和CAM的定义、技术原理、应用领域以及未来发展等方面进行论述。
一、CAD技术的定义与原理CAD指计算机辅助设计,它是指利用计算机软件系统辅助完成产品设计和绘图等工作。
CAD技术的核心是利用计算机模拟、分析和优化设计过程,提高设计效率和设计质量。
CAD技术的原理包括几何造型、辅助设计、数据库管理和图形显示等。
1. 几何造型:CAD技术通过对产品的几何形状进行数字化描述,以点、线、面等几何元素来建立产品模型。
这样可以方便进行产品的修改和优化,提高设计效率。
2. 辅助设计:CAD技术通过建立各种辅助设计工具,如智能绘图、参数设计、装配体设计等,协助设计师完成复杂的设计任务。
3. 数据库管理:CAD技术将设计数据存储在数据库中,实现数据的共享和管理。
这样可以方便设计师对设计数据的查找、修改和更新等。
4. 图形显示:CAD技术利用图形处理器将设计数据可视化显示,使设计师能够直观地看到产品的外形和内部结构。
这样可以帮助设计师更好地理解和评估设计方案。
二、CAM技术的定义与原理CAM指计算机辅助制造,它是指利用计算机控制设备和工艺,实现产品的自动化制造和加工。
CAM技术的核心是将CAD系统中生成的产品模型转化为加工指令,控制数控机床等设备进行自动化加工。
CAM技术的原理包括数控编程、路径规划、工艺仿真等。
1. 数控编程:CAM技术通过数控编程软件将产品模型转化为数控加工指令。
这样可以实现加工过程的自动化控制,提高加工精度和效率。
2. 路径规划:CAM技术通过路径规划算法确定工具在工件上的加工轨迹。
这样可以避免工具与工件的碰撞和重叠,保证加工质量。
计算机辅助设计与制造技术随着科技的发展和计算机技术的迅速普及,计算机辅助设计与制造技术(Computer-Aided Design and Manufacturing,简称CAD/CAM)已经成为现代制造业不可或缺的技术手段。
这项技术通过计算机软件和硬件的支持,大大提高了产品设计和制造的效率与质量。
本文将深入介绍计算机辅助设计与制造技术,探讨其优势、应用领域以及未来发展趋势。
一、计算机辅助设计与制造技术的优势计算机辅助设计与制造技术的优势主要体现在以下几个方面:1. 提高设计效率:传统设计需要手绘草图、模型制作等,耗时且容易出错。
而CAD/CAM技术能够快速进行设计和制造过程中的计算、绘图和监控,提高设计效率。
2. 提升设计质量:CAD/CAM技术能够实现精确的三维建模,帮助设计师更准确地捕捉产品的细节和特征,从而提升设计质量。
3. 优化制造工艺:通过CAD/CAM技术,制造工艺可以更好地进行仿真和优化,降低生产成本,提高产品质量。
4. 实现个性化定制:CAD/CAM技术使得个性化定制成为可能。
用户可以根据自己的需求定制产品,提高产品的满意度和竞争力。
二、计算机辅助设计与制造技术的应用领域计算机辅助设计与制造技术广泛应用于各个行业和领域,包括但不限于以下几个方面:1. 机械制造业:CAD/CAM技术在机械制造业中应用广泛,用于设计和制造各种机械产品,如汽车、飞机、机床等。
2. 建筑设计:CAD/CAM技术在建筑设计中具有重要作用,能够帮助建筑师进行建筑模型的设计和优化,提高设计效率和精度。
3. 电子产品设计:CAD/CAM技术在电子产品设计中也得到了广泛应用。
通过CAD软件的支持,设计师可以快速进行电路设计和布局,加快产品的开发周期。
4. 医疗器械制造:CAD/CAM技术在医疗器械制造中有着重要的应用,用于设计和制造各种高精度医疗设备,如手术器械、义肢等。
5. 工艺制造:CAD/CAM技术在工艺制造中也发挥着重要作用,能够帮助工艺师进行工艺仿真和优化,提高产品的制造效率和质量。
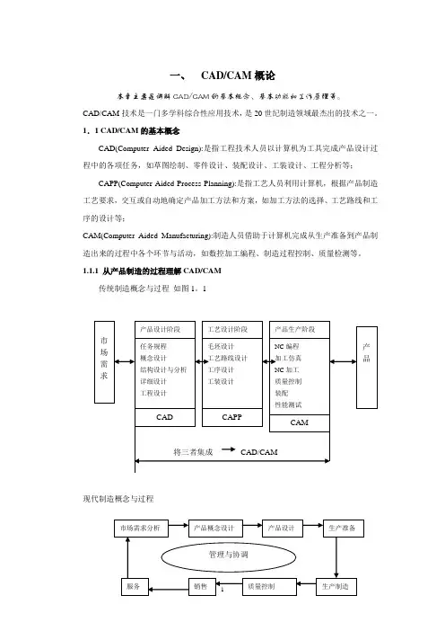
一、CAD/CAM概论本章主要是讲解CAD/CAM的基本概念、基本功能和工作原理等。
CAD/CAM技术是一门多学科综合性应用技术,是20世纪制造领域最杰出的技术之一。
1.1 CAD/CAM的基本概念CAD(Computer Aided Design):是指工程技术人员以计算机为工具完成产品设计过程中的各项任务,如草图绘制、零件设计、装配设计、工装设计、工程分析等;CAPP(Computer Aided Process Planning):是指工艺人员利用计算机,根据产品制造工艺要求,交互或自动地确定产品加工方法和方案,如加工方法的选择、工艺路线和工序的设计等;CAM(Computer Aided Manufacturing):制造人员借助于计算机完成从生产准备到产品制造出来的过程中各个环节与活动,如数控加工编程、制造过程控制、质量检测等。
1.1.1 从产品制造的过程理解CAD/CAM传统制造概念与过程如图1。
1现代制造概念与过程利用计算机完成各个环节的工作成为CAD/CAM几点说明:1、计算机技术只能解决信息的查询与统计,信息的管理、重复而繁琐的工作等,而并不能代替人的工作,特别是创造性的工作。
2、现代制造概念很大,本书CAD/CAM的概念只涉及到产品的设计、工艺设计、加工、车间控制与质量控制等内容。
3、上述制造环中有三个流:物流、资金流与信息流。
4、企业制造资源有人、财、物、技术与信息。
1.1.2 CAD/CAM的基本功能在CAD/CAM系统中,人们利用计算机完成产品结构描述、工程信息表达、工程信息的传输与转化、信息管理等工作。
因此,CAD/CAM系统应具备以下基本功能:1、产品与过程的建模如何用计算机能够识别的数据(信息)来表达描述产品。
如产品形状结构的描述、产品加工特性的描述、如何将有限元分析所需要的网格及边界条件描述出来等等。
2、图形与图象处理在CAD/CAM系统中,图形图象仍然是产品形状与结构的主要表达形式,因此,如何在计算机中表达图形、对图形进行各种变换、编辑、消隐、光照等处理是CAD/CAM的基本功能。
计算机辅助设计与制造计算机辅助设计与制造是一种利用计算机技术来辅助设计和制造产品的工具。
它的出现改变了传统的制造方式,提高了生产效率和产品质量,同时也节约了时间和成本。
本文将从以下几个方面来介绍计算机辅助设计与制造的应用。
一、计算机辅助设计(CAD)计算机辅助设计是通过使用计算机软件来创建、修改和优化产品设计的过程,它在工业、建筑、航空、汽车等领域都有广泛的应用。
例如,汽车工程师可以使用CAD软件来设计汽车的外形、底盘、引擎等部件,同时还可以进行材料选择、应力分析等方面的优化。
CAD软件的优势在于可以快速地制作复杂的3D模型,利用模拟技术预测产品的性能,为后续加工和生产提供有力的支持。
二、计算机辅助制造(CAM)计算机辅助制造是在设计好的3D模型基础上利用计算机辅助设备来进行数控加工的过程。
不同于传统的手工操作,CAM使得加工程序变得更容易编写,以及更加精准。
数控机床能够对设计好的3D模型进行精细的切削,从而实现精度更高的加工效果。
同时,CAM还可以自动生成加工路线,不断调整机床的工作速度和切削深度,以达到最佳的加工效果,极大地提高了生产效率。
三、计算机辅助工程(CAE)计算机辅助工程是指利用计算机软件来模拟、测试和优化产品设计的过程。
例如,在航空的领域,可以使用CAE软件来模拟飞机在高速飞行时受到的压力和温度,以及在空气动力学方面的表现。
通过CAE软件,可以预测产品在现实环境中的性能,并确定最优的设计方案,降低了开发过程中的成本和工期。
四、计算机辅助仿真(CAS)计算机辅助仿真是指利用计算机软件来模拟产品的行为和性能,以便进行全面的测试和验证。
仿真软件可以包括外部因素,例如气候、微风、汽车故障等等,从而预测产品在现实环境中的表现。
在这个过程中,开发人员可以利用仿真数据进行实时测试和修改,以便更好地适应不同的需求。
总之,计算机辅助设计与制造技术已经成为一个重要的工具,对改善产品质量、提高生产效率和降低成本都有着巨大的作用。
计算机辅助设计与制造随着科技的不断发展,计算机的应用在各个领域得到了广泛的推广和应用,其中计算机辅助设计与制造技术也是其中之一。
本文将从以下三个方面分析计算机辅助设计与制造技术的应用和优势。
一、计算机辅助设计技术的应用1. 三维建模技术计算机辅助设计技术中的三维建模技术,可以帮助设计师更加直观地展现设计方案。
通过使用虚拟三维模型,设计师可以更加准确地了解产品的外观和结构,并在设计过程中进行实时修改和优化。
这大大提高了设计效率,并减少了传统手工作图的繁琐过程。
2. 自动化设计分析计算机辅助设计技术还可以进行自动化的设计分析。
通过模拟分析软件,可以对设计方案进行力学、流体力学、热力学等多方面的模拟分析。
这样设计师可以在设计的早期阶段就能够检测到潜在问题,并进行相应的修改和优化,从而避免在后期制造和使用过程中出现意外。
3. 快速原型技术计算机辅助设计技术中的快速原型技术,可以将设计师的想法快速转化为实物模型。
通过使用快速成型机器,可以直接将设计图纸转化为实物模型,大大缩短了产品开发的时间。
这种技术不仅可以帮助设计师更好地与客户沟通,还可以提供给制造商一个具体的展示样本,从而减少了沟通误差和开发风险。
二、计算机辅助制造技术的应用1. 数字化制造计算机辅助制造技术可以将设计好的产品直接转化为数字化的生产工艺,从而实现数字化制造。
通过数控机床,可以直接根据设计图纸进行自动化加工,大大提高了生产效率和产品质量。
数字化制造还可以实现柔性化生产,即根据客户需求快速调整生产线,从而更好地满足市场需求。
2. 工艺优化计算机辅助制造技术可以对生产工艺进行优化和改进。
通过模拟分析软件,可以及时发现和解决生产过程中的瓶颈和问题,从而提高生产效率和降低生产成本。
此外,计算机辅助制造技术还可以精确地控制生产过程中的参数,从而实现产品的一致性和稳定性。
3. 虚拟仓库管理计算机辅助制造技术可以实现虚拟仓库管理。
通过使用物联网和信息化技术,可以实时掌握原材料和成品的库存情况,从而更好地调配资源和优化生产计划。
计算机辅助设计与制造计算机辅助设计与制造(Computer-Aided Design and Manufacturing,简称CAD/CAM)是指利用计算机技术来辅助进行产品设计与制造的过程。
该技术的应用覆盖了多个领域,包括航空航天、汽车工业、电子产品、机械制造、建筑设计等。
一、CAD技术的应用1.1 三维建模CAD技术可以实现三维建模,通过将产品或零部件从不同角度进行立体展示,设计师可以更准确地预览和调整设计方案。
三维建模还能够将设计数据与其他软件进行集成,实现更高效的工作流程。
1.2 设计优化CAD软件提供了各种工具和功能,帮助设计师分析和优化产品设计。
例如,通过应力分析功能,可以评估零部件的受力情况,找到潜在的弱点并加以改进。
这种设计优化可以极大地提高产品的质量和性能。
1.3 自动化设计CAD技术还可以实现自动化设计,通过建立参数化模型,设计师只需输入一些关键参数,就能快速生成符合要求的设计方案。
这种自动化设计大大提高了设计效率,缩短了产品开发周期。
二、CAM技术的应用2.1 制造工艺规划CAM技术可以帮助制造企业进行工艺规划,确定合理的加工工艺和工艺路线。
CAM软件可以与CAD软件进行无缝集成,实现从设计到制造的无缝衔接,大大简化了工艺规划的过程。
2.2 数控编程CAM软件可以生成数控编程代码,实现自动化的数控机床加工。
通过CAM技术,制造企业可以将产品设计数据直接转化为机床的控制指令,消除了人工编程的繁琐过程,节约了加工时间和人力成本。
2.3 制造过程优化CAM技术可以对制造过程进行优化,提高加工效率和产品质量。
通过仿真和优化功能,CAM软件可以模拟整个加工过程,找到最佳的切削参数和工艺参数,降低加工成本,提高生产效率。
三、CAD/CAM的优势3.1 提高设计与制造效率CAD/CAM技术的应用可以大大提高设计与制造的效率。
设计师可以通过CAD软件快速生成设计方案,并进行优化改进;制造企业可以通过CAM软件优化制造过程,实现自动化生产。
计算机辅助设计与制造计算机辅助设计与制造第一篇:计算机辅助设计的基本概念与发展历程计算机辅助设计(Computer-Aided Design,CAD)是指利用计算机辅助工具,对产品、工艺进行设计,从而提高设计质量和效率的过程。
它是现代制造业进行产品设计的一种基本工具,也是工业自动化的重要组成部分。
计算机辅助设计最早出现在20世纪60年代,在当时主要应用于电机、汽车、飞机等工业领域中,以解决复杂工程问题。
到了20世纪70年代,随着计算机技术的进步,CAD软件的性能也不断提高,开始逐渐应用于建筑、机械、电子等领域。
在20世纪90年代,计算机辅助设计进一步发展,出现了三维立体造型和模拟仿真技术,使得从设计到制造的全流程都可以在计算机上完成。
CAD技术不断推动和促进了工业的发展,提高了产品的设计质量和工艺水平,大大缩短了产品开发周期,降低了制造成本,提高了企业竞争力。
目前,计算机辅助设计已经成为工业生产不可或缺的工具,广泛应用于诸如机械、建筑、航空、航天、汽车、电子、家具等各个领域。
在未来,随着CAD技术和计算机技术的不断发展,将会出现更加高性能和智能化的CAD软件和工具,应用范围也将更加广泛,成果更加丰硕。
第二篇:计算机辅助制造的基本概念与分类计算机辅助制造(Computer-Aided Manufacturing,CAM)是指根据计算机辅助设计的结果,在计算机上进行编程,使机器自动化地进行制造加工的过程。
CAM技术的出现,进一步提高了制造效率和质量,有助于缩短产品的制造周期和降低制造成本。
根据不同的分类标准,CAM技术可以分为以下几类:1.数控加工:数控加工是CAM技术的基础,是通过计算机编程,控制数控加工设备对工件进行加工的过程。
数控加工已经广泛应用于各个行业中,如汽车、航空、航天、机械等。
2.CAPP:计算机辅助工艺规划(Computer-AidedProcess Planning,CAPP)是指利用计算机辅助工艺规划软件,对制造过程进行规划、组织和控制的过程。
计算机基础知识之计算机辅助设计与制造计算机辅助设计与制造(Computer-Aided Design and Manufacturing,简称CAD/CAM)是一种结合计算机技术和工程设计制造的方法,它在工业生产和制造领域中起到了重要的作用。
本文将介绍计算机辅助设计与制造的基础知识,包括CAD与CAM的概念和应用,以及相关技术和发展趋势。
1. CAD的概念和应用计算机辅助设计(Computer-Aided Design,简称CAD)是利用计算机技术来辅助进行产品设计和开发的过程。
CAD广泛应用于各个领域,包括机械制造、建筑设计、电子电路设计等。
与传统手工设计相比,CAD具有速度快、精度高、可重复利用等优点。
CAD的应用领域之一是机械制造。
通过CAD软件,工程师可以快速创建、修改和分析三维模型,从而为机械产品的设计和制造提供了强有力的支持。
同时,CAD还能进行运动仿真、应力分析等工作,帮助工程师优化设计方案,提高产品的质量和性能。
2. CAM的概念和应用计算机辅助制造(Computer-Aided Manufacturing,简称CAM)是通过计算机技术实现产品的制造过程。
CAM可以将CAD中设计好的模型转化为机器能够理解的控制代码,进而实现自动化的生产和制造。
CAM的应用领域广泛,包括数控加工、激光切割、3D打印等。
CAM软件能够根据CAD模型生成加工路径,控制数控机床或其他生产设备进行自动化加工。
CAM的使用大大提高了生产效率和质量,并减少了人为操作的误差。
3. CAD/CAM技术与发展趋势CAD/CAM技术的发展经历了几个阶段。
最初的CAD软件主要用于二维工程图的绘制和编辑,后来逐渐发展为三维建模和仿真技术。
CAM技术也经历了从简单的数控编程到全自动化生产的演变过程。
随着计算机硬件和软件技术的不断进步,CAD/CAM技术在工业生产中的应用也不断扩大和深化。
近年来,虚拟现实(Virtual Reality,简称VR)和增强现实(Augmented Reality,简称AR)等新技术得到了广泛应用,为CAD/CAM技术的发展带来了新的机遇。
计算机辅助设计与制造引言计算机辅助设计与制造(Computer-Aided Design and Manufacturing,简称CAD/CAM)是指利用计算机技术辅助进行产品设计与制造的工程领域。
在现代制造业中,CAD/CAM 技术的应用已经成为不可或缺的一部分。
本文将介绍CAD/CAM的基本概念、应用和发展趋势。
什么是CAD/CAMCAD/CAM是一种综合应用了计算机技术、数学和工程学等多种学科的技术体系。
它主要包括两个部分:计算机辅助设计(CAD)和计算机辅助制造(CAM)。
CAD是指通过计算机软件和硬件设备,辅助设计人员进行产品的绘制、分析和优化。
CAD技术可以大大提高设计师的工作效率,并减少设计错误。
常用的CAD软件有AutoCAD、SolidWorks等。
CAM是指通过计算机控制机床、自动装配线等生产设备,实现零件加工和装配的自动化过程。
CAM技术可以使制造过程更加精确、高效,并提高产品质量和生产效率。
常用的CAM软件有Mastercam、PowerMill等。
CAD/CAM技术的应用领域非常广泛,包括航空航天、汽车制造、电子设备、医疗器械等各个行业。
它在产品设计、工艺规划、数控加工、装配和检测等方面都发挥着重要作用。
CAD/CAM的应用CAD/CAM技术在现代制造业中的应用可谓无处不在。
下面列举了一些典型的应用情况:1.产品设计:CAD软件提供了各种绘图工具和模型库,设计师可以通过CAD软件进行产品的三维建模、装配和渲染。
这使得设计师能够更快速、准确地完成产品设计,并进行模拟和分析。
2.工艺规划:CAM软件可以根据产品设计数据,自动生成加工路径和加工代码。
这样,工艺工程师可以在计算机上完成工艺规划、工艺优化和工艺参数的调整,提高加工精度和生产效率。
3.数控加工:CAD/CAM技术使得数控机床的操作更加简便和高效。
操作人员只需在电脑上编写好加工程序,然后通过数控机床进行自动加工。
这大大减少了人为错误和加工时间,提高了生产效率。
计算机辅助设计与制造技术计算机辅助设计与制造技术(Computer-Aided Design and Manufacturing, 简称CAD/CAM)是一项综合利用计算机技术和相关软件来辅助设计和制造产品的技术。
它在工业领域有着广泛的应用,为产品的设计、开发和制造提供了高效、精确和创新的解决方案。
一、CAD技术的应用CAD技术是计算机辅助设计的主要组成部分,它以数字化的方式替代了传统的手工绘图,大大提高了设计效率和准确性。
1. 二维CAD设计二维CAD设计主要应用于平面布局和构造细节的绘制,它可以实现精确的尺寸和比例,使得设计师能够更加清晰地展示和表达设计意图。
同时,CAD软件提供了丰富的绘图工具和符号库,使得设计过程更加便捷。
2. 三维CAD建模三维CAD建模是CAD技术的重要发展方向,它可以创建具有立体感的模型并模拟不同视角下的效果。
通过三维CAD建模,设计师可以更加真实地预览产品的外观和结构,进一步完善设计方案。
此外,三维CAD建模还可以与其他软件进行集成,如有限元分析软件,以评估产品的强度和稳定性。
3. 参数化设计参数化设计是CAD技术的一项重要功能,它通过将设计参数与几何形状相结合,实现了设计的自动化和可配置化。
设计师可以通过调整参数值,快速生成不同规格和变体的产品设计。
这使得产品开发更加灵活,能够更好地满足市场需求。
二、CAM技术的应用CAM技术是计算机辅助制造的重要工具,它与CAD技术相辅相成,使得产品的制造过程更加高效和精确。
1. 数控加工数控加工是CAM技术的核心应用之一,它利用计算机控制机床进行产品加工。
通过CAM软件生成的数字化工艺数据,可以直接传输给机床控制系统,从而实现自动化的加工过程。
数控加工具有高精度、高稳定性和高效率的特点,可以大大提高生产效率和产品质量。
2. 材料切割和成型CAM技术还可应用于材料切割和成型过程。
例如,激光切割和注塑成型可以通过CAM软件精确控制,实现复杂形状的材料加工。
计算机辅助设计与制造技术计算机辅助设计与制造技术(CAD/CAM)是现代制造业中广泛应用的一项技术。
它结合了计算机科学和制造工艺领域的知识,利用计算机软件和硬件来辅助进行产品设计和制造流程管理。
本文将对计算机辅助设计与制造技术进行探讨,包括其概念、应用领域、技术原理以及未来发展方向。
一、概念计算机辅助设计与制造技术是一种利用计算机软件和硬件设备来辅助进行产品设计和制造的技术。
它将计算机技术与工程设计和制造工艺相结合,通过数字化建模、虚拟仿真、数值计算等手段,提高产品设计和制造过程中的效率和质量。
计算机辅助设计(CAD)主要用于产品的三维建模和工程图纸的绘制,而计算机辅助制造(CAM)则用于将设计好的模型转化为实际的制造工艺。
二、应用领域计算机辅助设计与制造技术在众多领域中得到了广泛的应用。
首先是机械工程领域,CAD/CAM技术可以用于机械产品的设计和制造,包括零部件的三维建模和装配工艺的优化。
其次是航空航天领域,CAD/CAM技术可以用于航空器和航天器的设计制造,提高飞行器的性能和可靠性。
再次是工业设计领域,CAD/CAM技术可以用于产品外观设计和人机工程学分析,提高产品的审美和人机交互性。
此外,CAD/CAM技术还广泛应用于汽车制造、电子产品制造、建筑设计等领域。
三、技术原理计算机辅助设计与制造技术的核心是数字化建模和虚拟仿真技术。
在CAD环节,设计师通过CAD软件进行三维建模和装配设计,生成产品的数字模型。
CAD软件提供了丰富的建模工具和设计功能,设计师可以根据需要进行几何建模、曲面造型、材料分析等操作。
在CAM 环节,通过CAM软件将CAD模型转化为机床或控制系统能够理解的指令,实现产品的实际加工。
CAM软件可以进行刀具路径的优化、工艺规划的模拟等操作,提高制造过程的效率和精度。
四、未来发展方向随着计算机技术和制造工艺的不断发展,计算机辅助设计与制造技术也在不断演进。
一方面,CAD/CAM技术将更加智能化和自动化。
计算机辅助设计与制造技术应用第一章概述计算机辅助设计与制造技术(CAD/CAM)是一种把计算机技术、工程技术和制造技术有机结合的技术手段,它可以使得制造工艺更为高效,更加精确,更加自动化。
在此基础上,越来越多的企业通过提高生产效率、提高产品质量等途径来增强自身竞争力,并推动了工业技术的快速发展。
本文将介绍CAD/CAM的相关技术及其在产品设计、制造过程中的应用。
第二章 CAD技术及应用计算机辅助设计(CAD)是指使用计算机和其他相关软件辅助完成设计和制图。
一般来说,CAD软件包括基本的绘图工具、建模工具、分析工具和数据管理工具等。
CAD/CAM系统是由多种平台、多种数据文件格式和传输协议等构成,能够支持全局数控加工、仿真分析、数据交换和库存管理等,对于产品质量、生产周期和成本都有着显著的提高。
在设计方面,CAD技术具有独特的优势。
它可以在较短时间内快速地完成产品设计,避免了传统的手工绘图过程中的错误和限制。
同时,CAD技术也可以在设计阶段模拟出产品在不同工况下的工作状况,降低了原型制作的时间和成本。
在实际的应用中,CAD技术已成为产品设计和开发的重要手段,尤其是在电子、机械等领域。
第三章 CAM技术及应用计算机辅助制造(CAM)是指通过计算机和其他相关软件辅助完成产品加工工艺和制造流程。
CAM技术与CAD技术可以完美结合,实现产品设计与制造全过程的无缝衔接。
在实际应用中,CAM技术已经逐步替代了传统的手工制造过程。
它通过立体建模、雕刻、钻孔、铣削等操作完成产品制造过程,大大降低了制造成本和时间,并提高了产品质量。
CAM技术应用在自动化设备上可以实现大规模、高效率、高质量地生产,比如机床、激光切割设备、自动化装配线等。
在工艺过程中,CAM技术可以最大化地充分利用全自动和半自动的加工设备,提高生产效率。
第四章 CAD/CAM应用实例1、汽车工业汽车制造过程中有很多重复、精细、繁琐的工作,却又需要高精度、高效率的完成。
计算机辅助设计与计算机辅助制造计算机辅助设计与计算机辅助制造(Computer-Aided Design and Computer-Aided Manufacturing,简称CAD/CAM)是指借助计算机技术来辅助进行产品设计和制造的一种工艺。
它通过将计算机技术与传统的工艺相结合,提高了产品设计和制造的效率和质量。
本文将从CAD与CAM的基本概念、发展历程、应用领域以及未来趋势等方面来探讨计算机辅助设计与计算机辅助制造的重要性和影响。
一、CAD与CAM的基本概念1. CAD的基本概念计算机辅助设计(Computer-Aided Design)是利用计算机技术来辅助进行产品设计的过程。
它通过计算机软件和硬件设备,实现了设计数据的数字化和自动化处理,提高了设计效率和准确性。
2. CAM的基本概念计算机辅助制造(Computer-Aided Manufacturing)是利用计算机技术来辅助进行产品制造的过程。
它通过将设计数据与制造设备相连接,实现了产品的快速制造和自动化生产,提高了制造效率和产品质量。
二、CAD与CAM的发展历程1. CAD的发展历程CAD的发展可以追溯到上世纪50年代,当时的CAD系统主要用于两个领域:航空航天和汽车工业。
随着计算机技术的不断发展,CAD系统不断完善,应用领域也逐渐扩大。
从最初的二维CAD系统发展到了如今的三维CAD系统,使得设计师可以更加直观地进行产品设计和展示。
2. CAM的发展历程CAM的发展起源于上世纪60年代,当时主要用于数控机床的控制。
随着数控技术的快速发展,CAM系统也逐渐发展成为一种独立的技术和工艺。
CAM系统可以将设计数据转化为数控机床能够理解和执行的指令,实现产品的自动化加工和生产。
三、CAD与CAM的应用领域1. 机械制造领域CAD/CAM系统在机械制造领域的应用非常广泛。
它可以帮助设计师完成产品的三维建模和装配,对产品进行虚拟验证和优化。
同时,CAM系统可以生成数控加工路径,实现高效的机械加工和制造。
精心整理计算机辅助设计与制造闭卷考试;考试题型:名词解释单选填空综合判断第1章1.4广义狭义设计;NC自动编程;计算机辅助测试技术;动态仿真;工程数据管理;4.CAD/CAM系统大致分为两类:通用集成化(CADAM,UG-II,Pro/ENGINEER,I-DEAS,CV);单功能系统(GDS,GNC,PLOYSURE,GEMS);5.CAD技术与CAM技术结合起来,实现设计、制造一体化具有的明显优越性:(1)有利于发挥设计人员的创造性,将他们从大量繁琐的重复劳动中解放出来。
(2)减少设计、计算、制图、制表所需时间,缩短设计周期。
(3)由于采用了计算机辅助分析技术,可以从多方案中进行分析、比较,选出最佳方案,有利于实现设计方案的优化。
(4)有利于实现产品的标准化、通用化和系列化。
(5)减少零件早车间的流通时间和在机床上装卸、调整、测量、等待切削的时间,提高了加工效率。
(6)先进的生产设备既有较高的生产过程自动化水平,又能在较大范围内适应加工对象的变化,有利于企业提高应变能力和市场竞争力。
(7(8)第2章1.2.根据以大型3.根据立的)4.根据5.(1(2磁带类、光盘类(光盘存储器);(3)显示器、键盘、鼠标。
6.输入设备(填空、选择、判断):键盘;鼠标和操纵杆;数字化仪;图形版(图形输入板);光笔;触摸屏;扫描输入设备;语音输入设备;数据手套;位置传感器;7.输出设备(填空、选择、判断):显示器;打印机;绘图机;立体显示器;3D听觉环境系统;生产系统设备[加工设备(各类数控机床、加工中心);物流搬运设备(有轨小车、无轨小车、机器人);仓储设备(立体仓库、刀库等),辅助设备(对刀仪)];生产设备接口;8.网络设备:服务器;工作站;电缆;网卡;集线器HUB;中继器(放大信号);路由器;网桥(用于连接不同网路协议);网关;9.CAD/CAM软件系统:分为3个层次,即系统软件、支撑软件、应用软件;(1)系统软件(3部分):操作系统(是计算机运行工作的基础软件,因而是系统软件的核心);;(2(3原则;10.2CAD/CAM系统中硬件设备的选用原则:系统功能与能力;系统的开放性与可移植性;系统升级扩展能力;良好的性能价格比;系统的可靠性、可维护性与服务质量;10.3CAD/CAM系统中软件的选用原则:系统功能与能力配置;软件性能价格比;与硬件匹配性;二次开发能力与环境;开放性;可靠性;软件供应商的综合能力;第4章图形处理技术基础1.图形:是由所表示物体的由几何信息和拓扑信息共同描述的;几何信息:物体在欧氏空间中的形状、位置和大小,最基本的元素是点、线、面;拓扑信息:拓扑元素(顶点、边棱线和表面)的数量及其相互间连接关系。
2.图形的几何变化只改变图形的顶点坐标和面、线的表达模型的参数,不会改变他们的拓扑关系,且面、线的表达模型参数也是由相关的顶点坐标所确定的。
因此,从原理上讲,图形的几何变化,实际上是点的坐标变换。
3.4.5.6.7.8.8.18.2)8.38.4可见性测试9.常用消隐算法9.1Warnock算法(区域细分算法):针对平面多面体图形消隐显示的算法。
(2个前提条件:(1)所显示的多面体已消除自隐藏面;(2)多面体的顶点和边的坐标以及各顶点的深度已知。
)p97-p98 9.2Catmull曲面分割算法(曲面子分算法)p989.3Z缓冲器扫描线算法p98(深度缓冲器算法——Z缓冲器算法)Z缓冲器扫描线算法是Z缓冲区消隐算法的特例。
9.4扫描线算法是图形消隐中经常使用的方法。
9.5深度列表排序算法(画家算法)第5章建模技术1.计算机内部表达:就是决定在计算机内部采用什么样的数字化模型来描绘、存储和表达现实世界中的物体及其相关的属性2.产品数据模型:将设计人员对产品或零部件的设计思想和工程信息以具有一定结构的数字化模型3.4.5.6.(1(2(38.8.18.2外形。
在计算机内部生成的三维映像,还可以实现视图变换及空间尺寸的协同。
8.3线框模型的数据结构——表结构:(1)顶点表完整地记录了个顶点编号,顶点坐标;(2)边表完整记录了各边的序号及边上个端点的编号。
8.4线框建模特点(可能简答):(1)所需信息量最少;(2)数据结构简单;(3)占用储存空间小:(4)对硬件要求不高:(5)显示响应速度快;(6)存在多义性;(7)不能自动进行可见性检验及消影:(8)物体的几何特性、物理特性计算困难。
(1-5为优点;6-8为缺点)9.表面建模:是将物体分解为组成物体的表面、边线、和顶点,用顶点、边线和表面的有限集合来表示和建立物体的计算机内部模型。
9.1表面建模的优点:能够实现消隐、着色、表面积计算、二曲面求交、数控刀规生成、有限元网格划分等,擅长于构造复杂的曲面物体,如模具、汽车、飞机等表面。
缺点是:有时产生对物体二义性理解,操作也比较复杂。
9.2表面的描述方法:平面、指纹面、回转面、柱状面、Bezier曲面、B样条曲面、孔斯曲面、圆角面、等距面。
9.39.4(1)系统直(2(3(49.5(1(2(39.610.10.1法)实现构建物体的建模方法。
10.2实体建模主要包括两部分内容,及体素的定义和描述和体素之间的布尔运算(并、交、差)。
10.3体素法:通过基本体素的集合运算构造几何实体的建模方法,每一基本体素具有完整的几何信息,是真实唯一的三维物体。
天赋包含两部分内容:基本体素的定义与描述;体素之间的集合运算(交、并、差)。
10.4体素可分为两大类:基本体素和扫描体素。
10.5扫描法:对于表面形状较为复杂,难于通过定义基本体素加以描述的物体,可以通过定基体的变形操作,实现物体的建模,这种构建方法称为:扫描法。
10.6扫描法分为:平面廓形扫描、三维实体扫描(整体扫描)10.7扫描法需要个分量:被移动的基体、移动的路径。
10.8实体模型的表示方法:(1)边界表示法(网状数据结构);(2)构造立体几何表示法(二叉树结构)CSG(3)的混合。
(410.9(1(2(3(4(5(611.11.111.2形状特征:“具有一定拓扑拓扑关系的一组几何元素构成的形状实体,它对应零件的一个或多个功能,并能被一定的加工方法所形成。
”11.3特征建模的分类:根据制造方法:铸、锻、焊、机加工和注塑等特征;按零件类型:轴盘类、板块类、箱体类、自由曲面类;按在设计过程中的作用分为:基特征、正特征和负特征、主特征和辅助特征。
按特征的复杂程度:简单特征和复杂特征;11.4精度特征:尺寸公差特征、形状公差特征、位置公差特征、表面粗糙度特征;材料特征:材料种类特征、性能特征、热处理特征。
11.5特征建模的特点:(可能简答)(1)特征建模技术是产品设计工作在更高的层次上展开,产品的开发者关心的不再是如何实现原始的线条勾画呵呵体术的堆积,注意力是如何将产品的功能要素进行巧妙的组合;(2)特征的引用直接体现了设计意图,使得建立额产品模型容易为被人理解和组织生产,设计的图样更容易修改;(3)(4(5(6(711.611.711.811.9(2第7章计算机辅助工艺规程设计1.计算机辅助工艺规程设计(简称CAPP):是通过计算机技术辅助工艺设计人员,以系统、科学的方法确定零件从毛坯到成品的整个技术过程,即工艺规程。
2.CAPP的基本组成:(1)控制模块:协调各模块的运行,实现人机之间的信息交流,控制产品设计信息获取方式。
(2)零件获取模块:用于产品设计信息输入,有人工交互输入、从CAD系统直接获取或自集成环境下统一的产品数据模型输入两种方式。
(3)工艺过程设计模块(4)工序决策模块(5)工步决策模块(6)输出模块(7)产品设计数据库(8)制造资源数据库(9)工艺知识数据库(10)典型案例库(11)编辑工具库(12)制造工艺数据库3.CAPP分为:检索式、派生式、创成式、综合式(吧创成式)、CAPP专家系统;4.派生式CAPP系统基本原理:利用零件GT(成组技术)代码(或企业现行零件图编码),将零件根据结构和工艺相似性进行分组,然后针对每个零件组编制典型工艺,又称主样件工艺。
工艺设计优点:(缺点:(5.6.应用(1(2(3)可以提高企业工艺设计的规范性、标准化水平,并不断向最优化和智能化方向发展,促进工艺设计水平的提高;(4)能有效的积累和集成工艺设计人员的经验,提高企业工艺设计的继承性,有效提高世界水平,解决工艺人员实践经验不足的矛盾。
7.CAPP的作用:(1)克服传统工艺中的不足,促进工艺技术的发展;(2)为现代制造系统集成提供了技术桥梁。
8.零件信息的输入方法可采用:人机交互式输入或从CAD图形数据库中直接提取。
人机交互输入法中主要采用了成组技术代码法(GT代码法)或型面特征描述法。
9.建立表示零件的编码系统时,需要考虑的因素是:(1)零件类型(2)代码所表示的详细程度(3)码的结构:链式、分级式或混合式(4)代码使用的数值(二、八、十、十六进制、字母数字制)10.成组技术中,码的结构分为三种形式:树式结构、链式结构、混合式结构树式结构又称分级结构,码位之间是隶属关系。
包含信息量较多,但结构复杂,编码和识别代码不太方便。
链式结构又称并列结、矩阵结构,包含的特征信息比树式结构少,但结构简单,编码和识别也比较方便。
混合式:系统中同时存在以上两种结构。
大多数都采用混合式。
11.12.13.从方法;(14.15.件组。
10016.17.18.工艺数据处理和工艺数据库建立:(1)切削参数的确定(2)工时定额计算(1.查表法2.公式计算法)19.创成式CAPP系统的核心:零件信息库、工艺知识库、推理机(控制程序)三部分。
四项关键技术:(1)工艺知识的获取和表达方法(2)工艺知识库的建立(3)推理机(4)零件信息库和工艺数据库的建立与管理。
工艺知识的表达方法:(1)型面对应加工链法:优点是写规则比较容易;缺点:此方法试图把各种千变万化的工艺问题,用简单方法来处理,难以达到实用化目的。
(2)制定工序工步字典方法:不具备通用性。
20.工艺知识的描述:深化描述(框架法、语义网络法)、表层描述(生产式规则,即“IF-THEN”模式)21.工艺知识库的建立一般利用软件二次开发22.推理机设计:推理是从已有知识推出新的事实(或结论)的过程。
推理机构成:(1)运行库(2)生成库(3)推理器(4)解释装置。
推理方式为归纳推理和演绎推理。
创成式CAPP系统采用基于规则的演绎推理。
CAPP第81.2.(1)(2)清单3.4.图形交互自动编程的特点:(1)简单、直观、准确、便于检查(2)对实现CAD/CAM一体化极为有利(3)简单易学,在编程的过程中可以随时发现问题(4)速度快、效率高、准确性好(5)在通用的计算机上运行,不需要专用的编程机,便于普及推广。