7.1项目组织机构图+小组成员职责表
- 格式:doc
- 大小:60.00 KB
- 文档页数:2
组织机构图部门职责及人员分工1、项目经理(1)对工程质量负具体的领导责任。
(2)确定项目管理机构的组成及人员配置,明确职责。
(3)组织编制施工组织设计。
(4)有计划组织施工队伍及设备、材料进场.(5)确定管理总目标和阶段目标,进行目标分解。
(6)贯彻落实安全生产责任状、施工质量管理责任制等有关规章、规程及制度。
(7)负责进行质量工作检查,消除事故隐患,制止违章作业。
(8)对职工进行质量意识教育,总结推广质量管理工作中的先进经验。
(9)每天督促作好施工记录整理汇总及施工日志记录工作。
(10)作好工程洽谈及变更工作,为竣工结算提供详细资料.(11)发生或发现重大技术和质量问题及隐患,应及时汇报公司,妥善处理。
(12)制订竣工计划,组织好竣工验收的各个环节。
包括竣工自检、资料汇编、竣工图绘制、质量评定书等,办理移交清单和移交手续。
(13)工程完毕,所有技术资料及文件按要求向工程技术部办理移交清单,完成归档工作。
2、项目总工程师(1)主持项目生产技术业务的管理工作,对本项目质量负技术责任.(2)主持编制工程施工组织设计、工程竣工报告,负责项目成果资料整理、汇总、编写、归档等工作,参与本项目的生产经营活动。
(3)负责项目组织施工,检查监督项目管理层和操作层的工序质量,确保工程施工安全、质量、进度和文明施工。
(4)负责项目技术交底和施工技术管理,协助项目经理处理内外关系。
(5)负责公司生产技术管理制度和技术质量标准的落实,负责生产技术措施的实施,及时处理施工中出现的技术问题.(6)收集汇总施工信息,定期汇报施工情况。
3、质检工程师(1)参与施工组织设计编制和设计图纸会审;(2)组织国家、行业、企业技术规范、质量标准及作业指导书在工程项目上的应用,推广应用“四新";(3)对关键工序和特殊过程的执行情况进行检查、监督;(4)组织召开定期或不定期生产调度会;(5)负责监督检查工程项目质量计划和施工进度计划执行情况,并对分部分项工程状态及最终产品标识进行监督管理;(6)对工程中出现的质量问题进行调查、分析,协助项目经理做出处理方案及制定纠正和预防措施并报经有关主管领导批准后,监督实施;(7)参与对分部分项最终产品按相关标准进行质量评定;(8)参与标书和合同的评审,解决标书及合同中要求的施工条件和工期不适宜问题;(9)负责编制并组织实施工程质量回访计划,并接受用户投诉;(10)负责审核成品保护措施,参加工程交验,负责监督质量回访和用户投诉质量问题的纠正措施的实施。
项目组织机构及管理职责Ⅱ、项目管理人员职责:㈠项目经理职责:项目经理是工程项目的负责人,是项目项目部的领导者。
其岗位职责是:1、与公司经理签订《工程项目承包管理合同书》,对工程项目从开工到竣工交钥匙全面负责,并确保项目承包指标的实现。
2、在公司指导下,选配项目项目部组成人员,明确各成员的职责分工,组织开展工作,实行月度百分考核,并与效绩工资挂钩。
3、熟悉图纸,掌握工程结构,审验工程预算书。
4、听取工程设计交底和预算交底,发现问题及时反馈。
5、主持编制项目施工组织设计和质量保证计划,确认本工程需确认工序,编制作业指导书,保证本项目质量保证体系的有效运转。
6、科学组织,合理安排施工生产,保证计划部位的落实。
7、配合公司共同研究签定分包、加工及劳务合同并认真检查合同履约情况。
8、定期主持召开项目项目部工作例会,协调各成员工作关系,及时发现并解决有关问题。
9、定期、定部位进行项目成本分析,查找问题和原因,制定相应措施。
10、审验工程变更手续,搞好与业主的配合协作,及时办理经济签证。
11、负责安全生产,确保质量达标,搞好防火防盗教育并落实预防措施,各种隐患及时整改,出现事故及时上报。
12、负责竣工收尾工作,抓好项目结算,配合上级与建设单位办理工程验收移交手续。
13、承担工程竣工移交后的保修服务责任。
㈡副项目经理职责:在项目经理的领导下,贯彻执行国家、上级部门和本公司的安全生产法令、法规和规章制度。
参加本单位承担工程的安全技术措施的制定工作。
掌握安全重点部位的情况,检查各种防护设施,纠正违章指挥、冒险蛮干。
坚持原则,秉公办事。
组织项目的定期安全检查,查处的问题督促在限期内整改完毕。
发现重大安全隐患有权制止作业。
参与事故调查、分析和处理工作。
1、对本工程的安全生产、文明、环保施工负责。
2、负责工程施工期间所有危险源的辩识,并制订相应的安全方案和各种应急预案。
3、组织建立安全保证体系和管理网络,对各个部位的安全专项方案进行审核。
项目施工管理组织机构
一、项目管理组织机构图
二、项目部管理职责
1、项目经理
(1)主持编制、签发质量计划,策划项目质量保证体系的建立、完善和项目质量持续改进。
(2)主持确立项目质量方针和质量目标。
制定规章制度,明确部门质量管理职责,并组织考核,保证目标实现。
(3)确保依据项目质量管理程序进行施工和过程控制。
(4)组织竣工验收,安排、组织移交事宜。
(5)按项目质量保证体系要求确立培训方针,监督落实。
2、项目工程师
(1)在项目经理领导下,主持项目施工技术管理工作。
(2)参加施工方案的讨论和审定,负责施工方案和工艺标准的确定。
(3)主持项目施工组织设计的编制。
(4)负责项目工程质量管理,监督、组织项目质量检查工作,监督不合格品整改工作。
(5)协助项目施工设备和设施的选用,保证项目质量能力的最大发挥。
(6)按项目施工要求,编制项目技术标准、验收规范目录,保证有效性,确保工程符合规范要求。
(7)负责项目质量记录按质量计划要求实施。
(8所责统计技术在项目的应用,包括统计技术的确定和实施。
项目管理小组成员岗位职责及分工项目经理- 负责项目的整体规划、组织和控制,确保项目实施按照计划顺利进行。
- 确定项目的目标、范围、里程碑和关键任务,并制定相应的计划和策略。
- 协调项目团队的工作,分配任务和资源,确保项目成员的有效协作。
- 监督项目进展,解决项目中的问题和风险,并及时向上级汇报。
- 根据项目需要与相关方进行沟通与协调,确保项目的顺利推进。
项目助理- 协助项目经理进行项目规划和控制,跟进并汇总项目进展情况。
- 协调项目成员之间的工作和沟通,确保项目团队的有效合作。
- 协助项目经理解决项目中的问题和风险,并及时上报情况。
- 负责项目文档的管理和归档,确保项目资料的完整和可访问性。
- 参与项目会议,记录会议纪要并跟进行动项的完成情况。
技术专家- 负责项目中涉及的技术问题和方案的研究、设计和实施。
- 提供技术支持,解答项目成员对技术问题的疑问。
- 参与项目决策和变更控制,评估技术可行性和风险。
- 与外部技术人员进行沟通和协调,确保技术需求的满足。
- 监督项目中的技术实施,确保符合质量标准和时间计划。
财务专家- 负责项目预算的编制和管理,监控预算的执行情况。
- 参与项目决策和变更控制,评估财务可行性和风险。
- 协助项目经理制定项目成本控制和节约策略。
- 协调项目团队关于成本的沟通和协作,确保成本控制的有效实施。
- 提供财务报告和分析,及时向项目团队和上级报告项目的财务状况。
法律顾问- 提供法律咨询和意见,确保项目合规和风险控制。
- 参与项目合同的起草、谈判和审核,保护项目利益。
- 协助解决项目中的法律纠纷和争议,提供法律支持和建议。
- 监督项目进展,确保项目遵守相关法律法规和合同约定。
- 参与项目决策和变更控制,评估法律可行性和风险。
以上是项目管理小组成员的岗位职责及分工,每个成员应按照岗位职责履行自己的职责,共同推动项目的顺利实施。
让知识带有温度。
项目组织机构人员职能分配表项目部组织机构人员职能分配表序号姓名职务职能1 项目经理执行国家有关规矩、标准,贯彻公司各项管理制度,全面负责囫囵工程项目的生产进度、工程质量、平安生产文明施工,对项目施工的人、财、物等举行全面管理。
2 项目技术负责人贯彻公司质量文件,全面负责工程技术管理,组织图纸会审,组织编制项目施工组织设计,审批作业指导书,负责向有关技术人员举行施工组织设计和施工计划交底。
3 质检员认识施工图纸,把握施工计划以及质量保证措施,按工种质量特点举行质量控制;鉴定施工材料、工程构件的质量,核实材料证实书,并对每一道工序和质量举行检查,上道工序检查合格再举行下道工序,做好检查记录。
4 材料员负责工程所需的材料供给和调配,按照材料方案组织各种材料按时进场,做好验收、点数、量方、检尺、过磅、签证入库工作,准时索取材质证实,并协作举行材质实验。
5 平安员贯彻公司平安管理制度,负责对各种工种、工序举行平安技术交底,对施工现场举行常规性平安检查,对不符合平安规范的违章操作行为和存在的平安隐患准时制止、订正、提出整改计划并催促实施。
6 预算员全面负责工程预结算工作,按照施工图纸及会审资料编制施工作业方案和原材料供给方案,搜集各项原始变更、隐蔽记录资料,仔细完成工程结算。
7 施工员认识图纸及规范规定,组织工程施工,按照施工程序编第1页/共2页千里之行,始于足下排流水作业方案,调剂各工种各工序的交错搭接;明确施工质量措施和技术操作要求,对施工技术举行层层书面交底,并做好施工日记。
8 专职资料员全面负责工程资料管理,负责按进度搜集收拾各种质量保证资料,填写有关验评表格、搜集施工技术资料和平安生产管理资料,并举行项目资料归档。
文档内容到此结束,欢迎大家下载、修改、丰富并分享给更多有需要的人。
第2页/共2页。
项目组织机构及部门职责2项目部主要领导岗位及部门责任(1)项目经理1项目组织机构图 项目经理(1人) 技术负责人(1人)工程技术部施工 管 理 部 Q HS E部半自动焊机组 合作业机组定向钻穿越机 ①全面负责组织工程的实施,对工程的质量、进度和 HSE 负领导责任②组织编制项目施工实施计划,确保按期完工。
③组织对全体施工人员进行质量及HSE 培训。
④组织制定项目经济责任制及其它制度,并确保其实施。
⑤组织调动各施工单位的人员、设备,解决施工中的重大问题。
⑥组织协调与业主、PMC、地方及其它施工单位的关系。
(2 )技术负责人①对技术、质量进行专业管理。
②参与项目重大问题的讨论与决策。
③组织对施工人员进行技术和质量培训。
④组织编制项目施工实施计划、质量管理计划,制定各专业管理制度,并组织实施、检查和调整。
⑤组织处理解决现场技术、质量问题。
⑥组织项目技术、质量检查。
⑦组织整理、编制各项竣工资料,参与组织竣工验交。
(3 )施工管理部①参与组织有关施工准备工作,包括:组织设备维修,组织营地建设和人员、设备调迁。
②办理各种施工许可证。
③组织协调施工,合理调配施工力量,解决现场施工问题。
④采用P3 项目管理软件对整个项目的进度进行控制。
⑤编写施工计划,搞好计划管理,使工程按预定进度计划实施,防止工程拖延。
⑥处理对外征地协调事宜,搞好与业主、PMC及地方政府的关系。
(4)工程技术部①组织内部图纸会审和技术交底,编制施工组织设计和施工技术措施。
②办理设计变更,处理现场技术问题,参与质量、安全事故的分析与处理。
③检查、监督所属施工单位的原始技术资料填写及现场签证情况。
④组织工程检查、验交,参与组织保投产工作,整理、汇编竣工资料。
(5)QHSE 部①编写项目质量手册、质量计划和质量程序文件,确定项目质量方针、组织结构、管理职责、合同评审等全部质量体系要素的控制原则。
②对整个施工过程进行质量控制,定时对各营地、各机组进行质量体系审核;建立健全严格的质量奖惩制度。
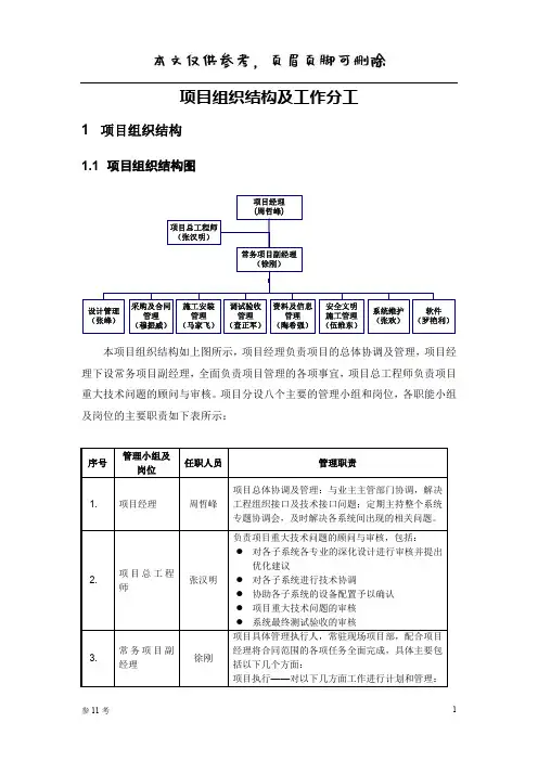
项目组织结构及工作分工1 项目组织结构1.1 项目组织结构图项目总工程师(张汉明)采购及合同管理(穆振威)施工安装管理(马家飞)项目经理(周哲峰)常务项目副经理(徐刚)软件(罗艳利)系统维护(张欢)设计管理(张峰)调试验收管理(查正军)资料及信息管理(陶希强)安全文明施工管理(伍维东)本项目组织结构如上图所示,项目经理负责项目的总体协调及管理,项目经理下设常务项目副经理,全面负责项目管理的各项事宜,项目总工程师负责项目重大技术问题的顾问与审核。
项目分设八个主要的管理小组和岗位,各职能小组及岗位的主要职责如下表所示:1.2 岗位职责●采购管理项目经理负责项目所有设备及软件的采购及供货工作。
●系统设计项目经理负责组织施工图设计工作,包括监测内容与布点、硬件系统的施工图设计、软件系统的设计、数据处理和在线评估实施技术方案。
负责组织施工图设计评审工作(如需要)。
●施工项目经理负责项目所有设备安装工作的管理,传感器子系统的安装调试,网络传输系统、外场工作站系统、配电系统、监控中心、备用控制中心的设备安装施工。
除各子系统的施工工作外,还包括各施工专业的技术管理、质量控制、安全管理和资料管理等工作。
●软件项目经理⏹系统开发⏹系统测试⏹系统调试⏹技术文档编写⏹系统培训⏹系统验收1.3 任职人员本联合体项目组共配置管理和技术人员36人,其中主要成员12人,一般人员24人。
项目组主要成员名单如下:工作安排:根据现在的人员配置,把项目中目前要做的一些工作大致划分一下。
有的工作是专人负责,有的工作是大家共同完成,每个人可能会同时兼任数个位子,如安全员、资料员、质量员、材料保管员等等。
其中可能会穿插一些制度和要求。
现场施工:主要工作主要工作:管线布设、设备安装、强电系统、传感器安装―一大部分是由分包商和施工队完成,我们做现场施工管理、组织协调、一部分设备的安装调试。
伍维东负责,马家非、张欢、卢建、钱卫智要求:按照施工设计图的要求管理并指导施工人员完成各项安装工作。
东河沿、辛庄回迁房项目应急供水工程项目管理一、项目管理组织机构针对本工程的特点,我司组建了一套管理精干和具有先进施工经验的项目管理班子,并实行项目经理责任制,由项目经理、项目技术负责人、各专业施工员、专职质检员、试验员、安全员等组成管理班子。
1、具体管理组织机构如下图所示:安全员:郑彭元材料员:杜鑫测量员:张波、腾孝鑫计划统计:耿忠杰二、各岗位主要职责1、项目经理(1)、全面负责组织工程项目的施工,主管工程技术部、安全质量部、计划财务部、综合办公室、中心试验室,对项目全权负责。
(2)、制定项目管理目标和创优规划,建立完整的管理体系,保证既定目标的实现。
(3)、负责协调组织工程项目施工,保证施工正常进行。
(4)、科学组织施工,及时组织编制进度计划安排及资源调配方案,组织参与提出合理化建议与设计变更等重要决策。
(5)、负责组织推广应用新技术、新工艺、新设备、新材料,保证工程进度,节约工程成本。
(6)、负责组织有关部门制定项目环保规划、措施,定期环保工作检查,确保环保工作落到实处。
(7)、负责施工现场环境保护、文明施工、综合治理等工作,严格执行当地建筑施工方面的有关规章制度。
3、技术部标小组攻关活动和创优活动,搞好现场质量控制。
(7)、根据现场实际情况,优化施工方案,协助项目经理制定保证工程成本不突破报价的主要措施并组织落实。
4、施工部(1)、贯彻实施设计图、施工组织设计及质量策划的要求;(2)、编制作业指导书、施工技术交底文件,并认真实施;(3)、保证施工过程处于受控状态,满足规定与合同要求。
5、质检部(1)、认真贯彻有关保证质量的制度和措施;(2)、严格按照国家质量政策、规范、标准、图集和组织进行质量检证明随料进场。
7、安全部根据部颁标准(安全管理、脚手架、施工用电、施工机具、文明施工、场容场貌、生活卫生、防火安全)规定逐项落实,定期检查,立案备查。
8、后勤部(1)、负责本项目生产经营和管理方面的调查研究,收集整理有关行政信息,为领导决策提供依据。
一、项目组织架构图及岗位职责
1、项目组织架构图:
针对本工程的特点,我公司计划组建了一套管理精干和具有先进施工经验的项目管理班子,并实行项目经理责任制,由项目经理、项目技术负责人、精装修生产经理、设计负责人等组成管理班子.
2、各岗位主要职责:
部门工作职能范围
对工程全面负责,对质量、进度、安全等进行全面管理,保证质量、进
项目经理
度、造价等符合合同及业主要求.
负责工程技术、资料指导管理,进行质量、环境、职业健康安全等技术
技术负责人
管理。
全面负责工程项目的生产工作,组织好本工程项目的均衡生产和施工管
生产经理
理,对施工管理的最终结果负责。
负责本工程深化设计工作,及与建设单位、其他施工单位、监理单位等
设计负责人
设计相关的沟通协调工作.
3、项目管理人员配置表。
东河沿、辛庄回迁房项目应急供水工程项目管理组织机构及岗位主要职责东河沿、辛庄回迁房项目应急供水工程项目部一、项目管理组织机构针对本工程的特点,我司组建了一套管理精干和具有先进施工经验的项目管理班子,并实行项目经理责任制,由项目经理、项目技术负责人、各专业施工员、专职质检员、试验员、安全员等组成管理班子。
1、具体管理组织机构如下图所示:2、主要岗位人员如下:项目经理:王守军项目技术负责人:刘玉全项目副经理:宋永红生产经理:冉永贵实验员:兰雪质检员:吕奇龙商务经理:罗京兰安全员:郑彭元材料员:杜鑫测量员:张波、腾孝鑫计划统计:耿忠杰二、各岗位主要职责1、项目经理(1)、全面负责组织工程项目的施工,主管工程技术部、安全质量部、计划财务部、综合办公室、中心试验室,对项目全权负责。
(2)、制定项目管理目标和创优规划,建立完整的管理体系,保证既定目标的实现。
(3)、组建精干高效的项目管理班子和施工项目队,搞好项目机构的设置、人员选调及职责分工。
(4)、建立严格的经济责任制,强化管理、推动科技进步,搞好成本控制,提高综合经济效益。
(5)、沟通项目内外联系渠道,及时妥善处理好内外关系。
(6)、接受建设单位、监理单位及上级业务部门的监督指导,及时向建设单位汇报工作。
2、项目副经理(1)、配合项目经理,具体组织工程项目的施工,主管工程管理部、安全质量部、物资设备部、对项目经理负责。
(2)、协助项目经理协调与建设、设计、监理的关系,保证工程进度、质量、安全、成本控制目标的实现。
(3)、负责协调组织工程项目施工,保证施工正常进行。
(4)、科学组织施工,及时组织编制进度计划安排及资源调配方案,组织参与提出合理化建议与设计变更等重要决策。
(5)、负责组织推广应用新技术、新工艺、新设备、新材料,保证工程进度,节约工程成本。
(6)、负责组织有关部门制定项目环保规划、措施,定期环保工作检查,确保环保工作落到实处。
(7)、负责施工现场环境保护、文明施工、综合治理等工作,严格执行当地建筑施工方面的有关规章制度。