人孔土方量开挖计算公式
- 格式:docx
- 大小:20.19 KB
- 文档页数:1
标准人(手)孔、通信管道开挖路面面积计算标准根据通信建设工程预算定额第五册通信管道工程[工信部规[2008]75号”以及宁波移动相关规定,标准人(手)孔、通信管道开挖路面计算如下:1•不放坡挖沟,开挖路面面积:①开挖管道沟面积A=BL②开掘人孔坑面积A=ab2•放坡挖沟,开挖路面面积:①开挖管道沟面积A=(2Hi+B)L②开挖人孔坑面积A=(2Hi+a)(2Hi+b)3•符号说明:A=路面面积(m2)B=沟底宽度(m)L=沟长度(m )H=沟(坑)深度(m)i=放坡系数a=人孔坑底短边长度(m)b=人孔坑底长边长度(m)注:1•人孔坑底边长度a、b是指净长度。
不包括人孔坑壁厚、基础(各方向0.1米)、操作面宽度(各方向0.3米)。
2. 普通土:主要用铁锹挖掘,并能自行脱锹的一般土壤。
3. 硬土:部分用铁锹挖掘,部分用镐挖掘,如坚土、粘土、市区瓦砾土及淤泥深度小于0.5米的水稻田和土壤(包括虽可用锹挖,但不能自行脱锹的土壤)等。
4. 砂砾土:以镐、锹为主,有时也需用撬棍挖掘,如风化石、僵石、卵石及淤泥深度为0.5 米以上的水稻田等。
根据上面计算标准,我们对常用人手孔、管道沟的挖土面积计算如下:小手孔(SSK)主体结构图已知:a=0.4m, b=0.5m ,人孔坑壁厚0.24m,各方向基础0.1m,操作面0.3m,H按0.7m考虑,不考虑放坡,每个SSK挖土面积计算如下:A = [a+(0.24+0.1 + 0.3)*2]*[ b+(0.24+0.1 += 2.99 m2一号手孔(SK1)主体结构图已知:a=0.45m, b=0.84m ,, 人孔坑壁厚0.24m,各方向基础0.1m,操作面0.3m , H按1.0m考虑,不考虑放坡,每个SK1挖土面积计算如下:A = [a+(0.24+0.1 + 0.3)*2]*[b+(0.24+0.1 += 3.67 m2号手孔(SK2)主体结构图已知:a=0.84m, b=0.95m , 人孔坑壁厚0.24m,各方向基础0.1m,操作面0.3m , H按1.0m考虑,不考虑放坡,每个SK2挖土面积计算如下:A = [a+(0.24+0.1+0.3)*2 ) ]*[b+(0.24+0.1+0.3)*2] = 4.73m2砖砌90x120手孔主体结构已知:a=0.9m, b=1.2m , 人孔坑壁厚0.24m,各方向基础0.1m,操作面0.3m , H按1.7m考虑,不考虑放坡,每个90x120人孔挖土面积计算如下:A = [ (a+(0.24+0.1+0.3)*2]*[ b+(0.24+0.1+0.3)*2] = 5.41 m2砖砌120x170手孔主体结构图已知:a=1.2m, b=1.7m , 人孔坑壁厚0.24m,各方向基础0.1m,操作面0.3m,H按1.7m考虑,不考虑放坡,每个120x170人孔挖土面积计算如下:A = [a+(0.24+0.1+0.3)*2]*[b+(0.24+0.1+0.3)*2] = 7.39 m2小号直通人孔装置图已知:a=2.08m, b=2.88m ,人孔坑壁厚0.24m,各方向基础0.1m,操作面0.3m ,H按2.45m考虑,不考虑放坡,每个小直挖土面积计算如下:A = [a+(0.24+0.1+0.3)*2]*[b+(0.24+0.1+0.3)*2] = 13.98 m2常用管道沟断面图通用公式为A仁(2Hi+B)L (m2) , i考虑为0.15 ,可计算出各种常用管道沟的开挖路面面积如下(单位为m2 ):pvc-1(不包封):A=0.798*L ; pvc-2(不包封)=0.928*L ; G-1 = 0.6726*L ; G-2 = 0.7946*L ;G-3 = 1.0166*L ; G-4 = 0.8312*L ; PVC-1(包封)=0.801*L ; PVC-2(包封)=0.931*L ;PVC-3(包封)=1.051*L ; PVC-4(包封)=0. 97*L ;表二标准型人手孔土方量45斜诵型 5.13 X 2.54 X 2.(58.65 23.86 34.79 27.72 2.655 60斜诵型 5.16 X 2.54 X 2.(58.93 23.94 34.99 27.84 2.655 SSK 1.18 X 1.08 X0.61.2 净空:1.18 X 1.08SK1 1.8 X 1.4 X.0 2.25 净空:1.52 X 1.13小手SK2 1.83 X 1.58 X 1.04.47 净空:1.63 X 1.52孔SK3 2.40 X 1.8 X 1.0 4.32 净空:2.13 X 1.52SK4 2.90 X 1.8 X 1.0 5.22 净空:2.58 X 1.52。
附件一:各种程式人(手)孔土方量
标准型人孔土方量
标准人孔土方量计算公式:
V2=H/3{ab+(2Hi+a)(2Hi+b)+[ (2Hi+a)(2Hi+b)ab]}1/2 标准人孔坑面积:
A=(2Hi+a)(2Hi+b)
式中:V2----人孔坑土方量。
a------坑的短边长度(m)下边b------坑的长边长度(m)下边H------坑的深度(m)
i-----放坡系数(取0.25)。
A------面积(m2)
附件四:天津市电话局通信管道人(手)孔型号及用途
人手孔型号用途井盖
尺寸
单价
(元)
备注
手孔小方井小区管道,地势狭小且无接头出,人进不去,
很少使用。
800X700 315.00 单开盖
手孔中
方Ⅱ型
小区管道,孔数较少,使用较多1200X700 840.00 双开盖
手孔
中方井
小区管道,孔数较少,1400X900 911.00 双开盖
手孔大方井小区管道,孔数较多,有大对数电缆接头,
便道上也常用
1800X1000 1365.00 三开盖
熟铁异型大方用于车行道上,且修建人孔困难处,12孔以
上
2800X1200 5500.00 三开盖
熟铁
大方井
用于车行道上,且修建人孔困难处,12孔1800X1000 2900.00 三开盖
熟铁中方井用于车行道上,且修建人孔困难处,6孔及
以下
1400X900 2800.00 双开盖
防盗双
层人孔
用于车行道上,便道上,多用于郊区
双层人孔井用于车行道上,便道上,可以修建人孔的地方
手孔坑示意图。
土方开挖工程量计算公式第一篇:土方开挖工程量计算公式圆柱体:体积=底面积×高长方体:体积=长×宽×高正方体:体积=棱长×棱长×棱长.锥体: 底面面积×高÷3台体: V=[ S上+√(S上S下)+S下]h÷3球缺体积公式=πh²(3R-h)÷3球体积公式:V=4πR³/3棱柱体积公式:V=S底面×h=S直截面×l(l为侧棱长,h为高) 棱台体积:V=〔S1+S2+开根号(S1*S2)〕/3*h注:V:体积;S1:上表面积;S2:下表面积;h:高。
------几何体的表面积计算公式圆柱体:表面积:2πRr+2πRh 体积:πRRh(R为圆柱体上下底圆半径,h为圆柱体高)圆锥体:表面积:πRR+πR[(hh+RR)的平方根] 体积: πRRh/3(r为圆锥体低圆半径,h为其高,平面图形名称符号周长C和面积S正方形 a—边长 C=4a S=a2 长方形 a和b-边长 C=2(a+b)S =ab 三角形a,b,c-三边长h-a边上的高s-周长的一半A,B,C-内角其中s=(a+b+c)/2 S=ah/2=ab/2?sinC =[s(s-a)(s-b)(s-c)]1/2=a2sinBsinC/(2sinA)四边形d,D-对角线长α-对角线夹角S=dD/2?sinα平行四边形 a,b-边长h-a边的高α-两边夹角 S=ah=absinα 菱形a-边长α-夹角D-长对角线长d-短对角线长S=Dd/2=a2sinα 梯形a和b-上、下底长h-高m-中位线长S=(a+b)h/2=mh 圆 r-半径 d-直径 C=πd=2πr S=πr2=πd2/4 扇形 r—扇形半径 a—圆心角度数 C=2r+2πr×(a/360)S=πr2×(a/360)弓形 l-弧长 S=r2/2?(πα/180-sinα)b-弦长=r2arccos[(r-h)/r]b/2?[r2-(b/2)2]1/2r-半径=r(l-b)/2 + bh/2α-圆心角的度数≈2bh/3 圆环 R-外圆半径 S=π(R2-r2)r-内圆半径=π(D2-d2)/4D-外圆直径d-内圆直径椭圆 D-长轴 S=πDd/4d-短轴第二篇:土建工程量计算公式建筑预算实习报告范文一、工程课题:昆钢凌波小区商住楼0111型土建工程二、工程简介:昆钢凌波小区商住楼0111型土建是框架结构建筑,总建筑面积为1392.7平方米,建筑总高度为24.75米,土建工程量计算公式。
附件一:各种程式人(手)孔土方量
标准型人孔土方量
标准人孔土方量计算公式:
V2=H/3{ab+(2Hi+a)(2Hi+b)+[ (2Hi+a)(2Hi+b)ab]}1/2 标准人孔坑面积:
A=(2Hi+a)(2Hi+b)
式中:V2----人孔坑土方量。
a------坑的短边长度(m)下边b------坑的长边长度(m)下边H------坑的深度(m)
i-----放坡系数(取0.25)。
A------面积(m2)
附件四:天津市电话局通信管道人(手)孔型号及用途
人手孔型号用途井盖
尺寸
单价
(元)
备注
手孔小方井小区管道,地势狭小且无接头出,人进不去,
很少使用。
800X700 315.00 单开盖
手孔中
方Ⅱ型
小区管道,孔数较少,使用较多1200X700 840.00 双开盖
手孔
中方井
小区管道,孔数较少,1400X900 911.00 双开盖
手孔大方井小区管道,孔数较多,有大对数电缆接头,
便道上也常用
1800X1000 1365.00 三开盖
熟铁异型大方用于车行道上,且修建人孔困难处,12孔以
上
2800X1200 5500.00 三开盖
熟铁
大方井
用于车行道上,且修建人孔困难处,12孔1800X1000 2900.00 三开盖
熟铁中方井用于车行道上,且修建人孔困难处,6孔及
以下
1400X900 2800.00 双开盖
防盗双
层人孔
用于车行道上,便道上,多用于郊区
双层人孔井用于车行道上,便道上,可以修建人孔的地方
手孔坑示意图。
最全挖土方计算公式挖土方计算是指根据设计图纸或现场测量数据,计算出挖土工程中的土方量。
土方计算是土木工程中非常重要的一项工作,准确的土方计算对于工程施工和预算的合理安排非常关键。
下面将介绍最全的挖土方计算公式:公式1:土方体积公式土方体积=断面面积×断面长度土方体积=梯形面积×断面长度土方体积=圆形面积×断面长度公式2:土方体积公式(土方盘状)土方体积=[(A1+A2)/2]×断面长度公式3:土方体积公式(多学长)公式4:导高面积法土方体积=∑(土层厚度i+上覆深度/2)×定段宽度公式5:矩形梯形截面土方计算土方体积=∑[{(上底+下底)/2×高}]公式6:矩形梯形实均高计算法实均高=∑[土层高×土层厚度(多个矩形梯形截面的实均高相加)]土方体积=∑[上底+下底)/2×实均高]土方体积= ∑[{(上底1+下底1)/2 + (上底2+下底2)/2 +√{(上底1+上底2)/2 × tan(棱台角度)}/2} × 高]公式8:多边形截面土方计算法(Simpson法)土方体积=∑[{(上底+下底)/2×高}]公式9:截形土方计算法土方体积=∑[{(上底+下底)/2×高}]公式10:圆台体土方计算法土方体积=∑[{(上底+下底)/2+√(上底×下底)/2}×高]以上是一些常用的挖土方计算公式,可以根据具体的工程情况选择适合的公式进行计算。
总结一下,挖土方的计算方法主要是根据土方体积公式来计算,而具体的公式选择则取决于土方的断面形状,如矩形、梯形、棱台等。
除了断面面积和断面长度外,还需考虑一些特殊情况,如土方盘状和多学长的计算方法。
需要注意的是,土方计算只是根据设计图纸或者实测数据进行理论计算,实际挖土过程中会因为施工方案、地质条件等因素产生误差。
因此,在进行挖土方计算时,应结合实际情况进行合理的调整和修正。
人工土方的工程量计算公式土方工程是指在土地开发、建筑施工、道路修建等工程中,对地表土壤进行开挖或填埋的工作。
在土方工程中,土方量的计算是非常重要的,它直接影响到工程进度和成本。
因此,掌握土方工程量的计算方法是每个土木工程师和施工人员必备的基本技能。
人工土方是指通过人工劳动进行土方开挖或填埋的工作。
在进行人工土方工程量计算时,需要考虑土方的开挖深度、填方高度、开挖面积等因素。
下面我们将介绍人工土方工程量计算的基本公式和方法。
一、开挖土方量的计算公式。
1. 开挖土方量的计算公式为,V=Ah。
其中,V为土方量,A为开挖面积,h为开挖深度。
开挖面积A的计算公式为,A=lw。
其中,l为开挖长度,w为开挖宽度。
开挖深度h的计算公式为,h=H1-H2。
其中,H1为原地面高程,H2为开挖后的地面高程。
2. 填方土方量的计算公式。
填方土方量的计算公式为,V=Ah。
其中,V为土方量,A为填方面积,h为填方高度。
填方面积A的计算公式同样为,A=lw。
填方高度h的计算公式为,h=H2-H1。
其中,H1为原地面高程,H2为填方后的地面高程。
以上就是开挖土方量和填方土方量的基本计算公式。
下面我们将通过一个实际案例来演示如何应用这些计算公式进行土方工程量的计算。
案例分析:假设某地需要进行土地平整工程,开挖面积为1000平方米,开挖深度为2米,填方面积为800平方米,填方高度为1.5米。
原地面高程为100米,开挖后的地面高程为98米,填方后的地面高程为99.5米。
现在我们来计算一下开挖土方量和填方土方量。
开挖土方量的计算:A=1000平方米。
h=2米。
V=10002=2000立方米。
填方土方量的计算:A=800平方米。
h=1.5米。
V=8001.5=1200立方米。
通过以上计算,我们得出开挖土方量为2000立方米,填方土方量为1200立方米。
以上就是人工土方工程量计算的基本公式和方法,希望对大家有所帮助。
在实际工程中,土方工程量的计算还需要考虑到土方的堆放和运输等因素,因此在进行土方工程量计算时,需要综合考虑各种因素,确保计算结果的准确性和可靠性。
一、开挖量管道沟土方量的计算标准。
管道沟土方量=开挖截面积X长度(每个人孔减2米)
1、四孔管道沟横截面积0.7平方米(上0.65,下0.45),倒运土方截面积0.17。
2、六孔管道沟横截面积0.9(上0.7,下0.5)倒运土方截面积0.2。
3、八孔管道沟横截面积1.05(上0.8,下0.6)倒运土方截面积0.25。
4、九孔管道沟横截面积0.96(上0.7下0.5)倒运土方截面积0.28。
5、十二孔管道沟横截面积1.12(上0.8,下0.6)倒运土方截面积0.33。
二、开挖人孔坑土方量的计算。
三、管道包封体积的计算
1、四孔每个接头包封体积0.04,管道每米包封0.09。
2、六孔每个接头包封体积0.046,管道每米包封0.11。
3、八孔每个接头包封体积0.052,管道每米包封0.12。
4、九孔每个接头包封体积0.054,管道每米包封0.12。
土石方工程量计算公式2011-01-15 22:07:30土石方工程量计算公式土石方工程一、人工平整场地:S=S底+2*L外+16二、挖沟槽:1. 垫层底部放坡:V=L*(a+2c+kH)*H2. 垫层表面放坡V=L*{(a+2c+KH1)H1+(a+2c)H2}三、挖基坑(放坡)方形: V=( a+2c+KH)* ( b+2c+KH)*H+1/3*K2H3圆形: V=∏/3*h*(R2+Rr+r2)放坡系数类别放坡起点人工挖土机械挖土坑内作业坑上作业一、二类别 1.20 1:0.5 1:0.33 1:0.75三类土 1.50 1:0.33 1:0.25 1:0.67四类土 2.00 1:0.25 1:0.10 1:0.33一、基坑土方工程量计算(一)基坑土方量计算基坑土方量的计算,可近似地按拟柱体体积公式计算(图1—8)。
图1—8基坑土方量计算图1—9基坑土方量计算V=H*(A'+4A+A'')/6H ——基坑深度(m)。
A1、A2——基坑上下两底面积(m2)。
A0 ——基坑中截面面积(m2)。
二、计算平整场地土方工程量①四棱柱法A、方格四个角点全部为挖或填方时(图1—16),其挖方或填方体积为:式中:h1、h2、h3、h4、——方格四个角点挖或填的施工高度,以绝对值带入(m);a ——方格边长(m)。
图1—16 角点全填或全挖;图1—17角点二填或二挖;图1—18角点一填三挖B、方格四个角点中,部分是挖方,部分是填方时(图1—17),其挖方或填方体积分别为:C、方格三个角点为挖方,另一个角点为填方时(图1—18),其填方体积为:其挖方体积为:②三棱柱法计算时先把方格网顺地形等高线将各个方格划分成三角形(图1—19)图1—19 按地形方格划分成三角形每个三角形的三个角点的填挖施工高度,用h1、h2、h3表示。
A、当三角形三个角点全部为挖或填时(图1—20a),其挖填方体积为:式中:a——方格边长(m);h1、h2、h3——三角形各角点的施工高度,用绝对值(m)代入。
土方开挖量计算公式
土方开挖量计算公式使用体积计算法,公式如下:
挖方体积= ∑(截面积1+截面积2)/2× 行程
填方体积= ∑(截面积1+截面积2)/2× 行程
其中,∑代表累计计算,每经过一定距离,就要进行一次计算。
截面积1和截面积2表示土方开挖或填筑的起点和终点的横截面积,行程表示土方开挖或填筑的长度,所有数值均使用立方米作为单位。
需要注意的是,在实际计算中还需要考虑配合计算含水率、盲深、垫层等因素对土方开挖量进行修正,以获得更为准确的结果。
人工挖孔桩土方量计算式在建筑工程中,人工挖孔桩是一种常见的基础形式。
而准确计算人工挖孔桩的土方量对于工程预算、成本控制以及施工进度安排都具有重要意义。
下面我们就来详细探讨一下人工挖孔桩土方量的计算方法。
人工挖孔桩的形状通常近似为圆柱体,其土方量的计算主要就是计算这个圆柱体的体积。
我们先来明确一下计算所需要的基本参数,包括桩的直径、桩的深度以及孔口的扩大头尺寸(如果有)。
假设人工挖孔桩的直径为 D,深度为 H,那么桩身部分的体积 V1可以通过圆柱体的体积公式计算得出:V1 =π × (D/2)² × H这里的π 取 314 左右即可。
但很多时候,人工挖孔桩的顶部会有一个扩大头,用于增加桩的承载能力。
如果有扩大头,我们还需要计算扩大头部分的体积。
假设扩大头的上直径为 D1,下直径为 D2,高度为 h,那么扩大头部分的体积 V2 可以通过圆台体积公式计算:V2 =1/3 × π × h × (D1/2)²+(D1/2) ×(D2/2) +(D2/2)²最后,人工挖孔桩的总体土方量 V 就等于桩身体积 V1 加上扩大头体积 V2 :V = V1 + V2在实际计算中,需要注意以下几点:首先,测量桩的直径和深度时,要确保测量数据的准确性。
测量工具要经过校准,测量方法要规范,尽量减少误差。
其次,如果桩身不是完全垂直的,而是有一定的倾斜度,那么在计算深度时,要按照实际的倾斜长度进行计算。
另外,如果挖孔桩在不同深度的直径有所变化,比如渐变式的扩大或缩小,那么需要分段计算体积,然后再累加起来。
为了更清楚地理解计算过程,我们来看一个具体的例子。
假设一个人工挖孔桩的直径为 1 米,深度为 10 米,顶部扩大头的上直径为 15 米,下直径为 1 米,高度为 1 米。
先计算桩身体积 V1:V1 = 314 ×(1/2)² × 10 = 785(立方米)再计算扩大头体积 V2:V2 = 1/3 × 314 × 1 ×(15/2)²+(15/2) ×(1/2) +(1/2)² ≈ 088(立方米)最后得出总体土方量 V:V = V1 + V2 = 785 + 088 = 873(立方米)通过这个例子,我们可以看到,只要准确测量出各项参数,按照公式进行计算,就能得到较为准确的人工挖孔桩土方量。
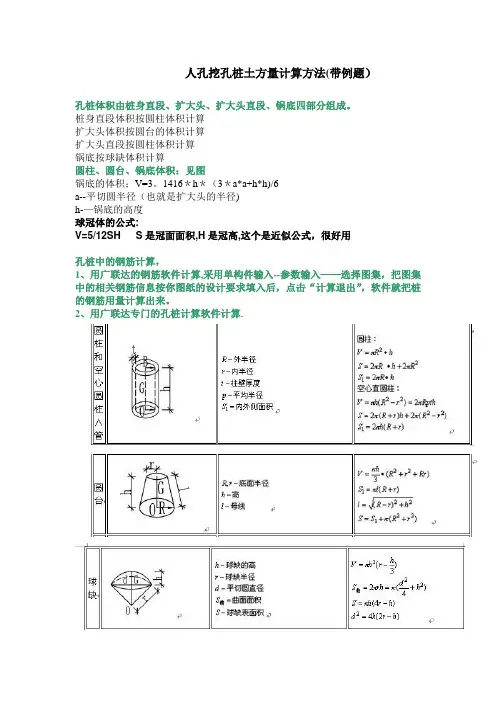
人孔挖孔桩土方量计算方法(带例题)
孔桩体积由桩身直段、扩大头、扩大头直段、锅底四部分组成。
桩身直段体积按圆柱体积计算
扩大头体积按圆台的体积计算
扩大头直段按圆柱体积计算
锅底按球缺体积计算
圆柱、圆台、锅底体积:见图
锅底的体积;V=3。
1416*h*(3*a*a+h*h)/6
a--平切圆半径(也就是扩大头的半径)
h-—锅底的高度
球冠体的公式:
V=5/12SH S是冠面面积,H是冠高,这个是近似公式,很好用
孔桩中的钢筋计算,
1、用广联达的钢筋软件计算,采用单构件输入--参数输入——选择图集,把图集中的相关钢筋信息按你图纸的设计要求填入后,点击“计算退出”,软件就把桩的钢筋用量计算出来。
2、用广联达专门的孔桩计算软件计算.
s。
人工挖孔桩工程量计算表及计算公式人工挖孔桩是一种常见的基础工程形式,在建筑施工中被广泛应用。
准确计算其工程量对于工程预算、成本控制以及施工进度安排都具有重要意义。
下面将详细介绍人工挖孔桩工程量的计算表及计算公式。
一、人工挖孔桩工程量计算表人工挖孔桩工程量计算表通常包括以下项目:1、桩号用于标识每一根挖孔桩的编号,方便后续的计算和记录。
2、桩径挖孔桩的直径,一般以米为单位。
3、桩长从桩顶到桩底的垂直距离,包括扩大头部分的长度。
4、护壁厚度护壁是为了保证挖孔过程中的安全而设置的,其厚度通常在计算表中予以明确。
5、扩大头尺寸如果桩底有扩大头,需要记录扩大头的高度、直径等尺寸。
6、土方量计算挖孔过程中挖出的土方体积。
7、护壁混凝土量用于浇筑护壁的混凝土体积。
8、桩芯混凝土量桩身内部填充的混凝土体积。
9、钢筋用量包括主筋、箍筋等钢筋的重量。
二、人工挖孔桩工程量计算公式1、土方量计算(1)不考虑护壁时:V1 =π × r² × h其中,V1 为土方量,r 为桩半径,h 为桩长。
(2)考虑护壁时:V2 =π × (R² r²) × h其中,R 为护壁外半径,r 为桩半径,h 为桩长。
2、护壁混凝土量计算V3 =π × (R² r²) × h1其中,V3 为护壁混凝土量,R 为护壁外半径,r 为桩半径,h1 为护壁高度。
3、桩芯混凝土量计算V4 =π × r² × h2其中,V4 为桩芯混凝土量,r 为桩半径,h2 为桩芯高度(不包括扩大头)。
4、扩大头混凝土量计算(1)对于圆台形扩大头:V5 =1/3 × π × h3 × (R1²+ R1 × r1 + r1²)其中,V5 为扩大头混凝土量,h3 为扩大头高度,R1 为扩大头顶部半径,r1 为扩大头底部半径。
土方开挖计量公式土方开挖是工程建设中常见的一项工作,而准确的计量对于工程的预算、成本控制以及施工进度安排都至关重要。
下面咱就来好好聊聊土方开挖计量公式。
先来说说长方体形状的土方开挖计量公式。
这就好比咱们盖房子挖地基,如果这个地基的形状就像一个规整的长方体,那计算起来就相对简单啦。
公式就是:体积 = 长×宽×高。
比如说,有一块工地,要挖一个长 50 米、宽 30 米、深 2 米的大坑,那这土方量就是 50×30×2 = 3000 立方米。
这是不是挺直观的?再说说棱台形状的土方开挖计量公式。
这有点像那种上宽下窄的形状。
公式是:体积 = 1/3×h×(S 上 + S 下+ √(S 上×S 下))。
给您举个例子,有一次我去一个工地,他们挖的那个坑就是棱台形状的。
上边的面积大概是 80 平方米,下边的面积是 40 平方米,深度是 3 米。
按照公式一算,1/3×3×(80 + 40 + √(80×40)),算出来就是这部分的土方量。
还有那种不规则形状的土方开挖,这时候可能就得借助一些测量工具和方法了。
比如说用全站仪进行测量,获取多个点的坐标和高程,然后通过专业的软件来计算土方量。
我记得有一回,在一个大型的建筑工地上,因为地形特别复杂,常规的公式根本没法用。
施工队就请来了专业的测量人员,拿着先进的仪器,一点一点地测量、记录数据。
那认真劲儿,就像是在完成一件特别精细的艺术品。
总之,土方开挖计量公式虽然看起来有点复杂,但只要咱们弄清楚各种形状对应的公式,再结合实际情况,就能准确算出土方量啦。
不管是简单的长方体,还是稍微复杂点的棱台,或者是不规则的形状,都有办法搞定。
希望通过我上面的介绍,能让您对土方开挖计量公式有更清楚的了解,在实际工作或者学习中能够运用自如,不再被它难倒!。
通信管道计算方法:开挖路面(柏油、混凝土、水泥花砖)=管道长度×0.5米(百平方米)开挖土方量=开挖管道沟面积×长度(百立方米)开挖管道沟面积=(地面开刨沟宽+沟底开凿沟宽)×开挖沟深×½回填土方量(夯填、松填)=开挖土方量-管道包封混凝土量-管道基础方量-井所占土方量(百立方米)管道包封混凝土量=管道包封整体体积-管孔体积(立方米)管道基础方量=基础长×基础宽×基础高倒运土方量=开挖土方量-回填土方量(百立方米)管道工程施工测量=管道总长度开挖管道沟及人手孔坑(普通土、硬土、砂砾土)=开挖土方量分别×60%×30%×10%常用管道定额:管道包封C15 TGD2-90人孔井90×120 TDG3-125常用管道沙子水泥料:管道包封C15 水泥 0.31T碎石 1.34T/1.65=0.81 m³沙子 0.71T/1.5=0.47 m³板材 0.06 m³人孔井90×120 水泥 0.4T沙子 1.4/1.5=0.93 m³碎石 0.75/1.65=0.45 m³板材 0.06 m³红砖 720块拉力环 2个圆钢φ6 1.05㎏φ8 3㎏φ10 7.21㎏甲式托架/M16×220穿钉 4/8个倒置交接箱底座①水泥 0.06T碎石 0.24T/1.65=0.15 m³沙子 0.13T/1.5=0.09 m³板材 0.01 m³瓷砖 160块②水泥 0.15T碎石 0.25T/1.65=0.15 m³沙子 0.25T/1.5 =0.17 m³红砖 300块瓷砖 160块常用管道包封截面积:φ110 一孔波:0.0418㎡两孔波:0.0532㎡四孔波:0.076㎡φ50 一孔塑:0.025㎡(0.0702采用380×190)两孔塑:0.03㎡(0.0682采用380×190) 常用2孔管道(380×190)截面积: 0.0722㎡常用φ110×2孔波截面积:2×(3.14×55²)=0.019㎡人手孔净里(小号):120×90×170 挖土方量2.4×2.1×2.35=11.84 m³(大号手孔土方量:约20 m³)沙子水泥:单位换算:碎石:X吨/1.65-----m³沙子:X吨/1.5------m³附:φ110两孔管道截面图:1、2、3、4孔管道共用此开挖土方量;图中未显示基础的长宽高及管孔之间距离20PS:图中0.8为80mm。
人孔土方量开挖计算公式
小号人孔土方量开挖计算公式
以小号手孔为例
小号手孔规格为1.2*0.9(深为1.5米)
小号手孔开挖时需取放坡系数(现按0.25放坡计算)
小号手孔开挖时列下列数据
小号手孔开挖时,机制砖为12*12*24,故砖墙厚为0.24米,两边共计
L1=0.48米,开挖人孔时需留下施工人员抹墙壁时的操作空间,每边为0.4米,两边共计L2=0.80米a=0.9+L1+L2=0.9+0.48+0.8=2.18米---为小号手孔内径短边长度b=1.2+L1+L2=1.2+0.48+0.8=2.48米---为小号手孔内径长边长度
H=1.5—为小号手孔开挖深度
i=0.25小号人孔开挖时放坡系数
小号手孔开挖时,因为有放坡系数实际上开挖形状为棱台体A1=下底面积=ab=2.48*2.18=5.4064
A2=上底面积=(2Hi+a)
(2Hi+b)=(2*1.5*0.25+2.18)(2*1.5*0.25+2.48)=2.93*3.23=9.4 639两底面积开平方根=7.153
V=1/3*1.5*(5.4064+9.4639+7.153)=0.5*22.0233=11.01立方米
1/ 1。
人工挖土方项目计算公式人工挖土方人工挖土要根据土壤类别、施工方法等分别按挖基(地)槽、挖基坑、挖土方等项目计算。
(1)挖基槽(地沟)基槽指条形基础下的地槽,地沟指管道地沟。
其工程量按沟槽长度乘以沟槽的断面积。
其突出部分体积应并入基槽工程量内计算;沟槽深度不同时,应分别计算。
土方放坡时,在交接处产生的重复工程量不予扣除。
基槽的长度:外墙按图示中心线长计算;内墙按净长度计算。
基槽横断面的形式:分放坡与不放坡进行计算。
挖土深度H:一般以设计室外地坪标高为准。
根据土的性质、开挖深度以及施工方法确定土壁是否放坡。
放坡的宽度根据放坡系数计算,即KH。
为保证工人的正常操作,基底宽度应在基础宽度的基础上增加工作面宽度2C。
计算公式:① 不放坡时:V挖=L×(B+2C)×H② 有放坡时:V挖=L×(B+2C+KH)×H(2)挖基(地)坑挖地坑工程量根据图示尺寸以立方米为单位计算,按土壤类别、挖土深度不同分别套用相应的定额。
① 矩形不放坡的地坑土方量为:V挖=(a+2c)×(b+2c)×H② 矩形放坡的地坑土方量为:= (a+2c)×(b+2c)×H+KH2×(a+2c)+KH2×(b+V挖2c)+4×1/3K2H3=(a+2c+KH)×(b+2c+KH)×H+1/3K2H3(3)k为放坡系数。
放坡宽度b与深度H和放坡角度a之间是正切函数关系,即tana=b/H,不同的土壤类别取不同的a值,所以不难看出,放坡系数就是根据tana来确定的。
例如,三类土的tana=b/H=0.33。
我们将tana=K来表示放坡系数,故放坡宽度b=kH。
K是根据土壤类别确定的。
一、二类土的放坡系数为0.5,三类土为0.33,四类土为0.25。
土方挖方量计算公式土方挖方量计算是在土木工程中非常重要的一项工作,它用于测量和计算土方工程中土壤的挖方量。
土方挖方量计算可以帮助工程师确定土方开挖的工作量和成本,从而有效地进行土方工程的设计和施工。
土方挖方量计算的公式是基于土方的横断面积和挖方深度。
下面是土方挖方量计算的公式:挖方量 = 横断面积 ×挖方深度其中,横断面积是指土方在某一断面上的面积,一般为矩形或梯形的形状。
挖方深度是指土方开挖的深度。
在进行土方挖方量计算时需要注意以下几点:1. 单位制一致:在进行土方挖方量计算时,要确保所有的长度和面积单位是一致的。
常用的长度单位有米、厘米、英尺等,面积单位有平方米、平方厘米、平方英尺等。
需要确保所使用的单位是相同的,以避免计算错误。
2. 横断面积的计算:根据土方的形状,可以采用不同的公式来计算横断面积。
例如,对于矩形形状的土方,横断面积可以直接计算为长度乘以宽度;对于梯形形状的土方,横断面积可以计算为上底加下底乘以高度再除以2。
3. 挖方深度的确定:挖方深度是指土方开挖的深度,通常需要根据具体工程要求和设计图纸来确定。
在进行挖方深度的计算时,需要考虑土方的坡度、边坡系数等因素,确保深度计算的准确性。
通过使用上述土方挖方量计算公式,工程师可以准确计算出土方工程所需的挖方量。
这对于土方工程的施工和预算管理非常重要。
在实际应用中,土方挖方量计算还需要考虑斜坡、边坡等特殊情况的因素,并进行相应的修正。
因此,在进行土方挖方量计算时,需要结合实际情况和专业经验,综合考虑各种因素,确保计算结果的准确性和可靠性。
总结起来,土方挖方量计算公式是土木工程中重要的计算方法之一。
它可以帮助工程师进行土方工程设计和施工管理,确保土方开挖工作的准确性和经济性。
在进行土方挖方量计算时,需要注意单位制一致、横断面积的计算和挖方深度的确定。
通过准确计算挖方量,工程师可以更好地进行土方工程的规划和实施,为工程的顺利进行提供可靠的依据。
小号人孔土方量开挖计算公式
以小号手孔为例
小号手孔规格为1.2*0.9(深为1.5米)
小号手孔开挖时需取放坡系数(现按0.25放坡计算)
小号手孔开挖时列下列数据
小号手孔开挖时,机制砖为12*12*24,故砖墙厚为0.24米,两边共计
L1=0.48米,开挖人孔时需留下施工人员抹墙壁时的操作空间,每边为0.4米,两边共计L2=0.80米a=0.9+L1+L2=0.9+0.48+0.8=2.18米---为小号手孔内径短边长度
b=1.2+L1+L2=1.2+0.48+0.8=2.48米---为小号手孔内径长边长度
H=1.5—为小号手孔开挖深度
i=0.25小号人孔开挖时放坡系数
小号手孔开挖时,因为有放坡系数实际上开挖形状为棱台体A1=下底面积=ab=2.48*2.18=5.4064
A2=上底面积=(2Hi+a)
(2Hi+b)=(2*1.5*0.25+2.18)(2*1.5*0.25+2.48)=2.93*3.23=9.4639两底面积开平方根=7.153
V=1/3*1.5*(5.4064+9.4639+7.153)=0.5*22.0233=11.01立方米
1/ 1。